Тиристорно-импульсная система управления
Тири́сторно-и́мпульсная систе́ма управле́ния (сокр. ТИСУ) — комплекс электронного и электромеханического оборудования для управления различными электрическими нагрузками в системах, имеющих нерегулируемый источник постоянного тока (тяговые двигатели (ТД) электровозов, тепловозов, МВПС, теплоходов, атомоходов, подвижного состава трамваев и троллейбусов и т. п.)[1].

История
Проблема потерь энергии на пусковых реостатах в системах управления тяговыми электродвигателями стала актуальной уже в первые десятилетия XX века. Тогда же в радиотехнике стал применяться способ широтно-импульсного регулирования. Идея применить широтно-импульсное управление током тягового двигателя на подвижном составе рассматривалась инженерами ещё до Второй мировой войны. Такие работы проводились в США (General Electric), Германии (Siemens) и в СССР. Были созданы импульсные регуляторы мегаваттной мощности на тиратронах. Однако рассматривать их даже как прототипы реальных систем управления тяговыми электродвигателями было нельзя. Устройства эти были сложными, дорогими (фактически были на пределе возможностей силовой электроники тех лет), но при этом — ненадежными и экологически вредными в эксплуатации (особенно если применялись ртутные вентили).
К идее импульсного управления вернулись уже после Второй мировой войны в конце 1940-х годов, когда были созданы новые типы более надежных тиратронов (таситроны), допускающих работу с большими токами, однако скорое изобретение тиристоров и их быстрое совершенствование дали возможность отказаться от газоразрядных приборов. Уже к концу 1950-х годов в США были созданы тиристоры, характеристики которых позволяли применять их на трамваях, троллейбусах, поездах метро, а чуть позже и на электровозах. Поначалу тиристорные регуляторы были очень дорогими и не очень широко применялись железнодорожными компаниями, однако бурное развитие полупроводниковой электроники в 1960-х — 1970-х годах позволили существенно снизить цену новых устройств и оснастить их новыми функциями (защита от боксования (проворачивания колес по рельсу при потере сцепления)[прояснить], рекуперация энергии во всем диапазоне скоростей). Поэтому с 1970-х годов на американском, европейском и японском подвижном составе ТИСУ начинает вытеснять РКСУ. В СССР создать свою надежную систему ТИСУ не удалось, однако на подвижном составе, поставляемом в СССР из ЧССР ТИСУ уже применялась. Лишь в конце 1980-х годов первая удовлетворительно работоспособная система стала устанавливаться на троллейбусы ЗиУ-10. Для метрополитенов удалось создать ТИСУ лишь к середине 1990-х годов и лишь с использованием иностранных комплектующих. Для электровозов создать свою ТИСУ ни в СССР, ни позже в России не удалось. Современные российские электровозы оснащаются уже следующим поколением регуляторов — транзисторно-импульсными.
Принцип действия

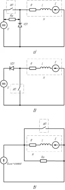
а — напряжения на нагрузке (Н); б — тока источника (Е); в — тока нагрузки Н, включенной в цепь источника тока
Процесс импульсного регулирования цепи постоянного тока сводится к периодическому прерыванию тока в одной из ветвей цепи с помощью ключа. На практике применяется три схемы включения ключей (показаны на рисунке).
В первом из них (рисунок 1а) прерыватель ИП включен между нагрузкой Н и источником напряжения U, причем иногда он может быть шунтирован резистором Rш. Нагрузка Н в общем случае содержит активную R и индуктивную L составляющие, а также противоЭДС Е. При L>0 всегда применяют шунтирование её вентилем VD1[2]. Во втором варианте (рисунок 1б) прерыватель ИП и диод VD1 меняют местами — такую схему используют для передачи энергии от источника ЭДС Е в источник U, то есть при рекуперативном торможении двигателей. Для реализации рекуперативно-реостатного или реостатного торможения и эту схему вводят резисторы. Если вместо источника U включить конденсатор С, то получим схему преобразователя с повышением напряжения при одновременном его сглаживании, которая применяется при питании высоковольтных нагрузок от низковольтных источников постоянного тока. Третий вариант (рисунок 1 в) предполагает регулирование тока в нагрузке Н, питающейся от источника тока I. При этом нагрузка с L>0 шунтируется резистором Rш, что позволяет регулировать её ток.
Функционально ТИСУ состоит из генератора импульсов; контроллера, управляющего параметрами генерируемой последовательности импульсов в зависимости от требований обслуживающего персонала, характеристик нагрузки и электромеханических предохранительных устройств (контакторы, реле защиты). Поскольку генератор импульсов вместе с контроллером выдают управляющие сигналы малой мощности, то для коммутации тока в силовых цепях применяются сильноточные тиристоры, отчего вся система и получила своё название.
Например, ТИСУ, предназначенная для регулирования оборотов и вращающего момента тягового двигателя, при необходимости увеличения оборотов или вращающего момента увеличивает частоту и длительными во времени импульсов тока через нагрузку, таким образом возрастает средний ток через двигатель. Если нужно понизить обороты или развиваемый момент, то ТИСУ формирует более редкие и короткие импульсы в их временной последовательности, обеспечивая уменьшение среднего тока, проходящего через обмотки двигателя.
Тиристорный преобразователь (инвертор), изображённый на рисунке 2, выполнен на шести тиристорах по схеме Ларионова. В зависимости от вида включения обмоток тягового двигателя (звездой или треугольником), преобразователь по схеме Ларионова имеет существенно разные характеристики. Некоторые характеристики («живучесть» при выходе из строя нескольких тиристоров) преобразователей на двенадцати тиристорах, выполненных по схеме «три параллельных моста» лучше, чем у преобразователей по схеме Ларионова.
В ранних моделях ТИСУ генератор импульсов и контроллер выполнялись на аналоговой базе (на дискретных элементах или с ограниченным использованием логических схем малой степени интеграции), впоследствии дальнейшее развитие электроники позволило применять в управляющем блоке ТИСУ более гибкие программируемые цифровые микросхемы.
Преимущества
Преимуществом ТИСУ перед более ранними моделями систем управления током (непосредственная, косвенная реостатно-контакторная) в ТД подвижного состава является отсутствие тепловых потерь в пусковых сопротивлениях, а следовательно, и более высокий КПД. Также за счёт бесступенчатого увеличения тока в обмотках ТД ТИСУ позволяет достичь плавного разгона транспортного средства без рывков и толчков, отсутствие сложных электромеханических устройств коммутации, что повышает надёжность.
Недостатки
Недостатком ТИСУ является её более высокая сложность по сравнению с электромеханическими аналогами, требующая более высокого уровня обслуживающего персонала для диагностики и ремонта. В отличие от непосредственной и в несколько меньшей степени косвенной реостатно-контакторной систем управления, ТИСУ практически не ремонтируется в условиях депо, так как требует радиомонтажной, а не обычной для транспортных предприятий механической и электрической мастерской, что сдерживало её внедрение в СССР.
По сравнению с более поздними импульсными системами управления ТЭД — транзисторно-импульсными регуляторами двигателей постоянного тока или частотными преобразователями асинхронных двигателей, ТИСУ характеризуется большей схемотехнической сложностью, меньшим КПД, как правило, большими габаритами и массой. К недостатками тиристоров также относится невозможность их принудительного запирания, что практически исключает возможность построения систем схемотехнической защиты от коротких замыканий в цепи тяговых двигателей или в самом тиристорном регуляторе, а также низкая рабочая частота (сотни герц), что вызывает вибрацию обмоток ТЭД и характерный гудящий звук при пуске и торможении.
По состоянию на вторую половину 2010-х годов ТИСУ считается устаревшей.
Применение
Среди моделей трамвайного подвижного состава ТИСУ отечественного производства использовалась на единичных опытных вагонах КТМ-5Т, 71-608 и 71-619Т, мелкосерийных РВЗ-7, ЛВС-86Т и ЛВС-86М, 71-605РМ. Довольно широкое распространение в СССР с 1987 года получили импортные чешские трамваи TATRA-Т6В5 с ТИСУ. На их основе днепропетровским предприятием «Южмаш» и свердловским УЗТМ были впоследствии созданы свои модели трамваев с ТИСУ, а в Беларуси ТИСУ используются на вагонах АКСМ-1М, АКСМ-60102 и АКСМ-743. С конца 1980-х гг. завод имени Урицкого в г. Энгельс Саратовской области наладил серийный выпуск сочленённых троллейбусов ЗиУ-683 (ЗиУ-10) (позднее — ЗиУ-6205) с ТИСУ на базе регулятора РТ-300/700Б2М. В Санкт-Петербурге в 1996 году одна машина ЗиУ-682В00 № 1639 при капитальном ремонте была оборудована ТИСУ МЭРА-2. В метрополитене большого распространения не получила. Испытания вагонов типа «И» закончились неудачно и проект был закрыт. В 1991 году попытка ввести ТИСУ в вагоны метрополитена была повторена на примере вагонов 81-718/719 с народным прозвищем «ТИСУ», а также 81-720/721 «Яуза». «Яуза» оказалась неперспективным проектом, однако вагоны данной серии попали в эксплуатацию. «Тису» не была принята Московским метрополитеном из-за своей «сыроватости» и была впоследствии была принята на эксплуатацию в Харькове и Ташкенте.
Производители
1. ОАО «Запорожский электроаппаратный завод», г. Запорожье
Ориентировочно, в 1978 году разработал, а к 1986 году приступил к серийному выпуску тиристорного регулятора РТ-300/700, применённого впервые заводом «Динамо» в составе комплекта электрооборудования КИ-3001 («ДИНАС-211») для троллейбусов ЗиУ-683Б00. Также заводом были разработаны и изготовлены тиристорные регуляторы типа РТ-300/700 для комплектов электрооборудования троллейбусов ЗиУ-6205, ЗиУ-52642, ЗиУ-62052.02, РТ-300/300А для вагонов метрополитена серий 81-718/719 "ТИСУ", 81-720/721 "Яуза", 81-740/741 "Русич" и аналогичных.
2. ОАО «Завод „Радиоприбор“», г. Санкт-Петербург
- 1991 г.: ТИСУ, применённая заводом «Динамо» в составе комплекта электрооборудования КИ-3103 для трамваев 71-86Т (ЛВС-86Т).
- 1994 г.: ТИСУ МЭРА-1 для переоборудования трамваев Tatra T3.
- 1994 г.: ТИСУ МЭРА-3 для трамвайных вагонов 71-86М.
- 1997 г.: ТИСУ МЭРА-2 для переоборудования троллейбусов с ТЭД ДК-211Б.
- 1998 г.: ТИСУ МЭРА-3.01 для модернизации трамваев Tatra T3 в Москве.
- 1998 г.: ТИСУ МЭРА-4 в составе тягового оборудования МРК-1 (ЗАО «КРОСНА-ЭЛЕКТРА», Москва) для трамвайных вагонов модели 71-619.
- 1997 г.: ТИСУ начали применять в троллейбусах производства Белкоммунмаш.
3. CKD, Прага, ЧССР.
- 1973 г.: TV-1 (модернизация трамвайных вагонов Т3 до модели Т3М)
- 1976 г.: TV-2 (опытный вагон Т5В6).
- 1982 г.: TV-3 (трамвайные вагоны семейства Т6, Т7, КТ4D).
- 1990 г.: TV-8 (модернизация трамвайных вагонов Т3, К2 до T3G, K2G).
Примечания
- Феоктистов В. П., Чаусов О. Г. Тиристорные импульсные преобразователи / В. П. Феоктистов. — М.: Информэлектро, 1985.
- Бирзниекс Л. В. Импульсные преобразователи постоянного тока. — Москва: Энергия, 1974. — 256 с.
Литература
- Глазенко Т. А. Полупроводниковые преобразователи в электроприводах постоянного тока. — Ленинград: Энергия, 1973. — 304 с.
- Ефремов И. С. Реверсивный тиристорный импульсный преобразователь с широким диапазоном регулирования выходного напряжения. — Труды московского энергетического института. — 1983. — Т. №613.
Ссылки
- Паровозные технологии XXI века — статья об устройстве и проблемах применения СУ ТЭД на городском электротранспорте.
- Технические характеристики регуляторов для троллейбуса, трамвая и метрополитена РТ-300/700 и РТ-300/300 на сайте производителя.
- Описание функциональных возможностей и типов ТИСУ МЭРА на
См. также
- Тиристорный коммутатор
- Устройство плавного пуска
- Инвертор (электротехника)
- Инверторная система
- Тяговый преобразователь
- Электропривод
