Инвертор (электротехника)
Инве́ртор — устройство для преобразования постоянного тока в переменный[1] с изменением величины напряжения. Обычно представляет собой генератор периодического напряжения, по форме приближённого к синусоиде, или дискретного сигнала.


Инверторы напряжения могут применяться в виде отдельного устройства или входить в состав источников и систем бесперебойного питания аппаратуры электрической энергией переменного тока.
Свойства инверторов
- Инверторы напряжения позволяют устранить или по крайней мере ослабить зависимость работы информационных систем от качества сетей переменного тока. Например, в персональных компьютерах при внезапном отказе сети с помощью резервной аккумуляторной батареи и инвертора, образующих источник бесперебойного питания (ИБП), можно обеспечить работу компьютеров для корректного завершения решаемых задач. В более сложных ответственных системах инверторные устройства могут работать в длительном контролируемом режиме параллельно с сетью или независимо от неё.
- Кроме «самостоятельных» приложений, где инвертор выступает в качестве источника питания потребителей переменного тока, широкое развитие получили технологии преобразования энергии, где инвертор является промежуточным звеном в цепочке преобразователей. Принципиальной особенностью инверторов напряжения для таких приложений является высокая частота преобразования (десятки-сотни килогерц). Для эффективного преобразования энергии на высокой частоте требуется более совершенная элементная база (полупроводниковые ключи, магнитные материалы, специализированные контроллеры).
- Как и любое другое силовое устройство, инвертор должен иметь высокий КПД, обладать высокой надежностью и иметь приемлемые массо-габаритные характеристики. Кроме того, он должен иметь допустимый уровень высших гармонических составляющих в кривой выходного напряжения (допустимое значение коэффициентов гармоник) и не создавать при работе недопустимый для других потребителей уровень пульсации на клеммах источника энергии.
- В системах чистого измерения Grid-tie инвертор используется для подачи энергии от солнечных батарей, ветрогенераторов, гидроэлектростанций и других источников зелёной энергии в общую электрическую сеть.
Работа инвертора
Работа инвертора напряжения основана на переключении источника постоянного напряжения с целью периодического изменения полярности напряжения на зажимах нагрузки. Частота переключения задается сигналами управления, формируемыми управляющей схемой (контроллером). Контроллер также может решать дополнительные задачи:
- регулирование напряжения;
- синхронизация частоты переключения ключей;
- защитой их от перегрузок и др.
По принципу действия инверторы делятся на:
- автономные;
- инверторы напряжения (АИН), пример — инверторы большинства ИБП;
- инверторы тока (АИТ), пример — советский аэродромный преобразователь АПЧС-63У1[2];
- резонансные инверторы (АИР);
- зависимые инверторы, ведомые сетью, пример — силовой преобразователь электровозов ВЛ85, ЭП1 и др.
Методы технической реализации инверторов и особенности их работы
- Ключи инвертора должны быть управляемыми (включаются и выключаются по сигналу управления), а также обладать свойством двухсторонней проводимости тока[3]. Как правило, такие ключи получают шунтированием транзисторов обратными диодами. Исключение составляют полевые транзисторы, в которых такой диод является внутренним элементом их полупроводниковой структуры.
- Регулирование выходного напряжения инверторов достигается изменением площади импульса полуволны. Наиболее простое регулирование достигается регулированием длительности (ширины) импульса полуволны. Такой способ является простейшим вариантом метода широтно-импульсной модуляции (ШИМ) сигналов.
- Нарушение симметрии полуволн выходного напряжения порождает побочные продукты преобразования с частотой ниже основной, включая возможность появления постоянной составляющей напряжения, недопустимой для цепей, содержащих трансформаторы.
- Для получения управляемых режимов работы инвертора, ключи инвертора и алгоритм управления ключами должны обеспечить последовательную смену структур силовой цепи, называемых прямой, коротко замкнутой и инверсной.
- Мгновенная мощность потребителя пульсирует с удвоенной частотой. Первичный источник питания должен допускать работу с пульсирующими и даже изменяющими знак токами потребления. Переменные составляющие первичного тока определяют уровень помех на зажимах источника питания.
Типовые схемы инверторов напряжения



Существуют большое число вариантов построения схем инверторов. Исторически первыми были механические инверторы, которые в эпоху развития полупроводниковых технологий заменили более технологичные инверторы на базе полупроводниковых элементов, и цифровые инверторы напряжения. Но всё же, как правило, выделяют три основные схемы инверторов напряжения:
- Мостовой ИН без трансформатора
- Область применения: устройства бесперебойного питания мощностью более 500 ВА, установки с высоким значением напряжения (220..360 В).
- С нулевым выводом трансформатора
- Область применения: Устройства бесперебойного питания компьютеров мощностью (250.. 500 ВА), при низком значении напряжения (12..24 В), преобразователи напряжения для подвижных систем радиосвязи.
- Мостовая схема с трансформатором
- Область применения: Устройства бесперебойного питания ответственных потребителей с широким диапазоном мощностей: единицы — десятки кВА[4].
Принцип построения инверторов
- Инверторы с прямоугольной формой выходного напряжения
- Преобразование постоянного напряжения первичного источника в переменное достигается с помощью группы ключей, периодически коммутируемых таким образом, чтобы получить знакопеременное напряжение на зажимах нагрузки и обеспечить контролируемый режим циркуляции в цепи реактивной энергии. В таких режимах гарантируется пропорциональность выходного напряжения. В зависимости от конструктивного исполнения модуля переключения (модуля силовых ключей инвертора) и алгоритма формирования управляющих воздействий, таким фактором могут быть относительная длительность импульсов управления ключами или фазовый сдвиг сигналов управления противофазных групп ключей. В случае неконтролируемых режимов циркуляции реактивной энергии реакция потребителя с реактивными составляющими нагрузки влияет на форму напряжения и его выходную величину[5][6].
- Инверторы напряжения со ступенчатой формой кривой выходного напряжения
- Принцип построения такого инвертора заключается в том, что при помощи предварительного высокочастотного преобразования формируются однополярные ступенчатые кривые напряжения, приближающиеся по форме к однополярной синусоидальной кривой с периодом, равным половине периода изменения выходного напряжения инвертора. Затем с помощью, как правило, мостового инвертора однополярные ступенчатые кривые напряжения преобразуются в разнополярную кривую выходного напряжения инвертора.
- Инверторы с синусоидальной формой выходного напряжения
- Принцип построения такого инвертора заключается в том, что при помощи предварительного высокочастотного преобразования получают напряжение постоянного тока, значение которого близко к амплитудному значению синусоидального выходного напряжения инвертора. Затем это напряжение постоянного тока с помощью, как правило, мостового инвертора преобразуется в переменное напряжение по форме, близкое к синусоидальному, за счет применении соответствующих принципов управления транзисторами этого мостового инвертора (принципы так называемой «многократной широтно-импульсной модуляции»).[7][8] Идея этой «многократной» ШИМ заключается в том, что на интервале каждого полупериода выходного напряжения инвертора соответствующая пара транзисторов мостового инвертора коммутируется на высокой частоте (многократно) при широтно-импульсном управлении. Причём длительность этих высокочастотных импульсов коммутации изменяется по синусоидальному закону . Затем с помощью высокочастотного фильтра нижних частот выделяется синусоидальная составляющая выходного напряжения инвертора.[5].
- При использовании однополярного источника постоянного напряжения (доступны уровни 0 и Ud, где Ud — напряжение постоянного тока, питающего инвертор) эффективное значение первой гармоники фазного напряжения
- При использовании двуполярного источника постоянного напряжения (доступны уровни 0, -Ud/2 и Ud/2) амплитудное значение первой гармоники фазного напряжения
- соответственно, эффективное значение
- Инверторы напряжения с самовозбуждением
- Инверторы с самовозбуждением (автогенераторы) относятся к числу простейших устройств преобразования энергии постоянного тока. Относительная простота технических решений при достаточно высокой энергетической эффективности привело к их широкому применению в маломощных источниках питания в системах промышленной автоматики и генерировании сигналов прямоугольной формы, особенно в тех приложениях, где отсутствует необходимость в управлении процессом передачи энергии. В этих инверторах используется положительная обратная связь, обеспечивающая их работу в режиме устойчивых автоколебаний, а переключение транзисторов осуществляется за счет насыщения материала магнитопровода трансформатора.[9][10] В связи со способом переключения транзисторов, с помощью насыщения материала магнитопровода трансформатора, выделяют недостаток схем инверторов, а именно низкий КПД, что объясняется большими потерями в транзисторах. Поэтому такие инверторы применяются при частотах не более 10 кГц и выходной мощности до 10 Вт. При существенных перегрузках и коротких замыканиях в нагрузке в любом из инверторов с самовозбуждением происходит срыв автоколебаний (все транзисторы переходят в закрытое состояние).
Однофазные инверторы



Существуют несколько групп инверторов:
- Первая группа более дорогих инверторов обеспечивает синусоидальное выходное напряжение.
- Вторая группа обеспечивает выходное напряжение упрощённой формы, заменяющей синусоиду. Чаще всего используется сигнал в виде трапецеидального синуса
Для подавляющего большинства бытовых приборов не допустимо использовать переменное напряжение с упрощённой формой сигнала. Синусоида важна для приборов, содержащих электродвигатели/трансформаторы и некоторых телекоммуникационных, измерительных, лабораторных приборов, медицинской аппаратуры, а также профессиональной аудио аппаратуры. Выбор инвертора производится исходя из пиковой мощности энергопотребления стандартного напряжения 220В/50Гц.
Существуют три режима работы инвертора:
- Режим длительной работы. Данный режим соответствует номинальной мощности инвертора.
- Режим перегрузки. В данном режиме большинство моделей инверторов в течение нескольких десятков минут (до 30) могут отдавать мощность в 1,2-1,5 раза больше номинальной.
- Режим пусковой. В данном режиме инвертор способен отдавать повышенную моментальную мощность в течение нескольких миллисекунд для обеспечения запуска электродвигателей и емкостных нагрузок.
В течение нескольких секунд большинство моделей инверторов могут отдавать мощность в 1,5-2 раза превышающую номинальную. Сильная кратковременная перегрузка возникает, например, при включении холодильника.
Инвертора мощностью 150 Вт достаточно, чтобы запитать от бортовой электросети автомобиля практически любой ноутбук. Для питания и зарядки мобильных телефонов, аудио и фотоаппаратуры хватит 7,5 Вт.
Трёхфазные инверторы

Трёхфазные инверторы обычно используются для создания трёхфазного тока для электродвигателей, например, для питания трёхфазного асинхронного двигателя. При этом обмотки двигателя непосредственно подключаются к выходу инвертора.
Высокомощные трёхфазные инверторы применяются в тяговых преобразователях в электроприводе локомотивов, теплоходов, троллейбусов (например, АКСМ-321), трамваев, прокатных станов, буровых вышек, в индукторах (установки индукционного нагрева[12]).
На рисунке приведена схема тиристорного тягового преобразователя по схеме «Ларионов-звезда». Теоретически возможна и другая разновидность схемы Ларионова «Ларионов-треугольник», но она имеет другие характеристики (эквивалентное внутреннее активное сопротивление, потери в меди и др.).
Применение многоуровневых инверторов
_%D0%B4%D0%B2%D1%83%D0%BC%D1%8F_%D1%83%D1%80%D0%BE%D0%B2%D0%BD%D1%8F%D0%BC%D0%B8%252C_(_b)_%D1%82%D1%80%D0%B5%D0%BC%D1%8F_%D1%83%D1%80%D0%BE%D0%B2%D0%BD%D1%8F%D0%BC%D0%B8%252C_(%D1%81)_n-%D0%BA%D0%BE%D0%BB%D0%B8%D1%87%D0%B5%D1%81%D1%82%D0%B2%D0%BE%D0%BC_%D1%83%D1%80%D0%BE%D0%B2%D0%BD%D0%B5%D0%B9.jpg.webp)
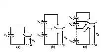
Многоуровневые инверторы включают в себя матрицу силовых полупроводников и конденсаторных источников напряжения, выход которых генерирует напряжения со ступенчатыми формами сигналов. Коммутация переключателей позволяет добавлять напряжения конденсатора, которые достигают высокого напряжения на выходе, в то время как силовые полупроводники должны выдерживать только пониженные напряжения. На рисунке справа показана принципиальная схема одного фазового отрезка инверторов с различным количеством уровней, для которых действует мощность полупроводников представленных идеальным выключателем с несколькими положениями.
Двухуровневый инвертор генерирует выходное напряжение с двумя значениями (уровнями) относительно отрицательного терминала конденсатора [Рис. (a)], в то время как трехуровневый инвертор генерирует три напряжения и так далее.
Представим, что m является количеством шагов фазового напряжения относительно отрицательного терминала инвертора, тогда количество шагов в напряжении между двумя фазами загрузки k,
и количество шагов p в фазовом напряжении трехфазной нагрузки в соединении
Имеется три различные топологии для многоуровневых инверторов: зафиксированная на диод (нейтрально зафиксированная) ; зафиксированная на конденсатор (навесные конденсаторы); и каскадно-расположенный многоэлементный с отдельными источниками постоянного тока .Кроме того, несколько модуляций и стратегий управления были разработаны или приняты для многоуровневых инверторов включая следующее: многоуровневая синусоидальная модуляция длительности импульса (PWM), многоуровневое выборочное гармоническое устранение и векторная пространством модуляция (SVM).
Основные положительные стороны многоуровневых инверторов заключаются в следующем:
1) Они могут генерировать выходные напряжения с чрезвычайно низким искажением и понизить dv/dt.
2) Они тянут входной ток с очень низким искажением.
3) Они генерируют меньшее напряжение общего режима (CM), таким образом уменьшая стресс в моторных подшипниках. Кроме того, с помощью сложных методов модуляции, напряжения CM могут быть устранены.
4) Они могут работать с более низкой частотой переключения.
Топология каскадных многоуровневых инверторов

Различная топология преобразователя представленная здесь, основывается на последовательном соединении однофазных инверторов с отдельными источниками постоянного тока. Рисунок справа показывает цепь электропитания для одного участка фазы девятиуровневого инвертора с четырьмя клетками в каждой фазе. Получающееся фазовое напряжение синтезируется добавлением напряжений, сгенерированных различными участками.
Каждый однофазный инвертор полного моста генерирует три напряжения на выводе: + Vdc, 0, и - Vdc. Это стало возможным путем подключения конденсаторов последовательно с ac стороной через четыре выключателя питания. Получающееся выходное колебание напряжения переменного тока от-4 Vdc до 4 Vdc с девятью уровнями и ступенчатой формой сигнала, почти синусоидальной, даже без применения фильтров.
Электромеханические инверторы
См. также
Примечания
- Словарь по естественным наукам. Глоссарий.ру. (недоступная ссылка) (недоступная ссылка с 14-06-2016 [2079 дней])
- ТУ 16-729.402-83. Преобразователь частоты аэродромный стационарный типа АПЧС-63У1 (ИВЕГ.435426.001ТУ)
- Jerrold Foutz. Switching-Mode Power Supply Design Tutorial Introduction (англ.) (недоступная ссылка). www.smpstech.com (9 декабря 1998). Дата обращения: 19 апреля 2017. Архивировано 6 апреля 2004 года.
- Андрей Никитин, Олег Стариков. DC/DC-конверторы SupIRBuck в распределенных системах электропитания. Новости электроники, № 15 (2009). Дата обращения: 19 апреля 2017.
- David Perreault. Power Electronics Notes (англ.). MIT OpenCourseWare (2007). Дата обращения: 19 апреля 2017.
- Switch Mode Power Supplies
- Pressman, Abraham I.; Billings, Keith & Morey, Taylor (2009), Switching Power Supply Design (Third ed.), McGraw-Hill, ISBN 0-07-148272-5
- Rashid, Muhammad H. (2003), Power Electronics: Circuits, Devices, and Applications, Prentice Hall, ISBN 0-13-122815-3
- Basso, Christophe (2008), Switch-Mode Power Supplies: SPICE Simulations and Practical Designs, McGraw-Hill, ISBN 0-07-150858-9
- Erickson, Robert W. & Maksimovic, Dragan (2001), Fundamentals of Power Electronics (Second ed.), ISBN 0-7923-7270-0
- Автомобильные преобразователи напряжения (3 части)
- Индукционный нагрев (недоступная ссылка). Дата обращения: 29 января 2009. Архивировано 5 февраля 2009 года.
Литература
- Бушуев В.М., Деминский В. А., Захаров Л.Ф., Козляев Ю.Д., Колканов М.Ф. Электропитание устройств и систем телекоммуникаций. — М.: Горячая линия - Телеком, 2009. — 384 с. — ISBN 978-5-9912-0077-6.
- Китаев В.Е., Бокуняев А. А., Колканов М.Ф. Электропитание устройств связи. — М.: Связь, 1975. — 328 с.
- Ирвинг М., Готтлиб. Источники питания. Инверторы, конверторы, линейные и импульсные стабилизаторы. = Power Supplies, Switching Regulators, Inverters and Converters. — 2-е изд. — М.: Постмаркет, 2002. — 544 с. — ISBN 5-901095-05-7.
- Раймонд Мэк. Импульсные источники питания. Теоретические основы проектирования и руководство по практическому применению = Demystifying switching power supplies. — М.: Додэка-ΧΧΙ, 2008. — 272 с. — ISBN 978-5-94120-172-3.
- Угрюмов Е. П. Теория и практика эволюционного моделирования. — 2-е изд. — СПб.: БХВ-Петербург, 2005. — С. 800. — ISBN 5-94157-397-9.
- Вересов Г.П. Электропитание бытовой радиоэлектронной аппаратуры. — М.: Радио и связь, 1983. — 128 с. — 60 000 экз. Архивная копия от 27 июля 2009 на Wayback Machine
- Костиков В.Г. Парфенов Е.М. Шахнов В.А. Источники электропитания электронных средств. Схемотехника и конструирование: Учебник для ВУЗов. — 2. — М.: Горячая линия — Телеком, 2001. — 344 с. — 3000 экз. — ISBN 5-93517-052-3.
Ссылки
- http://cxem.net/pitanie/5-88.php
- http://www.cqham.ru/pow2_15.htm
- http://zpostbox.ru/dc_bridge_circuits.html
- http://translate.yandex.net/tr-url/en-ru.ru/elt.ee-oz.com.au/files/archives/UTE99/A2NUEMD/NUE064_Electronic_Power_%26_Control_1_2067.pdf (недоступная+ссылка)
- https://web.archive.org/web/20130709140126/http://solar.gwu.edu/index_files/Resources_files/How-Solar-Inverters-Work-With-Solar-Panels.pdf
- Summary Report on the DOE High-tech Inverter Workshop
- A SAFETY STANDARD FOR DISTRIBUTED GENERATION
- http://cxem.net/beginner/beginner60.php
- Полумостовые конверторы с переключением транзисторов при нуле напряжения
- Инвертор нового поколения от компании «Связь инжиниринг»
- Базовые троичные логические элементы. Снижение энергопотребления
- Гибридные электромобили. Изолированный усилитель для измерения напряжения
- http://8800.org.ua/showcategory.php?categoryID=31
- https://web.archive.org/web/20130811172038/http://www.compeljournal.ru/enews/rubric/power
- https://web.archive.org/web/20141207232918/http://www.stanki-remont.ru/catalog/cat_140/st_456.php,
- Исследование астатического импульсного стабилизатора постоянного напряжения
- https://web.archive.org/web/20061023134123/http://www.powersupplies.net/
- Switching Regulators for Poets