Тиристорный коммутатор
Тиристорный коммутатор — электронное устройство, предназначенное для управления электрическими нагрузками. В качестве силовых элементов используются тиристоры или симисторы.

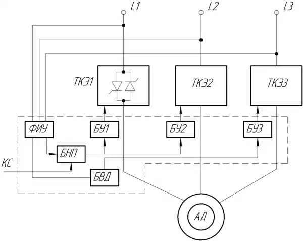
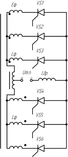
ТКЭ1, ТКЭ2, ТКЭ3 — тиристорный коммутирующий элемент; БУ1, БУ2, БУ3 — блоки управления силовыми ключами; БНП — блок создания начального поля; ФИУ — фазоизмерительное устройство; КС — командный сигнал включения; БВД — блок включения двигателя; АД — асинхронный двигатель
Тиристорные коммутаторы позволяют задавать требуемый темп изменения приложенного напряжения в цепи нагрузки а также создавать необходимые начальные условия при включении нагрузки.
Принцип действия тиристорного коммутатора с фазовым регулированием
На приведенной функциональной схеме представлен коммутатор с фазовым регулированием. Каждая фаза двигателя управляется тиристорными коммутирующими элементами ТКЭ, в качестве которых могут быть использованы два тиристора, включенные встречно-параллельно, или симметричный тиристор. Блоки управления тиристорными коммутаторами двух фаз БУ1 и БУ2 включаются блоками создания начального поля БНП в момент достижения максимума напряжения между фазами L2 и L3, что контролируется по нулю напряжения фазы L1 фазоизмерительным устройством ФИУ. Момент подключения третьей фазы двигателя также определяется блоком ФИУ по нулю линейного напряжения фаз L2 и L3. Тиристорный элемент ТКЭЗ открывается при подаче сигнала через блок включения двигателя БВД. Первоначальная команда на включение двигателя создается сигналом КС.[1]
Принцип действия тиристорного коммутатора с импульсным регулированием
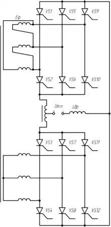
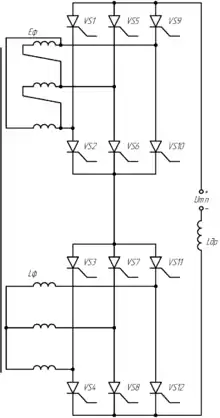
Характеристики различных систем тиристорных коммутаторов
| передаточный коэффициент преобразователя Ксх.=Ет.п.×m/Еф. | |||
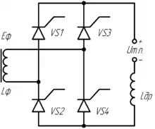
![]() Однофазная мостовая схема | |||
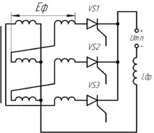
![]() Трехфазная со средней точкой | |||
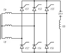
![]() Трехфазная мостовая схема | |||
![]() Шестифазная с уравнительным реактором | |||
![]() Мостовая с уравнительным реактором | |||
![]() Коммутатор с последовательным соединением трехфазных мостовых схем |
Применение
Применяются в устройствах плавного пуска, частотно-регулируемых приводах, тиристорных регуляторах мощности, на транспорте в системах управления тяговыми электродвигателями.
Примечания
- Петров, Л. П. Управление пуском и торможением асинхронных двигателей [Текст] / Л. П. Петров. — М.: Энергоиздат, 1981. — 184с.
- Башарин А. В., Новиков В. А., Соколовский Г. Г. Управление электроприводами: Учебное пособие для вузов [Текст] / А. В. Башарин. — Л.: Энергоиздат, 1982. — 392с.
Литература
- Н.В. Донской, А.Г. Иванов, В.М. Никитин, А.Д. Поздеев. Динамика вентильного электропривода постоянного тока / Поздеев А.Д.. — Москва: Энергия, 1975. — 224 с. — 7000 экз.
- В.Г. Каган, Ф.Д. Кочубийский, В.М. Шугрин. Нелинейные системы с тиристорами. — Москва: Энергия, 1968. — 96 с. — 12 000 экз.
- Б.Н. Иванчук, Р.А. Липман, Б.Я. Рувинов. Электроприводы с полупроводниковым управлением. — Москва: Энергия, 1968. — 112 с. — 20 000 экз.
- Н.В. Донской, А.А. Кириллов, Я.М. Купчан. Комплектные системы управления электроприводами тяжелых металлорежущих станков / Позднеев А.Д.. — Москва: Энергия, 1980. — 288 с. — 7000 экз.





