Ксеноновая лампа-вспышка
Импульсная лампа — электрическая газоразрядная лампа, предназначенная для генерации мощных, некогерентных краткосрочных импульсов света, цветовая температура которого близка к солнечному свету.



Устройство
Импульсная лампа представляет собой запаянную трубку из кварцевого стекла, которая может быть прямой или согнутой в виде различных фигур, в том числе спирали, в форме буквы , или окружности, для размещения вокруг объектива фотоаппарата при «бестеневой» фотографии. Трубка заполнена смесью благородных газов, преимущественно ксеноном. Электроды впаяны в оба конца трубки и подключены к электролитическому конденсатору большой ёмкости (в некоторых случаях подключение через дроссель). Напряжение на обкладках конденсатора составляет от 180 до 2 000 вольт в зависимости от длины трубки и состава газовой смеси. Третий электрод представляет собой металлизированную дорожку вдоль внешней стенки трубки или тонкую проволоку, намотанную вокруг трубки лампы спиралью с отступом от основных электродов.
Затем на третий (поджигающий) электрод подаётся импульс высокого напряжения, вызывающий ионизацию газа в трубке, электрическое сопротивление газа в лампе уменьшается и происходит электрический разряд между электродами лампы.
Импульсная лампа может иметь только два электрода, в этом случае поджигающий электрод совмещён с катодом.
Принцип работы
Вспышка происходит после ионизации газа и прохождении через него мощного импульса электрического тока. Ионизация необходима, чтобы уменьшить электрическое сопротивление газа, чтобы ток силой в сотни ампер смог пройти через газ внутри лампы. Первоначальную ионизацию можно получить, например трансформатором Теслы. Кратковременный высоковольтный импульс, поданный на поджигающий электрод, создаёт первые ионы. Ток, начинающий протекать через газ, возбуждает атомы ксенона, заставляя электроны занимать орбиты с более высокими энергетическими уровнями. Электроны немедленно возвращаются на прежние орбиты, излучая разницу энергий в виде фотонов. В зависимости от размеров лампы, давление ксенона в лампе может быть от нескольких кПа до десятков кПа (или 0,01-0,1 атм. или 10-100 мм рт. ст.).
На практике для первоначальной ионизации газа используется поджигающий импульсный трансформатор. Короткий импульс высокого напряжения прикладывается относительно одного из электродов (чаще всего катода) к поджигающему электроду, тем самым ионизируя содержащийся в лампе газ и вызывая разряд конденсаторов на лампу. Поджигающий импульс, в среднем превышает рабочее напряжение лампы в 10 раз. Для поджига двухэлектродной лампы накопительные конденсаторы заряжаются напряжением, выше напряжения самопробоя лампы (данный параметр присутствует у всех типов импульсных ламп), вследствие чего происходит ионизация и разряд в газе.
Для зажигания импульсной лампы важно знать её параметры, такие как: рабочее напряжение, энергия вспышки, напряжение самопробоя, интервал между вспышками и фактор нагрузки.
Энергия вспышки рассчитывается по формуле: , где
— энергия вспышки, Дж;
— ёмкость конденсатора, Фарад;
— электрическое напряжение на конденсаторе, Вольт.
Прохождение электрического тока через ионизированный газ прекращается, как только напряжение на обкладках конденсатора снизится до определённого значения, напряжения гашения , обычно 50—60 Вольт.
Формула энергии вспышки будет выглядеть так:
Параметр напряжение самопробоя используется для расчёта двухэлектродных ламп.
Также особое внимание необходимо обратить на фактор нагрузки (размерность — мкФ × кВт·ч). Этот параметр превышать не рекомендуется — это повлечёт ускоренный выход лампы из строя. То есть — работать при данной энергии лампы и не превышать рабочего напряжения.
Также при вспышке в лампе происходит выделение тепла. Необходимо соблюдать интервал между вспышками. Для обычного стекла максимальная температура составляет 200 °C, для кварцевого стекла — 600 °C. Для мощных ламп используется охлаждение — вода, иногда — кремнийорганические соединения (наиболее эффективное охлаждение).

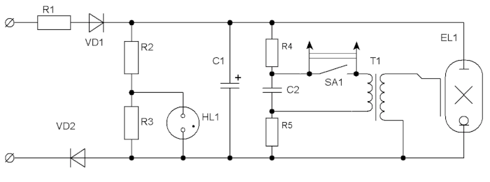
Накопительный конденсатор C1 большой ёмкости (типичные значения ёмкости — сотни мкФ, рабочее напряжение — 300…400 В в зависимости от типа импульсной лампы), включённый параллельно электродам ксеноновой лампы EL1, заряжается от сети переменного тока через выпрямитель (диоды VD1 и VD2 с ограничивающим ток резистором R1) или от высоковольтной батареи, или от низковольтной батареи и инвертора. Одновременно, через резисторы R4 и R5, заряжается конденсатор C2. Неоновая лампа HL1, включённая через делитель напряжения (R2, R3), своим свечением сигнализирует о готовности фотовспышки. При срабатывании синхроконтакта фотоаппарата (или тестовой кнопки SA1) конденсатор C2 замыкается на первичную обмотку повышающего трансформатора T1, на вторичной обмотке которого формируется высоковольтный (десятки тысяч вольт) импульс, ионизирующий газ в лампе через её контакт зажигания. Разряд конденсатора C1 через лампу сопровождается яркой световой вспышкой. По окончании вспышки цикл повторяется. Следующая вспышка возможна только после полной зарядки конденсатора C1, которая отражается загоранием неоновой лампы HL1 в его цепи. Время перезарядки конденсатора (минимальный интервал между вспышками) ограничено мощностью преобразователя и максимальным током, который могут дать элементы питания.
Спектр излучения
Как и у всех ионизированных газов, спектр излучения ксенона содержит различные спектральные линии. Это тот же механизм, который дает характерное свечение неону. Но у ксенона спектральные линии распределены по всему видимому спектру, так что его излучение кажется человеку белым.
Интенсивность и длительность вспышки
При коротком импульсе количество эмитированных катодом электронов ограничено. При более длительном импульсе отвод тепла тоже ограничен. У большинства ламп фотовспышек длительность импульса от микросекунд до нескольких миллисекунд, с частотой повторения до нескольких сотен герц.
У ламп фотовспышек (с большой энергией вспышки и большой длительностью между вспышками) мощность в импульсе превышает сотни кВт.
Интенсивность излучения ксеноновой импульсной лампы настолько высока, что может поджечь легковоспламеняющиеся объекты в непосредственной близости от лампы.
Применение
.jpg.webp)

Лампы по режимам работы делятся на осветительные (применяются, в основном, в фотовспышках) и стробоскопические. У стробоскопических ламп энергия вспышки намного меньше, но частота вспышек может доходить до нескольких сотен герц. При частотах около 400 Гц возможно зажигание электрической дуги, что крайне нежелательно.
Так как длительность вспышки хорошо контролируется и интенсивность её довольно высока, она используется в основном в фотовспышках. Также используется в высокоскоростной фотографии, пионером которой был Гарольд Эджертон в 1930-х гг.
Лампы с пониженной длительностью вспышки используются в стробоскопах.
Благодаря высокой интенсивности излучения в коротковолновой части спектра (вплоть до УФ) и малой продолжительности вспышки, данные лампы отлично подходят в качестве лампы накачки в лазере. Подбор состава газа лампы позволяет добиться максимума излучения в областях максимального поглощения рабочего тела лазера.
Лампы-вспышки получили применение и в косметологии: они применяются для фотоэпиляции и фотоомоложения кожи совместно с фильтром, отсекающим ультрафиолетовую и синюю составляющие.
См. также
Литература
- Рохлин Г. Н. Газоразрядные источники света. — М.: Энергоатомиздат, 1991. — ISBN 5-283-00548-8.
- Импульсная лампа // Ива — Италики. — М. : Советская энциклопедия, 1972. — (Большая советская энциклопедия : [в 30 т.] / гл. ред. А. М. Прохоров ; 1969—1978, т. 10).
- Лампа-вспышка / С. В. Кулагин. // Куна — Ломами. — М. : Советская энциклопедия, 1973. — (Большая советская энциклопедия : [в 30 т.] / гл. ред. А. М. Прохоров ; 1969—1978, т. 14).