Выпрямитель
Выпрями́тель (электрического тока) — преобразователь электрической энергии; механическое, электровакуумное, полупроводниковое или другое устройство, предназначенное для преобразования входного электрического тока переменного направления в ток постоянного направления[1] (то есть однонаправленный ток), в частном случае — в постоянный выходной электрический ток.

Большинство выпрямителей создаёт не постоянный, а пульсирующий ток, для сглаживания пульсаций применяют фильтры.
Устройство, выполняющее обратную функцию — преобразование постоянного тока в переменный ток называется инвертором.
Из-за принципа обратимости электрических машин выпрямитель и инвертор являются двумя разновидностями одной и той же электрической машины (справедливо только для инвертора на базе электрической машины).
Классификация
Выпрямители классифицируют по следующим признакам:
- по виду переключателя выпрямляемого тока
- механические синхронные с щёточноколлекторным коммутатором тока[2];
- механические синхронные с контактным переключателем (выпрямителем) тока;
- с электронной управляемой коммутацией тока (например, тиристорные);
- электронные синхронные (например, транзисторные) — как разновидность выпрямителей с управляемой коммутацией;
- с электронной пассивной коммутацией тока (например, диодные);
- по мощности
- по степени использования полупериодов переменного напряжения
- однополупериодные — пропускают в нагрузку только одну полуволну;
- двухполупериодные — пропускают в нагрузку обе полуволны;
- неполноволновые — не полностью используют синусоидальные полуволны;
- полноволновые — полностью используют синусоидальные полуволны;
- по схеме выпрямления — мостовые, с умножением напряжения, трансформаторные, с гальванической развязкой, бестрансформаторные и пр.;
- по количеству используемых фаз — однофазные, двухфазные, трёхфазные и многофазные;
- по типу электронного вентиля — полупроводниковые диодные, полупроводниковые тиристорные, ламповые диодные (кенотронные), газотронные, игнитронные, электрохимические и пр.;
- по управляемости — неуправляемые (диодные), управляемые (тиристорные);
- по количеству каналов — одноканальные, многоканальные;
- по величине выпрямленного напряжения — низковольтные (до 100 В), среднего напряжения (от 100 до 1000 В), высоковольтные (свыше 1000 В);
- по назначению — сварочный, для питания микроэлектронной схемы, для питания ламповых анодных цепей, для гальваники и пр.;
- по степени полноты мостов — полномостовые, полумостовые, четвертьмостовые;
- по наличию устройств стабилизации — стабилизированные, нестабилизированные;
- по управлению выходными параметрами — регулируемые, нерегулируемые;
- по индикации выходных параметров — без индикации, с индикацией (аналоговой, цифровой);
- по способу соединения — параллельные, последовательные, параллельно-последовательные;
- по способу объединения — раздельные, объединённые звёздами, объединённые кольцами;
- по частоте выпрямляемого тока — низкочастотные, среднечастотные, высокочастотные.
Применение
Выпрямление электрического тока
Выпрямители обычно используются там, где нужно преобразовать переменный ток в постоянный ток. Применение выпрямителей для преобразования переменного тока в постоянный вызвало понятие среднего значения тока по модулю (то есть без учёта знака ординаты) за период. При двухполупериодном выпрямлении среднее значение по модулю определяется как среднеарифметическое значение всех ординат обеих полуволн за целый период без учёта их знаков (то есть полагая все ординаты за период положительными, что и имеет место при двухполупериодном идеальном выпрямлении).
Приёмниками электроэнергии с нелинейными характеристиками являются в первую очередь всевозможные преобразовательные установки переменного тока в постоянный, использующие различные вентили.
Сюда относятся выпрямительные установки для:
- железнодорожной тяги
- городского электротранспорта
- электролиза (производство алюминия, хлора, едкого натра и др., электрохимическое осаждение металлов)
- питания приводов прокатных станов
- возбуждения генераторов электростанций
В качестве вентилей до последнего времени использовались в основном ртутные выпрямители (неуправляемые и управляемые). В настоящее время широкое применение находят преимущественно кремниевые полупроводниковые выпрямители. Внедряются тиристорные выпрямители.
Обычно выпрямительные установки выполняются большой мощности и присоединяются через специальные трансформаторы к питающей сети на напряжении 6—10 кВ. Выпрямительные установки небольшой мощности выполняются по трехфазной схеме с нулевым выводом.
Блоки питания аппаратуры
Применение выпрямителей в блоках питания радио- и электроаппаратуры обусловлено тем, что обычно в системах электроснабжения зданий или транспортных средств (самолётов, поездов) применяется переменный ток, и выходной ток любого электромагнитного трансформатора, применённого для гальванической развязки цепей или для понижения напряжения, всегда переменный, тогда как в большинстве случаев электронные схемы и электродвигатели целевой аппаратуры рассчитаны на питание постоянным током.
- Блоки питания промышленной и бытовой радио- и электроаппаратуры (в том числе так называемые адаптеры (англ. AC-DC adaptor)).
- Блоки питания бортовой радиоэлектронной аппаратуры транспортных средств.
Выпрямители электросиловых установок
- Выпрямители питания главных двигателей постоянного тока автономных транспортных средств и буровых станков.
Как правило, на автономных транспортных средствах (автомобилях, тракторах, тепловозах, теплоходах, атомоходах, самолётах) для получения электроэнергии применяют генераторы переменного тока, так как они имеют бо́льшую мощность при меньших габаритах и весе, чем генераторы постоянного тока. Но для приводов движителей транспорта обычно применяются двигатели постоянного тока, так как они позволяют простым переключением полюсов питающего тока управлять направлением движения, и имеют требуемую тяговую характеристику (большой крутящий момент при низкой частоте вращения ротора). Это позволяет отказаться от сложных, тяжёлых и ненадёжных коробок переключения передач. Также применяется и для привода бурильных станков буровых вышек.
- Преобразователи бортового электроснабжения постоянного тока автономных транспортных средств: автотракторной, железнодорожной, водной, авиационной и другой техники.
Генерация электроэнергии на транспортном средстве обычно производится генератором переменного тока, но для питания бортовой аппаратуры необходим постоянный ток. Например, в легковых автомобилях бортовая сеть постоянного тока получает питание от полупроводникового выпрямителя, встроенного в генератор переменного тока.
Сварочные аппараты
В сварочных аппаратах постоянного тока применяются чаще всего мостовые схемы на мощных кремниевых выпрямительных диодах — вентилях, с целью получения постоянного сварочного тока. Он отличается от переменного тем, что при использовании его сильнее нагревается область дуги около положительного () её полюса, что позволяет либо осуществлять щадящую сварку свариваемых деталей преимущественно плавящимся сварочным электродом, либо экономить электроды, осуществляя резку металла электродуговой сваркой. В ряде случаев, с использованием специальных сварочных электродов, электрическая дуговая сварка переменным током вообще невозможна.
Вентильные блоки преобразовательных подстанций систем энергоснабжения
- Для питания главных двигателей постоянного тока прокатных станов, кранов и другой техники
Энергоснабжение заводов осуществляется электросетью переменного тока, но для приводов прокатных станов и других агрегатов выгоднее использовать двигатели постоянного тока по той же причине, что и для двигателей транспортных средств.
- Для гальванических ванн (электролизёров) для получения цветных металлов и стали, нанесения металлических покрытий и гальванопластики.
- Установки электростатической очистки промышленных газов (электростатический фильтр)
- Установки очистки и обессоливания воды
- Для электроснабжения контактных сетей электротранспорта постоянного тока (трамвай, троллейбус, электровоз, метро)
- Для несинхронной связи энергосистем переменного тока[5]
- Для дальней передачи электроэнергии постоянным током[6].
Выпрямители высокочастотных колебаний
В составе ректенн:
- в перспективных моделях солнечных батарей (КПД более 80 %)[7];
- в перспективных системах сбора энергии окружающих шумовых электромагнитных сигналов;
- в перспективных системах беспроводной передачи электроэнергии.
Детектирование высокочастотного сигнала
Баллистический выпрямитель
Баллистический выпрямитель, описанный в статье Room-Temperature Ballistic Nanodevices. Aimin M. Song[8], может найти применение для детектирования очень высокочастотных сигналов (до 50 ГГц).
Характеристики
- Номинальное выходное напряжение постоянного тока и допустимый диапазон его изменения;
- Номинальный ток нагрузки;
- Диапазон эффективного входного напряжения переменного тока (например, 220 В ±10 %);
- Допустимая выходная пульсация, её амплитудно-частотные характеристики;
- Нагрузочная характеристика.
- Эквивалентное внутреннее комплексное (в первом приближении активное) сопротивление.
- Коэффициент использования габаритной мощности трансформатора.
Типовые схемы
Двухполупериодный выпрямитель
Может строиться по мостовой или полумостовой схеме (когда, например, в случае выпрямления однофазного тока, используется специальный трансформатор с выводом от средней точки вторичной обмотки и вдвое меньшим количеством выпрямляющих ток элементов; такая схема ныне применяется редко, так как более металлоёмка и имеет большее эквивалентное активное внутреннее сопротивление, то есть большие потери на нагрев обмоток трансформатора).

При построении двухполупериодного выпрямителя со сглаживающим конденсатором следует всегда помнить, что переменное напряжение всегда измеряется в «действующем» значении, которое в 1,41 раза меньше его максимальной амплитуды, а выпрямленное напряжение на конденсаторе, в отсутствие нагрузки, будет всегда равно амплитудному. Это означает, что, например, при измеренном напряжении однофазного переменного тока 12 вольт до мостового однофазного выпрямителя со сглаживающим конденсатором, на конденсаторе, (в отсутствие нагрузки), будет напряжение до 17 вольт. Под нагрузкой эффективное выпрямленное напряжение будет ниже (но не ниже величины среднего выпрямленного напряжения переменного тока, так как таким будет напряжение без фильтра, если внутреннее сопротивление источника переменного тока принять равным нулю) и будет зависеть от ёмкости сглаживающего конденсатора.
Соответственно, выбор величины переменного напряжения вторичной обмотки трансформатора, должен строиться исходя из максимальной допустимой величины подаваемого напряжения, а ёмкость сглаживающего конденсатора — должна быть достаточно большой, чтобы напряжение под нагрузкой не снизилось меньше минимально допустимого. На практике также учитывается неизбежное падение напряжения под нагрузкой — на сопротивлении проводов, обмотке трансформатора, диодах выпрямительного моста, а также возможное отклонение от номинального величины питающего трансформатор напряжения электрической сети.

Следует отметить, что в выпрямителях с сглаживающим конденсатором диоды открываются не на весь полупериод напряжения, а на короткие промежутки времени, когда мгновенное значение переменного напряжения превышает постоянное напряжение на фильтрующем конденсаторе (то есть в моменты вблизи максимумов синусоиды). Поэтому протекающий через диоды (и обмотку трансформатора) ток представляет собой короткие мощные импульсы сложной формы, амплитуда которых значительно превышает средний ток, потребляемый нагрузкой выпрямителя. Этот факт следует учитывать при расчёте трансформатора (вариант расчёта для работы не на активную нагрузку, а на выпрямитель с ёмкостным фильтром), и принимать меры для подавления возникающих импульсных помех.
Однофазные выпрямители
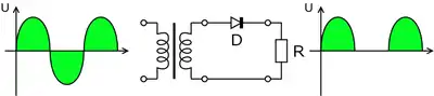
Однополупериодный выпрямитель (четвертьмост)

Простейшая схема однополупериодного выпрямителя состоит только из одного выпрямляющего ток элемента (диода). На выходе — пульсирующий постоянный ток. На промышленных частотах (50—60 Гц) не имеет широкого применения, так как для питания аппаратуры требуются сглаживающие фильтры с большими величинами ёмкости и индуктивности, что приводит к увеличению габаритно-весовых характеристик выпрямителя. Однако схема однополупериодного выпрямления нашла очень широкое распространение в импульсных блоках питания с частотой переменного напряжения свыше 10 кГц, широко применяющихся в современной бытовой и промышленной аппаратуре. Объясняется это тем, что при более высоких частотах пульсаций выпрямленного напряжения, для получения требуемых характеристик (заданного или допустимого коэффициента пульсаций), необходимы сглаживающие элементы с меньшими значениями ёмкости (индуктивности). Вес и размеры источников питания уменьшаются с повышением частоты входного переменного напряжения.
Однополупериодный выпрямитель или четвертьмост является простейшим выпрямителем и включает в себя один вентиль (диод или тиристор).
Допущения: нагрузка чисто активная, вентиль — идеальный электрический ключ.
Напряжение со вторичной обмотки трансформатора проходит через вентиль на нагрузку только в положительные полупериоды переменного напряжения. В отрицательные полупериоды вентиль закрыт, всё падение напряжения происходит на вентиле, а напряжение на нагрузке Uн равно нулю. Среднее значение переменного напряжения по отношению к подведенному действующему составит:
Эта величина вдвое меньше, чем в полномостовом выпрямителе. Важно отметить, что среднеквадратичное (устаревшее название — эффективное, действующее) значение напряжения на выходе однополупериодного выпрямителя будет в меньше подведенного действующего, а потребляемая нагрузкой мощность в 2 раза меньше (для синусоидальной формы сигнала).
Недостатки[9]:
- Большая величина пульсаций
- Сильная нагрузка на вентиль (требуется диод с большим средним выпрямленным током)
- Низкий коэффициент использования габаритной мощности трансформатора (около 0,45) (не путать с КПД, который зависит от потерь в меди и потерь в стали и в однополупериодном выпрямителе почти такой же, как и в двухполупериодном)
- Протекающий через обмотку трансформатора ток имеет постоянную составляющую, что ухудшает магнитные свойства сердечника вследствие его подмагничивания[10].
Преимущества:
- Экономия на количестве вентилей
- Снижение падения напряжения и потерь мощности на выпрямителе (в мостовой схеме ток нагрузки протекает через два последовательно соединённых вентиля, в однополупериодной — через один).
Полумост


На двух диодах и двух конденсаторах, широко известный как «с удвоением напряжения» или «удвоитель Латура — Делона — Гренашера».
Известна также схема с удвоением тока: параллельно единственной вторичной обмотке трансформатора включаются два последовательно соединённых дросселя, средняя точка соединения между которыми используется как средняя точка в «двухполупериодном выпрямителе со средней точкой». [11]
Полный мост (Гретца)
На четырёх диодах, широко известный как «двухполупериодный», изобретён немецким физиком Лео Гретцем. Площадь под интегральной кривой равна:
Средняя ЭДС равна:
то есть вдвое больше, чем в четвертьмостовом выпрямителе.
Эквивалентное внутреннее активное сопротивление равно .
Частота пульсаций равна , где — частота сети.
Наибольшее мгновенное значение напряжения на диодах —
Двухфазные выпрямители со сдвигом фаз 180°
Два четвертьмоста параллельно («двухполупериодный со средней точкой»)


Широко известный как «двухполупериодный со средней точкой», предложенный в 1901 году профессором В. Ф. Миткевичем. В этом выпрямителе две противофазных обмотки создают двухфазный переменный ток со сдвигом между фазами в 180 угловых градусов. Двухфазный переменный ток выпрямляется двумя однополупериодными четвертьмостовыми выпрямителями, включенными параллельно и работающими на одну общую нагрузку. Во время одного полупериода ток в нагрузку проходит с одной половины вторичной обмотки через один вентиль, в другом полупериоде — с другой половины обмотки, через другой вентиль. Применялся, когда медь была дешевле диодов. Недостатком схемы является более сложная и менее рациональная (по меди и стали) конструкция трансформатора[12]. В современных условиях её применение оправдано, когда амплитуда выпрямляемого напряжения сопоставима с падением напряжения на переходе твердотельного диода (то есть выпрямители на напряжение порядка нескольких вольт), поскольку обладает в этих условиях значительно лучшим КПД по сравнению с мостовой схемой.
Площадь под интегральной кривой равна:
Средняя ЭДС:
Относительное эквивалентное активное внутреннее сопротивление равно , то есть вдвое больше, чем в однофазном полномостовом выпрямителе, следовательно имеет большие потери энергии на нагрев меди обмоток трансформатора (или расход меди).
Частота пульсаций:
- где — частота сети.
Два полных моста параллельно
Позволяет применять диоды со средним током почти вдвое меньшим, чем в однофазном полномостовом выпрямителе.
Двухфазные выпрямители со сдвигом фаз 90°
Два полных моста параллельно
Площадь под интегральной кривой равна:
Средняя ЭДС равна:
то есть в раз больше, чем в однофазном полномостовом.
В режиме холостого хода и близких к нему ЭДС в мосту с наибольшей на данном отрезке периода ЭДС диоды моста заперты с меньшей на данном отрезке периода ЭДС. Эквивалентное внутреннее активное сопротивление при этом равно При увеличении нагрузки то есть при уменьшении появляются и увеличиваются части периода на которых оба моста работают параллельно на общую нагрузку, эквивалентное внутреннее активное сопротивление на этих отрезках периода равно В режиме короткого замыкания оба моста работают параллельно на нагрузку на всём периоде, но полезная мощность в этом режиме равна нулю.
Два полных моста последовательно
Площадь под интегральной кривой равна:
Средняя ЭДС равна: то есть вдвое больше, чем в однофазном полномостовом выпрямителе.
Относительное эквивалентное внутреннее активное сопротивление равно
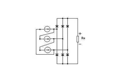
Трёхфазные выпрямители
Наиболее распространены трёхфазные выпрямители по схеме Миткевича В. Ф. (на трёх диодах, предложена им в 1901 году) и по схеме Ларионова А. Н. (на шести диодах, предложена в 1923 году). Выпрямитель по схеме Миткевича является четвертьмостовым параллельным, по схеме Ларионова — полумостовым параллельным[13].
Три четвертьмоста параллельно (схема Миткевича)
![]() Три четвертьмоста параллельно (Миткевича В. Ф.) |
![]() Вид ЭДС на входе (точками) и на выходе (сплошной) |
(«Частично трёхполупериодный со средней точкой»). Площадь под интегральной кривой равна:
Средняя ЭДС равна:
На холостом ходу и близких к нему режимах ЭДС в ветви с наибольшей на данном отрезке периода закрывает диоды в ветвях с меньшей на данном отрезке периода ЭДС и относительное эквивалентное активное сопротивление равно сопротивлению одной ветви При увеличении нагрузки (уменьшении ) появляются и увеличиваются части периода на которых обе ветви работают на одну нагрузку параллельно и относительное эквивалентное активное сопротивление на этих частях равно В режиме короткого замыкания эти части максимальны, но полезная мощность в этом режиме равна нулю.
Частота пульсаций равна , где — частота сети.
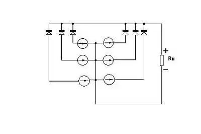
Три полумоста параллельно, объединённые кольцом/треугольником («треугольник-Ларионов»)


В некоторой электротехнической литературе иногда не различают схемы «треугольник-Ларионов» и «звезда-Ларионов», которые имеют разные значения среднего выпрямленного напряжения, максимального тока, эквивалентного активного внутреннего сопротивления и др.
В выпрямителе «треугольник-Ларионов» омические потери в медной обмотке трансформатора больше, чем в выпрямителе по схеме «звезда-Ларионов», поэтому на практике чаще применяется схема «звезда-Ларионов».
Кроме этого, выпрямители Ларионова часто называют мостовыми, на самом деле они являются полумостовыми параллельными.
В некоторой литературе выпрямители Ларионова и подобные называют «полноволновыми» (англ. full wave), на самом деле полноволновыми являются выпрямитель «три последовательных моста» и подобные.
Площадь под интегральной кривой равна:
Средняя ЭДС равна:
- , то есть больше, чем в выпрямителе Миткевича.
В работе схемы «треугольник-Ларионов» есть два периода. Большой период равен 360° или Малый период равен 60° и повторяется внутри большого 6 раз. Малый период состоит из двух малых полупериодов по 30° которые зеркальносимметричны и поэтому достаточно разобрать работу схемы на одном малом полупериоде в 30°.
На холостом ходу и в режимах близких к нему ЭДС в ветви с наибольшей на данном отрезке периода на анод диодов подано отрицательное относительно катода напряжение, что закрывает их с меньшими на данном отрезке периода ЭДС.
В начальный момент () ЭДС в одной из ветвей равна нулю, а ЭДС в двух других ветвях равны при этом открыты два верхних диода и один нижний диод. Эквивалентная схема представляет собой две параллельные ветви с одинаковыми ЭДС (0,86) и одинаковыми сопротивлениями по каждое, эквивалентное сопротивление обеих ветвей равно Далее, на малом полупериоде, одна из двух ЭДС, равных 0,86, растёт до 1,0, другая уменьшается до 0,5, а третья растёт от 0,0 до 0,5. Один из двух открытых верхних диодов закрывается, и эквивалентная схема является параллельным включением двух ветвей, в одной из которых большая ЭДС и её сопротивление равно в другой ветви образуется последовательное включение двух меньших ЭДС, и её сопротивление равно эквивалентное сопротивление обеих ветвей равно
Частота пульсаций равна , где — частота сети.
Абсолютная амплитуда пульсаций равна:
Относительная амплитуда пульсаций равна
Три полумоста параллельно, объединённые звездой («звезда-Ларионов»)


Выпрямитель звезда-Ларионов (шестипульсный) применяется в генераторах электроснабжения бортовой сети почти на всех средствах транспорта (автотракторных, водных, подводных, воздушных и др.). В электроприводе тепловозов и дизель-электроходов почти вся мощность проходит через выпрямитель звезда-Ларионов.
Площадь под интегральной кривой равна:
Средняя ЭДС равна:
то есть в раз больше, чем в схемах «треугольник-Ларионов» и «три параллельных полных моста» и вдвое больше, чем в схеме Миткевича.
В этом выпрямителе есть большой период равный 360° и малый период, равный 60°. В большом периоде помещаются 6 малых периодов. Малый период в 60° состоит из двух зеркальносимметричных частей по 30°, поэтому для описания работы этой схемы достаточно разобрать её работу на одной части в 30° малого периода.
В начале малого периода () ЭДС в одной из ветвей равна нулю, в двух других — по Эти две ветви включены последовательно. Эквивалентное внутреннее активное сопротивление при этом равно Далее, одна из ЭДС. увеличивается от 0,86 до 1,0, другая уменьшается от 0,86 до 0,5, а третья растёт от 0,0 до 0,5.
Эквивалентная схема при этом представляет собой две последовательно включенные ветви, в одной из которых одна ЭДС и её сопротивление равно сопротивлению одной обмотки в другой две параллельно включенные ЭДС с сопротивлением каждая, эквивалентное сопротивление двух параллельных ветвей равно Эквивалентное активное внутреннее сопротивление всей цепи равно В режимах близких к холостому ходу (при малых нагрузках) в параллельных ветвях ЭДС в ветви с большей ЭДС закрывает диод в ветви с меньшей ЭДС, при этом изменяется эквивалентная схема. При увеличении нагрузки появляются и увеличиваются отрезки периода на которых обе ветви работают на нагрузку параллельно. В режиме короткого замыкания отрезки параллельной работы увеличиваются до длины всего периода, но полезная мощность в этом режиме равна нулю.
Частота пульсаций равна где — частота сети.
Абсолютная амплитуда пульсаций равна
Относительная амплитуда пульсаций равна
Три двухфазных двухчетвертьмостовых параллельных выпрямителей Миткевича параллельно (6 диодов)

В литературе иногда называют «шестифазный» (см. также Gleichrichter für Dreiphasenwechselstrom рис. Sechspuls-Sternschaltung (M6): 6-Phasen-Gleichrichter mit Mittelpunktanzapfungen am Drehstromtransformator) нем. .
Является почти аналогом выпрямителя «три полных моста параллельно» и имеет почти такие же свойства, как и выпрямитель «три полных моста параллельно», но эквивалентное внутреннее активное сопротивление почти вдвое больше, число диодов вдвое меньше, средний ток через один диод почти вдвое больший.
Площадь под интегральной кривой равна:
Средняя ЭДС равна:
то есть такая же, как и в схеме «треугольник-Ларионов» и в раз меньше, чем в схеме «звезда-Ларионов».
Три двухфазных двухчетвертьмостовых параллельных выпрямителей Миткевича последовательно (6 диодов)
Является почти аналогом выпрямителя «три полных моста последовательно» и имеет почти такие же свойства, но эквивалентное внутреннее активное сопротивление почти вдвое больше, число диодов вдвое меньше, средний ток через один диод почти вдвое больше.
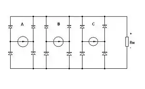
Три полных моста параллельно (12 диодов)


Менее известны полномостовые трёхфазные выпрямители по схеме «три параллельных моста» (на двенадцати диодах), «три последовательных моста» (на двенадцати диодах), и др., которые по многим параметрам превосходят выпрямитель Ларионова.
По схемам выпрямителей можно видеть, что выпрямитель Миткевича является неполным выпрямителем Ларионова, а выпрямитель Ларионова. является неполным выпрямителем «три параллельных моста».

Площадь под кривой под подынтегральным выражением равна:
Средняя ЭДС равна:
то есть, такая же, как и в схеме «треугольник-Ларионов» и в раз меньше, чем в схеме «звезда-Ларионов».
В режиме холостого хода ЭДС в мосту с наибольшей на данном отрезке большого периода ЭДС закрывает диоды в мостах с меньшими на данном отрезке большого периода ЭДС. Эквивалентное внутреннее активное сопротивление при этом равно сопротивлению одного моста При увеличении нагрузки (уменьшении ) появляются и увеличиваются отрезки периода на которых два моста работают на нагрузку параллельно, эквивалентное внутреннее активное сопротивление на этих отрезках периода при этом равно сопротивлению двух параллельных мостов При дальнейшем увеличении нагрузки появляются и увеличиваются отрезки периода на которых все три моста работают на нагрузку параллельно, эквивалентное внутреннее активное сопротивление на этих отрезках периода равно сопротивлению трёх параллельных мостов В режиме короткого замыкания все три параллельных моста работают на нагрузку, но полезная мощность в этом режиме равна нулю.
Выпрямитель «три параллельных полных моста» на холостом ходу имеет такую же среднюю ЭДС, как в выпрямителе «треугольник-Ларионов» и такие же сопротивления обмоток, но, так как у него схема с независимыми от соседних фаз диодами, то моменты переключения диодов отличаются от моментов переключения диодов в схеме «треугольник-Ларионов». Нагрузочные характеристики этих двух выпрямителей получаются разными.
Частота пульсаций равна , где — частота сети.
Абсолютная амплитуда пульсаций равна
Относительная амплитуда пульсаций равна
Три полных моста последовательно (12 диодов)

Площадь под интегральной кривой равна:
Средняя ЭДС равна:
- , то есть больше, чем в схеме «звезда-Ларионов».
Эквивалентное внутреннее активное сопротивление равно сопротивлению трёх последовательно включенных мостов с сопротивлением каждый, то есть
Частота пульсаций равна где — частота сети.
Этот выпрямитель имеет наибольшую среднюю ЭДС и может найти применение в высоковольтных источниках напряжения (в установках электростатической очистки промышленных газов и др.).
N-фазные выпрямители
Как и трёхфазные, многофазные выпрямители могут быть полномостовыми, полумостовыми и четвертьмостовыми, параллельными раздельными, параллельными объединёнными звёздами, параллельными объединёнными кольцами, последовательными, параллельно-последовательными.
Двенадцатипульсовый статический выпрямитель

Представляет собой параллельное (или иногда последовательное) включение двух выпрямителей Ларионова со сдвигом фаз входных трёхфазных токов. При этом вдвое увеличивается число выпрямленных полупериодов по сравнению с обычным выпрямителем Ларионова, из-за чего уменьшается относительная амплитуда пульсаций выпрямленного напряжения и вдвое увеличивается частота пульсаций выпрямленного напряжения, что также облегчает сглаживание выпрямленного напряжения. Практически такая схема довольно популярна, применяется как в мощных выпрямителях тяговых подстанций электрического транспорта, где важно обеспечить питание коллекторных тяговых электродвигателей с минимальными пульсациями, так и в выпрямительных устройствах летательных аппаратов, где важна электромагнитная совместимость[14][15].
Выпрямители с умножением напряжения
Выпрямители с умножением напряжения применяются в тех случаях, когда по каким-то причинам входное переменное напряжение должно быть ниже, чем выходное постоянное. К примеру, в отечественных телевизорах, начиная с некоторых моделей от последних серий УЛПЦТ и вплоть до 4УСЦТ применялся умножитель высокого напряжения в цепи анода кинескопа.
Выпрямитель Вилларда

Предложен Виллардом в 1901 году[16]. Состоит из конденсатора, включенного последовательно с обмоткой, и диода, включенного параллельно нагрузке. Во время отрицательного полупериода ток течёт по цепи: «источник переменного тока — конденсатор — диод», конденсатор заряжается. Во время положительного полупериода заряженный конденсатор включается последовательно с обмоткой трансформатора, и напряжения на конденсаторе и обмотке суммируются.
Особенность данного выпрямителя в том, что в качестве сглаживающего фильтра обязательно должен использоваться дроссель, так как конденсатор во время отрицательного полупериода будет разряжаться.
Выпрямитель Грайнахера

Предложен Грейнахером в 1913 году (опубликован в 1914 году[17]). Этот выпрямитель содержит 2 вентиля. Принцип действия тот же, что и у выпрямителя Вилларда, но в качестве сглаживающего фильтра можно использовать конденсатор. Такая схема часто используется в качестве амплитудного детектора в радиоприёмниках.
Мостовой удвоитель напряжения
Мостовой удвоитель напряжения напоминает мост Гретца, но в отличие от него в одном из плеч моста вместо диодов установлены конденсаторы. За счёт этого во время каждой полуволны во входную цепь подключается то один, то другой конденсатор, а напряжение на выходе выпрямителя складывается из напряжений на двух конденсаторах.
Умножитель Кокрофта — Уолтона
Умножитель Кокрофта — Уолтона позволяет увеличивать выходное напряжение в несколько раз. Применяется в схемах, где необходимо получать очень высокое напряжение.
Недостатки
Существуют недостатки умножителей напряжения перед обычными выпрямителями:
- более высокий уровень пульсаций;
- обычно большее внутреннее сопротивление, зависящее от ёмкости применённых в них конденсаторов.
Эти особенности определили сферу применения умножителей напряжения — чаще всего в устройствах небольшой мощности и высокого напряжения, нетребовательных к качеству питания.
См. также
- Диод
- Кенотрон
- Игнитрон
- Диодный мост
- Трёхфазный выпрямитель
- Ректенна
- Инвертор
- Медно-закисный выпрямитель
- Понижающий трансформатор-выпрямитель Мотовилова
- Трансформаторный аналог схемы Маркса — повышающий выпрямитель Мотовилова
Примечания
- Выпрямитель тока — статья из Большой советской энциклопедии
- Механические синхронные выпрямители с щёточноколлекторным коммутатором тока применяются в коллекторных генераторах постоянного тока, в механических выпрямителях при производстве алюминия.
- Силовые выпрямители применяются в силовой электронике, в энергетике.
- Выпрямители сигналов применяются в радиоэлектронике и автоматике.
- НИИПТ. Выборгская преобразовательная подстанция (недоступная ссылка) (недоступная ссылка с 13-05-2013 [3213 дней])
- Проект уникальной электропередачи постоянного тока Экибастуз-Центр мощностью 6000 МВт, напряжением 1500 кВ для транспорта электроэнергии от Экибастузских ГРЭС в центральные районы страны, на расстояние свыше 2400 км, разработанный в НИИПТ (недоступная ссылка с 13-05-2013 [3213 дней]) Архивная копия от 23 декабря 2008 на Wayback Machine ]
- First Optical Rectenna — Combined Rectifier and Antenna — Converts Light to DC Current (Georgia Institute of Technology)
- Room-Temperature Ballistic Nanodevices. Aimin M. Song. Department of Electrical Engineering and Electronics, University of Manchester Institute of Science and Technology, Manchester M60 1QD, England http://personalpages.manchester.ac.uk/staff/A.Song/publications/Enn.pdf
- Филенко Н. Выпрямители переменного напряжения.. Технический портал радиолюбителей России — Cqham.ru. Ю. Богданов (2004). — При подготовке статьи использована литература: В. Я. Брускин «Номограммы для радиолюбителей» МРБ 1972 год, Б. Богданович, Э. Ваксер «Краткий радиотехнический справочник» Беларусь 1968 год.. Дата обращения: 22 января 2010.
- Возможное решение проблемы: использование трансформатора с двумя независимыми вторичными обмотками, к которым в противофазе (у одной обмотки к началу подключён вывод диода, к концу — вывод сглаживающего конденсатора, у другой — наоборот) подключены однополупериодные выпрямители с примерно равным током нагрузки, что приводит к компенсации подмагничивающего эффекта сердечника трансформатора. Одновременно этим снимается проблема неполного использования габаритной мощности трансформатора.
- Кастров М. Двухполупериодные выпрямители с удвоителем тока.
- Выпрямители переменного напряжения.
- http://andserkul.narod2.ru/tryohfaznie_vipryamiteli/ Трёхфазные выпрямители
- Авиационное оборудование. Под ред. Доброленского Ю. П. — М.: Воениздат, 1989 г.
- http://www.css-rzd.ru/zdm/02-1999/8073.htm (недоступная+ссылка) Преобразователь для подпитки сети тягового электроснабжения. Рис.3.
- Villard, P. (1901), Transformateur à haut voltage. A survolteur cathodique, Journal de Physique Théorique et Appliquée, 4th series Т. 10: 28–32, doi:10.1051/jphystap:019010010002801, <https://archive.org/stream/journaldephysiq62physgoog#page/n35/mode/2up>. Схема Вилларда приведена на Рис. 1 на стр. 31.
- Greinacher, H. (1914), Das Ionometer und seine Verwendung zur Messung von Radium- und Röntgenstrahlen, Physikalische Zeitschrift Т. 15: 410–415, <https://babel.hathitrust.org/cgi/pt?id=nyp.33433090815022;view=1up;seq=450> Схема приведена на Рис. 4 на стр. 412. Он использовал электрохимические выпрямители, которые обозначены «Z» (Zellen, ячейки).
Литература
- Тарасов Ф. И. Как построить выпрямитель. — М.: Госэнергоиздат, 1949. — 50000 с. (недоступная ссылка)
- Вересов Г. П. Электропитание бытовой радиоэлектронной аппаратуры. — М.: Радио и связь, 1983. — 128 с. — 60 000 экз. Архивная копия от 27 июля 2009 на Wayback Machine
- Китаев В. В. и др. Электропитание устройств связи. — М.: Связь, 1975. — 328 с. — 24 000 экз. Архивная копия от 17 марта 2013 на Wayback Machine
- Костиков В. Г. Парфенов Е. М. Шахнов В. А. Источники электропитания электронных средств. Схемотехника и конструирование: Учебник для ВУЗов. — 2. — М.: Горячая линия — Телеком, 2001. — 344 с. — 3000 экз. — ISBN 5-93517-052-3.
- Абдуллаев Г. Б. Полупроводниковые выпрямители. Изд. АН Аз. ССР, Bakı, Azərb.SSR Elmlər Akademiyası Nəşriyatı 1958, 204 c.
Ссылки
- ГОСТ Р 52907-2008 «Источники электропитания радиоэлектронной аппаратуры. Термины и определения»
- Двухполупериодный выпрямитель — однофазные, трехфазные, мостовые
- www.cqham.ru: «Выпрямители переменного напряжения»
- Синхронное выпрямление — снижение потерь мощности на выпрямителе
- «Схемотехника однофазных корректоров коэффициента мощности»
- «Диодная схемотехника»
- Выпрямление синусоидальных токов
- 4. Выпрямители.
- Выпрямители. Как и почему?
- Лекция 5 2.1.6 Работа выпрямителя на ёмкостную нагрузку.
- Виенна-выпрямитель — трёхфазный корректор коэффициента мощности.
- Выпрямители (сигналов на ОУ).
- Выпрямители с тиристорным регулятором напряжения.
- Выпрямители.
- Двенадцатипульсовый выпрямитель с преобразовательным трансформатором мощностью 6,3 МВ*А.
- Выпрямитель.
- Выпрямители. Общие сведения.
- Синхронные выпрямители.
- Основные схемы выпрямителей.
- Выпрямители.
- What_is_rectifier?


