SQUARE
SQUARE — в криптографии симметричный блочный криптоалгоритм, разработанный в 1997 году Винсентом Рэйменом, Йоаном Дайменом и Ларсом Кнудсеном.
| SQUARE | |
|---|---|
| Создатель |
Винсент Рэймен, Йоан Даймен, Ларс Кнудсен |
| Создан | 1997 |
| Опубликован | 1997 |
| Размер ключа | 128 бит |
| Размер блока | 128 бит |
| Число раундов | 8 |
| Тип | Подстановочно-перестановочная сеть |
Считается предшественником алгоритма AES. Структура алгоритма была подобрана авторами для возможности получения эффективной реализации на широком спектре процессоров, а также для криптостойкости к дифференциальному и линейному криптоанализу.
Описание алгоритма
Алгоритм SQUARE использует ключ длиной 128 бит, данные шифруются 128-битными блоками, однако модульный подход к построению шифра позволяет легко расширить до больших размеров длину ключа и длину блока данных. Один раунд SQUARE состоит из четырёх отдельных преобразований. Данные представляются байтовым квадратом размера 4x4. Основные составляющие этого шифра — это пять различных обратимых преобразований, которые воздействуют на массив байтов размера .[1]
Линейное преобразование
Линейное преобразование воздействует на каждую строку в квадрате данных. Оно представляется формулой , где:
- — значение байта, находящегося в -й строке и -м столбце в квадрате данных;
- — новое значение байта в квадрате;
- — набор констант;
- умножения выполняются в поле Галуа ;
Важно, что поле имеет характеристику 2, то есть операция сложения соответствует побитовому . Каждая -ая строка в квадрате может быть представлена в виде полинома . Тогда, определяя коэффициенты как полином , преобразование можно представить в виде произведения полиномов: , здесь — новое значение строки квадрата, представленное в виде полинома, и . Обратному преобразованию соответствует полином , определённый по формуле .[2]
Нелинейное преобразование
Данное преобразование является табличной заменой . Таблица, по которой осуществляется замена:
| B1 | CE | C3 | 95 | 5A | AD | E7 | 02 | 4D | 44 | FB | 91 | 0C | 87 | A1 | 50 |
| CB | 67 | 54 | DD | 46 | 8F | E1 | 4E | F0 | FD | FC | EB | F9 | C4 | 1A | 6E |
| 5E | F5 | CC | 8D | 1C | 56 | 43 | FE | 07 | 61 | F8 | 75 | 59 | FF | 03 | 22 |
| 8A | D1 | 13 | EE | 88 | 00 | 0E | 34 | 15 | 80 | 94 | E3 | ED | B5 | 53 | 23 |
| 4B | 47 | 17 | A7 | 90 | 35 | AB | D8 | B8 | DF | 4F | 57 | 9A | 92 | DB | 1B |
| 3C | C8 | 99 | 04 | 8E | E0 | D7 | 7D | 85 | BB | 40 | 2C | 3A | 45 | F1 | 42 |
| 65 | 20 | 41 | 18 | 72 | 25 | 93 | 70 | 36 | 05 | F2 | 0B | A3 | 79 | EC | 08 |
| 27 | 31 | 32 | B6 | 7C | B0 | 0A | 73 | 5B | 7B | B7 | 81 | D2 | 0D | 6A | 26 |
| 9E | 58 | 9C | 83 | 74 | B3 | AC | 30 | 7A | 69 | 77 | 0F | AE | 21 | DE | D0 |
| 2E | 97 | 10 | A4 | 98 | A8 | D4 | 68 | 2D | 62 | 29 | 6D | 16 | 49 | 76 | C7 |
| E8 | C1 | 96 | 37 | E5 | CA | F4 | E9 | 63 | 12 | C2 | A6 | 14 | BC | D3 | 28 |
| AF | 2F | E6 | 24 | 52 | C6 | A0 | 09 | BD | 8C | CF | 5D | 11 | 5F | 01 | C5 |
| 9F | 3D | A2 | 9B | C9 | 3B | BE | 51 | 19 | 1F | 3F | 5C | B2 | EF | 4A | CD |
| BF | BA | 6F | 64 | D9 | F3 | 3E | B4 | AA | DC | D5 | 06 | C0 | 7E | F6 | 66 |
| 6C | 84 | 71 | 38 | B9 | 1D | 7F | 9D | 48 | 8B | 2A | DA | A5 | 33 | 82 | 39 |
| D6 | 78 | 86 | FA | E4 | 2B | A9 | 1E | 89 | 60 | 6B | EA | 55 | 4C | F7 | E2 |

то есть 0 заменится на B1, 1 — на CE, и так далее.[1]
Байтовая перестановка
Байтовая перестановка осуществляет транспонирование байтового квадрата, то есть .
Сложение с ключом раунда
Эта операция — побитовое сложение 128 бит данных с ключом раунда, , где:
- и — значение 128 бит данных перед преобразованием и после;
- — ключ раунда .[2]
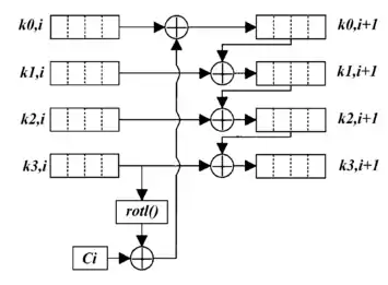
Процедура получения ключей
Для шифрования необходимо получить 8 128-битных ключей раундов, а также ключ для предварительного раунда из ключа шифрования алгоритма.

Процедура получения ключа описывается преобразованием , выполняющимся над ключом, представленным, как и блок данных, байтовым квадратом 4x4. Преобразование описывается следующими операциями:
- ;
- ;
- ;
- ;
где:
- — -я строка байтового квадрата ключа -го раунда;
- — константа для -го раунда, вычисляемая по формуле , ;
- — операция циклического сдвига байтовой строки на один байт влево: ;
Исходный ключ алгоритма шифрования используется как ключ для предварительного раунда.[2]
Шифрование
Обозначим один раунд шифрования как . Также, восьми раундам преобразования предшествует сложение с ключом и :.[2]
Расшифрование
Алгоритм расшифрования аналогичен алгоритму шифрования, но вместо преобразований и используются обратные преобразования и , при этом — это обратная табличная замена, а — это умножение строки на полином такой, что , также в предварительном раунде используется преобразование вместо . Из формулы для шифрования видно, что
- ,
где . Так как , и, более того, так как , получаем . Теперь один раунд для расшифрования можно определить как , и полная формула для расшифрования записывается как :
- .[2]
Безопасность
Исследование криптостойкости создателями алгоритма
Алгоритм обладает высокой стойкостью против линейного и дифференциального криптоанализа, благодаря преобразованиям и , которые понижают максимальную вероятность появления дифференциальных следов и максимальную корреляцию линейных следов за 4 раунда преобразований. Первый криптоанализ SQUARE был проведён его авторами с использованием интегрального криптоанализа, который позже стал известен как Square-атака.[2]
Описание Square-атаки
Прежде всего, введем несколько определений:
Определение 1: Пусть -множество — набор из 256 16-байтовых состояний, каждое из которых отличается от других в некоторых байтах, которые назовём активными, и совпадают в некоторых байтах, которые будем называть пассивными. Далее, — это набор индексов активных байтов.[3] Имеем:
- .
Определение 2: Если применение операции исключающего «или» ко всем байтам на одной позиции в -множестве даёт 0, то эта позиция называется уравновешенной по -множеству.[3]
Применение преобразований и к -множеству даёт -множество с тем же . Применение преобразования даёт -множество, в котором активные байты транспонированы (относительно активных байтов в исходном -множестве). Также, применение к -множеству необязательно вернёт -множество, однако, так как каждый выходной байт является линейной комбинацией четырёх входных байт в той же строке, то, подавая строку с всего одним активным байтом, на выходе получим строку состоящую только из активных байт. [2] Рассмотрим -множество, в котором только один байт является активным и проследим, как изменяется позиция активного байта в течение трех раундов (здесь предварительный раунд объединён с первым: , который в итоге записывается как ). Так как первый раунд не содержит , то к началу второго раунда остается один активный байт. Во втором раунде преобразует в строку активных байтов, которые преобразует в столбец активных байт. в третьем раунде переводит результат в -множество, состоящее только из активных байт. Значения байт на выходе третьего раунда пробегают все возможные значения, следовательно, уравновешены по множеству , имеем
значит байты на выходе в четвёртом раунде уравновешены по -множеству. Эта уравновещенность нарушается последующим применением . Выходные байты четвёртого раунда могут быть выражены с помощью функции от промежуточного состояния : . Предполагая значение , значение для всех элементов -множества могут быть вычислены из шифротекстов. Если значение этого байта оказалось неуравновешенным по , то предположенное значение ключа является ложным. Этот метод криптоанализа позволил взломать 6-раундовый вариант шифра с использованием блоков открытого текста и соответствующих им блоков шифротекста и выполнением операций шифрования.[2]
В 2010 году была представлена атака на связанных ключах методом бумеранга. Ранее подобная атака применялась к шифрам KASUMI, COCONUT98, IDEA и AES-192/256. Это была первая атака на полнораундовый SQUARE.[4] В 2011 году был проведён криптоанализ полнораундового варианта SQUARE с помощью полного двудольного графа. Данный тип атаки позволил взломать шифр с использованием одного ключа, открытых текстов и проведения операций шифрования.[5]
Особенности шифра
Шифр SQUARE создавался, соответствуя стратегии широкого следа — каждый раунд шифра состоит из нескольких преобразований, нелинейной перестановки и композиции линейных преобразований — что дало шифру высокую криптостойкость против линейного и дифференциального криптоанализа. Составляющие блоки алгоритма и их взаимодействие подбирались также исходя из возможности быстрой реализации на широком спектре процессоров.[6] Реализация алгорима на языке Си имела скорость шифрования 2.63 Мбайт/с, запускаемая на процессоре Pentium с частотой 100 МГц, а реализация на языке Ассемблер увеличивала скорость шифрования вдвое. Данный алгоритм получил развитие и стал основой нового американского стандарта — шифра Rijndael, который был разработан группой авторов SQUARE. Кстати, на конкурсе AES, эксперты отметили, что «в основе алгоритма Rijndael лежит нетрадиционная парадигма, поэтому он может содержать скрытые уязвимости»[1]. Именно по этой причине сам SQUARE сейчас используется редко, уступая в популярности своему потомку — Rijndael. Также потомком шифра является южнокорейский алгоритм CRYPTON, участник конкурса AES.
См. также
Примечания
Литература
- J. Daemen, L. Knudsen, V. Rijmen. The Block Cipher SQUARE. — 1997.
- B. Koo, Y. Yeom, J. Song. Related-Key Boomerang Attack on Block Cipher SQUARE. — 2010.
- H. Mala. Biclique Cryptanalisis of the Block Cipher SQUARE. — 2011.
- G.Piret, J.-J. Quisquater. Impossible differential and square attacks: Cryptanalytic link and application to Skipjack. — 2001.
- Панасенко С. П. Алгоритмы шифрования. Специальный справочник — СПб.: BHV-СПб, 2009. — 576 с. — ISBN 978-5-9775-0319-8
Ссылки
- The Block Cipher Square Algorithm, Joan Daemen, Lars R. Knudsen and and Vincent Rijmen, Dr. Dobb’s Journal, October 01, 1997.