Фотодиод
Фотодио́д — приёмник оптического излучения[1], который преобразует попавший на его фоточувствительную область свет в электрический заряд за счёт процессов в p-n-переходе.




Фотодиод, работа которого основана на фотовольтаическом эффекте (разделение электронов и дырок в p- и n-области, за счёт чего образуется заряд и ЭДС), называется солнечным элементом. Кроме p-n фотодиодов, существуют и p-i-n фотодиоды, в которых между слоями p и n находится слой нелегированного полупроводника i. p-n- и p-i-n-фотодиоды только преобразуют свет в электрический ток, но не усиливают его, в отличие от лавинных фотодиодов и фототранзисторов.
Описание

Принцип работы:
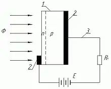
При воздействии квантов излучения в базе происходит генерация свободных носителей, которые устремляются к границе p-n-перехода. Ширина базы (n-область) делается такой, чтобы дырки не успевали рекомбинировать до перехода в p-область. Ток фотодиода определяется током неосновных носителей — дрейфовым током. Быстродействие фотодиода определяется скоростью разделения носителей полем p-n-перехода и ёмкостью p-n-перехода Cp-n
Фотодиод может работать в двух режимах:
- фотогальванический — без внешнего напряжения
- фотодиодный — с внешним обратным напряжением
Особенности:
- простота технологии изготовления и структуры
- сочетание высокой фоточувствительности и быстродействия
- малое сопротивление базы
- малая инерционность
Параметры и характеристики фотодиодов
Параметры:
- чувствительность
- отражает изменение электрического состояния на выходе фотодиода при подаче на вход единичного оптического сигнала. Количественно чувствительность измеряется отношением изменения электрической характеристики, снимаемой на выходе фотоприёмника, к световому потоку или потоку излучения, его вызвавшему.
- ; — токовая чувствительность по световому потоку
- ; — вольтаическая чувствительность по энергетическому потоку
- шумы
- помимо полезного сигнала на выходе фотодиода появляется хаотический сигнал со случайной амплитудой и спектром — шум фотодиода. Он не позволяет регистрировать сколь угодно малые полезные сигналы. Шум фотодиода складывается из шумов полупроводникового материала и фотонного шума.
Характеристики:
- вольт-амперная характеристика (ВАХ)
- зависимость выходного напряжения от входного тока.
- спектральные характеристики
- зависимость фототока от длины волны падающего света на фотодиод. Она определяется со стороны больших длин волн шириной запрещённой зоны, при малых длинах волн большим показателем поглощения и увеличения влияния поверхностной рекомбинации носителей заряда с уменьшением длины волны квантов света. То есть коротковолновая граница чувствительности зависит от толщины базы и от скорости поверхностной рекомбинации. Положение максимума в спектральной характеристике фотодиода сильно зависит от степени роста коэффициента поглощения.
- световые характеристики
- зависимость фототока от освещённости, соответствует прямой пропорциональности фототока от освещённости. Это обусловлено тем, что толщина базы фотодиода значительно меньше диффузионной длины неосновных носителей заряда. То есть практически все неосновные носители заряда, возникшие в базе, принимают участие в образовании фототока.
- постоянная времени
- это время, в течение которого фототок фотодиода изменяется после освещения или после затемнения фотодиода в е раз (63 %) по отношению к установившемуся значению.
- темновое сопротивление
- сопротивление фотодиода в отсутствие освещения.
- инерционность
Классификация
- p-i-n-фотодиод
- В p-i-n-структуре средняя i-область заключена между двумя областями противоположной проводимости. При достаточно большом напряжении оно пронизывает i-область, и свободные носители, появившееся за счет фотонов при облучении, ускоряются электрическим полем p-n-переходов. Это дает выигрыш в быстродействии и чувствительности. Повышение быстродействия в p-i-n-фотодиоде обусловлено тем, что процесс диффузии заменяется дрейфом электрических зарядов в сильном электрическом поле. Уже при Uобр ≈ 0,1 В p-i-n-фотодиод имеет преимущество в быстродействии.
- Достоинства:
- 1) есть возможность обеспечения чувствительности в длинноволновой части спектра за счет изменения ширины i-области.
- 2) высокая чувствительность и быстродействие
- 3) малое рабочее напряжение Uраб
- Недостатки:
- сложность получения высокой чистоты i-области
- Фотодиод Шоттки (фотодиод с барьером Шоттки)
- Структура металл-полупроводник. При образовании структуры часть электронов перейдет из металла в полупроводник p-типа.
- Лавинный фотодиод
- В структуре используется лавинный пробой. Он возникает тогда, когда энергия фотоносителей превышает энергию образования электронно-дырочных пар. Очень чувствительны. Для оценки существует коэффициент лавинного умножения:
- Для реализации лавинного умножения необходимо выполнить два условия:
- 1) Электрическое поле области пространственного заряда должно быть достаточно большим, чтобы на длине свободного пробега электрон набрал энергию, большую, чем ширина запрещённой зоны:
- 2) Ширина области пространственного заряда должна быть существенно больше, чем длина свободного пробега:
- Значение коэффициентов внутреннего усиления составляет M = 10—100 в зависимости от типа фотодиодов.
- Фотодиод с гетероструктурой
- Гетеропереходом называют слой, возникающий на границе двух полупроводников с разной шириной запрещённой зоны. Один слой р+ играет роль «приёмного окна». Заряды генерируются в центральной области. За счет подбора полупроводников с различной шириной запрещённой зоны можно перекрыть весь диапазон длин волн. Недостаток — сложность изготовления.
См. также
Примечания
- Большая советская энциклопедия : [в 30 т.] / гл. ред. А. М. Прохоров. — 3-е изд. — М. : Советская энциклопедия, 1969—1978.