Трёхфазный выпрямитель
Трёхфазный выпрямитель — устройство применяемое для получения постоянного тока из трёхфазного переменного тока системы Доливо-Добровольского.

История и классификация
Наиболее распространены трёхфазный выпрямитель по схеме Миткевича В. Ф. (на трёх диодах), предложенный им в 1901 г.[1], и трёхфазный выпрямитель по схеме Ларионова А. Н. (на шести диодах), предложенный им в 1924 году[2][3]. В 1923 году в США также подаётся патент US1610837 A на трёхфазные выпрямители.
Менее известны трёхфазные выпрямители по схемам «три параллельных моста» (на двенадцати диодах), «три последовательных моста» (на двенадцати диодах) и др., которые по многим параметрам превосходят и схему Миткевича и схему Ларионова. При этом требуются диоды со средним током через один диод почти вдвое меньшим, чем в схеме Ларионова.
Выпрямитель Миткевича является четвертьмостовым параллельным, выпрямитель Ларионова является не полномостовым, как его часто считают, а полумостовым параллельным («три параллельных полумоста»). В зависимости от схемы включения трёхфазного трансформатора или трёхфазного генератора (звезда, треугольник) схема Ларионова имеет две разновидности: «звезда-Ларионов» и «треугольник-Ларионов», которые имеют разные напряжения, токи, внутренние сопротивления.
По схемам можно заметить, что схема Миткевича является неполной схемой Ларионова, а схема Ларионова является неполной схемой «три параллельных моста».
Из-за принципа обратимости электрических машин по этим же схемам строятся и преобразователи (инверторы).
Трёхфазный выпрямитель «три четвертьмоста параллельно» (Миткевича В. Ф.)
Схема трёхфазного ртутного выпрямителя по схеме Миткевича приведена в[4].
![]() Три четвертьмоста параллельно (Миткевича) |
![]() Вид ЭДС на входе (точками) и на выходе (сплошной). |
«Частично трёхполупериодный с нулевым выводом». Площадь под интегральной кривой равна:
- где — максимальное (наибольшее) мгновенное значение ЭДС,
- — эффективное (действующее) значение ЭДС вторичной обмотки трансформатора или генератора.
Средняя ЭДС равна:
На холостом ходу и близких к нему режимах ЭДС в ветви с наибольшей на данном отрезке периода ЭДС смещает в сторону запирания (закрывает) диоды в ветви с меньшей на данном отрезке периода ЭДС. Относительное эквивалентное активное сопротивление при этом равно сопротивлению одной ветви 3r. При увеличении нагрузки (уменьшении Rn) появляются и увеличиваются отрезки периода на которых обе ветви работают на одну нагрузку параллельно. Относительное эквивалентное внутреннее активное сопротивление на этих отрезках равно 3r/2. В режиме короткого замыкания эти отрезки максимальны, но полезная мощность в этом режиме равна нулю.
Отрицательные полупериоды в выпрямителе Миткевича не используются. Из-за этого выпрямитель Миткевича имеет очень низкий коэффициент использования габаритной мощности трансформатора и применяется при малых мощностях.
Частота пульсаций равна 3f, где f — частота сети.
Абсолютная амплитуда пульсаций равна .
Относительная амплитуда пульсаций равна 0,5/0,83 = 0,6 (60 %).
Три разделённых полумоста параллельно (три «с удвоением напряжения» параллельно)
Трёхфазный выпрямитель «три полумоста параллельно, объединённые кольцом (треугольником)» («треугольник-Ларионова»)


В некоторой электротехнической литературе иногда не различают схемы «треугольник-Ларионов» и «звезда-Ларионов», которые имеют разные значения среднего выпрямленного напряжения, максимального тока, эквивалентного активного внутреннего сопротивления и др.
В выпрямителе «треугольник-Ларионов» потери в меди больше, чем в выпрямителе «звезда-Ларионов», поэтому на практике чаще применяется схема «звезда-Ларионов».
Кроме этого, выпрямители Ларионова А. Н. часто называют мостовыми, на самом деле они являются полумостовыми параллельными.
В некоторой литературе выпрямители Ларионова и подобные называют «полноволновыми» (англ. full wave), на самом деле полноволновыми являются выпрямитель «три последовательных моста» и подобные.
Площадь под интегральной кривой равна:
Средняя ЭДС равна:
то есть больше, чем в выпрямителе Миткевича.
В работе схемы «треугольник-Ларионов» есть два периода. Большой период равен 360° (). Малый период равен 60° (), и повторяется внутри большого 6 раз. Малый период состоит из двух малых полупериодов по 30° (), которые зеркальносимметричны и поэтому достаточно разобрать работу схемы на одном малом полупериоде в 30°.
На холостом ходу и в режимах близких к нему ЭДС в ветви с наибольшей на данном отрезке периода обратносмещает (закрывает) диоды с меньшими на данном отрезке периода ЭДС.
В начальный момент () ЭДС в одной из ветвей равна нулю, а ЭДС в двух других ветвях равны , при этом открыты два верхних диода и один нижний диод. Эквивалентная схема представляет собой две параллельные ветви с одинаковыми ЭДС (0,87) и одинаковыми сопротивлениями по 3r каждое, эквивалентное сопротивление обеих ветвей равно 3r/2. Далее, на малом полупериоде, одна из двух ЭДС, равных 0,87, растёт до 1,0, другая уменьшается до 0,5, а третья растёт от 0,0 до 0,5. Один из двух открытых верхних диодов закрывается, и эквивалентная схема становится параллельным включением двух ветвей, в одной из которых бо́льшая ЭДС и её сопротивление равно 3r, в другой ветви образуется последовательное включение двух меньших ЭДС, и её сопротивление равно 2 × 3r = 6r, эквивалентное сопротивление обеих ветвей равно
Частота пульсаций равна 6f, где f — частота сети.
Абсолютная амплитуда пульсаций равна:
Относительная амплитуда пульсаций равна 0,13/0,95 = 0,14 (14 %).
Трёхфазный выпрямитель «три полумоста параллельно, объединённые звездой» (звезда-Ларионова)


Выпрямитель звезда-Ларионов (шестипульсный) применяется в генераторах электроснабжения бортовой сети почти на всех средствах транспорта (автотракторных, водных, подводных, воздушных и др.). В электроприводе дизельэлектровозов и дизельэлектроходов почти вся мощность проходит через выпрямитель звезда-Ларионов.
Площадь под интегральной кривой равна:
- .
Средняя ЭДС равна: , то есть в раз больше, чем в схемах «треугольник-Ларионов» и «три параллельных полных моста» и вдвое больше, чем в схеме Миткевича.
В этом выпрямителе есть большой период равный 360° и малый период, равный 60°. В большом периоде помещаются 6 малых периодов. Малый период в 60° состоит из двух зеркальносимметричных частей по 30°, поэтому для описания работы этой схемы достаточно разобрать её работу на одной части в 30° малого периода. В начале малого периода () ЭДС в одной из ветвей - фазы U1 равна нулю, а в двух других фазах U2 и U3 — по 0,87 × Emax. Эти две фазы U2 и U3 в данный, начальный момент времени включены последовательно. Эквивалентное внутреннее активное сопротивление при этом равно . Далее, одна из ЭДС фаза U2 увеличивается от 0,87 - до 1,0, другая U3 уменьшается от 0,87 до 0,5, а третья фаза U1 растёт от 0,0 до 0,5. - где и пересекается на графике в точке 0.5Emax с фазой U3 - смотрите рисунок наглядного изменения фаз по ссылке https://upload.wikimedia.org/wikipedia/commons/5/5d/Spannungsverlauf_Dreiphasen-Wechselstrom.gif Эквивалентная схема при этом изменяется и представляет собой две последовательно включенные ветви, в одной из которых одна ЭДС и её сопротивление равно сопротивлению одной обмотки 3r, в другой две параллельно включенные ЭДС с сопротивлением 3r каждая, эквивалентное сопротивление двух параллельных ветвей равно 3r/2. Эквивалентное активное внутреннее сопротивление всей цепи равно 3r/2 + 3r = 9r/2 = 4,5r. В режимах близких к холостому ходу (при малых нагрузках) в параллельных ветвях ЭДС в ветви с большей ЭДС обратносмещает (закрывает) диод в ветви с меньшей ЭДС, при этом изменяется эквивалентная схема. При увеличении нагрузки появляются и увеличиваются отрезки периода на которых обе ветви работают на нагрузку параллельно. В режиме короткого замыкания отрезки параллельной работы увеличиваются до длины всего периода, но полезная мощность в этом режиме равна нулю.
Частота пульсаций равна 6f, где f — частота сети.
Абсолютная амплитуда пульсаций равна .
Относительная амплитуда пульсаций равна 0,23/1,65 = 0,14 (14 %).
Трёхфазный выпрямитель «три двухфазных двухчетвертьмостовых параллельных выпрямителей Миткевича параллельно» (6 диодов)

В литературе иногда называют «шестифазный» (см. немецкую страницу в Википедии de:Gleichrichter#Gleichrichter für Dreiphasenwechselstrom Sechspuls-Sternschaltung (M6): 6-Phasen-Gleichrichter mit Mittelpunktanzapfungen am Drehstromtransformator).
Является почти аналогом выпрямителя «три полных моста параллельно» и имеет почти такие же свойства, как и выпрямитель «три полных моста параллельно», но эквивалентное внутреннее активное сопротивление почти вдвое больше, число диодов вдвое меньше, средний ток через один диод почти вдвое больший.
Площадь под интегральной кривой равна:
- .
Средняя ЭДС равна: , то есть такая же, как и в схеме «треугольник-Ларионов» и в раз меньше, чем в схеме «звезда-Ларионов».
Трёхфазный выпрямитель «три двухфазных двухчетвертьмостовых параллельных выпрямителей Миткевича последовательно» (6 диодов)
Является почти аналогом выпрямителя «три полных моста последовательно» и имеет почти такие же свойства, но эквивалентное внутреннее активное сопротивление почти вдвое больше, число диодов вдвое меньше, средний ток через один диод почти вдвое больше.
Трёхфазный выпрямитель «три полных моста параллельно» (12 диодов)




Менее известны полномостовые трёхфазные выпрямители по схеме «три последовательных моста» (на двенадцати диодах), и др., которые по многим параметрам превосходят выпрямитель Ларионова А. Н.. По схемам выпрямителей можно видеть, что выпрямитель Миткевича В. Ф. является «недостроенным» выпрямителем Ларионова А. Н., а выпрямитель Ларионова А. Н. является «недостроенным» выпрямителем «три параллельных моста».
Площадь под интегральной кривой равна:
- .
Средняя ЭДС равна: , то есть такая же, как и в схеме «треугольник-Ларионов» и в раз меньше, чем в схеме «звезда-Ларионов».
В режиме холостого хода ЭДС в мосту с наибольшей на данном отрезке большого периода ЭДС обратносмещает (закрывает) диоды в мостах с меньшими на данном отрезке большого периода ЭДС. Эквивалентное внутреннее активное сопротивление при этом равно активному сопротивлению одного моста (одной обмотки) 3r. При увеличении нагрузки (уменьшении Rn) появляются и увеличиваются отрезки периода на которых два моста работают на нагрузку параллельно, эквивалентное внутреннее активное сопротивление на этих отрезках периода при этом равно сопротивлению двух параллельных мостов 3r/2 = 1,5r. При дальнейшем увеличении нагрузки появляются и увеличиваются отрезки периода на которых все три моста работают на нагрузку параллельно, эквивалентное внутреннее активное сопротивление на этих отрезках периода равно сопротивлению трёх параллельных мостов r. В режиме короткого замыкания все три параллельных моста работают на нагрузку, но полезная мощность в этом режиме равна нулю. Из этого следует, что с учётом разницы величин ЭДС (), эквивалентное внутреннее активное сопротивление (и потери в меди) выпрямителя «три параллельных моста» получается меньше, чем в выпрямителе «звезда-Ларионов». Из-за меньшего эквивалентного внутреннего активного сопротивления в выпрямителе «три параллельных полных моста» нагрузочные характеристики этих двух выпрямителей получаются разными.
Выпрямитель «три параллельных моста» имеет большую надёжность, чем выпрямитель «звезда-Ларионов». При обрыве (выгорании) 5/6 диодов выпрямитель «звезда-Ларионов» становится полностью неработоспособным, а выпрямитель «три параллельных моста», в случае оставшихся диодов в противоположных плечах одного моста, ещё даёт около 1/6 от полной мощности, чего может хватить, чтобы «дотянуть» до ремонта. В выпрямителе «три параллельных полных моста» средний ток через один диод почти вдвое меньше, чем в выпрямителе «звезда-Ларионов», а такие диоды дешевле и доступнее.
- Недостатки
- При очень малых токах нагрузки эквивалентное внутреннее активное сопротивление почти равно активному сопротивлению одной обмотки, то есть больше, чем в выпрямителе «треугольник-Ларионов».
Устранение недостатка. При очень малых токах нагрузки схему «три параллельных моста» можно переключать на схему «треугольник-Ларионов» переключателем с тремя замыкающими контактными группами.
- Из-за четырёхпроводной трёхфазной сети выпрямитель «три параллельных моста» может работать только вблизи трансформатора, выпрямитель Ларионова — на удалении от трансформатора.
Устранение недостатка. Проводка шестипроводной линии электропередачи.
По свойствам этот выпрямитель ближе к источникам тока и может почти во всех устройствах заменить выпрямители «звезда-Ларионов» и «треугольник-Ларионов», (электропривод тепловозов, теплоходов, атомоходов, прокатных станов, буровых вышек, блоки питания мощных электролизёров, мощных радиопередатчиков, мощных радиолокаторов, мощных лазеров, электротранспорта постоянного тока, генераторы бортовой сети автотракторной и др. техники и в других устройствах), при этом уменьшается нагрев обмоток и сберегается около 4 % электроэнергии (топлива)).
Частота пульсаций равна 6f, где f — частота сети.
Абсолютная амплитуда пульсаций равна .
Относительная амплитуда пульсаций равна 0,13/0,95 = 0,14 (14 %).
Трёхфазный выпрямитель «три полных моста последовательно» (12 диодов)


Площадь под интегральной кривой равна:
Средняя ЭДС равна: , то есть вдвое больше, чем в схеме «треугольник-Ларионов».
Относительное эквивалентное внутреннее активное сопротивление равно сопротивлению трёх последовательно включенных мостов с сопротивлением 3r каждый, то есть 9r.
Ток в нагрузке равен ????
Мощность в нагрузке равна ????
Частота пульсаций равна 6f, где f — частота сети.
Абсолютная амплитуда пульсаций равна .
Относительная амплитуда пульсаций равна 0,27/1,91 = 0,14 (14 %).
Этот выпрямитель имеет наибольшее эквивалентное внутреннее активное сопротивление и наибольшую среднюю ЭДС, по свойствам ближе к источнику напряжения и может найти применение в высоковольтных источниках напряжения (в установках электростатической очистки промышленных газов (электростатический фильтр) и др.).
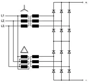
Двенадцатипульсовый статический трёхфазный выпрямитель
Представляет собой параллельное (или иногда последовательное) включение двух выпрямителей Ларионова со сдвигом фаз входных трёхфазных токов. При этом вдвое увеличивается число выпрямленных полупериодов по сравнению с обычным выпрямителем Ларионова из-за чего уменьшается относительная амплитуда пульсаций выпрямленного напряжения и вдвое увеличивается частота пульсаций выпрямленного напряжения, что также облегчает сглаживание выпрямленного напряжения.[5]
Средняя выводная ЭДС выпрямителя параллельных мостов Ларионова со сдвигом фаз питающих напряжений
где — амплитуда напряжения, между точками присоединения фаз к входам одного из выпрямителей.
Последовательное соединение выпрямителей Ларионова со сдвигом фаз 30 градусов (один выпрямитель запитан от «звезды», другой — от «треугольника») обеспечивает среднюю постоянную ЭДС
где — амплитуда напряжения, между точками присоединения фаз к входам одного из выпрямителей. Амплитуда пульсаций около 3,44 % средней выпрямленной ЭДС.
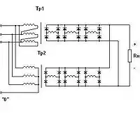
Трёхфазные выпрямители «шесть мостов» (24 диода)



Ещё менее известны трёхфазные выпрямители «шесть мостов параллельно» и «шесть мостов последовательно». Они состоят из двух трёхфазных трансформаторов. Первичные обмотки одного из них включаются звездой, другого — треугольником, что создаёт сдвиг фаз в 30°. Шесть вторичных обмоток подключаются к шести мостам (двадцать четыре диода). Мосты могут включаться разными способами, один из них — параллельное включение всех шести мостов. Из-за малых пульсаций выпрямитель по этой схеме соизмерим по массе стали и меди с выпрямителем «три параллельных моста» с дросселем фильтра, сглаживающим пульсации до такого же уровня. Эти выпрямители полномостовые. Они также как и выпрямитель «три параллельных моста» по многим параметрам превосходят и выпрямитель Миткевича и выпрямитель Ларионова. При этом требуются диоды со средним током через один диод почти вчетверо меньшим, чем в схеме Ларионова, и вдвое меньшим, чем в схеме «три параллельных полных моста». Эта схема позволяет построить выпрямитель большой мощности на элементах малой мощности.
Усредненная ЭДС на выходе выпрямителя «шесть мостов параллельно»
.
Трёхфазный выпрямитель «шесть мостов последовательно» имеет наибольшее эквивалентное внутреннее активное сопротивление и может найти применение в источниках высокого напряжения большой мощности, например, в блоках питания промышленных установок электростатической очистки газов.
Усредненная ЭДС на выходе выпрямителя «шесть мостов последовательно»
.
Это в два раза больше «трех мостов последовательно».
Применение
- Дизельэлектровозы (тепловозы)
- Дизельэлектроходы (теплоходы)
- Электротранспорт
- Тяговые подстанции постоянного тока,
- Электропривод прокатных станов, буровых вышек, троллейбусов, трамваев и др.
- Электроснабжение контактного транспорта постоянного тока (метро и др.)
- Электрооборудование автомобиля автомобилей, тракторной техники, водного транспорта, авиации
- Электролизёры получения цветных и редкоземельных металлов электролизом
- Установки опреснения и очистки воды
- Установки электростатической очистки промышленных газов
См. также
Примечания
- Трёхфазная схема с выводом нуля трансформатора (предложена в 1901 году В. Ф. Миткевичем) Архивная копия от 21 сентября 2016 на Wayback Machine (недоступная ссылка) Проверено 6 июня 2016.
- Трёхфазная мостовая схема (предложена в 1924 году А. Н. Ларионовым, применяется и без трансформатора) Архивная копия от 21 сентября 2016 на Wayback Machine (недоступная ссылка) Проверено 6 июня 2016.
- Шустов М. А. История электричества. — М., Берлин: Директ-Медиа, 2019. — 568 с. — ISBN 978-5-4475-9841-9.
- Таблица 18. Трёхфазный ртутный выпрямитель Архивная копия от 21 сентября 2016 на Wayback Machine (недоступная ссылка) Проверено 6 июня 2016.
- Преобразователь для подпитки сети тягового электроснабжения. Рис.3. (недоступная ссылка)
Литература
- Шамшин В. Г. История технических средств коммуникации. Учеб. пособие. — Дальневосточный Государственный Технический Университет, 2003.
Ссылки
- ГМТУ, Государственный Морской Технический Университет, АЭС, 4.4 Трёхфазные неуправляемые выпрямители (недоступная ссылка) Проверено 6 июня 2016.
- Красноярский государственный технический университет, Институт радиоэлектроники, кафедра РТС, Лабораторная работа № 1 Исследование трёхфазных нерегулируемых выпрямителей
- Выпрямители переменного напряжения. Многофазные выпрямители. Трёхфазный выпрямитель. Схема Ларионова.
- Выпрямители их достоинства и недостатки. Многофазные выпрямители. Трёхфазный выпрямитель. Схема Ларионова.
- 11.3. Схемы выпрямления трёхфазного тока
- Современные источники бесперебойного питания: структуры силовых цепей трёхфазных ИБП. Часть 2. Журнал «Электронные компоненты» № 8, 2008. Валерий Климов, к. т. н., технический директор, «Русэлт»
- Источники бесперебойного питания без секретов. Глава 7. Трёхфазные ИБП
- Трёхфазный управляемый выпрямитель. Описание изобретения к патенту Российской Федерации.
- Ивановский государственный энергетический университет. Выпрямители. Архангельский Николай Леонидович. 5. Трёхфазная однотактная схема выпрямления. 6. Трёхфазная мостовая схема выпрямления.
- Рис.2.33. Схемы силовых цепей трёхфазных выпрямителей
- Рис.2.5. Схемы выпрямителей: б) трёхфазная нулевая; в) трёхфазная мостовая.
- 8.2.5. Трёхфазные выпрямители. (недоступная ссылка)
- Рис.2.1.Электрическая схема сварочных выпрямителей а- трёхфазная мостовая; б- шестифазная с уравнительным дросселем; в- с транзисторным блоком
- Выпрямитель тока, рис. Выпрямители трёхфазного тока (схемы) — статья из Большой советской энциклопедии.
- Силовая электроника № 1’2006. Виенна-выпрямитель — трёхфазный корректор коэффициента мощности. Евгений Чаплыгин, Во Минь Тьинь, Нгуен Хоанг Ан
- Выпрямители. Vytas LY3BG
- Трёхфазные выпрямители
- Выпрямители — Элементная база и схемотехника устройств силовой электроники


