Триггер Шмитта
Три́ггер Шми́тта — двухпозиционный релейный (переключающий) элемент, статическая характеристика которого имеет зону неоднозначности — петлю гистерезиса.

В узком смысле триггер Шмитта — электронное устройство, в более широком смысле — любой переключающий элемент с гистерезисом, реализованный на любых физических принципах — электромеханические устройства, пневматические, чисто механические.
Фазовая траектория (статическая характеристика) триггера Шмитта представляет собой характеристику переключателя, но с прямоугольной петлёй гистерезиса. Неоднозначность статической характеристики при входном сигнале, величина которого находится между порогами переключения, позволяет утверждать, что триггер Шмитта, как и другие триггеры, обладает свойством памяти — его состояние в зоне неоднозначности (состояние хранения записанной информации) определяется предысторией — ранее действовавшим входным сигналом.
Схемотехнически электронный триггер Шмитта представляет собой объединение двух устройств: двухпорогового компаратора и явно или неявно присутствующего RS-триггера.
В реализации, называемой «прецизионный триггер Шмитта» или, иногда, называемый более длинно — «прецизионный триггер Шмитта с RS-триггером», двухпороговый компаратор и RS-триггер присутствуют явно, причём двухпороговый компаратор выполнен в виде двух однопороговых компараторов с разными порогами[1][2][3].
В иной реализации, называемой «Триггер Шмитта с обратной связью» или «Компаратор с гистерезисом», двухпороговый компаратор схемно образуется из однопорогового компаратора с переключаемым посредством положительной обратной связи порогом, причём в одном состоянии компаратора формируется уровень верхнего порога переключения, а в другом — уровень нижнего порога переключения. Эта же положительная обратная связь организует из того же одного компаратора и неявный RS-триггер.
Электронные триггеры Шмитта используются для восстановления двухуровневого цифрового сигнала, искажённого в линиях связи помехами и искажениями, в фильтрах дребезга контактов, в качестве двухпозиционного регулятора в системах автоматического регулирования, в двухпозиционных стабилизаторах-регуляторах напряжения, в релаксационных автогенераторах. Триггер Шмитта выделяется в семействе электронных триггеров: он имеет один аналоговый вход и один выход с двумя выходными уровнями.
Существуют электромеханические и механические устройства с гистерезисом, по сути являющиеся функциональными аналогами триггера Шмитта, образуемым механически перемещаемыми деталями. Например, обычное электромеханическое реле является неэлектронным функциональным аналогом триггера Шмитта. Такие триггеры применяются в регуляторах температуры холодильников различных электронагревательных приборов (утюгов, масляных обогревателей, в стабилизаторах давления компрессоров и т. п.), в автоматическом оружии.
История
Электронный триггер Шмитта, реализованный на электровакуумных триодах, изобрёл американский биофизик и инженер Отто Герберт Шмитт в 1934 году, будучи в то время студентом-практикантом. В 1937 году Шмитт описал его в своей докторской диссертации под названием «термионный триггер», написанной им по результатам изучения распространения нервных импульсов в нервной системе кальмаров[4].
Варианты реализации триггера
Прецизионный триггер Шмитта
Триггер Шмитта представляет собой RS-триггер, управляемый одним входным аналоговым сигналом, с двумя разными напряжениями переключения в два различных состояния. Прецизионным его называют потому, что пороги переключения задаются независимо и точность этих порогов зависит только от точности порогов переключения входных одновходовых компараторов. Обычно состояния выходного сигнала триггера обозначаются символами «0» и «1», причём, напряжение переключения в «1» выше напряжения переключения в «0». При входном напряжении находящемся между напряжениями переключения триггер Шмитта находится в состоянии хранения ранее записанной в него информации и его выходной сигнал определяется предысторией изменения входного сигнала.
Триггеры Шмитта с RS-триггером не имеют обратной связи с выхода на аналоговый вход. Они состоят из двухпорогового компаратора, в котором сравниваются два раздельно устанавливаемых напряжения порогов переключения с входным сигналом. Переключение триггера в состояние «0» и в состояние «1» происходит от выходных сигналов однопороговых компараторов, которые подаются на асинхронные входы установки и сброса S и R RS-триггера[1][2][3].
Триггер Шмитта с обратной связью

— однопороговый компаратор с ограниченными на уровне выходными напряжениями в двух разных состояниях;
— делитель напряжения в петле положительной обратной связи.
В вариантах триггера с обратной связью, обратная связь используется и для переключения напряжения порога сравнения в обычном компараторе, который имеет порог переключения равным нулю, превращая его одновременно в двухпороговый компаратор с разными порогами и в RS-триггер на одном и том же однопороговом компараторе. При высоком напряжении (состояние логической «1») на выходе компаратора, обратная связь снижает напряжение порога переключения по входу Input, так как суммируется входным сумматором с входным сигналом, для того, чтобы напряжение на входе компаратора, равное выходному напряжению сумматора, стало равным нулю, входное напряжение должно стать отрицательным и равным по модулю выходному напряжению компаратора, находящегося в состоянии логической «1». Соответственно, при низком напряжении на выходе компаратора (состояние логического «0») на выходе компаратора обратная связь увеличивает напряжение порога переключения.
В такой структуре затруднены раздельная и независимая установка порогов срабатывания[5]. Кроме того, при входном напряжении, значение которого лежит между порогами переключения, то есть в зоне неоднозначности, принудительная установка триггера в заданное состояние требует применения дополнительных компонентов.
Варианты исполнения триггеров Шмитта
Прецизионный триггер Шмитта

Прецизионный триггер Шмитта, иногда более длинно называемый «прецизионным триггером Шмитта с RS-триггером», состоит из двухпорогового компаратора, выполненного на двух обычных компараторах с двухуровневым выходом (двоичным выходом), который делит весь диапазон входных напряжений на три части — первый — ниже нижнего порога, второй — между порогами и третий — выше верхнего порога, и RS-триггера, переключение которого происходит при выходе входного напряжения из второго диапазона — между нижним и верхним порогами переключения[1][2][3].
Существует ряд микросхем разных изготовителей, содержащих в себе два аналоговых однопороговых компаратора и логические вентили для организации внешними перемычками между выводами в микросхеме встроенного RS-триггера, например, микросхема NE521[6].
Другая популярная микросхема, интегральный таймер 555, также выпускаемый очень многими изготовителями микросхем (отечественные аналоги микросхемы — КР1006ВИ1, КР1008ВИ1), содержит в себе все элементы прецизионного триггера Шмитта. Так, при объединении входов микросхемы «THRES» и «TRIG» будет выполнять функцию инвертирующего триггера Шмитта. Недостаток этой микросхемы в случае применения её в качестве триггера Шмитта — невозможность произвольного задания порогов переключения, которые жестко определяются внутренним резистивным делителем напряжения и составляют приблизительно треть от напряжения питания микросхемы для нижнего порога переключения и 2/3 для верхнего порога переключения.
Прецизионный триггер Шмитта удобен для построения схем двухпозиционных ключевых стабилизаторов напряжения, температуры, уровня жидкости, оборотов двигателей, реле-регуляторов и др.[7]
Электромеханическим аналогом прецизионного триггера Шмитта с ключевым исполнительным элементом является электромеханическое реле.
Другими электромеханическими или механическими аналогами прецизионного триггера Шмитта являются переключатели с тремя положениями рычага управления и с двумя выходными состояниями, в которых рычаг управления в состоянии хранения записанной в RS-триггер информации находится в среднем положении, а переключение происходит только при отклонении рычага управления от среднего положения. Например, джойстик в некоторых мобильных телефонах.
Программная реализация триггера Шмитта
В «программном прецизионном триггере Шмитта» двумя однопороговыми компараторами являются два оператора ЕСЛИ-ТО, а состояние RS-триггера хранит некоторая переменная, например, нулевой разряд (бит) целой переменной, или некоторая булевая переменная, принимающая значения «ЛОЖЬ» и «ИСТИНА».
При логических элементах с одинаковыми временами задержки любой аппаратный триггер Шмитта имеет значительно большее быстродействие (tзадержки ≈ 3dt, где dt — время задержки в одном логическом вентиле), чем программный. Кроме этого, в аппаратном триггере Шмитта процесс сравнения происходит одновременно по двум цепочкам двумя компараторами параллельно, а в программном триггере Шмитта в однопоточных процессорах две операции сравнения с двумя порогами происходят последовательно. Время исполнения кода программного триггера Шмитта несколько увеличивается, если язык программирования не поддерживает безусловный переход на метку, в этом случае с данными Вход < Нижний_порог исполняется второй оператор сравнения. Если язык программирования поддерживает безусловный переход, то в случаях при Вход < Нижний_порог обходятся проходы второго оператора ЕСЛИ, как показано в примере псевдокода.
Пример псевдокода неинвертирующего триггера Шмитта:
Вход, Верхний_порог, Нижний_порог - вещественные; //Верхний_порог > Нижний_порог Триггер - булевая; Задание значений Верхний_порог, Нижний_порог; Триггер := 0; //Обозначения булевой переменной: 0 и 1 это "ЛОЖЬ" и "ИСТИНА" соответственно ЦИКЛ //Например, тут можно вставить условие выхода из цикла ВВОД Вход; ЕСЛИ Вход < Нижний_порог ТО Триггер := 0; ВЫВОД Триггер; ПЕРЕХОД НА METKA1; КОНЕЦ ЕСЛИ; ЕСЛИ Вход > Верхний_порог ТО Триггер := 1; ВЫВОД Триггер; КОНЕЦ ЕСЛИ; МЕТКА1: КОНЕЦ ЦИКЛА;
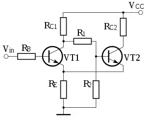
На аналоговых элементах

Пример реализации триггера Шмитта на двух транзисторах приведён на рисунке. В этой схеме каскад на транзисторе T1 является простейшим компаратором. Положительная обратная связь осуществляется с эмиттера второго транзистора на эмиттер первого транзистора, для сигнала обратной связи первый транзистор работает в режиме с общей базой.
В современной аналоговой схемотехнике триггеры Шмитта обычно выполняются на операционном усилителе в режиме компаратора, охваченного резистивной положительной обратной связью, двухуровневый выходной сигнал которого, по этой же обратной связи, с некоторым запаздыванием, определяемым сопротивлением резистора обратной связи и распределённой и паразитной входной ёмкостью компаратора, изменяет напряжение сравнения компаратора. В результате этого для входного напряжения компаратор становится двухпороговым, с двумя разными входными напряжениями переключения в два состояния. Благодаря положительной обратной связи в статической характеристике устройства формируется петля гистерезиса, то есть устройство приобретает свойства триггера.
В триггере Шмитта с обратной связью после переключения триггера существует интервал, на котором действует предыдущее значение напряжения сравнения до прихода сигнала переключения напряжения сравнения по цепи обратной связи. Если на этом интервале произойдёт внезапное изменение входного сигнала в противоположную сторону, то триггер переключится по предыдущему напряжению сравнения, то есть преждевременно.
На цифровых логических элементах

Простейшая реализация триггера Шмитта на цифровых логических элементах в качестве аналоговых инвертирующих усилителей — это два последовательно включенных логических инвертора, которые в таком включении образуют аналоговый однопороговый компаратор с порогом переключения приблизительно равным половинному напряжению питания. Образованный двумя элементами компаратор охвачен резистивной обратной связью, выходной сигнал которого через обратную связь изменяет пороговое напряжение переключения для входного сигнала.
Длительность фронта и скорость нарастания выходного сигнала этого устройства не зависит от скорости нарастания входного сигнала и является величиной постоянной, зависящей от быстродействия логических вентилей.
Использование логических вентилей в качестве аналогового компаратора ухудшает точность, стабильность и воспроизводимость порогов переключения, а резистивная обратная связь совместно с паразитными и входной ёмкостями несколько уменьшает быстродействие устройства.
Применение триггера Шмитта
Для восстановления искажённого при передаче двухуровневого сигнала

U — входной искажённый сигнал, красной пунктирной линией показан порог переключения однопорогового компаратора, зелёными пунктирными линиями пороги переключения триггера Шмитта;
A — выходной сигнал компаратора;
B — выходной сигнал триггера Шмитта.
Принцип восстановления искажённого двухуровневого сигнала показан на рисунке. Предположим, что высокий уровень сигнала кодирует логическую «1», низкий уровень — логический «0». Допустим, неискажённое напряжение логической «1» немного превышает верхний порог триггера Шмитта, но при искажении в линии от помех верхний уровень на конце линии колеблется. Пусть в линию передаётся только логическая «1», если напряжение на выходе линии снизится от воздействия помехи ниже порога переключения компаратора, то на выходе компаратора возникнут ложные значения, отвечающие логическому «0».
На выходе же триггера Шмитта ложные логические «0» при передаваемой логической «1» появятся только в том случае, если уровень сигнала на выходе канала передачи опустится ниже нижнего порога переключения триггера Шмитта. Аналогично действует защита от помех при передаче логического «0».
Должным выбором уровней сигнала и порогов переключения при априорно известном уровне помех в канале передачи удаётся существенно снизить вероятность искажения передаваемой информации.
В фильтрах дребезга электромеханических ключей

— Верхний порог переключения триггера.
— Нижний порог переключения триггера.
— Время затухания дребезга контактов кнопки.
— Напряжение на конденсаторе.
— Напряжение питания.
— Кнопка.
При замыкании контактов у электромеханических коммутирующих устройств — переключателей, кнопок, электромагнитных реле и др. возникает дребезг контактов — многократные неконтролируемые замыкания и размыкания цепи, вызванные подпрыгиванием контактов при соударениях. Во многих случаях дребезг некритичен, например, в выключателях электропитания, но во многих цифровых устройствах дребезг недопустим, так как может вызывать многократные нежелательные переключения состояний триггеров цифрового устройства.
Для исключения вредного эффекта дребезга в таких устройствах применяют различные фильтры дребезга. Один из вариантов такого фильтра с инвертирующим триггером Шмитта и фильтром нижних частот (ФНЧ) на его входе приведен на рисунке.
При ненажатой кнопке напряжение на конденсаторе примерно равно напряжению питания, поэтому напряжение на входе триггера превышает его верхний порог, и, так как триггер инвертирующий, на его выходе будет низкое напряжение, близкое к напряжению «земли», или состояние логического «0».
При нажатии на кнопку конденсатор очень быстро разрядится до нулевого напряжения, на входе триггера напряжение станет ниже нижнего порога переключения и на выходе триггера установится напряжения близкое к напряжению питания — состояние логической «1».
Постоянная времени -цепи выбрана заведомо больше времени успокоения дребезга , поэтому конденсатор во время дребезга, когда цепь кнопки кратковременно размыкается, не успевает зарядиться до нижнего порога переключения триггера и на выходе триггера удерживается стабильное состояние логической «1».
После отпускания кнопки конденсатор через резистор постепенно заряжается, и при достижении напряжения на нём выше верхнего порога переключения триггера выход триггера переходит в состояние логического «0».
В ключевых стабилизаторах напряжения на триггере Шмитта
В ключевых стабилизаторах напряжения с управлением ключом от триггера Шмитта используется гистерезисные свойства триггера Шмитта — при превышении выходным напряжением стабилизатора выше верхнего порога переключения триггера, триггер размыкает электронный ключ, что вызывают постепенное, за счёт конденсатора выходного фильтра снижение выходного напряжения, после достижения выходным напряжением нижнего порога переключения триггер переключается и снова замыкает ключ. Далее процесс повторяется. При этом периодическом процессе выходное напряжение колеблется между порогами переключения триггера Шмитта[9].
Электромагнитное реле, используемое как триггер Шмитта в разных регуляторах
Электромеханические реле являются триггером Шмитта с ключевым исполнительным элементом.
Обычное электромагнитное реле обладает петлёй гистерезиса в координатах ток обмотки реле — его состояние так как ток срабатывания реле всегда превышает ток удержания, поэтому в диапазоне токов обмотки между током срабатывания и тока удержания имеется неоднозначность состояния реле, в этом диапазоне состояние реле зависит от предыстории.
Электромагнит реле вместе с подвижным якорем являются по сути двухпороговым компаратором, который делит весь диапазон токов обмотки реле на три поддиапазона: ток ниже тока отпускания, ток выше тока удержания, но ниже тока срабатывания — аналог состояние хранения двоичного RS-триггера, и ток выше тока срабатывания.
Контактные группы реле являются ключом, имеющим два устойчивых состояния: «контакты разомкнуты» и «контакты замкнуты».
Фактически реле содержит в себе все функциональные элементы ключевого стабилизатора (регулятора) напряжения на триггере Шмитта: RS-триггер и ключевой переключатель, поэтому оно часто применяется в различных устройствах, называемых реле-регуляторами, причем такие регуляторы пригодны для двухпозиционного регулирования величин различной физической природы, например, температуры, давления и др.
В автомобильных ключевых стабилизаторах напряжения генератора
В автомобильных генераторах постоянного тока, в ключевых стабилизаторах напряжения с триггером Шмитта, реле является и прецизионным триггером Шмитта и ключевым управляющим элементом, шунтирующим дополнительное последовательное сопротивление в обмотке возбуждения генератора, а генератор является объектом управления.
В автомобильных генераторах переменного тока, в ключевых стабилизаторах напряжения на триггере Шмитта.
В терморегуляторах холодильников
В механическом регуляторе-стабилизаторе температуры давление газа внутри термодатчика сильфонного типа поступает на пневмомеханический двухпороговый компаратор с перенастраиваемым порогом срабатывания.
Пневмомеханический двухпороговый компаратор делит весь диапазон входных давлений газа внутри термодатчика сильфонного типа на три поддиапазона: давление включения, давление удержания включенного состояния и давление отключения. Давление удержания является состоянием хранения записанной в механический RS-триггер информации.
Пневмомеханический двухпороговый компаратор переключает и механический RS-триггер и порог срабатывания пневмомеханического двухпорогового компаратора. Механический RS-триггер управляет электрическим выключателем, контакты которого включают и выключают электродвигатель компрессора, либо нагревательный элемент в холодильниках абсорбционного типа.
Таким образом, механический терморегулятор холодильника является электромеханическим стабилизатором температуры с механическим триггером Шмитта с переключаемым порогом срабатывания и с контактной группой работающей как ключ и работает подобно ключевому стабилизатору напряжения на триггере Шмитта.
Другие применения в качестве терморегуляторов
Также электромеханические аналоги триггера Шмитта используются в терморегуляторах электрических утюгов, духовых кухонных шкафов, электроплит и электропечей, в биметаллических реле регуляторов температуры, например, бытовых отопительных котлов, в терморегуляторах бойлеров и электрических чайников с функцией бойлера.
См. также
Литература
- Калабеков Б. А. Цифровые устройства и микропроцессорные системы — М.: Телеком, 2000 г.
- Потёмкин И. С. Функциональные узлы цифровой автоматики — М.: Энергоатомиздат, 1988 г., c. 166—206.
- Мартынов Д. В. Методические указания к лабораторной работе 1 —РГУ НиГ, 2000 г., с. 1—15
Ссылки
- Титце У. Шенк К. Полупроводниковая схемотехника. Мир, 1982. Стр. 292, рис. 17.36.
- CircuitLab. Schmitt-Trigger with configurable hysteresis
- Electronic Developer. Schmitt-Trigger mit präziser Hysterese
- Otto H. Schmitt A Thermionic Trigger. Journal of Scientific Instruments 15 (January 1938): 24-26.
- Electronic Developer. Schmitt-Trigger mit OpAmp / Komparator
- NE521 High−Speed Dual−Differential Comparator/Sense Amp
- Ключевой стабилизатор напряжения на прецизионном триггере Шмитта с RS-триггером
- Степаненко И. П. Основы теории транзисторов и транзисторных схем, изд. 3-е, перераб. и доп. М., «Энергия», 1973. 608 с. с илл. Стр. 481.
- Китаев В. Е., Бокуняев А. А., Колканов М. Ф. Электропитание устройств связи. — М.: Связь, 1975. — С. 196—207. — 328 с. — 24 000 экз.