Стабилизатор напряжения
Стабилиза́тор напряже́ния (англ. Voltage regulator) — электромеханическое[1] или электрическое (электронное) устройство, имеющее вход и выход по напряжению, предназначенное для поддержания выходного напряжения в узких пределах, при существенном изменении входного напряжения и выходного тока нагрузки.
Источник стабилизированного питания (англ. Power conditioner) — оборудование, применяемое для преобразования электрической энергии в форму, пригодную для последующего использования.[2]

По типу выходного напряжения стабилизаторы делятся на стабилизаторы постоянного напряжения и переменного напряжения. Как правило, вид напряжения на входе стабилизатора и на его выходе совпадают (постоянное либо переменное), но в некоторых типах стабилизаторов их виды разные.
Стабилизаторы постоянного напряжения

Линейный стабилизатор
Линейный стабилизатор напряжения представляет собой делитель напряжения, на вход которого подаётся входное (нестабильное) напряжение, а выходное (стабилизированное) напряжение снимается с нижнего плеча делителя. Стабилизация осуществляется путём изменения сопротивления одного из плеч делителя: сопротивление постоянно поддерживается таким, чтобы напряжение на выходе стабилизатора находилось в установленных пределах.
При большом отношении величин входного/выходного напряжений линейный стабилизатор имеет низкий КПД, так как большая часть входной мощности рассеивается в виде тепла на регулирующем элементе, мощность потерь в последовательном стабилизаторе :
- где — входное напряжение стабилизатора,
- — выходное напряжение стабилизатора,
- — выходной ток стабилизатора.
Поэтому регулирующий элемент в стабилизаторах такого типа и повышенной мощности должен рассеивать значительную мощность, то есть должен быть установлен на радиатор нужной площади.
Преимущество линейного стабилизатора — простота, отсутствие помех и небольшое количество используемых электронных компонентов.
В зависимости от включения элемента с изменяемым сопротивлением линейные стабилизаторы классифицируются на два типа:
- Последовательный: регулирующий элемент включен последовательно с нагрузкой.
- Параллельный: регулирующий элемент включен параллельно нагрузке.
В зависимости от способа стабилизации:
- Параметрический: в таком стабилизаторе используется участок ВАХ прибора, где дифференциальное сопротивление прибора мало в широком диапазоне изменения токов, протекающих через прибор.
- Компенсационный: имеет обратную связь. В нём напряжение на выходе стабилизатора сравнивается с эталонным, из разницы между ними формируется управляющий сигнал для регулирующего элемента.
Параллельный параметрический стабилизатор на полупроводниковом стабилитроне
В этой схеме может быть применён как полупроводниковый стабилитрон, так и газоразрядный стабилитрон тлеющего разряда.

Такие стабилизаторы применяются для стабилизации напряжения схем с малым потребляемым током, так как для стабилизации напряжения ток через стабилитрон должен в несколько раз (3 — 10) превышать ток потребления от стабилизатора в присоединённой нагрузке . Обычно такая схема линейного стабилизатора применяется в качестве источника опорного напряжения в более сложных схемах регулирующих стабилизаторов.
Для снижения нестабильности выходного напряжения, вызванной изменениями входного напряжения, вместо резистора включают двухполюсник с высоким дифференциальным сопротивлением на участке ВАХ в диапазоне рабочих токов, работающий как источника тока. Однако эта мера не уменьшает нестабильность выходного напряжения, вызванную изменением сопротивления нагрузки.
Последовательный стабилизатор на биполярном транзисторе

В этой схеме напряжение на базе регулирующего транзистора равно напряжению на стабилитроне и выходное напряжение будет: — напряжение между базой и эмиттером транзистора. Так как мало зависит от тока эмиттера, — выходного тока стабилизатора, и невелико (0,4 В для германиевых транзисторов и 0,6—0,65 В для кремниевых транзисторов) приведённая схема осуществляет стабилизацию напряжения.
Фактически схема представляет собой рассмотренный выше параллельный параметрический стабилизатор на стабилитроне, подключённый ко входу эмиттерного повторителя. В нём нет контура авторегулирования, обеспечивающего практически полную компенсацию изменений выходного напряжения и изменений выходного тока.
Выходное напряжение меньше напряжения стабилизации стабилитрона на величину , которая мало зависит от величины тока, протекающего через транзистор. Некоторая зависимость от величины тока и температуры ухудшает стабильность выходного напряжения, по сравнению с параллельным параметрическим стабилизатором на стабилитроне.
Эмиттерный повторитель здесь является усилителем тока и позволяет увеличить максимальный выходной ток стабилизатора, по сравнению с параллельным параметрическим стабилизатором на стабилитроне, в раз, — статический коэффициент передачи тока транзистора в режиме с общим коллектором. Так как в несколько десятков раз больше 1, малый ток, отбираемый от параметрического стабилизатора усиливается в раз. Если такого усиления тока недостаточно для обеспечения заданного выходного тока, то применяют составной транзистор, например, пару Дарлингтона.
При очень малом токе нагрузки, порядка единиц — десятков мкА, выходное напряжение такого стабилизатора (напряжение холостого хода) возрастает на примерно 0,6 В, так как при таких токах становится близким к нулю. В некоторых применениях это нежелательно, тогда к выходу стабилизатора подключают дополнительный нагрузочный резистор, обеспечивающий в любом случае минимальный ток нагрузки стабилизатора в несколько миллиампер.
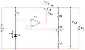
Последовательный компенсационный стабилизатор с контуром авторегулирования

В таких стабилизаторах выходное напряжение сравнивается с опорным напряжением, разность этих напряжений усиливается усилителем сигнала рассогласования, выход усилителя сигнала рассогласования управляет регулирующим элементом.
В качестве примера приведена схема на рисунке. Часть выходного напряжения , снимаемая с резистивного делителя напряжения, состоящего из потенциометра и постоянных резисторов сравнивается с опорным напряжением от параметрического стабилизатора — стабилитрона . Разность этих напряжений усиливается дифференциальным усилителем на операционном усилителе (ОУ) , выход которого изменяет базовый ток транзистора, включенного по схеме эмиттерного повторителя[3].
В этой схеме имеется контур авторегулирования, — петля отрицательной обратной связи. Если выходное напряжение меньше заданного, то через обратную связь регулирующий транзистор открывается больше, если выходное напряжения больше заданного, — то наоборот.
Для устойчивости контура авторегулирования петлевой сдвиг фазы должен быть близок к 180°. Так как часть выходного напряжения подаётся на инвертирующий вход операционного усилителя , сдвигающего фазу на 180°, а регулирующий транзистор включен по схеме эмиттерного повторителя, который при низких частотах фазу не сдвигает, это обеспечивает устойчивость контура авторегулирования, так как петлевой сдвиг фазы близок к 180°.
Опорное напряжение зависит от величины тока, протекающего через стабилитрон. Основной источник нестабильности опорного напряжения — изменения входного напряжения, так как при таких изменениях изменяется ток стабилитрона. Для стабилизации тока при изменениях вместо резистора иногда включают источник тока.
В этом стабилизаторе ОУ включён по схеме неинвертирующего усилителя (с эмиттерным повторителем, для увеличения выходного тока). Соотношение сопротивлений резисторов в цепи обратной связи задают его коэффициент усиления, определяющий во сколько раз выходное напряжение будет выше входного (то есть опорного, поданного на неинвертирующий вход ОУ). Поскольку коэффициент усиления неинвертирующего усилителя всегда больше единицы, величина опорного напряжения (напряжение стабилизации стабилитрона) должна быть выбрана меньше, чем , либо опорное напряжение снимают с резистивного делителя, подключённого к стабилитрону.
Нестабильность выходного напряжения такого стабилизатора практически полностью определяется нестабильностью опорного напряжения, так как за счёт большого коэффициента усиления современных ОУ, достигающих 105…106, остальные источники нестабильности выходного напряжения оказываются скомпенсированными.
Параметры такого стабилизатора оказались подходящими для многих практических нужд. Поэтому уже почти полвека выпускаются, и на сегодня имеют широчайшее применение, такие стабилизаторы в интегральном исполнении: КР142ЕН5А, 7805 и мн. др.
Импульсный стабилизатор
В импульсном стабилизаторе напряжение от нестабилизированного внешнего источника подаётся на накопитель энергии (обычно конденсатор или дроссель) короткими импульсами формируемыми посредством электронного ключа. Во время замкнутого состояния ключа в накопителе запасается энергия, которая затем передается в нагрузку. Применение в качестве накопительного элемента дросселя позволяет изменять выходное напряжение стабилизатора относительно входного без использования трансформаторов: увеличивать, снижать или инвертировать. Стабилизация осуществляется должным управлением длительностью импульсов и пауз между ними с помощью широтно-импульсной модуляции, частотно-импульсной модуляции или их комбинации.
Импульсный стабилизатор по сравнению с линейным обладает значительно более высоким КПД, так как регулирующий элемент работает в ключевом режиме. Недостатки импульсного стабилизатора - импульсные помехи в выходном напряжении и относительная сложность.
В отличие от линейного стабилизатора, импульсный стабилизатор может преобразовывать входное напряжение произвольным образом, зависящим от схемы стабилизатора и режима управления его ключами:
- Понижающий стабилизатор: выходное стабилизированное напряжение всегда ниже входного и имеет ту же полярность.
- Повышающий стабилизатор: выходное стабилизированное напряжение всегда выше входного и имеет ту же полярность.
- Повышающе-понижающий стабилизатор: выходное напряжение в зависимости от режима управления ключами может быть как выше, так и ниже входного и имеет ту же полярность. Такой стабилизатор применяется в случаях, когда входное напряжение может отличаться от выходного напряжения в любую сторону.
- Инвертирующий стабилизатор: выходное стабилизированное напряжение имеет обратную полярность относительно входного, абсолютное значение входного напряжения может быть любым.
- Универсальный - выполняющий все функции из перечисленных.
Стабилизаторы переменного напряжения
Подразделяются на два основных вида
1) Однофазные стабилизаторы напряжения на 220-230 вольт, предназначение - бытовые, офисные и промышленные нагрузки небольших мощностей.
2) Трехфазные стабилизаторы напряжения на 380-400 вольт, предназначение - промышленные нагрузки средних и больших мощностей.
Феррорезонансные стабилизаторы

Во времена СССР получили широкое распространение бытовые феррорезонансные стабилизаторы напряжения. Обычно их использовали для питания телевизоров. В телевизорах первых поколений применялись сетевые блоки питания с линейными стабилизаторами напряжения (а некоторые цепи телевизора, например, цепи анодного напряжения и накала электровакуумных приборов питались нестабилизированным напряжением), что при суточных колебаниях и резких скачках сетевого напряжения, особенно в сельской местности, приводило к ухудшению качества изображения и требовало предварительной стабилизации переменного сетевого напряжения.
С появлением телевизоров более поздних поколений, например, 4УПИЦТ и УСЦТ, имевших импульсные блоки питания, исчезла необходимость во внешней дополнительной стабилизации напряжения сети.
Феррорезонансный стабилизатор состоит из двух дросселей: с ненасыщаемым сердечником (имеющим магнитный зазор) и насыщенным, а также конденсатора. Особенность насыщенного дросселя в том, что напряжение на нём мало изменяется при изменении тока через него, так как его ферромагнитный сердечник периодически насыщается. Подбором параметров дросселей и конденсаторов можно обеспечить стабилизацию напряжения при изменении входного напряжения в достаточно широких пределах. Недостатком таких стабилизаторов является чувствительность к частоте напряжения в питающей сети. Незначительное отклонение частоты питающей сети существенно влияет на выходное напряжение феррорезонансного стабилизатора.
Современные стабилизаторы
В настоящее время основными типами стабилизаторов являются:
- электродинамические
- с электромеханическим сервоприводом регулирующего элемента, например, автотрансформатора
- феррорезонансные
- электронные разных типов
- ступенчатые (силовые электронные ключи, симисторные, тиристорные)
- ступенчатые релейные (силовые релейные ключи)
- компенсационные (электронные плавные)
- комбинированные (гибридные)
Промышленностью производятся разнообразные модели с входным напряжением однофазной сети, (220/230 В), так и трёхфазной (380/400 В) исполнении, с выходной мощностью их от нескольких единиц ватт до нескольких мегаватт. Трёхфазные модели выпускаются двух модификаций: с независимой регулировкой по каждой фазе или с регулировкой по среднефазному напряжению на входе стабилизатора.
Выпускаемые модели также различаются по допустимому диапазону изменения входного напряжения, который может быть, например, таким: ±15 %, ±20 %, ±25 %, ±30 %, ±50 %,−25 %/+15 %, −35 %/+15 % или −45 %/+15 %. Чем шире диапазон (особенно в сторону снижения входного напряжения), тем больше габариты стабилизатора и выше его стоимость при той же выходной мощности. В настоящее время существуют модели стабилизаторов напряжения с нижним допустимым входным напряжением 90 вольт.
Важной характеристикой стабилизатора напряжения является его быстродействие, - скорость отклика на возмущение. Чем выше быстродействие, тем быстрее стабилизатор отреагирует на изменения входного напряжения. Быстродействие определяется как промежуток времени, за которое стабилизатор способен изменить выходное напряжение на один вольт. У разного типа стабилизаторов разная скорость быстродействия. -->
Важным параметром является точность стабилизации выходного напряжения стабилизатора переменного сетевого напряжения. Согласно ГОСТ 13109-97 предельно допустимо отклонение выходного напряжения на ±10 % от номинального. Точность стабилизации современных стабилизаторов напряжения колеблется в диапазоне от 0,5 % до 8 %.
Точности в 8 % вполне хватает для обеспечения исправной работы подавляющего большинства современной бытовых и промышленных электротехнических устройств со встроенными инверторными и импульсными блоками питания. Более жесткие требования (точность стабилизации лучше 1 %) предъявляются для питания сложного оборудования (медицинское, высокотехнологичное и подобное). Важным потребительским параметром является способность стабилизатора отдавать номинальную мощность во всем диапазоне входного напряжения, но не все стабилизаторы обладают таким свойством.
КПД сервоприводных стабилизаторов большой мощности более 98 %, а электронных большой мощности - 96 %.
См. также
- Микросхемы серии 78xx — серия распространённых линейных стабилизаторов
- Регулятор мощности
- Инверторы напряжения
Примечания
- Например, реле-регулятор вибрационного типа для стабилизации напряжения автомобильного генератора.
- ГОСТ Р 55993-2014/IEC/TS 1836:2007 Системы фотоэлектрические. Термины, определения и символы п.3.2.22
- Circuits. Op-Amps. Voltage Regulator
Литература
- Вересов Г. П. Электропитание бытовой радиоэлектронной аппаратуры. — М.: Радио и связь, 1983. — 128 с.
- Китаев В. В. и др. Электропитание устройств связи. — М.: Связь, 1975. — 328 с. — 24 000 экз.
- Костиков В. Г., Парфенов Е. М., Шахнов В. А. Источники электропитания электронных средств. Схемотехника и конструирование: Учебник для ВУЗов. — 2. — М.: Горячая линия — Телеком, 2001. — 344 с. — 3000 экз. — ISBN 5-93517-052-3.
- Штильман В. И. Микроэлектронные стабилизаторы напряжения. — Киев: Техніка, 1976.
- Лепаев Д. А. Электрические приборы бытового назначения. — М.: Легпромбытиздат, 1991. — 272 с. — 20 000 экз.
Ссылки
- Стабилизатор электрический — статья из Большой советской энциклопедии.
- ГОСТ Р 52907-2008 «Источники электропитания радиоэлектронной аппаратуры. Термины и определения»