Дифференциальный усилитель
Дифференциа́льный усили́тель — электронный усилитель с двумя входами, выходной сигнал которого равен разности входных напряжений, умноженной на константу. Применяется в случаях, когда необходимо выделить небольшую разность напряжений на фоне значительной синфазной составляющей.

Выходной сигнал дифференциального усилителя может быть как однофазным, так и дифференциальным. Это определяется схемотехникой выходного каскада.
Транзисторы дифференциального усилителя могут быть биполярными, полевыми или баллистическими. Наиболее высокочастотными (ТГц диапазон) являются дифференциальные усилители на интегральной паре баллистических транзисторов[1][2].
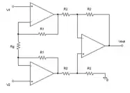
Инструментальный дифференциальный усилитель

Для предварительного усиления слабого дифференциального сигнала в высокоточных системах от усилителя требуются высокие параметры точности коэффициента усиления, и во многих случаях также большое входное сопротивление. Точность коэффициента усиления обычно обеспечивают применением глубокой отрицательной обратной связи, охватывая ею операционный усилитель. Однако дифференциальный усилитель на базе одного операционного усилителя не обеспечивает высокого входного сопротивления порядка нескольких мегаом, поэтому зачастую применяют сборку, аналогичную изображённой на схеме. Здесь входное дифференциальное напряжение (V2-V1) подаётся на неинвертирующий вход операционного усилителя, который не используется для создания обратной связи, а собственное входное сопротивление прецизионных операционных усилителей составляет значения порядка нескольких сотен мегаом. Инструментальные дифференциальные усилители применяются для точного съёма напряжений с плеч электронного моста и других датчиков с малым выходным импедансом. Промышленностью выпускаются микросхемы, подобные приведённой схеме, с дополнительными возможностями по настройке коэффициента усиления, фильтрации шумов и частотной коррекции.
Применение

Дифференциальный усилитель необходим в случаях, когда информацию несёт не абсолютное значение напряжения в некоторой точке (относительно уровня заземления), а разность напряжений между двумя точками. Характерным примером является резистивный датчик тока, включенный последовательно с исследуемой цепью.
Следует использовать дифференциальные усилители всегда, когда возможно наличие синфазных помех в сигнале. Например, при измерении электрических потенциалов, снимаемых с определённых точек живого организма: при снятии электрокардиограммы, электроэнцефалографии и подобных методах исследования. Обычно необходимо также использовать специальные линии передачи сигналов, например, экранированную двухпроводную линию для передачи сигнала с микрофона (применяется, например, в линиях с разъёмом XLR).
- С 1960-х годов дифференциальный усилитель применяется в цифровых микросхемах с эмиттерно-связанной логикой (ЭСЛ).
- Дифференциальный усилитель применяется в эмиттерно-связанных триггерах Шмитта.
- Аналоговые умножители, Ячейка Гилберта.
См. также
Примечания
- CMOS Emerging Technology Workshop 2007. Ballistic Transistor Technology — Next Paradigm in IC Design. Martin Margala1, and Quentin Diduck2. 1 University of Massachusetts Lowell. 2 Cornell University http://www.cmoset.com/uploads/12.4.pdf (недоступная+ссылка)
- Radical 'ballistic computing' chip bounces electrons like billiards. University of Rochester. Дата обращения: 1 января 2012. Архивировано 17 августа 2012 года.
Ссылки
- 3.2. Дифференциальный усилитель http://riostat.ru/elektron_sistem/2-7-2.php
- 3.14.1. Дифференциальные усилители https://web.archive.org/web/20120508065006/http://kurs.ido.tpu.ru/courses/osn_elec/chapter_3/glv_3_page_14.html
- Работа 4.1 Дифференциальные усилители на биполярных транзисторах http://ikit.edu.sfu-kras.ru/drupal/content/rab41 (недоступная+ссылка)
- 4. ДИФФЕРЕНЦИАЛЬНЫЕ УСИЛИТЕЛИ https://web.archive.org/web/20130328183903/http://fos.ru/radio/8880.html
.svg.png.webp)
