SECU-3
SECU-3 — блок управления двигателем внутреннего сгорания. Проект открытый (доступны чертежи, схемы, прошивки и т. п.), в котором может принять участие любой желающий. Лицензия использования аппаратного обеспечения TAPR Open Hardware License, программного обеспечения — GNU GPL.
| SECU-3 | |
|---|---|
![]() Логотипы проекта SECU-3 | |
| Тип | Инжекторная система подачи топлива |
| Написана на |
C (основное ПО ЭСУД), C++ (ПО для настройки под Windows и Linux), Java (ПО для настройки под Android) |
| Операционная система | Windows, macOS, Linux (для ПО настройки) |
| Аппаратная платформа | ATmega |
| Последняя версия | (31 декабря 2018[1]) |
| Лицензия | Лицензия GPL |
| Сайт | secu-3.org |

История
Система создавалась киевлянином Алексеем Шабельниковым с 2006 года практически в одиночку. Изначально это был сугубо утилитарный проект, направленный на улучшение характеристик автомобиля Москвич-2140, принадлежавшего автору. Примерно с 2012 года у автора появились последователи и проект стал развиваться как открытый. Однако все равно большинство работ выполняется автором самостоятельно. Проект финансируется в основном за счет продажи автором готовых блоков системы и, частично, на спонсорские взносы последователей.
За все годы существования проекта микропроцессорным ядром системы были о остаются микроконтроллеры семейства ATmega. Поскольку проект стартовал задолго до появления популярной платформы Arduino, то он не совместим с ней ни аппаратно (по используемым выводам и тактовым частотам) ни программно (по загрузчику и используемым модулям языка C), в отличие от другого аппаратного обеспечения на тех же микроконтроллерах (например, аппаратное и программное обеспечение проекта RepRap). Автор со своей стороны считает нецелесообразным портировать проект на Arduino. Программное обеспечение проекта достаточно сильно привязано к периферийным устройствам (особенно — таймерам) и системе команд микроконтроллеров ATmega и его портирование на другие, более производительные платформы, например STM затруднено.
По состоянию на 2020 год проект развивается и представляет собой систему, пригодную для установки на автомобили, а также мототехнику, «из коробки», то есть лицами, не имеющими достаточных знаний области программирования микроконтроллеров.
Система SECU-3 традиционно используется любителями старых автомобилей, для улучшения характеристик карбюраторных двигателей или их апгрейда до впрыска (известно несколько реализаций на SECU-3 впрыска на «Запорожцы»), а также любителями мотоциклов «Урал» и «Днепр». Пригодна для апгрейда двигателей малокубатурной мототехники. Известно применение SECU-3 на двигателе авиамодели. В то же время для установки на новые транспортные средства с завода SECU-3 непригодна, так как не имеет средств контроля токсичности выхлопа.
Описание


Устройство управляет зажиганием, впрыском топлива и различным навесным оборудованием ДВС. В частности, способен управлять воздушной заслонкой карбюратора при помощи шагового двигателя, с поддержкой прогревочных оборотов ДВС. Управляет составом смеси на карбюраторе (по типу систем AXTEC AFR), ЭПХХ, ЭМР, бензонасосом, шаговым дозатором газа с обратной связью по датчику кислорода и другими исполнительными устройствами. Оригинальные возможности по переназначеню функций входов/выходов блока. Плавное управление оборотами вентилятора охлаждения двигателя. Возможность изменения основных настроек и таблиц в реальном времени (на ходу) и переключения между 2 или 4 наборами таблиц. И другие возможности и функции (см. ниже).
На данный момент есть 5 модификаций блока:
- SECU-3. Первая версия блока, разработанная ещё в 2007 году. В последних релизах программного обеспечения поддержка данного блока уже прекращена. С историей можно более подробно ознакомиться тут.
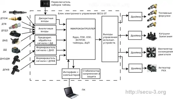
- SECU-3T. Может управлять как зажиганием, так и впрыском топлива. Не содержит встроенных силовых драйверов для управления катушками зажигания, топливными форсунками и актуатором регулятора холостого хода (РХХ). Необходимо использовать внешние драйверы.
- SECU-3L. Предназначен для управления зажиганием и его можно рассматривать как облегченную версию блока SECU-3T. Содержит встроенные драйверы катушек зажигания и датчик абсолютного давления (ДАД). Программно совместим с блоком SECU-3T.
- SECU-3 Micro. Простой и бюджетный блок управления зажиганием, выполненный в небольшом пластиковом корпусе. Имеет всего несколько входов/выходов и не содержит встроенных силовых драйверов катушек зажигания. Это самая простая версия блока SECU-3.
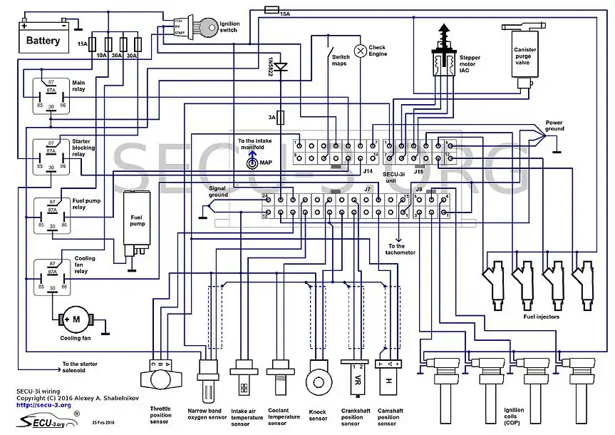
- SECU-3i. Полнофункциональный блок электронной системы управления ДВС, выполненный в металлическом корпусе со всеми встроенными силовыми драйверами/ключами, расширенным числом входов и выходов и встроенным Bluetooth. Это последняя разработка автора. Данный блок состоит из двух плат.
Устройство выполнено на 8-битном AVR микроконтроллере ATMega644, с 64кБ постоянного запоминающего устройства (ПЗУ), 4кБ оперативного запоминающего устройства (ОЗУ) и работающего на тактовой частоте 20 МГц. Включает в себя аналоговые и дискретные входы, микросхему для предварительной обработки сигнала с датчика детонации (ДД) (кроме блока SECU-3L и SECU-3 Micro), формирователь сигнала с датчика начала отсчета (ДНО) (кроме блока SECU3 Micro), формирователь сигнала с датчика положения коленчатого вала (ДПКВ), интерфейс с компьютером и выходы управления исполнительными устройствами.
Структурная схема системы с блоком SECU-3T:

На следующем рисунке показана структурная схема системы с блоком SECU-3L (Lite):


Структурная схема системы с блоком SECU-3 Micro:
Структурная схема системы с блоком SECU-3i (пример, не отражает все возможности системы):





Пример схемы включения блока SECU-3T для управления одновременным или попарно-параллельным впрыском на 4-цилиндровом ДВС показан на рисунке ниже. Используются высокоомные форсунки и актуатор РХХ шагового типа. Справа в таблице (на рисунке) показаны выводы внешнего разъема, которые нужно переназначить на указанные функции в программе SECU-3 Manager.

Схема включения блока ЭСУД SECU-3i несколько более сложная (это только пример и он не отражает всех возможностей данного блока). На схеме показано подключение датчиков, форсунок, катушек зажигания, шагового РХХ, клапана продувки адсорбера, бензонасоса и т. д.

Условные обозначения и сокращения:
- ДХ — датчик Холла
- ДПКВ — датчик положения коленчатого вала
- ДНО+ДУИ — система синхронизации, основанная на двух ДПКВ: датчика начала отсчета (ДНО) и датчика угловых импульсов (ДУИ)
- Концевик — концевой выключатель дроссельной заслонки карбюратора (позволяет системе определять открыта или закрыта заслонка)
- ДПДЗ — датчик положения дроссельной заслонки
- ДТОЖ — датчик температуры охлаждающей жидкости
- ДТВ — датчик температуры воздуха
- ДК — датчик кислорода
- ДС — датчик скорости
- ДФ — датчик фаз
- ДД — датчик детонации
- ДАД — датчик абсолютного давления
- РХХ — регулятор холостого хода
- ЭПХХ — экономайзер принудительного холостого хода
- ЭМР — экономайзер мощностных режимов
- ПК — персональный компьютер
История
Первая версия SECU-3, успешно управляющая зажиганием автомобиля автора А. Шабельникова была запущена в октябре 2007 года. С того времени проект получил множество новых функций и способов синхронизации. Система эволюционировала из контроллера управления зажиганием (МПСЗ) в систему управления двигателем (ЭСУД). Всё время активно поддерживается автором.
Текущий статус
Доработка алгоритмов впрыска топлива, добавление поддержки распределенного фазированного впрыска, доработка ПО для блока ЭСУД SECU-3i и его испытания.
Проект с 2016 года стал условно-открытым. Чертежи, схемы, прошивки все так же можно скачать, но последние исходные коды прошивки SECU на GitHub датируются 25 ноября 2016 года[2] хотя развитие ПО продолжается по сей день.
Возможности текущей прошивки связанные с впрыском:
- Одновременный впрыск (все форсунки включаются одновременно), моновпрыск (одна форсунка располагающаяся на месте карбюратора), попеременый впрыск (две форсунки или два банка форсунок включаются поочередно) и попарно-параллельный впрыск (форсунки работают парами)
- Расчет циклового наполения по методу speed-density (используется ДАД и ДТВ)
- Open-loop РХХ (в ближайшем будущем будет реализован closed-loop c ПИ-регулятором)
- Алгоритм коррекции смеси по ДК с возможностью изменения порога стехиометрии (В), шага интегрирования и т. д.
- Таблицы: VE, AFR, время вкл.форсунки, обогащение на прогреве, положение РХХ на пуске, положение РХХ от t при работе, длительн. впрыска на пуске, фаза впрыска
- Обогащение после пуска
- Обогащение при ускорении (по ДПДЗ)
- Впрыск перед пуском (Priming pulse).
Лицензия
GPL, TAPR OHL с одним дополнением: использование разработок в коммерческих целях без письменного согласия автора запрещено.
Возможности
- Поддержка двигателей с числом цилиндров 1,2,3,4,5,6,8
- Синхронизация от ДПКВ, ДНО+ДУИ. Поддержка шкивов 60-2, 36-1 и с другим кол-вом зубьев (от 16 до 200 зубьев)
- Синхронизация от датчика Холла (ДХ), можно оставить трамблер
- Регулирование УОЗ по оборотам (от ДПКВ, ДНО+ДУИ или ДХ)
- Регулирование УОЗ по нагрузке (от ДАД)
- Корректировка УОЗ по температуре (различные типы ДТОЖ)
- Корректировка УОЗ по детонации (от ДД)
- Измерение напряжения бортовой сети
- Реализация функции ЭПХХ
- Реализация функции ЭМР (power valve)
- Многоканальный выход (от 1 до 6 коммутаторов). Есть возможность использовать до 8 каналов
- Поддержка двухканальных коммутаторов (управление через 1 вход используя 2 фронта)
- Интерфейс RS-232 для перепрошивки, управления и настройки (c гальванической развязкой) или USB (без гальв. развязки)
- Возможность управления электр. вентилятором охлаждения двигателя (в частн. используя ШИМ)
- Блокировка стартера по достижении установленных оборотов
- Поддержка газовой аппаратуры (автоматическое перекл. газ/бензин)
- Выход для подключения лампы «Check Engine» c поддержкой блинк кодов
- Возможность аварийного запуска загрузчика (boot loader)
- Возможность аварийного восстановления настроек
- Регулирование оборотов ХХ при помощи УОЗ
- Управление накоплением энергии катушек зажигания
- Поддержка датчика фаз (зажигание на индивидуальных катушках — фазированное)
- Управление впрыском топлива (моно, одновременный впрыск)
- Изменение фазы впрыска по таблице
- Расчет наполнения по методу Speed-Density
- Управление составом смеси на карбюраторе(Solex) с обратной связью по ДК
- Управление щитком приборов по CAN шине от автомобилей семейства LADA[3][4]
Дополнительные возможности:
- Управление электробензонасосом
- Настраиваемый выход импульсов для ДХ или тахометра
- Встроенная функция стробоскопа (можно использовать любой свободный выход)
- Возможность переназначения выходов
- Определение положения дроссельной заслонки по ДПДЗ
- Обработка и запись в лог-файл сигнала с 2-х дополнительных входов (к одному из входов можно подключить, например лямбда-зонд)
- Управление питанием (возможность работы некоторых функций блока после выключения зажигания, например работа вентилятора и регулировка положения воздушной заслонки в зависимости от температуры двигателя)
- Управление воздушной заслонкой карбюратора (используя шаговый двигатель)
- Управление шаговым дозатором газа (аттуатором)
- Поддержка датчика скорости (Отображение и запись в лог скорости автомобиля и пройденного расстояния)
- Управление электроподогревом впускного коллектора
- Корректировка УОЗ по датчику температуры воздуха (ДТВ подключается к одному из 2-х дополнительных входов)
- 3 универсальных настраиваемых выхода, которые могут быть гибко запрограммированы пользователем на различные действия
Различие версий
| SECU-3 | SECU-3T | SECU-3T revC и выше | SECU-3L (Lite) | SECU-3 Micro | SECU-3i | |
|---|---|---|---|---|---|---|
| Дата | 2007 | 2012 | 2014 | 2015 | 2016 | 2016 |
| Процессор | ATMega16, ATMega32 | ATMega32 | ATMega644 | ATMega644 | ATMega644 | ATMega644 |
| Возможности | Холостая искра, синхронизация от ДПКВ | Фазированное зажигание,
синхронизация от ДХ, ДПКВ, ДНО+ДУИ, управление воздушной заслонкой карбюратора, иммобилайзер на iButton, встроенный Bluetooth модуль (опционально) |
тоже, а также управление впрыском,
составом смеси на карбюраторе, шаговым дозатором газа программируемые выходы. |
Облегченная версия, предназначена
для управления зажиганием, ЭПХХ и блокировкой стартера. Силовые ключи катушек зажигания встроены в блок. Упрощенная установка и подключение. |
Максимально упрощенная версия, предназначена
для управления только зажиганием. Не содержит встроенных ключей зажигания. Всего два выхода зажигания и несколько входов. |
Самая функциональная версия блока, полноценная ЭСУД. Все необходимые устройства встроены в блок (драйверы форсунок, зажигания, РХХ, шагового двигателя, ШИМ и т. д.).
Блок состоит из двух плат. |
| Главный разъем | DB-25 | MiniFit 24 pin | MiniFit 14+12 pin | MiniFit 14 pin | MiniFit 12 pin | MiniFit 24+6+14+12 pin |
| Интерфейс | RS-232 c гальванической развязкой | RS-232 c гальванической развязкой или USB | USB | USB c гальванической развязкой | USB | USB c гальванической развязкой |
Примечания
- Последняя проверенная прошивка и менеджер для SECU-3 (от 31122018). SECU-3 Project. Дата обращения: 27 июля 2020.
- ashabelnikov/secu3app (англ.). GitHub. Дата обращения: 24 июня 2018.
- Предрелизные обновления ПО (для тестирования) • Программное обеспечение для ПК и релизы ПО. SECU-3.org. Дата обращения: 24 июня 2018.
- Требуется CAN-трансмиттер данных SECU-3 в протокол OBD • Аппаратное обеспечение. SECU-3.org. Дата обращения: 24 июня 2018.
Ссылки
- secu-3.org (рус.) — официальный сайт проекта SECU-3
- История разработки блоков SECU-3
