Гальваническая развязка
Гальвани́ческая развя́зка — передача энергии или информационного сигнала между электрическими цепями, не имеющими непосредственного электрического контакта между ними.

Гальванические развязки используются для передачи сигналов с целью снижения помех, для бесконтактного управления и для защиты оборудования от повреждения и людей от поражения электрическим током.
При гальванической развязке электрические потенциалы разделённых цепей могут сильно различаться, иногда говорят, они имеют «плавающие» относительно друг друга потенциалы.
Виды развязок
По способу организации гальванической развязки они разделяются на
- Трансформаторные.
- Оптоэлектронные: оптопары, оптоволоконные линии связи, фотогальванические элементы.
- Акустические — передача информации происходит через звуковой, например, ультразвуковой канал.
- Радиоканалы.
- Звуковой: громкоговоритель, микрофон
- Емкостные — передача сигнала производится на высоких частотах через разделяющие конденсаторы малой ёмкости.
- Развязки на коммутируемых конденсаторах.
- С преобразователями, основанными на эффекте Холла и гигантском магнитосопротивлении.
- Электромеханические, например: мотор-генераторы, реле.
Трансформаторная развязка

Исторически первый вид развязок. Используется до сих пор как для передачи мощности, так и для передачи информационного сигнала. Через силовые трансформаторы возможна передача очень большой мощности, вплоть до сотен МВт. Для передачи информации обычно используют миниатюрные импульсные и высокочастотные трансформаторы.
Иногда для электробезопасности применяют специальные разделительные силовые трансформаторы. Обычно силовые трансформаторы понижающие, то есть напряжение вторичных обмоток ниже напряжения первичной обмотки, разделительные трансформаторы, как правило, имеют коэффициент трансформации 1:1. Применение таких трансформаторов в целях электробезопасности обусловлено тем что низковольтные промышленные и бытовые сети имеют заземление присоединенное к «земле» — с которой также электрически связаны, например, водопроводные трубы. При отсутствии разделительного трансформатора пробой изоляции ручного электроинструмента может причинить электротравму работнику. Так как вторичная обмотка разделительного трансформатора не имеет электрической связи с «землёй», аварийное нарушение изоляции инструмента практически электробезопасно.
У автотрансформаторов первичная и вторичная обмотки совмещены, и поэтому автотрансформаторы не являются устройствами гальванического разделения и не применяются для гальванического разделения в целях электробезопасности.
Недостаток трансформаторной гальванической развязки для передачи информационного сигнала — принципиальная невозможность непосредственной передачи сигналов постоянного тока и медленно изменяющихся сигналов через трансформатор. Поэтому в таких развязках прибегают к какому-либо виду модуляции, например, частотной модуляции и передача информации при этом происходит с помощью передачи высокочастотного несущего сигнала. На приёмном конце высокочастотный сигнал демодулируется с восстановлением переданной информации.
Оптоэлектронные и оптические развязки


В устройствах этого типа сигнал передаётся с помощью оптического излучения и используются исключительно для передачи информационных сигналов, так как через такие развязки трудно и технически нецелесообразно передавать большую мощность.
В настоящее время оптические развязки наиболее используемый и популярный тип информационных развязок.
Принцип их действия основан на излучении света каким-либо управляемым электрическим сигналом светоизлучателем, передаче оптического сигнала в гальванически изолированную часть и обратное преобразование излучения в электрический сигнал.
В качестве излучателей сейчас обычно используются светодиоды, а в качестве приёмников света — фотодиоды, фототранзисторы или фототиристоры. Комбинацию светодиода и приёмника излучения принято называть оптопарой или оптроном, если конструктивно излучатель и приёмник излучения скомпонованы в одном корпусе. Передачу в оптическом канале обычно применяют в инфракрасном диапазоне, так как энергетические характеристики полупроводниковых приёмников и излучателей в этом диапазоне лучше, чем в видимом диапазоне.
Преимущество оптронной развязки по сравнению с трансформаторной — меньшие габариты, дешевизна и возможность передавать медленно меняющиеся сигналы, в том числе сигналы постоянного тока.
Недостаток оптической развязки для передачи аналоговых сигналов низких частот — существенная нелинейность канала при передаче, неравномерность коэффициента передачи 10—30 % во всём диапазоне изменения сигнала. Поэтому для передачи медленно меняющихся аналоговых сигналов с достаточной точностью, как и в случае трансформаторной развязки, применяют модуляцию-демодуляцию.
Другой способ точной передачи медленно меняющегося сигнала через оптический канал — компенсационный. При этом методе один светоизлучатель (светодиод) засвечивает два приёмника излучения (фотодиода или фототранзистора), один из приёмников включён в обратную связь источника тока светодиода, второй, гальванически изолированный, включён в обратную связь усилителя фотодиода, как показано на рисунке. Если нелинейная функция передачи от светодиода на оба фотоприёмника одинаковая, то нелинейности взаимно компенсируются и гальваническая развязка становится с достаточной для многих применений точностью линейной. Практически в такой структуре достижимо улучшение линейности передачи в канале до 1 %.
Конденсаторная гальваническая развязка


М — модулятор, преобразующий входной сигнал в последовательности коротких импульсов;
БУ — буферный усилитель-фазорасщепитель, преобразующий входной импульсный сигнал на две линии в которых фаза импульсов отличается на 180 градусов;
ДУ — дифференциальный импульсный усилитель;
ДМ — демодулятор, преобразующий импульсные последовательности в непрерывный аналоговый сигнал.
Применяется исключительно для передачи информационных сигналов. Эта развязка может называться гальванической развязкой только условно, так как гальванически развязываемые цепи соединены электрически через ёмкостную связь, импеданс которой конечен и падает при повышении частоты разности плавающих потенциалов «земель» разделяемых цепей.
Если ёмкость конденсаторов мала, то токи промышленной частоты, протекающие через развязывающие конденсаторы малы. Например, обычная ёмкость развязывающих конденсаторов около 1 пФ, и импеданс гальванической развязки для промышленной частоты составляет порядка 3 ГОм. Электрическая прочность (пробойное напряжение) развязывающих конденсаторов может составлять несколько киловольт, поэтому этот тип развязок разрешён для применения в электрофизическом оборудовании для медицинского обследования и лечения пациентов, например, в электрокардиографах.
Так как такая развязка принципиально не передаёт медленно изменяющиеся сигналы и сигналы постоянного тока, при передаче информационного сигнала обязательно применяют какой-либо тип модуляции.
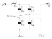
Пример цепи конденсаторной гальванической развязки показан на рисунке. В этой схеме импульсный сигнал передаётся через несимметричный конденсаторный мост с разными коэффициентами передачи ёмкостных делителей напряжения в плечах моста.
Другой пример гальванической развязки показан на рисунке. В этой схеме информационный сигнал, промодулированный каким-либо методом, передаётся в дифференциальном виде через два конденсатора связи, с типовой ёмкостью около 1 пФ.
Этот принцип гальванического разделения применён во многих микросхемах «усилителей с гальванической развязкой» многих производителей полупроводниковых компонентов. Обычно в таких микросхемах применяют сигма-дельта модуляцию.
Преимущество конденсаторного метода гальванического разделения — простота, но недостаток — требует применения модулятора-демодулятора.
Применение
Без использования развязки предельный ток, протекающий между цепями, ограничен только электрическими сопротивлениями, которые обычно относительно малы. В результате возможно протекание выравнивающих токов и других токов, способных повреждать компоненты цепи или поражать людей, прикасающихся к оборудованию, имеющему электрический контакт с цепью. Прибор, обеспечивающий развязку, искусственно ограничивает передачу энергии из одной цепи в другую. В качестве такого прибора может использоваться разделительный трансформатор или оптрон. В обоих случаях цепи оказываются электрически разделёнными, но между ними возможна передача энергии или сигналов.
Ссылки
- Galvanic Isolation: Purpose and Methodologies, January 12, 2016 (англ.)
Примечания
- http://pdf.datasheetcatalog.com/datasheet/hp/HCNR200.pdf Datenblatt HCNR200