N-Hash
N-Hash — криптографическая хеш-функция на основе циклической функции FEAL. В настоящее время считается небезопасной[1].
| N-Hash | |
|---|---|
| Создан | 1990 |
| Опубликован | 1990 |
| Размер хеша | 128 бит |
| Число раундов | 12 или 15 |
| Тип | хеш-функция |
Была разработана в 1990 году фирмой Nippon Telegraph and Telephone (также разработавшей FEAL).
Изначально, функция N-Hash была предназначена для того, чтобы решить проблему подмены информации на пути между двумя пользователями телефонной связи (Nippon Telegraph and Telephone — телекоммуникационная компания) и ускорить поиск данных. Например, если человек посылает смс-сообщение, то перед доставкой оно будет проверено на подлинность с помощью хеш-функции. А если пользователю продукции Nippon Telegraph and Telephone надо быстро найти в телефоне чей-либо контакт, то с помощью N-Hash можно упростить процесс поиска имени в списке. Это осуществляется благодаря тому, что хеш-кодом (маленькой по объёму определяющей частью контакта) имени объявляется первая буква контакта.
История возникновения
В основе алгоритма N-Hash лежит блочный алгоритм шифрования FEAL. Крупнейшая телекоммуникационная компания Nippon Telegraph and Telephone создала FEAL на основе DES. Но хотя этот алгоритм и выигрывает в быстродействии у DES, он является очень ненадежным и легко уязвимым: криптоаналитику требовалось очень мало информации, чтобы взломать алгоритм. Именно взлом алгоритма FEAL повлек за собой появление хеш-функции N-Hash в 1990 году. N-Hash также выигрывает в скорости у DES: по сравнению с 9 Кбит/сек у DES, N-Hash работает со скоростью 24 Кбит/сек для 15-раундовой схемы и со скоростью 29 Кбит/сек для 12-раундовой. При этом Nippon Telegraph and Telephone добилась повышения надёжности по сравнению с FEAL[1].
В течение некоторого времени алгоритм N-Hash использовался фирмой Nippon Telegraph and Telephone в соответствии с целями данной функции, но через некоторое время был разработан метод дней рождения, который с лёгкостью взламывал этот алгоритм. В связи со взломом отказались не только от N-Hash, но и почти от всех функций, основанных на блочных шифрах, так как для всех них характерна одна и та же проблема: они легко уязвимы методом дней рождения. Вместо них теперь используют более надежные функции, основанные на MD — технологиях: MD5, SHA-1 и другие, приведенные в списке функций, которые на данный момент считаются надежными (согласно стандарту ISO/IEC 10118).
Использование
Функция N-Hash использовалась в течение недолгого времени в начале 1990-х годов, пока не была взломана методом дней рождения.
- N-Hash предназначалась для решения проблемы подмены данных:
- Для современного человека эта проблема может легко быть описана на примере взаимодействия человека и интернет-магазина. Когда пользователь заказывает какой-нибудь товар в интернет-магазине, то магазин присылает ему номер заказа, сумму платежа и т. д. Далее, когда пользователь пытается оплатить заказ с помощью, например, Webmoney, то Webmoney вычисляет хеш-код полученного сообщения и сравнивает его с хеш-кодом, полученным от интернет-магазина. Если эти хеш-коды совпадают, то информация, присланная пользователем, правдива. Если не совпадают, то информация определяется как ложная и платеж не проходит.
- Другой вариант использования прост: упорядочивание контактов в мобильном телефоне по алфавиту и поиск контакта по первой букве. Хеш-кодом имени выбирается первая буква этого имени, следовательно, когда человек нажимает некоторую букву в своем телефоне, то ищется хеш-код, который совпадает с этой буквой и на экран выводятся контакты, начинающиеся с неё.
Особенности N-Hash

Однонаправленность
Определение: Пусть — сообщение некоторой длины.
Функция называется однонаправленной, если из равенства
легко:
- найти хеш-код , зная сообщение
очень трудоёмко:
- найти сообщение по известному хеш-коду (т. е. если хеш-код пароля стал известен хакеру, то пароль он по нему не найдет);
- найти отличное от сообщение , такое что их хеш-коды совпадают.
Проще определение можно записать так:
Однонаправленность — это «отпечаток пальца»:
- Если дан конкретный человек, то можно взять у него отпечаток пальца;
- Невозможно найти человека по отпечатку его пальца (если нет базы данных с отпечатками пальцев всех людей, а её нет);
- Невозможно найти второго человека с таким же как у другого отпечатком пальца.
Однонаправленность решает очень важную проблему. Рассмотрим её на примере.
Алиса и Боб традиционно обозначают субъектов передачи информации.
- Примеры
- Допустим, Алиса подписала контракт с известным Алисе и Бобу хеш-кодом . Если бы была неоднонаправленная, то Боб мог бы найти такой другой контракт , что и, значит, смог бы утверждать, что Алиса подписала .
- Допустим, Алиса имеет один и тот же отпечаток пальца h с каким-нибудь преступником, тогда Боб смог бы утверждать, что этот преступник — Алиса.
Устойчивость к столкновениям
Чтобы предотвратить возможность Алисы использовать метод «дней рождения» для обмана Боба, очень удобно ввести ещё более сильное условие, чем условие однонаправленности. H такова, что трудно найти сообщения и , такие что их хеш-коды совпадают. То есть невозможно найти двух человек с одинаковыми отпечатками пальцев.
Данное условие называется устойчивостью к столкновениям и для хеш-функции N-Hash оно не выполняется.
По причине неустойчивости к столкновениям Алиса может обмануть Боба таким образом (метод «дней рождения»):
- Алиса пишет две версии контракта: одна из них выгодна для Боба, а другая нет;
- Внося небольшие изменения в каждый контракт (например, пробел заменяет на два пробела), она добьется того, что версий контрактов будет достаточно много для подбора и , для которых совпадают хеш-коды (версия выгодна Бобу, а — нет) (если в контракте 34 строки, то, внося или не внося изменения в каждую из строк, легко получить версий контрактов);
- Теперь Алиса сможет доказать, что Боб подписал .
Для того, чтобы избежать подобной проблемы, достаточно вносить косметические изменения в подписываемый контракт. И хотя это действие никак не изменяет хеш-функцию H, а, значит, никак не влияет на её устойчивость к столкновениям, но человек этим действием получит новую версию контракта, хеш-код которого не совпадает с хеш-кодом версии контракта злоумышленника. То есть, если Боб в 5-й строке поставит в каком-нибудь месте запятую, или поставит две точки вместо одной, то Алиса не сможет доказать, что он подписал другой контракт (так как его хеш-код уже не совпадает с хеш-кодом контракта Алисы).
Можно рассмотреть жизненный пример: когда нотариус ставит печать в подписываемый контракт, он вносит туда косметические изменения.
Цели N-Hash
Для того, чтобы понять как работает функция N-Hash, необходимо перейти на более научную речь. Ниже приведены цели данной функции не на примерах, а в соответствии с тем, как они осуществляются и с соответствующей терминологией.
- Обеспечение целостности информации[1]:
Данное свойство необходимо для того, чтобы исключить возможность злоумышленника внедрить некоторую ложную информацию в исходное сообщение. Для обеспечения целостности должна быть возможность обнаружить любые изменения в тексте сообщения (замена, вставка, удаление). Целостность обеспечивается путём внедрения в исходное сообщение избыточной информации, которая будет являться проверочной комбинацией. Такая комбинация называется контрольной суммой и её можно вычислить с помощью специального алгоритма. Так как этот алгоритм зависит от секретного ключа, то внедрение ложной информации в сообщение маловероятно.
, где salt — избыточная информация, M — сообщение - контрольная сумма;
Из формулы следует, что если меняется salt, то меняется и S (контрольная сумма), а значит изменялось и и .
То есть можно сделать вывод, что была добавлена ложная информация.
- Сжатие документа:
Функция N-Hash работает с сообщениями M произвольной длины. При этом на выходе получается хеш-код фиксированной длины в 128 бит. Это получается за счет того, что сообщение делится на блоки , размером 128 бит, и алгоритм работает последовательно с каждым из блоков.
- Обеспечение достоверности электронных данных[1]:
Данное свойство выполняется для однонаправленных функций, какой и является N-Hash. Достоверность сообщения M проверяется путём нахождения конечного хеш-кода (дайджеста сообщения) дважды (отсылающая и принимающая стороны). Результаты сравниваются и, если они совпадают, то информация достоверна. Целостность не гарантирует достоверность.
- Обеспечение конфиденциальности:
на сайтах, где нужно вводить логин и пароль, пароль после ввода переводится в хеш-код. То есть изначально пользователь вводит пароль M, но для входа в защищённую область используется хеш-код . По известному хеш-коду h и функции H вычислить M очень трудно, чем и обеспечивается конфиденциальность пароля.
- Аутентификация пользователей:
Аутентификация — это процедура проверки подлинности пользователя или данных при помощи некоторого критерия.
Возникает вопрос, как хеш-функция обеспечивает правдивость аутентификации. Это легко показать на примере.
Когда пользователь вводит логин и пароль на каком-либо сайте, его пароль преобразуется в хеш-код и передается по сети для аутентификации. Очевидно, что для того чтобы войти под чужую учётную запись достаточно выяснить хеш-код пароля, а затем по формуле (h-хеш-код, M — пароль) найти пароль. Но N-Hash, являющаяся однонаправленной функцией, обеспечивает сохранность пароля, так как это уравнение для однонаправленных функций решается очень трудоёмко (не с помощью персонального компьютера).
Алгоритм
Алгоритм N-Hash основан на циклическом повторении (12 или 15 раз — число раундов) операций. На входе имеется хеш-код и он может быть произвольным, на выходе получается хеш-код h сообщения M, которое необходимо хешировать. При этом размер выходящего хеш-кода фиксирован и равен 128 бит, тогда как размер M произволен[2].
Основные обозначения
- — сообщение, которое необходимо хешировать;
- — блок сообщения длиной 128 бит. Для того, чтобы хешировать сообщение необходимо поделить его на блоки ;
- — хеш-код i-го шага;
- — константа, длиной 128 бит;
- — конкатенация;
- , где , где k=1, 2, 3, 4; , длиной 24 бит;
- EXG — функция, которая меняет местами старшие и младшие разряды (64 младших и 64 старших);
- PS — преобразующая функция;
Описание алгоритма

На схеме справа представлены схематические обозначения операций, которые присутствуют на нижеследующих схемах.
- Покоординатное (попарное) суммирование означает сложение по модулю 2;
- Если x поступает на вход функции f, то на выходе получается f(x).
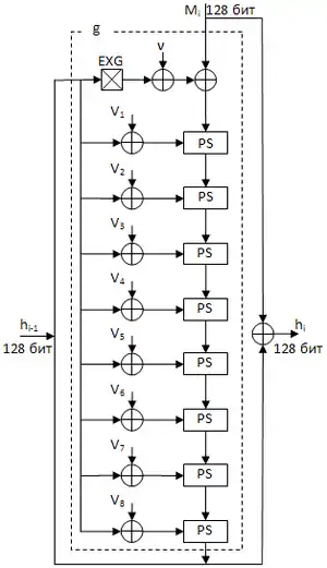
Один цикл работы N-Hash

Ниже представлен один цикл работы алгоритма N-Hash.
- На вход функции g подается хеш-код (i-1)-го шага и i-й блок сообщения . При этом выбирается произвольно: например, он может быть нулевым. А также подается на выход на операцию сложения по модулю 2, то есть результат (хеш-код следующего шага) будет выглядеть так: (нечто пока неизвестное).
- Из схемы видно, что подается не только на XOR, но и на выход на операцию сложения по модулю 2. То есть теперь в соответствии с первым пунктом результат выглядит таким образом: (оставшееся пока неизвестным нечто).
Оставшееся пока неизвестным нечто находится после прохождения каскада из восьми преобразующих функций. Его получение может быть описано таким образом:
- Функция EXG меняет местами старшие и младшие разряды и прибавляет к результату , после чего результат складывает по модулю 2 с .
- Как видно из схемы, результат подается последовательно на входы j преобразующих функций, вторым аргументом которых является сумма , где j=1, … , 8.
- В результате получается хеш-код i-го шага :
.
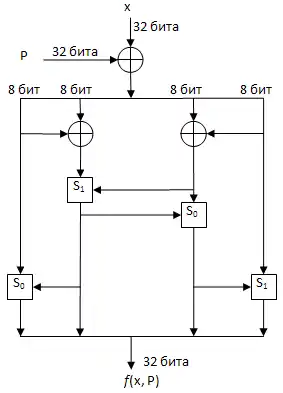
Преобразующая функция

Возникает вопрос, как действует преобразующая функция .
Рассмотрим верхнюю часть схемы до перекрестья.
Исходное сообщение разбивается на блоки по бита.
Будем считать промежуточными выходами входы в нижнюю часть схемы. и подаются на промежуточные выходы, а на два других выхода подаются операции и . Теперь можно результаты на промежуточных выходах переобозначить и через них, аналогично верхней части, найти результаты на выходе нижней части, то есть и всей схемы в целом.
Сделав все необходимые вычисления, получим, что при подаче на вход сообщение на выходе можно представить как конкатенацию сообщений
- ;
- ;
- ;
- .
Поиск функции f(x, P)

Так как функция f работает с аргументами, длина которых составляет 32 бит, то из схемы поиска функции f(x, P) имеем:
- Величину разбиваем на части по 8 бит.
- Запишем эти части как , i=1,…,4 и введёт новые обозначения:
- ;
- ;
- ;
- ;
Аргументами функции (первая стрелка слева) являются и .
Аргументами функции (вторая стрелка слева) являются и .
То есть две составляющие части из сообщения на выходе уже известны и равны
- ;
- ;
Далее будем пользоваться уже полученными оставляющими частями сообщения на выходе для удобства записи:
- ;
- ;
- Тогда сообщение на выходе можно представить в виде .
- Причём известно, что
- =(левый циклический сдвиг на 2 бита)(a+b) mod 256
- =(левый циклический сдвиг на 2 бита)(a+b+1) mod 256
Безопасность хеш-функций
Хеш-функция является безопасной в случае, когда криптоаналитику требуется очень много информации, для того чтобы взломать данную хеш-функцию (что делает взлом маловероятным) и если хеш-функция не взломана к данному времени[3].
Для того, чтобы хеш-функция была безопасной, необходимо, чтобы выполнялись условия:
- При изменениях в тексте сообщения (вставки, перестановки и т. д.) должен меняться и хеш-код сообщения;
Иначе человек, который вводит свои логин и пароль для входа в Википедию, мог бы попасть на страницу другого участника.
- Невозможность нахождения сообщения по известному хеш-коду из ;
Если данное условие не выполняется, то это делает возможным нахождение паролей пользователей Википедии.
- Задача нахождения сообщений и , таких что их хеш-коды равны должна быть очень трудоёмкой.
Иначе, можно было бы найти два пароля с одинаковыми хеш-кодами.
N-Hash не является безопасной функцией, так как для неё не выполнено последнее условие.
Криптоанализ N-Hash
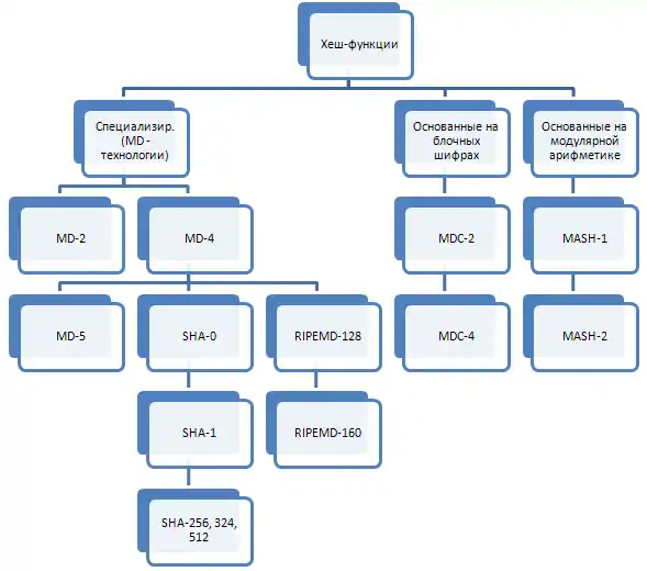
В настоящее время N-Hash считается небезопасной функцией. На данном рисунке указаны все безопасные однонаправленные функции на данный момент согласно стандарту ISO/IEC 10118[1]:

Из алгоритмов, построенных как и N-Hash на основе блочных шифров, безопасными считаются только MDC-2 и MDC-4.
Для N-Hash характерна следующая проблема:
- Так как длина хеш-кода равна длине блока алгоритма шифрования, то алгоритм нестоек перед атакой методом «дней рождения».
Атаки на хеш-функции

На данном рисунке приведена классификация атак на все алгоритмы хеширования в целом.
Атаки, зависящие от алгоритма, являются атаками, основанными на свойствах конкретного алгоритма.
Например, N-Hash успешно атакуют с помощью дифференциального метода, атакой с фиксированной точкой и встречей посередине.
Атаки, не зависящие от алгоритма, можно применить к любой функции хеширования, однако это не исключает того, что для некоторых алгоритмов они очень трудоёмки из-за большого объёма информации или быстродействия кода.
Действенные атаки на N-Hash
- Полный перебор
- Метод встречи в середине атаки
- Парадокс дня рождения
- Дифференциальный криптоанализ
- Атака с фиксированной точкой
Дифференциальный метод
Ден Бур предложил способ построения коллизии для однораундовой схемы N-Hash.
Бихам и Шамир успешно применили метод дифференциального криптоанализа для компрометации 6-раундовой схемы N-Hash. Предложенный ими способ построения коллизии срабатывает для любого значения N кратного трём и при этом для N ≤ 12 он оказывается эффективнее подхода, основанного на парадоксе дней рождения.
Для 12-раундовой схемы сложность построения коллизий предложенным методом оценивается величиной 256 операций (трудоёмкость метода, основанного на парадоксе дней рождения — 264 операций).
Атаки, не зависящие от алгоритма
Увеличение длины хеш-кода и секретного ключа усложнит работу криптоаналитика. Можно попытаться сделать вычисления слишком трудоёмкими для персонального компьютера и требующими больших ресурсов. Тогда криптоаналитику надо будет или искать суперкомпьютер, или написать вирус, который на основе распараллеливания процесса взлома хеш-функции будет использовать сразу несколько персональных компьютеров для решения проблемы[3].
Также действенны такие методы защиты хеш-функции[4]:
- использование контрольных сумм на разных этапах хеширования;
- проверка на достоверность информации;
- внедрение в сообщение информации типа salt.
Итоги
- В настоящее время N-Hash мало распространён, так как не является безопасным и взломан более 10 лет назад.
- Теперь для хеш-функций типа N-Hash существует специальное название — ключевые, то есть однонаправленные, но не устойчивые к столкновениям:
- Если стороны доверяют друг другу (то есть каждая из сторон уверена, что другая не станет подменять контракт как в случае с Алисой и Бобом), то можно использовать N-Hash.
Сравнение N-Hash с другими хеш-функциями
| Алгоритм | Длина хеш-значения | Скорость шифрования (Кбайт/сек) |
|---|---|---|
| Одновременная схема Davies-Meyer (c IDEA) | 128 | 22 |
| Davies-Meyer (с DES) | 64 | 9 |
| Хеш-функция ГОСТ | 256 | 11 |
| HAVAL (3 подхода) | переменная | 168 |
| HAVAL (4 подхода) | переменная | 118 |
| HAVAL (5 подходов) | переменная | 98 |
| MD2 | 128 | 23 |
| MD4 | 128 | 236 |
| MD5 | 128 | 174 |
| N-Hash (12 этапов) | 128 | 29 |
| N-Hash (15 этапов) | 128 | 24 |
| RIPE-MD | 128 | 182 |
| SHA-1 | 160 | 75 |
| Snefru (4 прохода) | 128 | 48 |
| Snefru (8 подходов) | 128 | 23 |
Примечания
- Хеш-функции (недоступная ссылка — история ). Криптомаш. Дата обращения: 27 ноября 2008. (недоступная ссылка)
- Брюс Шнайер. Глава 18. Однонаправленные хеш-функции // Прикладная криптография. — 2-е изд. Архивированная копия (недоступная ссылка). Дата обращения: 26 ноября 2008. Архивировано 28 февраля 2014 года.
- Основной вопрос криптографии // CIO : журнал. — 17 мая 2005. — № 5. Архивировано 29 мая 2008 года.
- Криптоанализ хеш-функций (недоступная ссылка — история ). Криптомаш. Дата обращения: 27 ноября 2008. (недоступная ссылка)
См. также
Литература
- А. Щербаков, А. Домашев. Прикладная криптография. — М.: Русская Редакция, 2003. — 404 с. — ISBN 5-7502-0215-1.
- Брюс Шнайер. Прикладная криптография. — 2-е изд. — М.: Триумф, 2002. — 816 с.