Ядерные реакции в звёздах
Ядерные реакции в звёздах являются их основным источником энергии. Они обеспечивают большое энерговыделение на единицу массы, что позволяет звёздам поддерживать высокую светимость в течение длительного времени. В этих реакциях образуется бо́льшая часть химических элементов, существующих в природе, — происходит нуклеосинтез. Протекание ядерных реакций возможно из-за высокой температуры в недрах звёзд, их темп зависит от температуры и плотности.

Важнейшие ядерные реакции в звёздах — реакции ядерного горения водорода, в результате которых четыре протона превращаются в ядро гелия-4. Во время стадии главной последовательности, которая занимает около 90 % срока жизни звезды, в её ядре идут именно эти реакции. Сгорание водорода происходит двумя способами: в протон-протонном цикле и в CNO-цикле.
Последующие реакции могут протекать лишь в достаточно массивных звёздах — за счёт этих реакций звёзды получают существенно меньше энергии, чем за счёт сгорания водорода, но в них формируется большинство остальных химических элементов. Первая из этих реакций — ядерное горение гелия, в котором синтезируются углерод и кислород. После сгорания гелия начинается ядерное горение углерода, неона, кислорода и, наконец, кремния — в этих реакциях синтезируются различные элементы вплоть до железного пика, самый тяжёлый из которых — цинк. Синтез более тяжёлых химических элементов энергетически невыгоден и не происходит при термодинамическом равновесии, однако в некоторых условиях, например, при вспышках сверхновых, возможен и он. Тяжёлые элементы формируются в ходе s-процесса и r-процесса, при которых ядра захватывают нейтроны, а также p-процесса, при котором ядро может, например, захватывать протоны.
Вопрос об источнике энергии звёзд возник после того, как был сформулирован закон сохранения энергии — в 40-х годах XIX века. Гипотезу о том, что энергия выделяется при превращении водорода в гелий выдвинул в 1920 году Артур Эддингтон, после чего были открыты цепочки реакций, характерные для этого процесса. В 1941 году Мартин Шварцшильд рассчитал модель Солнца с термоядерным источником энергии и смог теоретически предсказать некоторые наблюдаемые свойства Солнца — таким образом была подтверждена теория термоядерного синтеза в недрах звёзд. Позже была открыта возможность протекания других реакций в недрах звёзд, а в 1957 году вышла статья B²FH, в которой было с хорошей точностью объяснено происхождение большинства химических элементов.
Общая информация
Энерговыделение

Ядерные реакции, и в первую очередь термоядерные, в которых из ядер малой массы синтезируются более массивные, — основной источник энергии звёзд, причём наибольший вклад в общее количество выделяемой энергии вносят реакции ядерного горения водорода (см. ниже)[3][4]. Полное энерговыделение в ядерных реакциях на единицу массы достаточно велико и позволяет звёздам поддерживать высокую светимость в течение длительного времени: например, светимость Солнца составляет 4⋅1026 Вт, а полный срок жизни составит порядка 1010 лет[5][6].
Масса ядер меньше, чем суммарная масса составляющих их нуклонов из-за энергии связи в ядрах. При термоядерных реакциях, в которых образуются ядра с большей энергией связи чем до этого, часть массы переходит в энергию в соотношении , где — скорость света. Например, при превращении четырёх протонов в ядро гелия на один нуклон выделяется около 7 МэВ, в то время как энергия покоя нуклона составляет 1 ГэВ, так что при превращении водорода в гелий 0,7 % массы переходит в энергию[5][7], и на 1 кг водорода, превратившегося в гелий, выделяется 6,4⋅1014 Дж энергии[8].
Большая часть энергии переходит в тепло, которое постепенно переизлучается фотонами на поверхность звезды, после чего в виде фотонов излучается с её поверхности[9]. Небольшая часть энергии выделяется в форме нейтрино, которые свободно покидают звезду, не взаимодействуя с её веществом[5].
Нуклеосинтез
В результате ядерных реакций образуются ядра разных химических элементов. Звёзды небольшой массы способны синтезировать гелий из водорода[10], более массивные звёзды могут поддерживать и другие реакции, в которых формируются более тяжёлые элементы, вплоть до железного пика, на котором ядра имеют максимальную удельную энергию связи (см. ниже)[11]. Синтез ещё более тяжёлых элементов энергетически невыгоден, но и он может происходить в некоторых условиях, например, при наличии свободных нейтронов (см. ниже)[3]. Хотя реакции, идущие после ядерного горения водорода не так важны по суммарному энерговыделению, именно в них синтезируется большинство химических элементов тяжелее гелия[12].
Постепенное изменение химического состава звёзд в результате ядерных реакций является причиной их эволюции[13]. Синтезированные в звёздах элементы попадают в окружающее пространство различными путями: например, при вспышках сверхновых[14], хотя и не полностью — некоторая часть вещества не покидает компактные остатки звёзд[15]. Звёзды играют ключевую роль в нуклеосинтезе — производстве большинства химических элементов и обогащении ими межзвёздной среды[3].
Условия в звёздах
Нуклоны в атомных ядрах связаны силами ядерного взаимодействия, но эти силы действуют только на малых расстояниях — порядка размеров ядра, в то время как на бо́льших расстояниях доминирует кулоновское отталкивание. Это значит, что для того, чтобы произошла термоядерная реакция (два ядра достаточно сблизились, и ядерное взаимодействие стало преобладать), ядрам нужно преодолеть кулоновский барьер[16].
В недрах звёзд температура достаточно высока, чтобы ядра могли преодолевать кулоновский барьер. В рамках классической механики вероятность этого ничтожна — например, для Солнца температура в центре составляет порядка 107 K, что соответствует средней энергии порядка 1 кэВ, а для преодоления кулоновского барьера между двумя протонами необходима энергия порядка 1 МэВ — в 1000 раз больше. При максвелловском распределении частиц по скоростям такой энергией обладает лишь от всех частиц, то есть 10−430, в то время как в Солнце всего около 1057 частиц. Однако в действительности из-за туннельного эффекта вероятность преодоления кулоновского барьера существенно повышается: с некоторой вероятностью преодолеть его могут и частицы со значительно меньшей энергией[16][17].
Темп реакций

Можно рассмотреть два типа частиц, и , при взаимодействии которых возможна ядерная реакция. Если их концентрации составляют и , при этом относительная скорость группы частиц и группы частиц составляет , тогда количество реакций на единицу объёма выражается формулой[19][20]:
В этой формуле — ядерное эффективное сечение — параметр, характеризующий вероятность данной реакции. Он имеет размерность площади и зависит от скорости , с которой частицы сталкиваются. Однако модель с такими двумя группами частиц не годится для вещества звёзд: относительные скорости частиц в них описываются максвелловским распределением , поэтому выражение для темпа реакций принимает иной вид[19][20]:
Величина называется темпом реакции на пару частиц. Если рассматриваются реакции между одинаковыми частицами, то формула для выглядит следующим образом[комм. 1][19][20]:
Максвелловское распределение задаётся формулой[19][20]:
где — приведённая масса частиц, — постоянная Больцмана, — температура. Эффективное сечение для ядерных реакций пропорционально вероятности преодоления кулоновского барьера и зависит от кинетической энергии частицы [19][20]:
Здесь — константа, зависящая только от свойств ядер, принимающих участие в реакции, называемая энергией Гамова. — функция, слабо зависящая от , так что её тоже можно считать константой. При подстановке этих значений в формулу для и затем для получается[19][20]:
Важное следствие из этой формулы — связь темпа реакций с температурой[21]:
Чувствительность к температуре
Для какой-либо реакции при данной температуре можно определить её чувствительность к изменению температуры[22]:
Если бы было одинаковым для различных температур, то зависимость темпа реакций от температур выглядела бы как . В действительности меняется с температурой, но довольно медленно, как , поэтому нередко для описания чувствительности реакции к температуре используют приближение . Тогда мощность энерговыделения на единицу объёма выражается как , где — плотность вещества, а — коэффициент пропорциональности[23].
Реакции нуклеосинтеза
Ядерное горение дейтерия и лития
Дейтерий и литий — редкие элементы, поэтому сгорание этих элементов в ядерных реакциях завершается сравнительно быстро и не приносит большого количества энергии. Однако реакции с участием этих элементов идут при сравнительно низкой температуре, при которой ещё невозможно ядерное горение водорода (см. ниже). Поэтому ядерное горение дейтерия и лития — реакции, которые начинаются в звёздах первыми, ещё на стадии протозвезды. Эти реакции также идут в коричневых карликах — объектах, масса которых слишком мала, чтобы запустить стабильное ядерное горение водорода и стать звёздами[24]. Срок, за который сгорают эти элементы в звезде или коричневом карлике, также зависит от массы объекта, поэтому информация о содержании этих элементов позволяет определять некоторые параметры звёзд и коричневых карликов: например, в самых маломассивных звёздах литий сгорает за 100 миллионов лет, таким образом присутствие этого элемента в более старом объекте указывает на то, что это коричневый карлик[25][26].
Ядерное горение дейтерия возможно при температурах не менее 5⋅105 K, именно его возможность определяет нижнюю границу массы коричневого карлика — 0,013 M⊙. Горение дейтерия главным образом представляет собой слияние дейтрона с протоном и образование ядра гелия-3[27]:
Для ядерного горения лития нужна температура не менее 2⋅106 K, которая достигается в объектах с массой не менее 0,055—0,060 M⊙. Эта реакция представляет собой слияние ядра лития-7 с протоном, при котором образуется два ядра гелия-4[28][29]:
Ядерное горение водорода
Бо́льшую часть массы звёзд — около 70 % — составляет водород, при превращении которого в гелий выделяется большое количество энергии на один нуклон. В цепочке ядерных реакций, которые приводят к образованию железа — элемента с наибольшей энергией связи на нуклон, около 70 % выделяемой энергии приходится на реакции превращения водорода в гелий. Кроме того, светимость звёзд, пока они сжигают водород в ядре и находятся на главной последовательности, меньше, чем на следующих этапах, так что эта стадия занимает бо́льшую часть жизни звезды — около 90 %[30], и большинство звёзд во Вселенной — звёзды главной последовательности[4]. Даже когда водород в ядре исчерпан, и звезда сошла с главной последовательности, ядерное горение водорода всё равно может происходить, например, в оболочке вокруг ядра — в слоевом источнике[31].
Ядерное горение водорода становится возможным при температуре не менее 3⋅106 K[27]. Поддерживать ядерное горение водорода могут не только звёзды, но и самые массивные коричневые карлики тяжелее 0,06 M⊙, но отличие между этими объектами состоит в том, что коричневые карлики прекращают сжигать водород к моменту, когда достигают равновесия. Минимальная же масса объекта для того, чтобы он стал звездой и сжигал водород в течение длительного времени, составляет 0,075 M⊙[32].
Ядерное горение водорода хотя и может идти различными путями, сводится к реакции вида с выделением 27,3 МэВ энергии, то есть около 7 МэВ на нуклон[комм. 2][33]. Также образуются нейтрино: доля энергии, уносимая ими, различается для разных путей данной реакции[34]. Два основных пути горения водорода — протон-протонный цикл и CNO-цикл, причём в обоих возможны различные цепочки реакций. В CNO-цикле в качестве катализатора выступают ядра углерода, азота и кислорода, и он более чувствителен к температуре, чем протон-протонный цикл[35]. Протон-протонный цикл вносит основной вклад в энерговыделение у звёзд с массой менее 1,5 M⊙, где центральная температура ниже 1,8⋅107 K, а CNO-цикл доминирует в более массивных звёздах с более горячими ядрами. У Солнца с центральной температурой в 1,6⋅107 K в CNO-цикле выделяется лишь 10 % энергии[36][37][38]. Также CNO-цикл является основным путём ядерного горения водорода, если оно происходит в слоевом источнике[39].
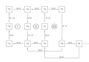
Для протекания CNO-цикла необходимо наличие углерода, азота и кислорода в веществе звезды. Если этих элементов недостаточно — менее 10−10—10−9 массы звезды, то CNO-цикл проходить не может, и единственным источником энергии остаётся протон-протонный цикл. Чтобы с его помощью выделять достаточно энергии для сохранения гидростатического равновесия, ядро звезды вынуждено сжиматься и нагреваться гораздо сильнее, чем для звезды с нормальной металличностью. В этом случае температура в центре массивных звёзд может достигать 100 миллионов кельвинов, чего уже достаточно для прохождения тройного альфа-процесса с участием гелия (см. ниже). В этой реакции вырабатывается углерод, и когда его становится достаточно много, энергия начинает выделяться за счёт CNO-цикла, а температура и давление в ядре звезды понижаются до значений, наблюдаемых у нормальных звёзд. Считается, что описанный сценарий реализовывался у звёзд гипотетического населения III: они должны были сформироваться из вещества, образованного при первичном нуклеосинтезе, которое практически не содержало элементов тяжелее гелия[40]. Такие элементы впервые образовались именно в этих звёздах, самые массивные из которых быстро завершили свою эволюцию и выбросили в межзвёздную среду вещество, обогащённое этими элементами. Из такого вещества впоследствии и сформировались звёзды населения II и населения I[41][42].
Протон-протонный цикл


Протон-протонный цикл (или pp-цикл) включает в себя три основные цепочки реакций: ppI, ppII и ppIII. Первые две реакции, в результате которых образуется ядро дейтерия, а затем гелия-3, общие для всех цепочек[44]:
Поскольку система из двух протонов неустойчива, то для протекания первой из указанных реакций необходимо, чтобы при сближении один из протонов испытал бета-распад, при котором образуются нейтрон, позитрон и электронное нейтрино. Вероятность этого мала, так что эта реакция — самая медленная, и именно она определяет скорость протекания всего pp-цикла[44][45]. Также дейтерий может образовываться при слиянии двух протонов с электроном, однако в такой реакции синтезируется лишь 0,25 % всех ядер дейтерия[46]:
При температурах более 5⋅106 K достаточно быстрыми становятся дальнейшие реакции, в которых образуются ядра гелия-4. В условиях, которые имеют место в центре Солнца, образовавшееся после этих реакций ядро гелия-3 с вероятностью 69 % вступает в реакцию с другим ядром гелия-3, при которой образуются ядро гелия-4 и два протона[47]:
Цепочка реакций, в которой ядро гелия формируется таким путём, называется ветвью ppI. Суммарно в ветви ppI на одно ядро гелия-4 возникают два нейтрино, средняя энергия каждого нейтрино составляет 0,263 МэВ, то есть в виде нейтрино излучается в среднем 2,0 % энергии[47].
В остальном 31 % случаев для Солнца ядро гелия-3 реагирует с ядром гелия-4 и образуется ядро бериллия-7[47]:
Дальше снова возможны два пути. Первый, происходящий в Солнце с вероятностью 99,7 %, — ветвь ppII[47]:
Второй из этих путей идёт в Солнце с вероятностью лишь 0,3 % — ветвь ppIII[47]:
Нейтрино, которые образуются в реакциях ветвей ppII и ppIII, имеют средние энергии соответственно 0,80 МэВ и 7,2 МэВ, так что в реакциях ветви ppII нейтрино уносят 4,0 % энергии, а в ppIII — 27,9 %[47].
При увеличении температуры увеличивается вероятность реакции , ведущей к цепочкам ppII и ppIII. Кроме того, вероятность реализации ветви ppIII по сравнению с ppII также увеличивается с ростом температуры. В целом чувствительность pp-цикла к температуре (см. выше) невелика: она меняется от приблизительно 6 при температуре в 5⋅106 K до примерно 3,5 при температуре 2⋅107 K, в качестве среднего значения обычно берётся 4[45].
CNO-цикл


В CNO-цикле гелий образуется из водорода в результате последовательных захватов протонов ядрами углерода, азота и кислорода. Сами эти элементы не расходуются и не производятся, следовательно, выступают катализаторами превращения водорода в гелий. CNO-цикл включает в себя три различные, частично пересекающиеся цепочки реакций: циклы CNOI, CNOII, CNOIII[48][49].
Цикл CNOI, также называемый циклом CN, выглядит следующим образом[49]:
Цикл CNOII, также называемый циклом NO, проходит так[49]:
Цикл CNOIII состоит из следующих реакций[49]:
В среднем в CNO-цикле нейтрино уносится бо́льшая доля энергии, чем в pp-цикле[50]. CNO-цикл гораздо более чувствителен к температуре, чем pp-цикл — при температуре 107 K величина (см. выше) для него составляет 18. Кроме того, что у массивных звёзд с высокой температурой в ядре энергия выделяется в основном в CNO-цикле, у его высокой чувствительности к температуре есть и другое следствие. Если энергия в звезде выделяется преимущественно в CNO-цикле, то протекание ядерных реакций и энерговыделение сильно сосредоточены в центре, что приводит к образованию конвективной зоны в ядре[38].
Ядерное горение гелия
Ядерное горение гелия — реакции, в которых расходуется гелий, — начинаются только после схода звезды с главной последовательности. Для прохождения этих реакций необходима температура не менее 108 K, которая достигается в звёздах с массой не менее 0,5 M⊙. Основная реакция ядерного горения гелия — тройной альфа-процесс — сводится к реакции с выделением энергии 7,27 МэВ, что составляет около 0,6 МэВ на нуклон — на порядок меньше, чем при ядерном горении водорода (см. выше). Срок ядерного горения гелия приблизительно в 100 раз меньше, чем ядерного горения водорода при фиксированной массе звезды[51][52].
Превращение гелия в углерод происходит следующим образом. Сначала два ядра гелия, сталкиваясь, образуют ядро бериллия-8[51][52]:
Эта реакция является эндотермической и поглощает 92 кэВ, что обуславливает высокий температурный порог для горения гелия. Кроме того, бериллий-8 очень нестабилен: его время жизни составляет 2,6⋅10−16 секунд, поэтому такое ядро в большинстве случаев распадается вновь на два ядра гелия. Для того, чтобы ядро углерода образовалось, ядро бериллия должно столкнуться с ядром гелия, пока не распалось[51][52][53]:
Эта реакция также эндотермическая и поглощает 288 кэВ. В результате этой реакции ядро углерода оказывается в возбуждённом состоянии — оно нестабильно и с большой вероятностью распадается обратно на ядро бериллия и ядро гелия: равновесная концентрация углерода ещё меньше, чем концентрация бериллия. Лишь в одном случае из приблизительно 2500 реакций ядро переходит в основное состояние и становится стабильным, выделяя 7,65 МэВ энергии[53]:
При повышении температуры увеличивается частота реакций с двумя ядрами гелия, то есть равновесная концентрация бериллия увеличивается. Кроме того, с ростом температуры увеличивается эффективное сечение второй реакции. Это приводит к тому, что тройной альфа-процесс очень чувствителен к температуре: при температуре 108 K величина (см. выше) составляет 40, а при температуре 2⋅108 K — 20[52].
Кроме тройного альфа-процесса гелий может расходоваться и в других реакциях, например[54]:
Также в реакциях с участием гелия возможен синтез и более тяжёлых элементов, но темп этих реакций при тех условиях, которые достигаются в звёздах при тройном альфа-процессе, очень мал. Таким образом, ядерное горение гелия производит не только углерод, но и кислород, а также небольшое количество неона. Кроме того, когда из-за тройного альфа-процесса доля гелия в звезде заметно уменьшается, образование ядер кислорода начинает вносить вклад в энерговыделение, сравнимый с таковым у тройной гелиевой реакции — это делает стадию горения гелия более длительной, чем она была бы в отсутствие такой реакции[54][55][56].
Синтез элементов до железного пика
| Реакция | Продолжительность стадии в годах | ||
|---|---|---|---|
| 15 M⊙ | 20 M⊙ | 25 M⊙ | |
| Горение водорода | 1,1⋅107 | 7,5⋅106 | 5,9⋅106 |
| Горение гелия | 1,4⋅106 | 9,3⋅105 | 6,8⋅105 |
| Горение углерода | 2600 | 1400 | 970 |
| Горение неона | 2,0 | 1,5 | 0,77 |
| Горение кислорода | 2,5 | 0,79 | 0,33 |
| Горение кремния | 0,29 | 0,031 | 0,023 |

Процессы нуклеосинтеза в массивных звёздах на поздних стадиях эволюции сложны и разнообразны. После окончания горения гелия в ядрах этих звёзд последовательно происходят различные реакции, в которых вырабатываются химические элементы, вплоть до элементов железного пика: их создают звёзды с массами не менее 10—15 M⊙. Синтез более тяжёлых элементов энергетически невыгоден, поэтому в обычных звёздах, в условиях термодинамического равновесия, не происходит. Самый тяжёлый элемент, который может так образоваться, — цинк[59][60][61]. Более тяжёлые элементы могут сформироваться при особых условиях: например, при вспышках сверхновых (см. ниже)[62].
Все эти реакции завершаются очень быстро — длительность реакций после ядерного горения углерода составляет несколько лет или меньше. При этом время, за которое звезда может достаточно изменить размер, температуру и светимость, соответствует тепловому времени, которое для звёзд на соответствующих стадиях эволюции составляет около 102—103 лет. При этих процессах внешние характеристики звёзд практически не меняются, однако в переносе возросшего потока энергии из ядра основную роль начинает играть нейтринное излучение[63]. Эти реакции могут проходить одновременно в различных областях звезды: структура звезды по химическому составу становится слоистой, и на границах между слоями происходят реакции, в которых один элемент превращается в другой[64][65].
Кроме указанных ниже реакций при термоядерном синтезе в звёздах производится и множество других элементов легче железа, однако многочисленные реакции, при которых эти элементы образуются, обеспечивают незначительный вклад в энерговыделение[55].
Горение углерода
После того, как в ядре звезды массой более 8 M⊙ исчерпывается гелий, оно сжимается и при достижении температуры 0,3—1,2⋅109 K в нём начинается ядерное горение углерода[66][67]:
Изотоп магния находится в возбуждённом состоянии, поэтому может распадаться по одному из приведённых путей[66]:
Также именно во время этой стадии нейтрино начинают играть решающую роль в переносе энергии из ядра[66].
Горение неона
К моменту, когда горение углерода завершается, ядро звезды состоит в основном из кислорода (0,7 массы ядра), неона (0,2—0,3 массы ядра) и магния. Среди этих частиц наименьший кулоновский барьер имеет кислород, но благодаря наличию в ядре фотонов с высокими энергиями, эндотермические реакции с участием неона становятся доступны при меньшей температуре в 1,2—1,9⋅109 K, которой достигают звёзды массой не менее 10 M⊙[68][69]:
Тем не менее энерговыделение от остальных реакций, идущих в то же время, делает стадию горения неона экзотермической[68]. Кроме того, ядра неона при реакции с альфа-частицами могут превращаться в магний, а затем в кремний[70]:
Возможна и реакция с участием двух ядер неона[70]:
Горение кислорода
Когда температура в ядре звезды достигает 1,5—2,6⋅109 K, запускается ядерное горение кислорода. Эта реакция возможна в звёздах массивнее 11 M⊙[71][69]:
Ядро серы может распадаться следующим образом[71]:
Горение кремния
Ядерное горение кремния начинается, когда температура в ядре достигает 2,3⋅109 K, при этом формируется железо. Прямая реакция маловероятна из-за того, что кулоновский барьер для неё слишком велик, поэтому синтез идёт другим путём. Сначала часть кремния проходит через реакции фотодезинтеграции[72][73]:
Альфа-частицы, получившиеся в этих реакциях, участвуют в альфа-процессе, конечным продуктом которого являются ядра никеля[74][72]:
Ядра никеля в результате двух последовательных бета-распадов превращаются сначала в ядра кобальта, а затем железа[74][72]:
Кроме того, бета-распаду подвержены и некоторые из остальных элементов, которые появляются в этой цепочке, — так формируются другие стабильные изотопы, такие как , и [11]. Вместе с тем образуемые элементы расщепляются в результате фотодезинтеграции, но равновесие между синтезом и расщеплением всех элементов в ядре достигается только тогда, когда ядро по большей части становится железным. Это состояние называется ядерным статистическим равновесием (англ. nuclear statistical equilibrium)[72][75].
Синтез элементов после железного пика
Термоядерные реакции в условиях термодинамического равновесия формируют в первую очередь ядра с наибольшей энергией связи, то есть элементы железного пика (см. выше). Более тяжёлые элементы формируются при иных условиях[62][11]. Они могут формироваться, например, при взрывном нуклеосинтезе, который происходит при потере звездой гидростатического равновесия или её разрушении — в частности, в сверхновых[76].
Нейтронный захват
Один из механизмов образования более тяжёлых элементов — нейтронный захват, при котором происходит слияние ядер со свободными нейтронами. Кулоновский барьер для таких реакций отсутствует. Выделяют два вида процессов нейтронного захвата: s-процесс (от англ. slow — «медленный») и r-процесс (от англ. rapid — «быстрый»). Первый проходит при сравнительно небольшом потоке нейтронов, второй — при большом[61][77].
При захвате нейтрона массовое число ядра увеличивается на 1, а зарядовое остаётся прежним. Ядра, в которых слишком много нейтронов, неустойчивы и могут подвергаться бета-распаду, при котором нейтрон в ядре превращается в протон, то есть зарядовое число увеличивается на 1, а массовое не меняется. Таким образом, многочисленные захваты нейтронов приводят к бета-распадам, в результате чего образуются ядра всё более тяжёлых элементов. Нейтронный захват играет основную роль в производстве элементов тяжелее железа, причём в нём производятся те элементы долины стабильности, которые относительно богаты нейтронами[78].
s-процесс

Когда поток нейтронов сравнительно невелик, то после захвата нейтрона ядром у последнего достаточно времени, чтобы подвергнуться бета-распаду, если для этого ядра он возможен, — происходит s-процесс[80]. Этот процесс может происходить, например, в звёздах асимптотической ветви гигантов между слоями, в которых происходят горение водорода и горение гелия, а также в более массивных звёздах на стадии горения гелия в ядре. Характерная продолжительность s-процесса составляет 104 лет[81][80].
Небольшой поток нейтронов в звёздах создают разные термоядерные реакции, например[82]:
Можно рассмотреть типичную реакцию s-процесса. После захвата нейтрона ядром кадмия-114 образуется ядро кадмия-115, период полураспада которого равен 54 часам. При s-процессе бета-распад этого ядра успевает произойти и образуется индий-115[83]:
Аналогичным образом ядро индия-115 захватывает нейтрон, образуя нестабильный индий-116 с периодом полураспада в 14 секунд и в результате бета-распада превращаясь в олово-116[83]:
При последующих захватах нейтронов образуются стабильные изотопы олова с массовыми числами 117, 118, 119, 120. При следующем захвате образуется нестабильное олово-121, которое превращается в сурьму-121, и s-процесс идёт дальше. Однако в s-процессе невозможно образование, например, стабильного олова-122, хотя оно возможно при r-процессе (см. ниже). Кроме того, s-процесс не способен производить элементы тяжелее висмута-209, поскольку захват нейтрона этим ядром приводит к следующему циклу реакций[84]:
Таким образом, более тяжёлые элементы образуются только при r-процессе[84]. С другой стороны, некоторые изотопы могут возникать только при s-процессе, но не при r-процессе (см. ниже). Сам s-процесс идёт не строго по одному пути: время жизни некоторых изотопов, например, селена-79, зависит от того, находятся ли они в основном состоянии или в возбуждённом, из-за чего s-процесс может идти по-разному, но, как правило, через несколько шагов после расхождения пути s-процесса сходятся друг с другом[85].
r-процесс
При большом потоке нейтронов происходит r-процесс. В этом случае захват нейтронов происходит существенно быстрее, чем бета-распад, поэтому при r-процессе образовываются нестабильные ядра с большим количеством нейтронов, которые проходят бета-распад лишь по окончании r-процесса. Сам r-процесс длится лишь порядка секунды — он может иметь место, например, при вспышках сверхновых, когда за короткий срок выделяется большое количество нейтронов[86].
Большой поток нейтронов возникает в двух случаях. Первый вариант — реакции, в которых высокоэнергетичные фотоны «выбивают» нейтроны из ядер: они происходят при температурах выше 109 K. Другой вариант — нейтронизация вещества, представимая в виде реакций , которая случается перед самой вспышкой сверхновой[87][88].
При r-процессе могут образовываться некоторые ядра, недоступные s-процессу. Это, например, элементы тяжелее висмута и «изолированные» стабильные изотопы — такие, что изотоп того же элемента с массовым числом на 1 меньше подвержен бета-распаду. При s-процессе может образоваться изотоп, подверженный бета-распаду, но он не успевает захватить ещё один нейтрон и превратиться в «изолированный» стабильный изотоп (см. выше)[84][85].
С другой стороны, некоторые ядра могут появляться в s-процессе, но не в r-процессе, например, стронций-86. При r-процессе образуется ядро, богатое нейтронами, затем оно последовательно испытывает бета-распад, при котором не меняется массовое число. Когда ядро становится стабильным, бета-распад прекращается, и элементы с тем же массовым числом, но меньшим зарядовым, образовываться не могут. Так, например, образовавшееся при r-процессе ядро с массовым числом 86 превращается в стабильный криптон-86, дальнейшие превращения которого не происходят[85].
p-процесс
При p-процессе образуются богатые протонами ядра, которые не могут сформироваться в процессах нейтронного захвата. Захват протона — лишь один из механизмов p-процесса, при котором ядро с массовым числом превращается в ядро [89][90]:
Другой механизм — выбивание нейтронов из ядра высокоэнергетичными фотонами[90]:
В результате захвата ядром позитрона один нейтрон в ядре превращается в протон[90]:
Также возможен, хотя и маловероятен, процесс, при котором происходят захват протона и отделение нейтрона из ядра[90]:
В результате p-процесса образуются такие элементы, как, например, стронций-84, молибден-92, рутений-96 и индий-113. Формирующиеся в p-процессе изотопы, называемые p-элементами, приблизительно на два порядка менее распространены, чем те, которые образуются при нейтронном захвате[89][90]. Сам p-процесс происходит на ранних этапах взрыва сверхновой[91].
История изучения
Представления об источнике энергии звёзд
После того, как был сформулирован закон сохранения энергии, — в 40-х годах XIX века — возник вопрос об источнике энергии звёзд, который долгое время оставался неразрешённым. По геологическим сведениям того времени возраст Земли составлял не менее сотен миллионов лет[комм. 3], такую же по порядку оценку давали и представления о биологической эволюции. Следовательно, Солнце также должно было светить не меньше сотен миллионов лет с приблизительно постоянной светимостью[92]. Однако наиболее эффективный из известных в то время источников энергии, предложенный Германом Гельмгольцем и лордом Кельвином, — собственная гравитация — позволил бы Солнцу светить лишь в течение десятков миллионов лет. В дальнейшем вопрос только обострился — после открытия радиоактивности оценка минимального возможного возраста Земли повысилась до 1,5 миллиарда лет[12].
В 1903 году Пьер Кюри обнаружил выделение тепла радиоактивными элементами. В связи с этим Джеймс Джинс выдвинул гипотезу, что звёзды вырабатывают энергию за счёт радиоактивного распада, но эта гипотеза также не могла объяснить возраст Солнца. После того как Альберт Эйнштейн в 1906 году открыл эквивалентность массы и энергии, Джинс предположил, что в звёздах происходит не радиоактивный распад, а аннигиляция вещества. Хотя гипотеза аннигиляции и давала достаточно большой возможный срок жизни Солнца, она не нашла подтверждения в будущем, но сама идея о внутриядерном источнике энергии звёзд оказалась правильной[93].
В 1920 году верный механизм энерговыделения — превращение водорода в гелий — предложил Артур Эддингтон. На тот момент уже было известно, что масса покоя четырёх протонов на 0,7 % превышает массу ядра гелия и что при такой реакции эта разность масс могла бы переходить в энергию — этот механизм позволил объяснить срок жизни Солнца[12][93].
Первоначально гипотеза Эддингтона была небезупречной. Во-первых, рассчитанные температуры в центрах звёзд, как казалось, были слишком малы, чтобы частицы преодолевали кулоновский барьер и формировали более тяжёлые ядра. Эта проблема была разрешена в 1929 году применением туннельного эффекта к веществу в недрах звёзд. Кроме того, не было известно, каким именно образом может происходить такое превращение, поскольку столкновение сразу четырёх протонов и двух электронов очень маловероятно. К 1939 году Ханс Бете, Карл Вайцзеккер и Чарльз Критчфилд независимо друг от друга открыли два пути превращения водорода в гелий: pp-цикл и CNO-цикл, которые в действительности проходят в звёздах. В 1941 году Мартин Шварцшильд рассчитал модель Солнца с термоядерным источником энергии и смог теоретически предсказать некоторые наблюдаемые свойства Солнца — таким образом, теория термоядерного синтеза в недрах звёзд подтвердилась. Позже были открыты и другие возможные реакции в звёздах (см. ниже), но проблема их основного источника энергии уже была в целом разрешена[12][93].
Представления о нуклеосинтезе
В 1946 году Георгий Гамов и Роберт Оппенгеймер независимо друг от друга опубликовали две научные статьи, в которых рассматривали вопрос возникновения химических элементов во Вселенной. Гамов утверждал, что химические элементы в первую очередь возникли вскоре после возникновения Вселенной при первичном нуклеосинтезе, а Оппенгеймер считал, что химические элементы в основном возникают в звёздах. До начала 1950-х годов гораздо большей поддержкой пользовалась теория Гамова — возникновение тяжёлых элементов в звёздах казалось маловероятным, поскольку для их синтеза требовались температуры на два порядка больше, чем в звёздах главной последовательности. Однако впоследствии и в теории Гамова обнаружились проблемы: наблюдаемый химический состав Вселенной был слишком неоднороден для такого повсеместного нуклеосинтеза, кроме того, отсутствие стабильных ядер с массовыми числами 5 и 8 делало практически невозможным синтез элементов с бо́льшими массовыми числами — в действительности при первичном нуклеосинтезе сформировались лишь некоторые лёгкие ядра[94][95].
В последующие годы становились известными различные возможные ядерные реакции в звёздах: например, в 1952 году Эдвин Солпитер открыл возможность тройного альфа-процесса, а в 1953—1954 годах было открыто ядерное горение углерода и кислорода. Наконец, в 1957 году была опубликована статья, известная как B²FH по фамилиям её авторов: это были Маргарет и Джефри Бербидж, Уильям Фаулер и Фред Хойл. В этой обзорной работе были сведены разрозненные данные о ядерных реакциях в звёздах и было с хорошей точностью объяснено происхождение большинства химических элементов[94][96]. Статья B²FH стала одной из важнейших и наиболее цитируемых статей по астрофизике[97][98].
Дальнейшее изучение
Ядерные реакции в звёздах и их эволюция продолжали изучаться, а теоретические модели становились точнее. Так например, ещё в 1940-х годах обсуждалась возможность наблюдения нейтрино, а в 1968 году был проведён первый эксперимент по наблюдению солнечных нейтрино. Оказалось, что количество таких частиц, излучаемых Солнцем, было меньше, чем предсказывалось теоретически. Эта проблема, известная как проблема солнечных нейтрино, разрешилась в 2002 году: тогда были обнаружены нейтринные осцилляции, в результате которых нейтрино могут переходить из одного типа в другой, не все из которых были доступны для наблюдения. Таким образом, наблюдаемое расхождение удалось объяснить нейтринными осцилляциями, а данные о ядерных реакциях в Солнце оказались верными[94][99][100].
Примечания
Комментарии
- 2 в знаменателе возникает из-за того, что темп реакций пропорционален числу возможных пар частиц в единице объёма. Если в реакции принимают участие частицы разных типов с концентрациями и , то число возможных пар — это произведение . Если в реакции принимают участие частицы одного вида с концентрацией , то каждая из них не может реагировать сама с собой, так что число пар уменьшается до . Кроме того, в таком произведении каждая пара считается дважды, и поскольку частицы одинаковы, то пара частиц и — та же пара, что и и . Поэтому число пар составляет , что приблизительно равно , поскольку обычно достаточно велико[19].
- Более строго — образуются ещё и позитроны, но они аннигилируют с электронами в плазме. Энерговыделение в 27,3 МэВ на реакцию приведено с учётом аннигиляции[33].
- Современная оценка возраста Земли — 4,6 миллиарда лет[12].
Источники
- Johnson A. J. Origin of the elements. Ohio state university. Дата обращения: 6 ноября 2021.
- Nuclear binding energy (англ.). Encyclopedia Britannica. Дата обращения: 6 ноября 2021.
- Надёжин Д. К. Ядерные реакции в звёздах. Большая российская энциклопедия. Дата обращения: 24 августа 2021.
- Постнов К. А. Лекции по общей астрофизике для физиков. 7.1 Эволюция звезд после главной последовательности. Астронет. Дата обращения: 26 августа 2021.
- Засов, Постнов, 2011, с. 166—167.
- Karttunen et al., 2007, pp. 233, 243.
- LeBlanc, 2011, pp. 206—207.
- Karttunen et al., 2007, p. 234.
- Зельдович Я. Б., Блинников С. И., Шакура Н. И. Физические основы строения и эволюции звёзд. 3. Перенос излучения в звездах. Астронет. Дата обращения: 26 августа 2021.
- Засов, Постнов, 2011, с. 231.
- Ryan, Norton, 2010, p. 137.
- Иванов В. В. Источники энергии звезд. Астрономия. СПб.: СПГУ. Дата обращения: 11 сентября 2021.
- Бисноватый-Коган Г. С. Эволюция звёзд // Физическая энциклопедия : [в 5 т.] / Гл. ред. А. М. Прохоров. — М.: Большая российская энциклопедия, 1999. — Т. 5: Стробоскопические приборы — Яркость. — 692 с. — 20 000 экз. — ISBN 5-85270-101-7.
- Salaris, Cassisi, 2005, pp. 222—224.
- Засов, Постнов, 2011, с. 99.
- Ryan, Norton, 2010, pp. 50—54.
- Зельдович Я. Б., Блинников С. И., Шакура Н. И. Физические основы строения и эволюции звёзд. 5.5 Ядерные реакции в звездах. Астронет. Дата обращения: 24 августа 2021.
- Lincoln D. Viewing the Core of the Sun // The Physics Teacher. — 2020-10-01. — Vol. 58. — P. 457—460. — ISSN 0031-921X. — doi:10.1119/10.0002060.
- Ryan, Norton, 2010, pp. 49—62.
- LeBlanc, 2011, pp. 277—279.
- Засов, Постнов, 2011, с. 169.
- Ryan, Norton, 2010, pp. 72—74.
- Ryan, Norton, 2010, pp. 72—75.
- Ryan, Norton, 2010, p. 24.
- LeBlanc, 2011, pp. 54—55, 218—219.
- Chabrier G., Baraffe I., Allard F., Hauschildt P. Deuterium Burning in Substellar Objects (англ.) // The Astrophysical Journal Letters. — Bristol: IOP Publishing, 2000. — 1 October (vol. 542). — P. L119—L122. — ISSN 0004-637X. — doi:10.1086/312941.
- Caballero J. A. A Review on Substellar Objects below the Deuterium Burning Mass Limit: Planets, Brown Dwarfs or What? // Geosciences. — 2018-09-01. — Vol. 8. — P. 362. — doi:10.3390/geosciences8100362.
- Basri G. The Lithium Test for Young Brown Dwarfs (invited review) (англ.) // Proceedings of a Workshop held in Puerto de la Cruz. — Tenerife: ASP, 1998. — Vol. 134. — P. 394.
- LeBlanc, 2011, pp. 54—55.
- Main Sequence Lifetime. Swinburne University of Technology. Дата обращения: 3 сентября 2021.
- Salaris, Cassisi, 2005, p. 164.
- Brown dwarf | astronomy (англ.). Encyclopedia Britannica. Дата обращения: 30 августа 2021. Архивировано 4 мая 2021 года.
- Засов, Постнов, 2011, с. 166.
- LeBlanc, 2011, pp. 218—223.
- Засов, Постнов, 2011, с. 169—175.
- LeBlanc, 2011, pp. 223—224.
- Main Sequence Stars (англ.). Australia Telescope National Facility. Sydney: CSIRO. Дата обращения: 2 сентября 2021.
- Salaris, Cassisi, 2005, p. 121.
- Salaris, Cassisi, 2005, p. 142.
- Salaris, Cassisi, 2005, pp. 155—159.
- Шустов Б. М. Звездообразование. Большая российская энциклопедия. Дата обращения: 11 ноября 2021.
- Домогацкий Г. В., Надёжин Д. К. Нуклеосинтез. Большая российская энциклопедия. Дата обращения: 11 ноября 2021.
- PP-chain. cococubed.asu.edu. Дата обращения: 6 ноября 2021.
- Засов, Постнов, 2011, с. 169—170.
- Salaris, Cassisi, 2005, pp. 118—119.
- Karttunen et al., 2007, с. 234—236.
- LeBlanc, 2011, pp. 220—221.
- Salaris, Cassisi, 2005, pp. 119—121.
- LeBlanc, 2011, pp. 221—223.
- Засов, Постнов, 2011, с. 174—175.
- LeBlanc, 2011, pp. 230—232.
- Salaris, Cassisi, 2005, pp. 161—163.
- Ryan, Norton, 2010, pp. 104—107.
- Salaris, Cassisi, 2005, pp. 162—163.
- LeBlanc, 2011, p. 232.
- Ryan, Norton, 2010, pp. 108—109.
- Salaris, Cassisi, 2005, p. 216.
- Thompson T. Astronomy 1101 — Planets to Cosmos. Ohio State University. Дата обращения: 6 ноября 2021.
- Salaris, Cassisi, 2005, pp. 214—224, 239.
- Karttunen et al., 2007, pp. 250—253.
- Ryan, Norton, 2010, p. 139.
- LeBlanc, 2011, p. 236.
- Salaris, Cassisi, 2005, pp. 216—217.
- Karttunen et al., 2007, pp. 250—251.
- Ryan, Norton, 2010, p. 138.
- Salaris, Cassisi, 2005, pp. 217—219.
- Ryan, Norton, 2010, p. 135.
- Salaris, Cassisi, 2005, pp. 219—220.
- Ryan, Norton, 2010, p. 136.
- LeBlanc, 2011, p. 234.
- Salaris, Cassisi, 2005, pp. 220—221.
- Salaris, Cassisi, 2005, pp. 221—222.
- Рыжов В. Н. Звездный нуклеосинтез — источник происхождения химических элементов. Астронет. Дата обращения: 7 сентября 2021. Архивировано 5 декабря 2018 года.
- LeBlanc, 2011, p. 235.
- 7.4 Нейтронизация вещества и потеря устойчивости звезды.. Астронет. Дата обращения: 7 сентября 2021. Архивировано 8 января 2020 года.
- Хохлов А. М. Взрывной нуклеосинтез // Физическая энциклопедия : [в 5 т.] / Гл. ред. А. М. Прохоров. — М.: Советская энциклопедия, 1988. — Т. 1: Ааронова — Бома эффект — Длинные линии. — 707 с. — 100 000 экз.
- LeBlanc, 2011, pp. 273—274.
- Ryan, Norton, 2010, pp. 139—146.
- Ratzel U., Arlandini C., Käppeler F., Couture A., Wiescher M. Nucleosynthesis at the termination point of the $s$ process // Physical Review C. — 2004-12-10. — Vol. 70. — Вып. 6. — P. 065803. — doi:10.1103/PhysRevC.70.065803.
- Ryan, Norton, 2010, pp. 142—143.
- Darling D. s-process. Internet Encyclopedia of Science. Дата обращения: 9 сентября 2021.
- LeBlanc, 2011, p. 274.
- LeBlanc, 2011, pp. 274—275.
- LeBlanc, 2011, pp. 275—276.
- Ryan, Norton, 2010, pp. 143—144.
- Darling D. r-process. Internet Encyclopedia of Science. Дата обращения: 9 сентября 2021.
- LeBlanc, 2011, p. 275.
- Ryan, Norton, 2010, p. 154.
- Ryan, Norton, 2010, p. 146.
- LeBlanc, 2011, pp. 276—277.
- Darling D. p-process. Internet Encyclopedia of Science. Дата обращения: 10 сентября 2021.
- Karttunen et al., 2007, p. 233.
- История астрономии. Институт истории естествознания и техники им. С. И. Вавилова. Дата обращения: 11 сентября 2021.
- Wallerstein G., Iben I. J., Parker P., Boesgaard A. M., Hale G. M. Synthesis of the elements in stars: forty years of progress (англ.) // Reviews of Modern Physics. — N. Y.: The American Physical Society, 1997. — 1 October (vol. 69). — P. 995—1084. — ISSN 0034-6861. — doi:10.1103/RevModPhys.69.995.
- Burbidge G. B²FH, the Cosmic Microwave Background and Cosmology* (англ.) // Publications of the Astronomical Society of Australia. — Melbourne: Cambridge University Press, 2008. — Vol. 25. — P. 30—35. — ISSN 1323-3580. — doi:10.1071/AS07029.
- Burbidge E. M., Burbidge G. R., Fowler W. A., Hoyle F. Synthesis of the Elements in Stars (англ.) // Reviews of Modern Physics. — N. Y.: The American Physical Society, 1957. — Vol. 29. — P. 547—650. — ISSN 0034-6861. — doi:10.1103/RevModPhys.29.547.
- Trimble V. E. Margaret Burbidge (1919—2020) (англ.) // Nature. — N. Y.: Springer Nature, 2020. — 27 April (vol. 580, iss. 7805). — P. 586—586. — doi:10.1038/d41586-020-01224-9.
- Cecilia: The Tale of Two Elements (англ.) ?. The Oxford Scientist (26 ноября 2019). Дата обращения: 12 сентября 2021.
- Засов, Постнов, 2011, с. 171—174.
- Solar neutrino problem (англ.). Encyclopedia Britannica. Дата обращения: 12 сентября 2021.
Литература
- Засов А. В., Постнов К. А. Общая астрофизика. — 2-е изд., испр. и дополн. — Фрязино: Век 2, 2011. — 576 с. — ISBN 978-5-85099-188-3.
- Karttunen H., Kroger P., Oja H., Poutanen M., Donner K. J. Fundamental Astronomy. — 5th Edition. — Berlin; Heidelberg; N. Y.: Springer, 2007. — 510 p. — ISBN 978-3-540-34143-7.
- LeBlanc F. An Introduction to Stellar Astrophysics. — Hoboken, NJ: John Wiley & Sons, 2011. — 352 p. — ISBN 978-0-470-69957-7.
- Ryan S. G., Norton A. J. Stellar Evolution and Nucleosynthesis. — N. Y.: Cambridge University Press, 2010. — 236 p. — ISBN 978-0-521-13320-3.
- Salaris M., Cassisi S. Evolution of Stars and Stellar Populations. — Chichester: John Wiley & Sons, 2005. — 388 p. — ISBN 978-0-470-09219-X.