Усилитель Уильямсона
Усили́тель Уи́льямсона — двухтактный четырёхкаскадный ламповый усилитель мощности звуковой частоты (УМЗЧ), разработанный в годы Второй мировой войны Тео Уильямсоном. При скромной выходной мощности в 15 Вт и низком, даже по меркам ламповой аппаратуры, коэффициенте полезного действия усилитель Уильямсона отличался от конкурировавших УМЗЧ низким уровнем нелинейных и интермодуляционных искажений, равномерной амплитудно-частотной характеристикой во всём диапазоне звуковых частот и эффективным демпфированием акустических систем (высокий дампинг-фактор (Damping factor)). Конструкция, опубликованная в 1947 году и предназначенная для самостоятельного повторения радиолюбителями, задала стандарт высококачественного воспроизведения звука и стала образцом ламповой схемотехники конца 1940-х и 1950-х годов[1][2].
.jpg.webp)
Схемотехнически усилитель Уильямсона повторял известную с 1934 года схему «высококачественного усилителя» Кокинга, дополненную цепью общей отрицательной обратной связи (ООС) и входным каскадом усиления ошибки. Высокие характеристики усилителя обеспечивались глубокой ООС, триодным включением выходных лучевых тетродов, консервативно выбранными режимами работы ламп и применением выходного трансформатора с необычно широкой для своего времени полосой пропускания.
Оборотной стороной достоинств усилителя Уильямсона была требовательность к качеству используемых компонентов и склонность к самовозбуждению на инфразвуковых и ультразвуковых частотах. Запас устойчивости усилителя был слишком мал, а увеличить его в рамках четырёхкаскадной схемы было практически невозможно. Конструкторы 1950-х годов создали множество усовершенствованных вариантов усилителя Уильямсона, но исправить его фундаментальные недостатки не смогли. К середине 1950-х годов производители серийных УМЗЧ отказались от схемы Уильямсона в пользу более мощных ультралинейных выходных каскадов и более устойчивых трёхкаскадных схем.
Предыстория

В 1925 году Эдвард Келлог опубликовал первую практическую методику расчёта выходных каскадов УМЗЧ на триодах и её теоретическое обоснование[4]. По мнению Келлога, допустимый уровень нелинейных искажений в УМЗЧ мог достигать 5 % — при условии, что уровень искажений нарастает плавно, а их спектр содержит преимущественно низшие гармоники усиливаемого сигнала[4]. Предложенный Келлогом предел стал фактическим стандартом для конструкторов межвоенного периода[4]. Главным заказчиком и потребителем наиболее мощных УМЗЧ в то время был звуковой кинематограф[4]; прокатчиков вполне удовлетворяли примитивные двухтактные усилители на триодах прямого накала с трансформаторными межкаскадными связями, работавшие в экономичном режиме B[4]. Лучшие образцы серийных звукоустановок на триодах 300A и 300B, производившиеся Western Electric, были редкостью и также оставались в рамках пятипроцентного стандарта[4].
В начале 1930-х годов конструкторы компаний RCA и Western Electric сумели многократно улучшить характеристики звуковоспроизводящих трактов и достигли в лабораторных условиях уровня высокой верности воспроизведения, но в серию эти разработки не пошли[5]. Великая депрессия, Вторая мировая война и послевоенный бум телевидения надолго задержали внедрение новых технологий[5]. В середине 1930-х годов в среде профессионалов утвердилось мнение, что совершенствование усилителей и акустических систем нецелесообразно до тех пор, пока на смену оптическим фонограммам и шеллаковым пластинкам не придут новые, высококачественные носители звука[6].
Развитие серийной аппаратуры приостановилось, а неудовлетворённые её качеством радиолюбители попытались добиться высокой верности самостоятельно. Американцы экспериментировали с выходными каскадами на новейших лучевых тетродах. Австралийцы предпочитали традиционные двухтактные схемы на триодах прямого накала со сложными и дорогими межкаскадными трансформаторами[7]. Британская школа конструкторов во главе с Уолтером Кокингом тяготела к двухтактным усилителям на триодах в режиме A с ёмкостными межкаскадными связями[4][8]. Межкаскадные трансформаторы считались нежелательными, так как сужали полосу пропускания и ухудшали переходную характеристику усилителя в области высших частот[4]. Тетроды и пентоды отвергались, так как вносили в сигнал бо́льше нелинейных искажений и имели бо́льшее, чем триоды, внутреннее сопротивление — что усугубляло основной резонанс громкоговорителей[4][9]. Конструктор УМЗЧ, утверждал Кокинг, должен одновременно минимизировать и частотные, и фазовые, и амплитудные искажения сигнала[4][10].
В 1934 году Кокинг опубликовал первый вариант своего «высококачественного усилителя» (англ. Wireless World Quality Amplifier). Не используя общей обратной связи, Кокинг сумел довести коэффициент нелинейных искажений УМЗЧ до 2…3 %; цепи ООС, охватывающие выходной и предвыходной каскады (но не выходной трансформатор), появились в его работах лишь в 1943 году, в «усилителе военного времени»[комм. 1] на американских лучевых тетродах 6V6[12][комм. 2]. Чрезвычайно удачный для своего времени УМЗЧ Кокинга стал прародителем всей британской звуковой схемотехники ламповой эпохи, включая усилитель Уильямсона[4].
Разработка
В 1939 году шестнадцатилетний Тео Уильямсон собрал свой первый двухтактный усилитель[13]. В том же году Уильямсон поступил в Эдинбургский университет, а весной 1943 года, в разгар войны, двадцатилетний Тео провалил экзамен по математике и был отчислен с третьего курса за неуспеваемость[14]. Попытка устроиться в штат секретного Института дальней связи, разрабатывавшего радиолокационные станции, обернулась неудачей: главный кадровик института Си Пи Сноу счёл кандидата неспособным к исследовательской работе[14]. Физически слабый, с детства больной туберкулёзом Уильямсон не подлежал призыву в действующую армию[15], и военные власти подыскали ему работу тестировщика радиоламп в компании Marconi-Osram Valve[16][14]. Разработка и производство ламп Уильямсона не привлекали; в апреле 1944 года он перешёл в схемотехническую лабораторию Marconi[14]. С ведома заведующего лабораторией Уильямсон в свободное время занимался собственными, любительскими проектами по разработке усилителей и звукоснимателей; здесь в течение 1944 года он и создал усилитель, получивший его имя[14].
Следуя идеям Кокинга[1], Уильямсон выстроил собственную, значительно более жёсткую систему требований к УМЗЧ:
- Нелинейные искажения должны быть пренебрежимо малы во всём частотном диапазоне сигнала и во всём диапазоне уровней сигнала — вплоть до предельной мощности[17]. При разработке собственного УМЗЧ Уильямсон стремился, чтобы его КНИ не превышал произвольно выбранное значение в 0,1 % — на порядок меньше, чем у лучших современных образцов[18];
- Выходное сопротивление должно быть низким. Наилучшее демпфирование резонансов громкоговорителей обеспечивает идеальный источник напряжения с нулевым выходным сопротивлением, а в реальном УМЗЧ следует стремиться к тому, чтобы выходное сопротивление было в 20…30 раз меньше номинального сопротивления громкоговорителя[19][1];
- Полоса пропускания как на малых уровнях, так и на полной мощности, должна быть не у́же 10…20000 Гц, при пренебрежимо малом фазовом сдвиге[17];
- Коэффициент усиления должен быть стабилен. Модуляция коэффициента усиления входным сигналом абсолютно недопустима[17];
- Выходная мощность усилителя должна гарантировать достаточный запас для воспроизведения оркестровой музыки в бытовых условиях. Для УМЗЧ, нагруженного на электродинамический громкоговоритель в открытом ящике, достаточна мощность в 15…20 Вт, для рупорных громкоговорителей — 10 Вт[19].

Проанализировав известные конфигурации выходных каскадов, Уильямсон вслед за Кокингом[8] пришёл к выводу, что этим требованием удовлетворяет лишь двухтактный выходной каскад на триодах, работающий в режиме А[20][1]. При этом, в отличие от схемы Кокинга, усилитель должен быть охвачен общей ООС глубиной 20…30 дБ[20][1]. Свойственное всем схемам с глубокой ООС[21] жёсткое ограничение выходного сигнала при достижении входным сигналом «потолка»[комм. 3] Уильямсона не смущало. Напротив, писал он, к этому следует стремиться ради линеаризации передаточной характеристики на средних и больших мощностях[19]. Характерное для «лампового звука»[21] мягкое ограничение сигнала Уильямсон считал нежелательным[19].
Согласно теории, усилитель с заданными Уильямсоном характеристиками был бы гарантированно устойчив тогда, когда полоса пропускания его трансформатора составляла как минимум 2,5…160000 Гц[22]. Понимая сложность создания столь широкополосного трансформатора, Уильямсон вынужденно уменьшил запас устойчивости; по его расчётам, усилитель оставался бы устойчив и тогда, когда полоса пропускания трансформатора составляла «всего» 3,3…60000 Гц при сдвиге фаз не более 90°[3][1]. При использовании выходных ламп с низким (2…2,5 кОм) внутренним сопротивлением индуктивность[комм. 4] первичной обмотки такого трансформатора должна была быть не менее 100 Гн, а индуктивности рассеяния — не более 33 мГн каждая[3]. Абсолютное большинство выходных трансформаторов того времени этим требованиям не отвечало; трансформаторы «по Уильямсону» оказались намного массивнее, сложнее и дороже обычных[24] — и при этом обеспечивали лишь едва достаточный запас устойчивости[25]. Бо́льший запас устойчивости, писал Уильямсон, может быть достигнут только многократным увеличением индуктивности первичной обмотки, что в 1940-е годы было практически недостижимо[25].
Из скудного набора ламп военного времени требованиям Уильямсона отвечали триод прямого накала PX25[комм. 5] и лучевой тетрод косвенного накала KT66 в триодном включении[27]. Первый образец своего усилителя Уильямсон собрал на хорошо известных, выпускавшихся с 1932 года[26] PX25[28]. Лампы этого поколения уже считались устаревшими; ещё в конце 1930-х годов им пришли на смену более экономичные, но менее благозвучные лучевые тетроды[28]. Во втором образце усилителя Уильямсон использовал лучевые тетроды KT66; после незначительных переделок он сумел добиться от включенных в триодном режиме KT66 столь же высоких характеристик[28]. Нелинейные искажения усилителя на паре KT66 не превышали 0,1 %, выходная мощность достигала 20 Вт[28][комм. 6].
В конце 1944 года опыты Уильямсона заинтересовали технических руководителей Marconi и звукозаписывающей компании Decca. Первые предоставили в распоряжение Уильямсона лабораторное оборудование, вторые — уникальные опытные образцы пластинок, записанных по новейшей широкополосной системе Decca ffrr[30]. Тестовые записи, превосходившие в качестве все доступные тогда носители звука, помогли Уильямсону при доводке усилителя и окончательно убедили его в верности выбранного подхода[28]. Но ни Marconi, ни её деловой партнёр GEC[комм. 7] не собирались выпускать усилитель Уильямсона серийно; всё ограничилось отчётами для служебного пользования[30][14][31]. Конструкция, опередившая своё время, не представляла интереса даже для юристов компании: в ней не было ничего, что могло бы претендовать на выдачу патента[28]. Уильямсон лишь свёл воедино давно известные технические решения[1].
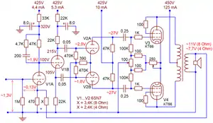
Описание конструкции
.png.webp)
.png.webp)
Топология
Усилитель Уильямсона — четырёхкаскадный ламповый пуш-пул на триодах, построенный вокруг высококачественного, широкополосного выходного трансформатора[34]. Второй (фазорасщепитель на триоде V1B), третий (предвыходной драйвер, V2A и V2B) и четвёртый (выходной, V3 и V4) каскады повторяют схему усилителя Кокинга. Дополнительный входной каскад на триоде V1А (усилитель ошибки) компенсирует потерю усиления, вносимую общей обратной связью[35].
Анод входного каскада и сетка фазоинвертора связаны между собой гальванически — это решение, известное с 1940 года, в 1947 году ещё было редкостью[36]. Американские конструкторы воспринимали его как новинку и в начале 1950-х годов[36][37]. Фазоинвертор, драйвер и выходной каскад соединены ёмкостными связями. Стремясь к максимально возможной линеаризации каждого каскада, Уильямсон (как и Кокинг) принципиально не использовал конденсаторы в катодных цепях[38]. Электролитические конденсаторы в оригинальной схеме отсутствуют: сглаживающий фильтр питания выполнен на дросселях и бумажных конденсаторах небольшой ёмкости[38].
Рабочая точка каждого каскада оптимизирована на минимум нелинейных искажений при достаточном запасе по перегрузке[35]. Выходной каскад смещён в чистый режим A; на практике он обычно строился на экранированных лампах в триодном включении. При использовании ламп KT66 или 807 выходная мощность усилителя со штатным блоком питания составляла 15 Ватт. Для достижения бо́льших мощностей, писал Уильямсон, необходимо использовать выходной каскад на параллельно включённых лампах; в статье 1947 года он упомянул о постройке опытного семидесятиваттного образца, но деталей этой конструкции не сообщил[39].
Обратная связь
Петля отрицательной обратной связи охватывает все четыре каскада и выходной трансформатор — что, по мнению авторов американского «Справочника радиоинженера» (Radio Engineering Handbook) 1959 года, явилось «суровым испытанием для конструктора» (англ. a severe test of design), которое Уильямсон мастерски выдержал[40]. Глубина обратной связи составляет 20 дБ; Уильямсон считал, что глубину ООС можно беспрепятственно довести до 30 дБ[41], но не видел в этом практического смысла[42].
Делитель напряжения обратной связи подключён непосредственно к вторичной обмотке трансформатора, поэтому действительная глубина ООС зависит от сопротивления нагрузки. Для того, чтобы она составляла необходимые 20 дБ, сопротивление верхнего плеча делителя должно быть подстроено под сопротивление нагрузки[41]. Делитель напряжения — чисто резистивный, без частотно-зависимых звеньев. Шунтирование делителя конденсатором, писал Уильямсон, может быть целесообразным лишь при использовании низкокачественного трансформатора; если трансформатор отвечает спецификации Уильямсона, то конденсатор в цепи ООС бесполезен[43]. Все цепи частотной коррекции усилителя сосредоточены в двух первых каскадах. RC-фильтры анодного питания этих каскадов по совместительству корректируют АЧХ в области инфранизких частот. RC-фильтр частотной коррекции в анодной цепи первого каскада, введённый Уильямсоном в 1949 году, сужает полосу пропускания усилителя сверху, препятствуя самовозбуждению на ультразвуковых частотах[1].
Характеристики
По утверждению самого Уильямсона, номинальная выходная мощность его усилителя 1947 года составляла 15 Вт[39]. Коэффициент нелинейных искажений (КНИ) синусоидального сигнала частотой 400 Гц на номинальной выходной мощности не превышал 0,1 %[39], демпинг-фактор составлял около 30 (выходное сопротивление 0,5 Ом при номинальном сопротивлении нагрузки 15 Ом)[39]. Неравномерность АЧХ в диапазоне частот 10…20000 Гц не превышала ± 0,1 Гц; в ультразвуковой области заметный спад АЧХ (-2,6 дБ) наблюдался лишь на резонансной частоте трансформатора (около 60 кГц)[39]. Зависимость КНИ от частоты сигнала и гармонический состав нелинейных искажений в работах Уильямсона не раскрывались; зависимость КНИ от уровня сигнала описана лишь качественно[39]. Интермодуляционные искажения усилителя, писал Уильямсон, доступным ему оборудованием не детектировались и были незаметны на слух[39].
Более подробные результаты измерений — как на чисто активном эквиваленте нагрузки, так и при подключении реального громкоговорителя в фазоинверторном корпусе — были приведены в работе Астора и Лэнгфорда-Смита 1947 года[44]. По данным австралийцев, использовавших в выходном каскаде лампы 807 с той же номинальной выходной мощностью 15…16 Вт, коэффициент передачи усилителя оставался неизменным вплоть до выходной мощности 11,1 Вт; при разомкнутой петле ООС плавный спад коэффициента усиления начинался при выходной мощности 7 Вт[45]. В спектре искажений сигнала частотой 400 Гц доминировали третья и пятая гармоника, при существенной (но незаметной на слух) доле второй гармоники[45]. При выходной мощности 0…3 Вт нечётные гармоники не детектировались, при выходной мощности 4…10 Вт детектировалась только третья гармоника (0,01…0,015 %)[45]. На отметке 11 Вт начинался резкий рост уровня и нечётных, и чётных гармоник — до 1,5 % суммарно при выходной мощности 17 Вт[45]. В точном соответствии с теорией, частоты в окрестности основного резонанса громкоговорителя (45 Гц) и лежащие ниже её были наиболее подвержены искажениям; на частотах 100…1000 Гц искажения были минимальны, а выше 1 кГц они плавно возрастали[45].
Внедрение и распространение

В феврале 1946 года Уильямсон, не связанный более обязательствами военного времени, покинул Marconi и перешёл на работу в эдинбургское отделение компании Ferranti[47]. Несколько месяцев спустя его забытый было отчёт попал в поле зрения службы сбыта Marconi[48][14]. Коммерсанты, искавшие новые способы продвижения радиоламп на гражданском рынке, передали отчёт Уильямсона для публикации в популярный журнал Wireless World; главный редактор, знавший Уильямсона по его прежним работам, связался с конструктором и заказал ему полноценную, развёрнутую статью[48][14]. По неизвестным причинам публикация, согласованная в течение 1946 года, несколько раз откладывалась; статья Уильямсона вышла лишь в апрельском номере Wireless World за 1947 год[48][14].
К удивлению всех причастных, новинка имела чрезвычайный успех[1]. Публикация совпала во времени с возобновлением телевещания, выпуском первых пластинок широкополосной грамзаписи[комм. 8], первыми публикациями о трофейных германских магнитофонах и началом частотно-модулированного радиовещания[комм. 9]; вскоре начался и выпуск долгоиграющих пластинок. Характеристики лучших УНЧ, доступных в 1947 году (полоса пропускания около 40…10000 Гц при КНИ порядка 1…2 %), не позволяли раскрыть потенциал новых форматов; на потребительском рынке существовал не удовлетворённый пока спрос на бытовую аппаратуру высокой верности[50]. В то же самое время на гражданский рынок поступила масса дешёвых электронных компонентов с военных складов — в том числе мощные тетроды 6L6 и 807[51]. Тысячи любителей принялись копировать конструкцию Уильямсона; в ответ на их запросы производители трансформаторов и шасси начали серийный выпуск комплектующих по спецификации Уильямсона[52].
Уже в августе — сентябре 1947 года австралийцы Астор и Лэнгфорд-Смит адаптировали схему Уильямсона под двойной триод 6SN7 и выходной лучевой тетрод 807, чуть позже — под лучевой тетрод 6L6[53]. Британские и австралийские журналы единодушно дали схеме превосходные оценки: «это лучший усилитель, который нам доводилось испытывать, с большим отрывом [от аналогов]»[54], «усилитель, который похоронит все другие усилители»[46], «абсолютная вершина натурального воспроизведения музыки»[55] и так далее. Американцы восприняли новинку с задержкой в два года: первые подробные и столь же восторженные статьи об усилителе Уильямсона вышли в США лишь во второй половине 1949 года[56][55][37]. К концу 1949 года схема Уильямсона уже стала признанным образцом для подражания, на котором базировались все производные конструкции с общей обратной связью[1]. Американские компании не только адаптировали схему под доступные в США компоненты, но и начали импортировать британские лампы KT66 и трансформаторы «по Уильямсону», тем самым основав американский рынок британского Hi-Fi[52].
Размах любительского «творчества» и обилие адресованных любителям публикаций имели простое экономическое объяснение[57]. Заводская аппаратура первых послевоенных лет была слишком дорога́; самостоятельная сборка усилителя экономила значительную сумму[57]. Количество самодельных усилителей Уильямсона оценивается как минимум в сотни тысяч экземпляров[14]; в 1950-е годы они абсолютно доминировали в любительской практике англоязычных стран[58]. Время стереофонического звука ещё не наступило: практически все сохранившиеся самодельные усилители — монофонические, каждый из них отличается от своих собратьев в мелких деталях, качество сборки обычно уступает серийным изделиям[58]. В XXI веке самодельные усилители 1950-х годов регулярно выставляются на продажу на онлайн-аукционах, но составить из них стереофоническую пару весьма затруднительно[58].
Заводское, пока что малосерийное, производство началось в Великобритании в феврале 1948 года; первая крупная фирма, Rogers, анонсировала выпуск усилителя Уильямсона в октябре 1948 года[59]. В начале 1950-х годов схема Уильямсона абсолютно доминировала в промышленном производстве по обе стороны Атлантики[60]; по словам обозревателя американского журнала Radio-Electronics Джона Фриборна, у профессиональных конструкторов и производителей того времени было лишь два варианта действия — «либо следовать за Уильямсоном, либо превзойти его»[61].
Проблема устойчивости
Амплитудно-частотные характеристики усилителей Уильямсона
Первые же опыты самодельщиков вскрыли «врождённые болезни» новой схемы. Заложенный конструктором запас устойчивости был слишком мал: собранные, казалось бы, в точном соответствии с авторским рецептом усилители то и дело самовозбуждались[комм. 10]. Ещё в 1947 году Астор и Лэнгфорд-Смит, дав усилителю Уильямсона превосходные оценки, сообщили, что «…подключив к выходу громкоговоритель, мы обнаружили, что при достаточно большом низкочастотном [полезном] сигнале на выходе возникают незатухающие колебания частотой около 60 кГц, сопровождающиеся пульсирующими колебаниями на некоей другой частоте (англ. some other frequency)»[33][комм. 11]. Высокочастотные колебания австралийцы подавили, зашунтировав экранирующие сетки выходных ламп конденсаторами небольшой ёмкости; выяснить природу «других» колебаний — несмотря на первоклассное лабораторное оборудование[комм. 12] — им не удалось[33].
Специалисты Лаборатории ВМФ США, проверив семь различных серийных усилителей Уильямсона[комм. 13], обнаружили, что все они самовозбуждались на частотах порядка 2…3 Гц[66]. Замена выходных трансформаторов лишь изменяла поведение усилителя на средних и высоких частотах; лучшие образцы демонстрировали идеально гладкую АЧХ от 10 Гц до 100 кГц, но и они «пульсировали» на инфразвуковых частотах[67]. В худших образцах военные наблюдали резонансный «дребезг», не переходящий в самовозбуждение, и на ультразвуковых частотах. Одни трансформаторы «звенели» на относительно низких частотах 30…50 кГц, у других спектр резонансов простирался до 500…700 кГц[68]. В любительских конструкциях, построенных на «обычных» выходных трансформаторах, высокочастотное самовозбуждение было неизбежно, а подавить его можно было лишь грубым сужением полосы пропускания. Масштаб бедствия в любительской практике достоверно неизвестен: редакция Wireless World не публиковала письма читателей, а направляла их самому Уильямсону.
Получив добро от менеджмента Ferranti, он на время приостановил основную работу и вернулся к доводке усилителя; результатом этой работы стала вторая серия статей в Wireless World, опубликованная в августе 1949 — январе 1950 года[69]. Изменения самой схемы были минимальны: Уильямсон лишь добавил во входной каскад RC-цепь частотной коррекции; бо́льшая часть его статей 1949 года была посвящена тонкостям монтажа и отладки[69][1]. Независимый анализ устойчивости усилителя Уильямсона, опубликованный в декабре 1950 года, показал, что схема действительно склонна к самовозбуждению и на ультразвуковых, и на инфразвуковых частотах[70][71].
В области низких частот амплитудно-частотная характеристика усилителя с разомкнутой цепью ООС формируется тремя фильтрами верхних частот (ФВЧ)[72][73]. Первый и второй ФВЧ — классические RC-фильтры на межкаскадных конденсаторах — в авторском варианте имели одинаковые частоты среза в 6 Гц[72]; третий ФВЧ, образованный внутренними сопротивлениями выходных ламп (2…2,5 кОм[комм. 14]) и индуктивностью первичной обмотки трансформатора (100 Гн), в состоянии покоя имел частоту среза около 3 Гц[74]. При выбранной Уильямсоном глубине обратной связи такая комбинация трёх ФВЧ с близкими частотами среза неустойчива; для её стабилизации Уильямсон ввёл в анодные цепи первого и второго каскада RC-цепи частотной коррекции с постоянными времени порядка 200 мс, по совместительству служившие развязывающими фильтрами питания[74]. Дополнительную стабилизацию обеспечивала нелинейность выходного трансформатора: по мере роста переменного тока в первичной обмотке её эффективная индуктивность возрастала, а постоянная времени выходного LR-фильтра увеличивалась[23]. Авторский вариант Уильямсона был устойчив, но его запас устойчивости был слишком мал — поэтому и самодельщики, и производители серийных усилителей неминуемо сталкивались с самовозбуждением[35]. Простейшим решением проблемы — при условии использования высококачественного выходного трансформатора — было разнесение частот среза межкаскадных фильтров[35][75][76], например, в «ультралинейном Уильямсоне» Хафлера и Кероса (1952 год) они составляли 1,3 и 6 Гц[35][75].
В области высоких частот точный расчёт невозможен из-за асимметрии фазоинверторного каскада и заведомо неизвестных, зависящих от конкретного исполнения паразитных ёмкостей монтажа и паразитных параметров выходного трансформатора[74][73]. В зависимости от выбранной модели спад АЧХ на высоких частотах формируется либо четырьмя[77][35], либо пятью[73] фильтрами нижних частот. Авторы, анализировавшие схему Уильямсона, оперировали различными значениями частот среза, но во всех случаях хотя бы три из четырёх частот были расположены слишком близко друг к другу, что и делало их сочетание неустойчивым[77][35]. Чтобы исправить положение, в 1949 году Уильямсон уменьшил полосу пропускания первого каскада дополнительной цепью частотной коррекции, но на практике этого было недостаточно — запас устойчивости был по-прежнему мал[77][78]. Конструкторам-самодельщикам пришлось искать выход самостоятельно: одни шунтировали экранирующие сетки выходных ламп добавочными конденсаторами, другие сужали полосу пропускания выходного трансформатора, полосу пропускания делителя цепи ООС или, наоборот, оптимизировали монтаж схемы, чтобы предельно уменьшить паразитные ёмкости[77][78].
Чувствительность к подбору ламп и пассивных компонентов
Усилитель Уильямсона оказался крайне чувствителен к качеству и точности подбора пассивных компонентов и ламп. Углеродистые и композиционные резисторы шумели и порождали нелинейные искажения; лампы американских серий, повсеместно применявшиеся вместо использованных Уильямсоном L63 и KT66, оказались не лучшей заменой британским лампам[81][79]. Уильямсон предупреждал читателя, что KT66 не имеет точных аналогов, и именно её следует предпочесть любым альтернативам[82].
Радиолюбители, которым и была адресована схема Уильямсона, не могли самостоятельно выявить и исправить все её проблемные места. Вооружённый авометром любитель мог «заглянуть» в область инфразвука, наблюдая за стрелкой прибора[81], но для того, чтобы исследовать поведение усилителя на высоких частотах, требовался осциллограф с верхней граничной частотой не менее 1 МГц[81]…2[83]; в 1950-е годы же осциллограф был дорогостоящей, недоступной новинкой, да и полоса пропускания большинства моделей была недостаточно широка[83][81].
Статьи профессиональных инженеров, посвящённые анализу и доводке усилителя Уильямсона, вышли относительно поздно, когда волна любительского конструирования уже схлынула, — в 1953[84], 1957[85], 1961[79] годах. Инженер Bendix Corporation М. В. Киберт, построивший по схеме Уильямсона профессиональный лабораторный усилитель, выявил в ней пять источников искажений[86]:
- Высокий уровень шума и помех из-за применения шумящих углеродистых и композиционных резисторов и неудачного выбора входного триода. По данным Киберта, замена указанных Уильямсоном резисторов на проволочные позволила улучшить отношение сигнал/шум на 12 дБ, замена двойного триода 6SN7 на малошумящий 12AY7 — ещё на 12 дБ[81];
- Частотные и нелинейные искажения из-за асимметрии резисторов и конденсаторов в плечах двухтактных каскадов. Привычный в 1950-е годы двадцатипроцентный допуск на номиналы новых конденсаторов был абсолютно неприемлем[87];
- Нелинейные искажения из-за применения в каскаде драйвера двойного триода 6SN7, неспособного качественно раскачать сетки выходных ламп. Испытав несколько типов ламп, Киберт предпочёл использовать в драйвере двойной триод 5687[88]. По мнению Толбота Райта, неблагозвучность драйвера на 6SN7 была вызвана не свойствами самой лампы, а неудачно выбранным режимом; искажения драйвера можно было исключить простым увеличением смещения на сетках этой лампы[79];
- Нелинейные искажения из-за неверного выбора резисторов делителя обратной связи — в этой роли были пригодны лишь высококачественные проволочные резисторы[80];
- Нелинейные искажения из-за неудачного подбора выходных ламп. Какой-либо связи между характеристиками конкретной лампы и уровнем искажений Киберту выявить не удалось[80].
Киберт положительно оценил звучание усилителя, но предупредил читателя: соблюсти все требования схемы Уильямсона можно лишь в лабораторных условиях[89]. Усилитель раскрывает свои возможности только при использовании недешёвых, тщательно подобранных компонентов, что в любительской практике того времени было невозможно[89]. Идеально отлаженный в заводских условиях усилитель рано или поздно потребует замены выходных ламп, которая может привести к непредсказуемому росту искажений[89].
Усовершенствованные и производные конструкции
С августа 1947 года радиолюбительская, а затем профессиональная пресса опубликовала десятки[90] вариантов усилителя Уильямсона. Первые варианты ограничивались лишь адаптацией схемы к другим, доступным на том или ином региональном рынке, лампам. Затем начались публикации авторов, пытавшихся разными способами улучшить устойчивость исходной схемы, а не позднее 1950 года появились первые проекты, существенно отступавшие от схемотехнических принципов Уильямсона.
В 1950 году Герберт Керос зашунтировал общее катодное сопротивление выходных ламп (тетродов 807) электролитическим конденсатором большой ёмкости — что, как утверждал Керос, существенно снизило нелинейные искажения на большой мощности[91]. Дэвид Хафлер и Керос использовали это решение, прямо противоречившее рекомендациям Кокинга и Уильямсона, в большинстве своих конструкций; к 1956 году оно стало воспринималось как стандартное[92]. Сам же Хафлер в 1956 году пошёл ещё дальше и использовал в своём «уильямсоне» на EL34 фиксированное смещение[93]. Применяли фиксированное смещение и советские и российские конструкторы Ю. Романюк (вариант на триодах прямого накала 6C4C, 1965 год[94]), А. Баев (вариант на генераторном пентоде ГУ-50, 1977 год[95][96]), А. Манаков (вариант на тетроде строчной развёртки 6П45С, 1990-е годы[97]).
В начале 1950-х годов конструкторы начали активно использовать конденсаторы большой ёмкости и в цепях анодного питания. На смену применённым Уильямсоном бумажным конденсаторам на 8 мкФ пришли электролитические конденсаторы ёмкостью 40 мкФ[84], а в усилителе Райта 1961 года суммарная ёмкость сглаживающих фильтров превысила 600 мкФ[98]. В серийном усилителе Bell 2200[комм. 15] (1953 год) непосредственная связь первых двух каскадов заменена ёмкостной[99], в усилителе Stromberg-Carlson AR-425 (1953 год) выходной каскад построен по тетродной схеме — с сохранением четырёхкаскадной топологии Уильямсона[100]. Неизбежное при этом ухудшение устойчивости компенсировалось дополнительными частотно-корректирующими цепями[101].
В декабре 1951 года Хафлер и Керос начали пропагандировать применение так называемых ультралинейных выходных каскадов. Под броским названием скрывалась изобретённая в 1930-е годы Аланом Блюмлейном схема включения тетрода или пентода с распределением полезной нагрузки между анодом и экранирующей сеткой. При тех же выходных лампах ультралинейный усилитель отдавал в нагрузку в полтора[102] — два раза бо́льшую, чем чисто триодный каскад Уильямсона, мощность при сопоставимом уровне искажений и стоил дешевле, чем чисто пентодные усилители[60]. Первый «ультралинейный уильямсон» Хафлера и Кероса на паре тетродов 6L6, построенный по четырёхкаскадной топологии Уильямсона[35], развивал 20 Вт[103], второй, на тетродах 807 — 30 Вт[103]. Почувствовав вкус американского рынка к большим мощностям, конструкторы запустили «гонку вооружений»; в 1955 году, уже работая независимо друг от друга, Хафлер и Керос предложили публике 60-ваттные УМЗЧ на тетродах 6550[104] и на сдвоенных KT66[105].
Так, шаг за шагом, всего за несколько лет конструкторы и производители отступили от классической схемы и идей Уильямсона — продолжая, однако, использовать его имя. В литературе XXI века усилителями Уильямсона называют даже конструкции без общей обратной связи[106]. По мнению биографа Уильямсона Питера Стинсона, это неверно; в настоящем усилителе Уильямсона должны одновременно выполняться пять условий[107]:
- Все четыре каскада — входной, фазорасщепитель, драйвер и выходной каскад — выполнены на триодах (либо, в случае выходного каскада, на тетродах или пентодах в триодном включении);
- Выходной каскад работает в режиме А;
- Связь входного каскада и фазорасщепителя — непосредственная (гальваническая);
- Высококачественный выходной трансформатор соответствует спецификации Уильямсона;
- Петля общей обратной связи глубиной 20 дБ замыкается с вторичной обмотки выходного трансформатора на катод входного каскада[107].

Благодаря деловой хватке Хафлера и Кероса американские производители (Eico, The Fisher, Harman/Kardon, Marantz и другие) один за другим отказались от «устаревших» выходных триодов и перешли на ультралинейную схему[9]. Компания Mullard — крупнейший британский производитель ламп, законодатель европейской схемотехники 1950-х годов — публично поддержала новинку[108]. Компания GEC, бывший работодатель Уильямсона, включила в свой сборник типовых схем тридцативаттный «ультралинейный Уильямсон» на лампах KT88[109]. Усилитель Уильямсона, при всех своих достоинствах, конкуренцию проиграл — как и альтернативные конструкции Питера Уокера (Quad) и Фрэнка Макинтоша (McIntosh Laboratory)[110]. В сентябре 1952 года Уильямсон и Уокер признали поражение. В написанной совместно обзорной статье они сделали вывод, что в серийном производстве предпочтительна более экономичная, но и более требовательная к качеству выходного трансформатора ультралинейная схема[56][111]. Уильямсон, уже ставший признанным авторитетом в звуковой технике, более ею не занимался[14]. Звук был для него лишь увлечением, а вся его профессиональная жизнь была связана с проблемами машиностроения. Ему довелось проектировать гигантские фрезерные станки[112], прецизионные оптические датчики[113], поточные линии и системы числового программного управления[114]; в истории же электроники Уильямсон остался автором единственной конструкции.
В 1956 году большинство серийных УМЗЧ на рынке США ещё строились по хафлеровской четырёхкаскадной схеме «ультралинейного уильямсона»[92]. В течение нескольких последующих лет сошла со сцены и она: на место четырёхкаскадной топологии Уильямсона пришла более устойчивая и дешёвая трёхкаскадная схема с балансным фазорасщепителем, по совместительству служившим драйвером выходных ламп[115]. Разработанный Хафлером трёхкаскадный ультралинейный усилитель Dynaco Stereo 70 стал самым массовым ламповым УМЗЧ в истории[116]. Потребительский рынок США заполнили многочисленные, отличавшиеся лишь в мелких деталях модели трёхкаскадных УМЗЧ с выходной мощностью 25…30 Вт и клоны менее мощных британских усилителей Mullard 5-10 и 5-20[115]. По заверениям производителей, характеристики всех этих моделей не уступали оригинальному усилителю Уильямсона — при вдвое бо́льшей выходной мощности и гарантированной устойчивости[115]. Именно тогда, с подачи того же Хафлера, в среде американских аудиофилов укрепилось субъективистское мнение о том, что характеристики усилителя не могут служить мерой его качества, что всё решают лишь личные ощущения квалифицированного, тренированного слушателя[110].
Историческая роль
Кажущаяся простота проектирования звукотехники — иллюзорна. Лишь единицам удавалось сделать это действительно хорошо. Фрэнк Макинтош сумел сделать прекрасный усилитель. Уильямсон, из Англии, сумел сделать прекрасный усилитель. Ранние модели Leak были хороши. Все эти люди не гнались за деньгами — их [главной] целью было воспроизведение музыки в домашних условиях. — Ричард Секерра, конструктор приёмников Marantz 10B и Day-Sequerra, 2009[117]
Оригинальный текст (англ.)[показатьскрыть]The notion that audio is simple and easy to do is a big fantasy. There are very few people who have ever done it really well. I think Frank McIntosh made a wonderful amplifier. [D.T.N] Williamson, in England, made a wonderful amplifier. Even the first Leaks were wonderful. The object of these people was not just money, but to reproduce music for the home. The problem today is that profit is the design objective. Music is incidental to it.
Тот самый «уильямсон», которого лично я по-прежнему считаю лучшим в своём [поколении]… — Джон Линсли Худ, 1994[24]
Оригинальный текст (англ.)[показатьскрыть]The 'Williamson' which privately I still think to be the best of the bunch
Уильямсон не был первым конструктором, добившимся высоких объективных характеристик УМЗЧ. В 1947 году в Великобритании уже существовали две самобытные конструкции УМЗЧ сравнимого качества. В сентябре 1945 года Гарольд Лик анонсировал выпуск трёхкаскадного, охваченного общей ООС УМЗЧ на триодах Leak Point One[118][119][комм. 16]; в том же 1945 году друг Уильямсона, предприниматель Питер Уокер опубликовал схему включения локальной ООС в катодные цепи выходных пентодов, восходящую к довоенным идеям Алана Блюмлейна[121][122]. И Уокер, и Лик пытались самостоятельно коммерциализировать свои разработки на замкнутом, небогатом рынке послевоенной Великобритании; за пределами страны их работы были практически неизвестны. Уильямсон, напротив, адресовал свою схему широкому кругу радиолюбителей, и именно это предопределило её успех[123][57].
В публикациях 1947 года Уильямсон определил необходимый и достаточный круг показателей, характеризующих высокое качество воспроизведения, и установил реалистичные, достижимые целевые значения этих показателей — которые в целом действуют и в XXI веке[124]. Уильямсон, с одной стороны, задал ориентиры конструкторам аппаратуры, с другой — популяризовал знание и понимание этих ориентиров в среде профессионалов и потребителей[124]. Объективные характеристики усилителя Уильямсона стали стандартом, на который ориентировались конструкторы 1950-х годов, и который в ламповую эпоху[комм. 17] было практически невозможно превзойти[24][125]. Уильямсон убедительно доказал, что нелинейные искажения можно эффективно снизить применением глубокой ООС совместно с высококачественным выходным трансформатором[126]. Ему удалось создать совершенный образец для подражания, которое продолжалось до перехода отрасли на транзисторы; создание транзисторного УМЗЧ, способного на равных конкурировать с усилителем Уильямсона, заняло полтора десятилетия. Конструкторы смогли преодолеть неблагозвучный «транзисторный звук», характерный для аппаратуры 1960-х годов, лишь к середине 1970-х годов[127].
Комментарии
- Схемотехнически «усилитель военного времени» (англ. Wartime Quality Amplifier) повторял довоенную схему. Основные изменения свелись к выбору между триодным и тетродным выходными каскадами и к уменьшению рабочих токов триодов. Это, утверждал Кокинг, должно было продлить срок их службы[11]
- В триодном «усилителе военного времени» обратная связь не использовалась[11].
- Физическая причина клиппинга в усилителе Уильямсона — возникновение сеточных токов в лампах выходного каскада[19]. Межкаскадная ёмкость не позволяет предоконечному каскаду передать в сетку требуемый ток, усилитель «задыхается». Замена ёмкостной межкаскадной связи на трансформаторную устраняет это ограничение, но … усилитель с двумя трансформаторами (выходным и межкаскадным) невозможно охватить обратной связью.
- При малых напряжениях и токах в обмотках. С ростом напряжений и токов индуктивность обмоток нелинейно возрастает; Уильямсон особо подчёркивал, что во всех расчётах речь идёт о минимальной, малосигнальной индуктивности[23].
- PX25 отличался от других прямонакальных триодов необычно высоким коэффициентом усиления напряжения (μ≈9[26]), что упрощало конструкцию драйвера по сравнению с низкочувствительными 2A3, PX4 или AD1 (μ≈4…5).
- Те же показатели КНИ и мощности развивают усилители Уильямсона на позднейших пентодах EL34[29].
- C 1919 года электровакуумные, а затем и радиотехнические производства Marconi и GEC (General Electric Company — британская компания, ничем не связанная с американской General Electric) были объединены в совместное предприятие Marconi-Osram Valve (MOV). Опытно-конструкторские подразделения Marconi, GEC и MOV работали в тесном контакте. В 1946 году слабеющая Marconi перешла в собственность English Electric, а в 1960-е — в собственность GEC. В 1999 году объединённая GEC сменила имя на Marconi plc. В 2000-е годы эта компания прекратила существование, а её активы перешли под управление Ericsson.
- Доступные в 1947 году пластинки британской системы Decca ffrr имели частотный диапазон 20…15000 Гц, против 50…8000 у лучших образцов довоенных пластинок[17].
- В США регулярное частотно-модулированное вещание в диапазоне 46…50 МГц началось в 1946 году. Тогда же, в 1946, в Великобритании и СССР[49][50]. Полноценное, регулярное ЧМ-вещание в Великобритании началось в 1955 году.
- Спорадическое, возникающее при определённом стечении обстоятельств самовозбуждение характерно для всех усилителей с недостаточным запасом устойчивости по фазе[65].
- Вместо полноценного трансформатора «по Уильямсону» Астор и Лэнгфорд-Смит использовали штатный трансформатор из комплекта громкоговорителя Goodmans Axiom[33].
- Астор и Лэнгфорд-Смит были профессиональными конструкторами крупнейшей в Австралии радиотехнической компании[53].
- Флотские инженеры испытывали гражданские усилители на пригодность к работе в составе гидролокационных комплексов[66].
- 2,0 кОм для двух последовательно соединённых выходных ламп KT66 или 2,5 кОм для выходных ламп 6L6, с учётом шунтирующего действия анодной нагрузки (10 кОм)[72].
- Торговая марка бытовой аппаратуры Bell принадлежала не AT&T, а базировавшейся в Огайо военно-промышленной компании TRW (Thompson-Ramo-Woolbridge).
- В названии торговой марки Point One («ноль один») был «зашифрован» декларируемый Ликом коэффициент нелинейных искажений — не более 0,1%. Агрессивная реклама, напиравшая на низкий КНИ, вызывала отторжение в среде потребителей и специалистов[120].
- Главный источник нелинейных искажений высококачественного двухтактного лампового УМЗЧ — выходной трансформатор. Теоретически, глубокая ООС способна подавить порождаемые трансформатором искажения — но для этого требуется достаточно высокий коэффициент усиления с разомкнутой петлёй ООС, что в свою очередь требует дополнительных каскадов усиления. Четыре каскада Уильямсона — предел, далее которого проблема устойчивости становится неразрешимой[65].
Примечания
- Frankland, 1996, p. 115.
- Jones, 2003, p. 412.
- Hood, 2006, p. 97.
- Frankland, 1996, p. 113.
- Frankland, 2002, p. 12.
- Hafler, Keroes, 1951, p. 15.
- Electronics Australia, 1990, p. 1.
- Cocking, 1934, p. 304.
- Frankland, 1996, p. 117.
- Cocking, 1934, pp. 302—303.
- Cocking, 1943, p. 356.
- Cocking, 1943, p. 355.
- Stinson, 2015, p. 14.
- Feilden, 1995, p. 520.
- Feilden, 1995, p. 518.
- Stinson, 2015, p. 15.
- Williamson, 1953, p. 7.
- Wallace, Williamson, 1953, p. 106.
- Williamson, 1953, p. 8.
- Williamson, 1953, pp. 8—9.
- Гаврилов, 2012, с. 97.
- Mitchell, 1950, p. 66.
- Williamson, 1953, pp. 9—10.
- Hood, 1994, p. 25.
- Williamson, 1953, p. 17.
- Allan Wyatt. PX25. Дата обращения: 11 февраля 2018.
- Williamson, 1953, p. 9.
- Stinson, 2015, p. 16.
- Гаврилов, 2012, с. 142.
- Stinson, 2015, pp. 16—17.
- Hood, 2006, p. 95.
- Williamson, 1953, p. 14.
- Langford-Smith, 1947, p. 100.
- Mitchell, 1950, p. 67.
- Jones, 2003, p. 414.
- Beaumont, 1950, p. 49.
- Keroes, 1950, p. 52.
- Hood, 1994, p. 26.
- Williamson, 1953, p. 13.
- Hitchcock, 1959, p. 15—17.
- Williamson, 1953, p. 11.
- Williamson, 1953, p. 12.
- Williamson, 1953, p. 18.
- Langford-Smith, 1947, pp. 100—102.
- Langford-Smith, 1947, pp. 100, 102.
- Radio and Hobbies, 1948, p. 16.
- Stinson, 2015, p. 17.
- Stinson, 2015, pp. 17—18.
- Миркин В. В. К истории советской радиосвязи и радиовещания в 1945—1965 гг. // Вестник Томского государственного университета. История. — 2013. — № 1. — С. 202.
- Electronics Australia, 1990, p. 2.
- Williams, 1990, p. 46.
- Electronics Australia, 1990, p. 3.
- Stinson, 2015, p. 24.
- Langford-Smith, 1947, p. 101.
- Sarser, Sprinkle, 1949, p. 33.
- Stinson, 2015, p. 30.
- Crabbe J., Atkinson J. John Crabbe: Firebrand // Stereophile. — 2009. — № July 14.: «it was cheaper to make your own amplifier than to buy one. That’s one reason such things as the [D.T.N.] Williamson amplifier in Wireless World were so popular: you could do it yourself and save money.»
- Jones, 2013, p. 425.
- Stinson, 2015, p. 25.
- Frankland, 1996, pp. 117, 119.
- Frieborn, 1953, p. 33.
- Williamson, 1953, p. 15.
- Dixon, 1953, p. 9.
- Dixon, 1953, p. 11.
- Hood, 2006, p. 115.
- Dixon, 1953, p. 3.
- Dixon, 1953, pp. 3—4.
- Dixon, 1953, pp. 9—13.
- Stinson, 2015, pp. 27—28.
- Jones, 2003, pp. 415—414.
- Cooper, 1950, pp. 42—44.
- Cooper, 1950, p. 42.
- Bernard, 1957, p. 65.
- Cooper, 1950, p. 43.
- Hafler, Keroes, 1952, p. 27.
- Bernard, 1957, pp. 21, 65, 68.
- Cooper, 1950, p. 44.
- Bernard, 1957, p. 66.
- Wright, 1961, p. 104.
- Kiebert, 1952, pp. 19, 35.
- Bernard, 1957, p. 61.
- Williamson, 1953, p. 34.
- Mitchell, 1950, p. 166.
- Kiebert, 1952, p. 18.
- Bernard, 1957, p. 20.
- Kiebert, 1952, pp. 18—19, 35.
- Kiebert, 1952, pp. 18, 35.
- Kiebert, 1952, pp. 18—19.
- Kiebert, 1952, pp. 35.
- Неполный перечень публикаций приведен, например, в обзоре Тима Роббинса (декабрь 2017).
- Keroes, 1950, p. 53.
- Marshall, 1956, p. 60.
- Hafler, 1956, p. 2.
- Романюк, 1965, pp. 48—49.
- Баев, 1977, с. 35.
- Торопкин, 2006, с. 160.
- Торопкин, 2006, с. 108.
- Wright, 1961, p. 105.
- Frieborn, 1953, p. 34.
- Frieborn, 1953, p. 35.
- Frieborn, 1953, pp. 34—35.
- Williamson, Walker, 1952, p. 360.
- Hafler, Keroes, 1951, p. 16.
- Keroes, 1955, p. 2.
- Hafler, 1955, p. 45.
- Торопкин, 2006, с. 192—194.
- Stinson, 2015, p. 18.
- Stinson, 2015, p. 35.
- Hood, 2006, pp. 107—108.
- Frankland, 1996, p. 119.
- Williamson, Walker, 1952, pp. 358, 360—361.
- Feilden, 1995, pp. 524—525.
- Feilden, 1995, pp. 522—523.
- Feilden, 1995, pp. 524—529.
- Hood, 1975, p. 22.
- Kitteson, C. The History and Future of Dynaco Tube Audio // Vacuum Tube Valley. — 1995. — № 1. — P. 5—7.
- Richard Sequerra: Tuning In Page 3. Stereophile (26 апреля 2009). Дата обращения: 24 февраля 2018.
- Spicer S. Firsts in High Fidelity: The Products and History of H.J. Leak & Co. Ltd.. — Audioxpress, 2000. — P. 61—67. — ISBN 9781882580316.
- Stinson, 2015, pp. 21—22, 36.
- Stinson, 2015, p. 22.
- Frankland, 1996, pp. 115—116.
- Stinson, 2015, pp. 22, 36.
- Stinson, 2015, p. 36.
- Stinson, 2015, p. 37.
- Electronics Australia, 1990, p. 4.
- Electronics Australia, 1990, p. 5.
- Hood, 2006, pp. 148, 163.
Источники
Обзорные работы (1990—2010-е годы)
- Гаврилов, С. А. Искусство ламповой схемотехники. — СПБ : Наука и техника, 2012. — ISBN 9785943878558.
- Торопкин, М. В. Ламповый Hi-Fi усилитель своими руками (2-е издание). — СПБ : Наука и техника, 2006. — ISBN 5943871772.
- Byrith, C. Power Amplifiers with Valves. — Lundahl Transformers, 2000.
- Feilden G. B. R. David Theodore Nelson Williamson // Biographical Memoirs of the Fellows of the Royal Society. — 1995. — Vol. 41, № November. — P. 516—532.
- Frankland S. Single-ended vs. Push-pull, part I // Stereophile. — 1996. — № December. — P. 110—121.
- Frankland S. The Contest for High Fidelity: Western Electric vs RCA, Part I // Vacuum Tube Valley. — 2002. — № 18. — P. 9—13.
- Hood J. L.. The Evolution of Audio Amplifier Design, Part I // Electronics in Action. — 1994. — № February. — P. 22—26.
- Hood J. L.. Valve and Transistor Audio Amplifiers. — Newnes, 2006. — ISBN 0750633565.
- Jones M. Valve Amplifiers (3rd edition). — Newnes, 2003. — ISBN 0750656948.
- Jones M. Building Valve Amplifiers (2nd revised edition). — Newnes, 2013. — ISBN 9780080966397.
- Williams N. The rise and fall of the thermionic valves or tubes - 2. — Electronics Australia. — 1990. — Июнь. — P. 42—47.
- Electronics Australia editorial. The Williamson Amplifier // Electronics Australia. — 1990. — № July. — P. 1—4.
- Stinson, P. R. The Williamson Amplifier of 1947. — 2015.
Исторические публикации (1930—1970-е годы)
- Баев, А. Усилитель НЧ мощностью 130 Вт // В помощь радиолюбителю. — 1977. — Вып. 58. — С. 32—42.
- Романюк, Ю. Стереофонический усилитель с акустическим агрегатом // Радио. — 1965. — № 10. — С. 47—49.
- Astor, R.H., Langford-Smith, F.. The Design of a High Fidelity Amplifier // Radiotronics. — 1947. — № 128. — P. 99—102.
- Beaumont J. H. Williamson Type Amplifier using 6A5's // Audio Engineering. — 1950. — № October. — P. 19—21.
- Bernard W. B. The Care and Treatment of Feedback Audio Amplifiers // Audio. — 1957. — № January. — P. 20—22, 65—69.
- Cocking, W. T. High Quality Amplification // Wireless World. — 1934. — № May 4, May 11, May 18. — P. 302—304, 330—323, 336—339.
- Cocking, W. T. The Quality Amplifier. Wartime Modifications to a Well-Known Design // Wireless World. — 1943. — № December. — P. 355—358.
- Cocking, W. T. Wireless World Quality Amplifier. Circuit Details // Wireless World. — 1946. — № January. — P. 2—6.
- Cooper G. F. Audio Feedback Design. Part III // Radio-Electronics. — 1950. — № December. — P. 42—44.; также воспроизводилось в виде главы в книге
- Crowhurst N. and Cooper G. F. Chapter 2. Analysis and Design // High Fidelity Circuit Design. — Gernsback Library, 1956. — P. 31—40.
- Dixon T. O. Laboratory Tests of Some of the Popular Audio Amplifiers. — Washington D.C. : Naval Research Laboratory, 1953.
- Frieborn, J. R. High-Quality Circuits // Radio-Electronics. — 1953. — № September. — P. 33—35.
- Hafler D., Keroes H. An Ultra-Linear Amplifier // Audio Engineering. — 1951. — № November. — P. 15—17.
- Hafler D., Keroes H. Ultra-Linear Operation of the Williamson Amplifier // Audio Engineering. — 1952. — № June. — P. 26—27, 43.
- Hafler D. A 60-Watt Ultra-Linear Amplifier // Radio and Television News. — 1955. — № February. — P. 45—47, 100—102.
- Hafler D. High Power Williamson Amplifier for Hi-Fi // Radio-Electronics. — 1955. — № December. — P. 42—44.
- Hafler D. Modernize Your Williamson Amplifier // Audiocraft. — 1956. — № January. — P. 2—4.
- Hitchcock R. Chapter 15. Audio Frequency Amplifiers // Radio Engineering Handbook, 5th edition / ed. Keith Henney. — McGraw-Hill, 1959.
- Hood J. L.. Straight Wire With Gain? // Studio Sound. — 1975. — № 4. — P. 22—29.
- Keroes H. Building the Williamson Amplifier // Radio and Television News. — 1950. — № December. — P. 52—53, 76.
- Keroes H. Adapting the Ultra-Linear Williamson to 6550 operation // Radio and Television News. — 1955. — № November. — P. 1—3.
- Kiebert M. V. The Williamson Type Amplifier brought Up to Date // Audio Engineering. — 1952. — № August. — P. 18—19, 35.
- Marshall J. High Fidelity Power Amplifiers // Radio-Electronics. — 1956. — № May. — P. 59—62.
- Mitchell R. A Wide-Range Feedback Amplifier // Radio and Television News. — 1950. — № October. — P. 67—68, 166—167.
- Triode-Connected 807 Amplifier // Radio and Hobbies in Australia. — 1948. — Март. — P. 16—21.
- Sarser D. and Sprinkle M. C. Musician's Amplifier // Audio Engineering. — 1949. — Ноябрь. — P. 33—36.
- Williamson D. T. N. The Williamson Amplifier. Second edition. — London : Illiffe, 1953.. Сборник статей 1947—1951 годов, в том числе
- Williamson D. T. N. Design for a High Quality Amplifier. Basic Requirements // Wireless World. — 1947. — № April. — P. 118—121.
- Williamson D. T. N. Design for a High Quality Amplifier.Details of Chosen Circuit and Its Performance // Wireless World. — 1947. — № May. — P. 162—163.
- Williamson D. T. N. High Quality Amplifier: The New Version // Wireless World. — 1949. — № August. — P. 282—287.
- Williamson D. T. N., Walker P. J. Amplifiers and Superlatives // Wireless World. — London, 1952. — № September. — P. 357—361.
- Wallace, E., Williamson D. T. N. Adventurers in Sound: D. T. N. Williamson // High Fidelity Magazine. — 1953. — № July-August. — P. 32—33, 108—110.
- Wright T. Improving the Williamson Amplifier // Electronics World. — 1961. — № June. — P. 104—106.
