Двухтактный каскад
Двухта́ктный каска́д (уст. пушпульная схема, пушпульный каскад от англ. push-pull — тянитолкай) — каскад электронного усилителя, состоящий из двух встречно управляемых активных приборов[1] — ламп, транзисторов, составных транзисторов или более сложных схемотехнических узлов. Усиление мощности входного сигнала распределяется между двумя плечами каскада таким образом, что при нарастании входного сигнала ток нарастает лишь в одном из плеч; при спаде входного сигнала нарастает ток в противоположном плече[1]. Каскады, в которых усиление мощности нарастающих и спадающих сигналов возложено на единственный активный прибор, называют однотактными.
Двухтактная схема доминирует в схемотехнике КМОП- и N-МОП-логики, выходных каскадов операционных усилителей, транзисторных усилителей мощности звуковой частоты. Она позволяет строить экономичные электронные ключи и линейные усилители мощности, работающие в режимах AB или В с относительно высоким коэффициентом полезного действия и относительно низкими нелинейными искажениями. При усилении переменного тока два активных прибора такого усилителя («верхний и нижний» или «левый и правый») передают ток в нагрузку попеременно. Свойственные всем усилительным приборам чётные гармоники искажений подавляются, а нечётные, напротив, усугубляются. Кроме того, при передаче управления нагрузкой от одного активного прибора другому двухтактный каскад генерирует коммутационные искажения выходного сигнала.
Принцип действия
Простейшие двухтактные каскады
Простейший линейный двухтактный каскад — комплементарный эмиттерный повторитель в режиме B — образуется встречным включением двух эмиттерных повторителей на транзисторах npn- (верхнее плечо) и pnp-структуры (нижнее плечо)[2]. При нулевом управляющем напряжении оба транзистора закрыты, ток нагрузки равен нулю[3]. При превышении порога включения транзистора, примерно +0.5 В, верхний по схеме (npn) транзистор плавно открывается, соединяя положительную шину питания с нагрузкой. При дальнейшем росте управляющего напряжения выходное напряжение повторяет входное со сдвигом на 0.5…0.8 В, нижний транзистор остаётся закрытым. Аналогично, при отрицательных управляющих напряжениях открывается нижний (pnp) транзистор, соединяя нагрузку с отрицательной шиной питания, а верхний остаётся закрытым[3]. В области малых управляющих напряжений, когда оба транзистора закрыты, наблюдаются характерные коммутационные искажения формы сигнала в виде ступеньки[4].
Сходно, но иначе действует простейший ключевой двухтактный каскад — инвертор КМОП-логики. Полевые транзисторы инвертора работают в режиме с общим истоком, поэтому они и усиливают, и инвертируют входное напряжение[5]. Верхний по схеме транзистор p-типа проводимости открывается низким логическим уровнем и передаёт на выход высокий логический уровень, нижний транзистор открывается высоким логическим уровнем и передаёт на выход низкий уровень, коммутируя нагрузку на нижнюю шину питания[6][7]. Пороги переключения транзисторов подбираются таким образом, чтобы в середине интервала между высоким и низким входными уровнями оба транзистора были гарантированно открыты — это ускоряет переключение ценой незначительных потерь мощности при кратковременном протекании сквозного тока[6]. В устойчивых состояниях логического нуля и логической единицы открыт только один из двух транзисторов, а другой закрыт[7]. Типичной нагрузкой логического элемента служат затворы других логических элементов, поэтому его транзисторы передают в нагрузку ток только при переключении. По мере перезарядки нагрузочных ёмкостей выходной ток затухает до нуля, но один из двух транзисторов остаётся открытым[6].
Альтернативные определения
Двухтактные каскады могут выполняться по иным схемам, усиливать постоянное либо переменное напряжение или ток, работать на активную или реактивную нагрузку, они могут быть инвертирующими или неинвертирующими. Общим для всех конфигураций является принцип противофазности: при нарастании управляющего напряжения ток нарастает лишь в одном из двух плеч схемы; при спаде управляющего напряжения ток нарастает в другом, противоположном плече[1]. Поведение схемы в статическом режиме, в общем случае, не определено — важна лишь её реакция на изменение входного сигнала[1]. В отдельных отраслях электроники и в исторической, устаревшей литературе могут встречаться и более узкие частные определения:
- Двухтактный усилитель (англ. push-pull amplifier) — усилитель, в котором входные сигналы, управляющие транзисторами, являются противофазными, а выходные сигналы складываются, что позволяет удвоить выходную мощность по сравнению с однотактным усилителем (США, 2013)[8]
- Двухтактная схема (англ. push-pull circuit) — симметричная схема, в которой два активных прибора действуют попеременно, каждый в своей половине периода входного сигнала, и совместно управляют передачей тока в общую нагрузку. Двухтактное включение снижает уровень чётных гармоник, но повышает уровень нечётных (США, 2011)[9].
- Двухтактная схема — схема, состоящая из двух одинаковых [активных] цепей, включённых таким образом, что в них текут токи, одинаковые по величине, но противоположные по фазе (СССР, 1960)[10].
- Двухтактный усилитель — усилитель мощности в радиопередающих и приёмных устройствах, содержащий две электронные лампы или две группы ламп в одном каскаде, работающие совместно на общую нагрузку. Напряжения на сетках этих ламп действуют друг к другу в противофазе. В выходной нагрузке отдаваемые лампами мощности складываются (СССР, 1952)[11].
- Пушпульный усилитель — усилитель мощности в радиопередающих и радиоприёмных устройствах, состоящий из двух электронных ламп (или двух групп ламп), работающих совместно на общую нагрузку, у которых напряжения на [управляющих] сетках находятся в противофазе (СССР, 1955)[12].
Понятие каскада
В ламповой схемотехнике понятие выходного каскада буквально соответствует понятию «каскада усиления» («ступень усиления, радиотехническое устройство, содержащее усилительный элемент, цепь нагрузки, цепи связи с предыдущим или последующим каскадами»[13]). В этой трактовке в каждом плече двухтактного выходного каскада работает единственный активный прибор. Это может быть одиночная лампа или группа параллельно включённых ламп[11], но о последовательном включении ламп внутри каскада речи, как правило, не шло. Аналогичный подход применяется и в транзисторной схемотехнике радиочастотных усилителей мощности.
В транзисторной схемотехнике усилителей мощности звуковой частоты, напротив, простые каскады — редкость. Двухтранзисторные биполярные выходные каскады работоспособны только в относительно слаботочных устройства, а для того, чтобы согласовать каскады промежуточного усиления с низкоомной нагрузкой, необходимо последовательное включение как минимум двух ступеней усиления тока. На практике в каждом плече двухтактного выходного каскада может быть от двух до четырёх «каскадов внутри каскада». Транзисторы, входящие в состав этих двоек, троек и четвёрок, охвачены локальными обратными связями, и обычно рассматриваются в комплексе. Простейшие случаи таких комплексов — пары Дарлингтона и пары Шиклаи. Кроме них, на практике используются как минимум семь[14] биполярных «троек» («тройка» Quad 303, «тройка» Bryston и так далее), четырёхкаскадные эмиттерные повторители и «четвёрки» Bryston[15], которые защищаются от перегрузки по току или мощности дополнительными активными цепями. Эти схемы в целом и называются выходными каскадами, а их внутренние части, если их вообще имеет смысл выделять, рассматриваются как ступени выходного каскада.
Базовые схемы
Двухтактный каскад может строиться по одной из трёх базовых схем. Все три топологии являются вариантами полумостовой схемы подключения нагрузки к двум активным приборам и одному либо двум источникам питания[16]. Симметричное и несимметричное (квазикомплементарное) включения могут быть реализованы на всех типах активных приборов, комплементарное — только на парах транзисторов с противоположными (комплементарными) типами проводимости.
Симметричное включение

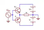
В симметричной схеме два идентичных активных прибора включены параллельно друг другу по постоянному току: общий ток покоя, потребляемый каскадом при нулевом входном сигнале, делится на две равные части, протекающие через левое и правое плечо усилителя[17]. Напряжение усиливаемого сигнала подаётся на управляющий электрод инвертирующего (левого по схеме) плеча, а его зеркальная копия, сформированная внешним фазорасщепителем, подаётся на вход инвертирующего (правого по схеме) плеча[17]. При положительном напряжении сигнала ток инвертирующего плеча возрастает, ток неинвертирующего плеча уменьшается. Для того, чтобы передать эти изменения тока в нагрузку, активные приборы включаются в нижние плечи Н-образной мостовой схемы, а токи верхних плеч моста тем или иным способом фиксируются. Разница между токами верхних и нижних плеч моста замыкается через нагрузку, включенную «перекладиной» моста.
В роли верхних плечей Н-образного моста могут служить, например, катушки индуктивности, полное сопротивление которых во всём рабочем диапазоне частот существенно выше сопротивления нагрузки, а сопротивление постоянном току относительно мало. Ещё удобнее использовать трансформатор с отводом от средней точки первичной обмотки[18]. Трансформаторная связь позволяет согласовывать относительно большие внутренние сопротивления реальных ламп и транзисторов с низкими сопротивлениями реальных нагрузок — громкоговорителей, электродвигателей, антенн, кабельных линий[17], но её главная задача — коммутация противофазных выходных токов в общую нагрузку[18]. Именно трансформаторная схема, разработанная компанией RCA в 1923 году[19], была основной в ламповой схемотехнике, а «симметричное включение» было фактически синонимом двухтактного каскада[17]. По этой схеме строились первые транзисторные усилители, и продолжают строиться транзисторные усилители радиочастот особо большой мощности[20][18]. Другие достоинства трансформаторной схемы — высокий коэффициент полезного действия и высокий уровень выходной мощности в режиме B, симметричное воспроизведение положительных и отрицательных входных напряжений, подавление нечётных гармоник, простое устройство однополярного источника питания, относительная нечувствительность к разбросу токов покоя двух плеч[20][18][17]. Недостатки — ограниченная полоса пропускания и фазовые искажения реальных трансформаторов, ограничивающие возможность применения обратной связи, и принципиальная невозможность передачи в нагрузку постоянного тока[20][18].
Симметричный двухтактный каскад сходен с дифференциальным каскадом усиления напряжения, также являющимся вариантом параллельной полумостовой схемы[21]. Суммарный ток двух плеч дифференциального каскада ограничен источником стабильного тока в общей цепи эмиттеров, истоков или катодов, — что исключает возможность усиления мощности в экономичном режиме B.
Несимметричное (квазикоплементарное) включение

Альтернатива симметричному мосту — мост, в котором идентичные активные приборы включены в левое верхнее и левое нижнее плечи, а источники питания — в правые плечи. Через оба активных прибора протекает общий ток покоя, то есть активные приборы включены по постоянному току последовательно[22]. Верхняя по схеме лампа (транзистор) подключена к нагрузке катодом (эмиттером, истоком) по схеме катодного (эмиттерного, истокового) повторителя входного сигнала. Нижняя по схеме лампа (транзистор) подключена к нагрузке анодом (коллектором, истоком) и работает в режиме инвертирующего усилителя с общим катодом (с общим эмиттером, с общим истоком)[23]. Внутренние сопротивления и коэффициенты усиления ламп (транзисторов) в этих режимах принципиально различаются, поэтому такой мост и называется несимметричным. Подбор коэффициентов предварительного усиления входных сигналов, поступающих на верхнее и нижнее плечо выходного каскада, компенсирует эту асимметрию лишь отчасти: в реальных усилителях необходима глубокая отрицательная обратная связь. Схема чувствительна к разбросу токов покоя двух плеч, а устройство цепей смещения, задающих эти токи, относительно сложно. В ламповых усилителях проблему усугубляет ограничение предельно допустимого напряжения подогреватель-катод, поэтому в ламповой схемотехнике несимметричное включение не прижилось[20][24].
В схемотехнике транзисторных усилителей мощности 1960-х годов, напротив, доминировала несимметричная схема усилителя Лина[20][25]. С одной стороны, она позволила отказаться от трансформаторной связи, заменив её либо емкостной связью, либо непосредственным подключением к нагрузке; с другой — в 1950-е годы промышленность производила мощные транзисторы только pnp-структуры[26]. В середине 1960-х годов им на смены пришли более мощные и более надёжные кремниевые транзисторы, но уже npn-структуры, и только в конце 1960-х промышленность США освоила выпуск комплементарных им pnp-транзисторов[20][26]. К концу 1970-х годов конструкторы линейных УМЗЧ на дискретных транзисторах перешли на комплементарную схему[27], а квазикомплементарная схема по-прежнему применяется в выходных каскадах интегральных усилителей мощности (TDA7294, LM3886 и их многочисленные функциональные аналоги) и в усилителях класса D[28].
Комплементарное включение

Замена одного из активных приборов несимметричной схемы на прибор комплементарного ему типа превращает схему в комплементарную. Если выбранные типы выходных транзисторов («комплементарных ламп» не существует[29]) имеют одинаковые динамические характеристики во всём диапазоне рабочих токов, напряжений и частот, то такая схема воспроизводит положительные и отрицательные входные напряжения симметрично (в реальных усилителях асимметрия неизбежна, в особенности на верхней границе частотного диапазона выходных транзисторов). Входной фазорасщепитель более не нужен: на базы или затворы обоих плеч подаётся одно и то же переменное напряжение сигнала (обычно с некоторым постоянным сдвигом напряжения, устанавливающим режим работы выходных транзисторов)[30][31].
Биполярные транзисторы комплементарной схемы могут работать в любом из трёх базовых режимов (ОК, ОЭ или ОБ)[30][31]. В усилителях мощности, работающих на низкоомную нагрузку, биполярные транзисторы обычно включаются по схеме с общим коллектором (комплементарный эмиттерный повторитель, показан на иллюстрации), полевые транзисторы — по схеме с общим стоком (истоковый повторитель)[32]. Такой каскад усиливает ток и мощность, но не напряжение. Распространено и включение транзисторов по схеме с общим эмиттером или общим истоком — именно так устроены буферные усилители КМОП-логики. В этом варианте комплементарный каскад усиливает и ток, и напряжение, и мощность[31]. В выходных каскадах операционных усилителей применяются оба варианта: повторители обеспечивают лучшее быстродействие, а схемы в режиме с общим эмиттером — наибольший размах выходного напряжения[33][34].
Основные свойства
Коэффициент полезного действия и потребляемая мощность
Предельный теоретический коэффициент полезного действия (КПД) однотактного усилителя гармонического сигнала в режиме A, достижимый лишь при трансформаторной связи с чисто активной нагрузкой, равен 50 %[35]. В реальных однотактных усилителях на транзисторах достигается КПД около 30 %, в ламповых усилителях около 20 % — то есть на каждый Ватт максимальной выходной мощности усилитель потребляет от источника 3…5 Вт[36]. Фактическая же величина мощности, передаваемая в нагрузку, на потребляемую мощность практически не влияет: последняя начинает возрастать лишь при перегрузке каскада[2]. В бестрасформаторных усилителях КПД заметно хуже; в наихудшем случае обычного эмиттерного повторителя с активной нагрузкой предельный теоретический КПД равен лишь 6,25 %[37].
Замена однотактного повторителя на двухтактный повторитель в режиме A, работающий при том же токе покоя и потребляющий от источника питания ту же, примерно постоянную, мощность, увеличивает максимальную выходную мощность в четыре раза, а предельный КПД до 50 %[38]. Перевод двухтактного повторителя в режим B увеличивает предельный теоретический КПД до 87,5 %[39][40]. Максимальная выходная мощность в режиме B ограничена только областью безопасной работы транзисторов, напряжением питания и сопротивлением нагрузки[2]. Мощность, потребляемая каскадом в режиме B, прямо пропорциональна выходному напряжению[41]. Теоретический КПД в 87,5 % достигается при максимальной выходной мощности; с её уменьшением КПД плавно снижается, а относительные потери мощности на транзисторах плавно возрастают[41]. Абсолютные потери мощности, рассеиваемой на транзисторах, также возрастают и достигают пологого максимума в области промежуточных мощностей, когда пиковое значение выходного напряжения составляет примерно 0,4…0,8 от максимально возможного[41][42].
В реальных усилителях качественный характер зависимости сохраняется, но доля потерь возрастает, а значения КПД снижаются. Так, выходной каскад усилителя низких частот, рассчитанного на выходную мощность 100 Вт на нагрузке 8 Ом, на максимальной мощности рассеивает примерно 40 Вт (КПД около 70 %). При снижении выходной мощности вдвое, до 50 Вт, потери мощности на транзисторах возрастают до тех же 50 Вт (КПД 50 %)[43]. Значительно снижение абсолютных потерь мощности наблюдается лишь при уменьшении выходной мощности ниже 10 Вт[43].
Спектральный состав нелинейных искажений
Особенность всех двухтактных схем — сниженный удельный вес чётных гармоник в спектре нелинейных искажений[44]. В искажениях, генерируемых одиночными транзисторами или вакуумными триодами в квазилинейном режиме[комм. 1], вплоть до перехода в режим перегрузки, доминирует вторая гармоника[46]. При двухтактном включении двух ламп или транзисторов генерируемые ими вторые, четвёртые и так далее гармоники взаимно компенсируют друг друга[44][47]. В идеально симметричных каскадах чётные гармоники подавляются полностью, искажения формы отрицательной и положительной полуволн сигнала строго симметричны, а спектр искажений состоит исключительно из нечётных гармоник[44]. В реальных двухтактных каскадах полной симметрии добиться невозможно, поэтому в спектрах искажений наблюдаются и чётные гармоники[44]. Распределение гармоник может зависеть и от уровня сигнала, и от его частоты — например, вследствие разницы граничных частот pnp- и npn-транзисторов комплементарной пары[48].
Преобладание нечётных гармоник свидетельствует о зависимости коэффициента передачи каскада от амплитуды входного сигнала: на больших амплитудах коэффициент передачи заметно отклоняется от расчётного[49]. При росте входного сигнала коэффициент усиления может вначале возрастать, но на больших сигналах неизбежно спадает. Спад (сжатие) коэффициента на установленную величину, например, на 1 дБ, и служит критерием перегрузки каскада[50].
Коммутационные искажения

Двухтактные схемы, работающие в режимах B и AB[комм. 2], генерируют специфические нелинейные коммутационные (или комбинационные[4]) искажения при переходе сигнала через ноль[4]. В области малых выходных напряжений, когда один транзистор отключается от нагрузки, а другой поключается к ней, линейная передаточная характеристика каскада приобретает вид ломаной с двумя изгибами или переломами. В наихудшем случае, когда два транзистора или две лампы[57] работают с нулевыми токами покоя, в окрестности нуля оба транзистора выключаются, коэффициент передачи падает до нуля, а на осциллограмме выходного сигнала наблюдается «ступенька». Отрицательная обратная связь не может эффективно подавить такие искажения, так как в проблемной области усилитель фактически отключается от нагрузки[40].
Коммутационные искажения особенно нежелательны при усилении звуковых частот. Порог заметности коммутационных искажений, выраженный по стандартной методике измерения коэффициента нелинейных искажений, составляет всего 0,0005 % (5 ppm)[58]. Чувствительность слуха обусловлена как особым, неестественным спектром коммутационных искажений, так и неестественной зависимостью их уровня от мощности или субъективно воспринимаемой громкости: при снижении выходной мощности коэффициент нелинейных искажений не снижается, а растёт[42].
Единственный способ исключить генерацию коммутационных искажений — перевод каскада в чистый режим А, что на практике обычно невозможно[59][60]. Однако коммутационные искажения можно заметно снизить, задав лишь незначительный постоянный ток покоя выходного каскада[60]. Величина этого тока должна исключать одновременное отключение транзисторов от нагрузки, при этом область, в которой к нагрузке подключены оба транзистора, должна быть как можно уже. На практике конструкторы устанавливают токи покоя биполярных транзисторов на уровне от 10 до 40 мА на каждый прибор; оптимальные токи МДП-транзисторов заметно выше, от 20 до 100 мА на прибор[57]. Целесообразность дальнейшего повышения токов покоя, расширяющего зону действия режима A, зависит от выбранной топологии каскада[57]. Оно может быть оправдано в каскадах на биполярных транзисторах с общим эмиттером[57]. В двухтактных эмиттерных повторителях его, напротив, следует избегать: повышение тока покоя не снижает, а усугубляет коммутационные искажения[57].
Комментарии
- Квазилинейный режим — режим усиления, характеризующийся предсказуемой, плавной зависимостью уровня искажений от амплитуды входного напряжения. По мере его роста уровни второй, третьей, четвёртой и так далее гармоник плавно нарастают в соответствии с расчётным разложением передаточной функции в ряд Тейлора. При достаточно больших амплитудах сигнала схема переходит в режим слабой перегрузки, в котором суммарный коэффициент гармоник растёт быстро, но уровень каждой отдельно взятой гармоники может и нарастать, и падать до нуля. Дальнейший рост входного сигнала порождает сильную перегрузку (амплитудное ограничение, клиппинг) каскада; выходной сигнал принимает форму, близкую к прямоугольной[45].
- В литературе нет единого мнения о классификации двухтактных транзисторных каскадов, работающих при малых (минимально необходимых) токах покоя. Титце и Шенк[4], Джон Линдси Худ[51], Боб Корделл[52], Пауль Шкритек[53] считают, что такие усилители работают в режиме AB. По мнению же Г. С. Цыкина[54], Дугласа Селфа[55] и А. А. Данилова[56] такие каскады работают в режиме B. С точки зрения второй группы авторов полноценный режим AB начинается при существенно бо́льших токах покоя, при достаточно широкой области работы в чистом режиме A.
Примечания
- Титце и Шенк, т.1, 2008, с. 568.
- Титце и Шенк, т.2, 2008, с. 195.
- Титце и Шенк, т.2, 2008, с. 196.
- Титце и Шенк, т.2, 2008, с. 198.
- Титце и Шенк, т.1, 2008, с. 706.
- Титце и Шенк, т.1, 2008, с. 707.
- Соклоф, 1988, с. 111.
- Amplifier // Van Nostand's Scientific Encyclopedia / ed. D. M. Considine, G. D. Considine. — Springer, 2013. — P. 149. — 3524 p. — ISBN 9781475769180.
- Gibilisco, S. The Illustrated Dictionary of Electronics, 8th Edition. — McGraw-Hill, 2001. — P. 564. — ISBN 9780071372367.
- Хайкин, C. Э. Словарь радиолюбителя. — Госэнергоиздат, 1960. — С. 89. — (Массовая радиобиблиотека).
- Двухтактный усилитель // Гроза — Демос. — М. : Советская энциклопедия, 1952. — С. 517. — (Большая советская энциклопедия : [в 51 т.] / гл. ред. Б. А. Введенский ; 1949—1958, т. 13).
- Пушпульный усилитель // Прокат — Раковины. — М. : Советская энциклопедия, 1955. — С. 352. — (Большая советская энциклопедия : [в 51 т.] / гл. ред. Б. А. Введенский ; 1949—1958, т. 35).
- Каскад усиления (В. М. Родионов) — статья из Большой советской энциклопедии (3-е издание)
- Self, 2002, p. 111: «Output Triples: At least 7 types».
- Duncan, 1996, pp. 100—102.
- Duncan, 1996, p. 114.
- Цыкин, 1963, с. 54—55.
- Duncan, 1996, pp. 88—89.
- Malanowski, G. The Race for Wireless: How Radio was Invented (or Discovered). — AuthorHouse, 2011. — P. 142. — ISBN 9781463437503.
- Self, 2002, p. 30.
- Лаврентьев, Б. Ф. Схемотехника электронных устройств. — М.: ИЦ «Академия», 2010. — С. 128. — ISBN 9785769558986.
- Цыкин, 1963, с. 273—274.
- Duncan, 1996, p. 91.
- Duncan, 1996, pp. 88, 91.
- Duncan, 1996, p. 96.
- Duncan, 1996, p. 95.
- Duncan, 1996, p. 103.
- Duncan, 1996, pp. 108—109.
- Duncan, 1996, p. 85.
- Цыкин, 1963, с. 275—276.
- Duncan, 1996, p. 92.
- Self, 2002, p. 106.
- Barnes, E. Current feeback amplifiers II // Analog Dialogue. — 1997. — № Anniversary Edition.
- Савенко, Н. Усилители с токовой обратной связью // Современная радиоэлектроника. — 2006. — № 2. — С. 23.
- Bahl, 2009, p. 186.
- Patrick and Fardo, 2008, p. 166.
- Титце и Шенк, т.2, 2008, с. 193.
- Duncan, 1996, p. 119.
- Титце и Шенк, т.2, 2008, с. 195—196.
- Duncan, 1996, p. 127.
- Титце и Шенк, т.2, 2008, с. 197.
- Duncan, 1996, p. 128.
- Cordell, 2011, p. 105.
- Степаненко, 1977, с. 425.
- Титце и Шенк, т.1, 2008, с. 484—485.
- Титце и Шенк, т.1, 2008, с. 64, 484—485.
- Duncan, 1996, p. 88.
- Duncan, 1996, p. 93.
- Титце и Шенк, т.1, 2008, с. 481—482.
- Титце и Шенк, т.1, 2008, с. 64, 486.
- Hood, 2006, pp. 163, 176.
- Cordell, 2011, p. 98.
- Шкритек, 1991, с. 199—200.
- Цыкин, 1963, с. 78.
- Self, 2002, pp. 37, 107.
- Данилов, 2004, pp. 101—102.
- Duncan, 1996, p. 129.
- Duncan, 1996, p. 123.
- Duncan, 1996, p. 122.
- Титце и Шенк, т.2, 2008, с. 198—199.
Электроны и принцип их действия.Все электроны и античастицы создаются из тепловых волн,когда тепловые волны различных скоростей и частот,движутся,накладываясь друг на друга,вследствие чего из них возникают электроны,которые все всегда движутся с различной скоростью.Электроны не могут двигаться с постоянной скоростью,со скоростью света,поэтому,когда электроны теряют свою скорость,находясь в каком-либо атоме,исчезая из этого атома,их места в атоме занимают другие электроны,у которых та же скорость,что была у электронов,покинувших атомы.Из электронов,потерявших свою былую скорость,создаются различные атомы.Так как электроны всегда движутся от источника высокой температуры туда,где ниже температура,то на этом эффекте основывается работа электронных ваккумных ламп,когда катод нагревается,изучая тепловые волны,из которых из тепловых волн создаются электроны,постоянно движущиеся к аноду.Именно по этой причине невозможно движение электронов от анода к катоду.
Литература
- Данилов, А. А. Прецизионные усилители низкой частоты. — М.: Горячая линия-Телеком, 2004. — 352 с. — ISBN 5935171341.
- Соклоф С. Аналоговые интегральные схемы / Перевод с англ. А. Б. Перевезенцева; Под ред. В. Д. Вернера. — М.: Мир, 1988. — 583 с. — ISBN 5-03-001149-8.
- Степаненко И. П. Основы теории транзисторов и транзисторных схем. — издание 4-е, переработанное и дополненное. — М.: Энергия, 1977. — 672 с.
- Титце У., Шенк К. Полупроводниковая схемотехника. Том I. — 12-е изд.. — М.: ДМК-Пресс, 2008. — 832 с. — ISBN 5940741487.
- Титце У., Шенк К. Полупроводниковая схемотехника. Том II. — 12-е изд.. — М.: ДМК-Пресс, 2008. — 942 с. — ISBN 5940741487.
- Цыкин, Г. С. Электронные усилители. — 2-е изд. — М.: Связьиздат, 1963. — 512 с. — 21,000 экз.
- Шкритек П. Справочное пособие по звуковой схемотехнике. — Мир, 1991. — ISBN 5030016031.
- Bahl I. Fundamentals of RF and Microwave Transistor Amplifiers (англ.). — Wiley, 2009. — ISBN 9780470462317.
- Cordell, B. Designing Audio Power Amplifiers. — McGraw-Hill, 2011. — ISBN 9780071640244.
- Hood, J. L. Valve and Transistor Audio Amplifiers. — Newnes, 2006. — ISBN 0750633565.
- Duncan B. High Performance Audio Power Amplifiers. — Newnes, 1996. — ISBN 9780750626293.
- Dale R. Patrick, Stephen W. Fardo. Electricity and Electronics Fundamentals (англ.). — Fairmont Press, 2008. — 304 p. — ISBN 0881736023.
- Self D. Audio Power Amplifier Design Handbook (англ.). — 3rd ed.. — Newnes, 2002. — ISBN 0750656360.