Усилитель Лина
Усили́тель Ли́на — первая практически работоспособная схема бестрансформаторного транзисторного усилителя мощности звуковой частоты (УМЗЧ). Разработан Хун-Чан Лином в 1956 году, массово применялся в серийных УМЗЧ 1960-х и первой половины 1970-х годов. В начале 1970-х годов конструкторы развили базовую схему Лина до так называемого модифицированного усилителя Лина — трёхкаскадного усилителя с дифференциальным входным каскадом и комплементарным двухтактным выходным каскадом. Во всех вариантах усилителя Лина усиление напряжения возложено на единственный биполярный транзистор, работающий в режиме c общим эмиттером, при этом опорным («нулевым») уровнем этого каскада служит одна из шин питания.

Модифицированный усилитель Лина, фактически являющийся высоколинейным операционным усилителем (ОУ), абсолютно доминировал в схемотехнике дискретных и интегральных УМЗЧ и классических интегральных ОУ последней четверти XX века и начала XXI века[1][2]. В схемотехнике интегральных УМЗЧ малой мощности по-прежнему используются и варианты базовой схемы Лина[1].
Изобретение Лина
Транзисторные усилители мощности 1950-х годов строились по унаследованной из ламповой схемотехники симметричной (пушпульной[комм. 1]) двухтактной схеме с двумя трансформаторами (входным и выходным)[3][4]. Эти усилители, развивавшие выходную мощность порядка нескольких сотен мВт, имели высокий коэффициент полезного действия (что обусловило их применение в переносных радиоприёмниках и слуховых аппаратах) при неустранимо высоких нелинейных искажениях[3]. Высокий уровень коммутационных искажений был предопределён работой в режиме AB с малыми токами покоя[3]. Снизить его, охватив усилитель петлёй отрицательной обратной связи, было практически невозможно из-за частотных и фазовых искажений в двух последовательно включённых трансформаторах[3][5].
Для того, чтобы охваченный обратной связью усилитель был устойчивым, требовалось исключить из схемы как минимум один из двух трансформаторов[3]. Функции согласования импедансов и расщепления фаз управляющего сигнала, которые в классической схеме исполняли трансформаторы, следовало возложить на транзисторы[6]. Дополнительную сложность представлял ограниченный ассортимент тогдашних, исключительно германиевых транзисторов: в слаботочных каскадах конструкторы могли использовать транзисторы и pnp-, и npn-структуры (пока ещё не комплементарные), в мощных — только pnp-транзисторы[6]. Решение задачи — первая практически работоспособная схема бестрансформаторного транзисторного УМЗЧ — было найдено разработчиком компании RCA Хун-Чан Лином и опубликовано в сентябрьском номере журнала Electronics за 1956 год[6][1].
В классическом авторском варианте Лина — всего два каскада. Всё усиление напряжения сосредоточено в первом каскаде на транзисторе V1 (в схемотехнике УМЗЧ называемом каскадом усиления напряжения, КУН). Выходной каскад Лина — квазикомплементарный двухтактный эмиттерный повторитель, в верхнем плече которого включён составной транзистор на паре Дарлингтона, а в нижнем — составной транзистор на паре Шиклаи[7]. Термостабилизация выходного каскада возложена на термистор VT. Усилитель охвачен тремя петлями обратной связи: вольтодобавка на конденсаторе С3 стабилизирует режим работы V1, петля ООС R8C5 в сочетании с выходным сопротивлением источника сигнала задаёт коэффициент усиления, делитель R1R2 стабилизирует напряжение средней точки эмиттерного повторителя и также участвует в задании коэффициента усиления[7][8]. С указанными Лином компонентами усилитель способен отдать в нагрузку сопротивлением 16 Ом выходную мощность 6 Вт[7]. Коэффициент нелинейных искажений на частоте 400 Гц достигает 1 % — слишком много по меркам ламповой аппаратуры, но существенно меньше КНИ пушпульных транзисторных схем[7].

Простая, элегантная[1] и при этом хитроумная[6] схема Лина имела много недостатков. Выходной каскад был связан с нагрузкой через разделительный электролитический конденсатор, вносивший в усиленный сигнал заметные искажения. Входной каскад предполагал подключение к источнику сигнала с определённым — не большим, но и не малым — внутренним сопротивлением, фактически работавшим в режиме генератора тока[3]. Первое можно было преодолеть, перейдя с однополярного питания на двухполярное, второе — включением на вход усилителя Лина дополнительного согласующего каскада. Намного серьёзнее была проблема теплового дрейфа выходного каскада: именно из-за неё массовое внедрение усилителя Лина началось лишь в середине 1960-х годов, когда на рынке появились кремниевые транзисторы[9]. Усилители, построенные на новейшей элементной базе, были достаточно надёжны, экономичны, не требовали наладки — но неблагозвучны. Асимметрия пар Дарлингтона и Шиклаи, малозаметная в каскадах на германиевых транзисторах, с переходом на кремниевые транзисторы оказалась недопустимо велика[10]. Конструкторы 1960-х годов, воспитанные в рамках ламповой схемотехники, были не готовы и не способны решить эту проблему; простейшее и наилучшее решение — использование комплементарных выходных транзисторов — было пока невозможно[11]. Мощные кремниевые транзисторы тех лет были доступны только в npn-структуре; мощные кремниевые pnp-транзисторы появились лишь в начале 1970-х годов, а комплементарные, симметричные пары npn- и pnp-транзисторов — ещё позже[12].
Несмотря на недостатки, схема Лина оказалась чрезвычайно долговечной. Последовательные, пошаговые усовершенствования её узлов и связей между ними продолжались десятилетиями; в начале 1970-х годов схема мутировала в модифицированный усилитель Лина, абсолютно доминировавший в схемотехнике УМЗЧ последней четверти XX века, а затем и эта схема подверглась множеству больших и малых доработок. Главная причина успеха схемы кроется в непосредственной связи каскада усиления напряжения и выходного каскада. Усилитель Лина легко трансформируется в полноценный усилитель постоянного тока (УПТ) — для этого достаточно устранить выходной разделительный конденсатор и дополнить схему входным дифференциальным каскадом[13]. Низкоомное соединение баз и эмиттеров выходных транзисторов гарантирует щадящий режим работы даже при значительных обратных токах коллекторов (что было критично для несовершенных транзисторов 1960-х и 1970-х годов); верхний и нижний силовые транзисторы попеременно надёжно запираются[14]. Ни одно из этих достоинств, само по себе, не уникально для схемы Лина, но Лин сумел первым свести их воедино в простой, пригодной для массового выпуска и дальнейших усовершенствований конструкции[14].
Эволюция схемы
Последовательные усовершенствования схемы Лина в 1965-1972 годы[15]
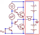
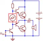
Череда усовершенствований базовой схемы началась не позднее 1961 года, когда британцы Тоби и Динсдейл опубликовали собственную версию усилителя Лина[1]. В этом, трёхкаскадном варианте, схему дополнил входной каскад, согласующий низкое входное сопротивление КУН c выходным сопротивлением источника сигнала[1]. Термистор, регулировавший ток покоя выходных транзисторов, был заменён германиевым диодом; в остальном КУН и выходной каскад остались неизменными[1]. В конце 1960-х датчики на кремниевых диодах стали стандартным оснащением УМЗЧ[8], и примерно тогда же появились первые транзисторные датчики — умножители напряжения база-эмиттер[16]. К концу 1970-х годов транзисторные датчики вытеснили диодные[16].
В начале 1970-х годов конструкторы УМЗЧ освоили применение транзисторных генераторов стабильного тока (ГСТ), до того использовавшихся лишь в аналоговых интегральных схемах[8]. Замена нагрузочных резисторов КУН (R3, R4 в схеме Лина) на активный ГСТ позволила снизить рабочий ток КУН (в схеме Лина он был вынужденно высоким), увеличить его коэффициент усиления до практического максимума (в 1970-е годы составлявшего примерно 1000…3000[17]) и отказаться от вольтобавки[8]. Исключение конденсатора вольтодобавки С3 устранило потенциальный источник искажений и приблизило схему к идеалу — усилителю постоянного тока[8].
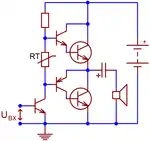
Примерно тогда же, по мере удешевления компонентов блоков питания, произошёл переход с однополярного питания УМЗЧ на двуполярное; с исключением из схемы разделительного конденсатора С4 она превратилась в полноценный УПТ[8]. В новой конфигурации условный «нуль» (потенциал эмиттера) входной цепи КУН более не совпадал с общим проводом — теперь он был привязан к подверженной всевозможным помехам шине питания (обычно отрицательной)[8]. Задача согласования опорных уровней и фильтрации помех на практике оказалась несложной: вначале её решали с помощью входного каскада на одиночном транзисторе, а на рубеже 1960-х и 1970-х годов конструкторы впервые применили дифференциальный входной каскад[8]. По странному стечению обстоятельств дифференциальный каскад, применявшийся в ламповых вычислительных машинах и промышленной автоматике с 1940-х годов, не использовался конструкторами звуковой аппаратуры до середины 1960-х годов, когда инженеры RCA популяризовали его применение в схемах на новейших кремниевых транзисторах[18]. Превосходство дифференциального каскада над предшествовавшими ему схемами было столь велико, что уже в первую половину 1970-х годов он вытеснил их и стал непременным, безальтернативным компонентом транзисторных УМЗЧ[18].
Параллельно конструкторы — по-прежнему связанные необходимостью использовать транзисторы одной полярности — искали способы линеаризовать от природы нелинейный, асимметричный выходной каскад схемы Лина[19]. Асимметрию можно было свести к минимуму использованием комплементарных пар мощных транзисторов. Первые практические схемы на таких парах разработали в 1967—1968 годы Барт Локанти и Артур Бейли, но необходимые для них pnp-транзисторы были пока дороги и ненадёжны. Конструкторы вынужденно продолжили совершенствование схемы, использовавшей лишь npn-транзисторы. В 1969 году на свет появились три альтернативные схемы, в которых асимметрия пар Дарлингтона и Шиклаи отчасти компенсировалась диодом, добавленным в пару Шиклаи; в том же году начался выпуск усилителей на «тройках Quad» — трёхступенчатых составных транзисторах[19].
Полностью подавить искажения, порождавшие «транзисторный звук», эти полумеры не могли; радикальным решением, в принципе исключавшим появление коммутационных искажений, был перевод выходного каскада в чистый режим А. По этому пути пошла британская компания Sugden и многочисленные любители-самодельщики, но для массового производства транзисторные усилители в режиме A были запретительно до́роги[20]. Вскоре промышленность освоила выпуск недорогих и надёжных кремниевых транзисторов pnp-структуры, в практику вошли полностью комплементарные выходные каскады, и проблема асимметрии ушла в прошлое[21]. Так, не позднее 1972 года, сложилась структурная схема трёхкаскадного модифицированного усилителя Лина[21].
Комментарии
- В русскоязычной литературе понятие «пушпул» (заимствованное англ. push-pull) нередко обобщается до всякой двухтактной схемы. В контексте ламповой и ранней транзисторной схемотехники оно, однако, имеет узкий смысл: пушпул — симметричная схема, плечи которой включены параллельно по постоянному току, а возбуждающие сигналы — противофазны. Сложение выходных токов осуществляется, как правило, выходным трансформатором.
Примечания
- Duncan, 1996, p. 96.
- Данилов, 2004, с. 56—57.
- Hood, 2006, p. 142.
- Duncan, 1996, pp. 87, 88.
- Duncan, 1996, p. 88.
- Hood, 2006, p. 143.
- Hood, 2006, p. 144.
- Duncan, 1996, p. 98.
- Hood, 2006, pp. 144—145.
- Hood, 2006, pp. 144—146.
- Hood, 2006, pp. 146—149.
- Hood, 2006, p. 150.
- Duncan, 1996, pp. 96—97.
- Duncan, 1996, p. 97.
- Duncan, 1996, pp. 96—104.
- Duncan, 1996, pp. 99—100.
- Полонников, 1983, с. 35.
- Duncan, 1996, pp. 98—99.
- Hood, 2006, pp. 151—153.
- Hood, 2006, pp. 154—155.
- Duncan, 1996, p. 104.
Источники
- Данилов А. А. Прецизионные усилители низкой частоты. — М.: Горячая линия-Телеком, 2004. — 352 с. — ISBN 5935171341.
- Полонников, Д. Е. Операционные усилители. — М.: Энергоатомиздат, 1983.
- Cordell B. Designing Audio Power Amplifiers. — McGraw-Hill, 2011. — ISBN 9780071640244.
- Duncan B. High Performance Audio Power Amplifiers. — Newnes, 1996. — ISBN 9780750626293.
- Hood J. L. Valve and Transistor Audio Amplifiers. — Newnes, 2006. — ISBN 0750633565.
- Self D. Audio Power Amplifier Design Handbook. — 3rd ed.. — Newnes, 2002. — ISBN 0750656360.