Метод Кауэра
Метод Кауэра — метод синтеза линейных двухполюсников, основанный на разложении реактансной функции в цепную дробь.

Рис. 1. Электрическая схема, реализующая реактансную функцию методом Кауэра
На рис. 1 показана электрическая схема, состоящая из сопротивлений (в общем случае — комплексных). Реактансная функция этой схемы выражается цепной дробью
где — комплексная проводимость звена.
.PNG.webp)
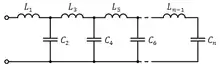
Рис. 2. LC-схема, реализующая реактансную функцию методом Кауэра
Полагая, что звенья с нечётными номерами имеют индуктивное сопротивление , а звенья с чётными номерами — ёмкостное (рис. 2), получим выражение
Так как реактансная функция линейного двухполюсника представляет собой дробь, числитель и знаменатель которой являются полиномами от p, преобразование реактансной функции в цепную дробь позволяет немедленно получить физическую реализацию двухполюсника в виде каскадной LC-схемы (рис. 2).
Литература
- Бессонов Л.А. Теоретические основы электротехники. Электрические цепи. — М.: Гардарики, 2002. — 638 с. — ISBN 5-8297-0026-3.
This article is issued from Wikipedia. The text is licensed under Creative Commons - Attribution - Sharealike. Additional terms may apply for the media files.