Мартенсит
Мартенсит — микроструктура игольчатого (пластинчатого), а также реечного (пакетного) вида, наблюдаемая в закалённых металлических сплавах и в некоторых чистых металлах, которым свойственен полиморфизм. Мартенсит — основная структурная составляющая закалённой стали; представляет собой упорядоченный пересыщенный твёрдый раствор углерода в α-железе такой же концентрации, как у исходного аустенита. С превращением мартенсита при нагреве и охлаждении связан эффект памяти металлов и сплавов. Назван в честь немецкого металловеда Адольфа Мартенса. По аналогии термин также может относиться к любой кристаллической структуре, которая образована бездиффузионным преобразованием.

| Мартенсит |
|---|
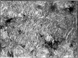
![]() Мартенситная структура стали 35, закалённой с 870°C в воде |
| Фазы железоуглеродистых сплавов |
|
| Структуры железоуглеродистых сплавов |
|
| Стали |
| Чугуны |
|
Образование
Физический механизм образования мартенсита принципиально отличается от механизма других процессов, происходящих в стали при нагреве и охлаждении. Другие процессы диффузионны, то есть атомы перемещаются с малой скоростью, например, при медленном охлаждении аустенита создаются зародыши кристаллов феррита и цементита (Fe3C), к ним в результате диффузии пристраиваются дополнительные атомы и, наконец, весь объём приобретает перлитную или феррито-перлитную структуру. Мартенситное превращение бездиффузионно (сдвиговое превращение), атомы перемещаются с большой скоростью по сдвиговому механизму, скорость распространения порядка тысячи метров в секунду.
Структура и свойства
Кристаллическая структура мартенсита тетрагональна, элементарная ячейка имеет форму прямоугольного параллелепипеда, атомы железа расположены в вершинах и центре ячейки, атомы углерода в объёме ячеек. Структура неравновесна, и в ней есть большие внутренние напряжения, что в значительной степени определяет высокую твёрдость и прочность сталей с мартенситной структурой.
При нагреве сталей с мартенситной структурой происходит диффузионное перераспределение атомов углерода. В стали возникают две фазы — феррит, содержащий очень мало углерода (до 0,02 вес.%) и цементит (6,67 вес.% углерода). Элементарная ячейка феррита имеет форму куба, атомы железа расположены в вершинах и в центре куба (объемноцентрированная структура), цементит имеет ромбическую структуру. Элементарная ячейка цементита имеет форму прямоугольного параллелепипеда.
Кристаллическая решётка мартенсита связана постоянными кристаллографическими соотношениями с решёткой исходной структуры аустенита, то есть плоскости с определёнными кристаллографическими индексами в структуре мартенсита параллельны плоскостям с определёнными индексами в структуре аустенита. Соотношение между кристаллографическими направлениями в решётках мартенсита и аустенита аналогично.

Виды мартенсита
1. Пластинчатый или игольчатый (двойниковый) мартенсит, который образуется в углеродистых и легированных сталях при температуре начала мартенситного превращения ниже 200 °C. При этом образовавшиеся мартенситные пластины имеют среднюю линию повышенной травимости, которую называют мидрибом. Мидриб состоит из большого числа двойников по плоскостям {112}, толщина которых составляет 5-30 нм.
2. Реечный или иначе пакетный (дислокационный) мартенсит, характерен для малоуглеродистых, среднеуглеродистых и высоколегированных сталей, для которых температура начала мартенситного превращения выше 300 °C. В этом случае кристаллы мартенсита представляют собой тонкие рейки толщиной 0,2-2 мкм и вытянутые в одном направлении. Сосредоточение параллельных друг другу реек образуют пакеты. Между собой рейки разделены тонкими прослойками остаточного аустенита толщиной 10-20 нм.
Образование того или иного структурного типа мартенсита обусловлено температурой его формирования, которая зависит от состава сплава и других факторов. Значительный интервал между температурой начала и конца мартенситного превращения приводит к наличию в сталях двух типов мартенсита, которые образуются при различной температуре. Низкая прочность аустенита при высокой температуре способствует образованию реечного мартенсита, а с понижением температуры, когда прочность аустенита выше, увеличивается доля пластинчатого мартенсита[1].
Также существуют низкоуглеродистые мартенситные стали, в которых образуется мартенсит только реечного типа и отсутствует остаточный аустенит. Температура начала мартенситного превращения у таких сталей порядка 400 °C.
Реечный мартенсит обладает повышенной релаксационной способностью.
Мартенситное превращение
Мартенситное превращение при охлаждении происходит не при постоянной температуре, а в определённом интервале температур, при этом превращение начинается не при температуре распада аустенита в равновесных условиях, а несколькими сотнями градусов ниже. Оканчивается превращение при температуре значительно ниже комнатной. Таким образом, в интервале температур мартенситного превращения в структуре стали, наряду с мартенситом, есть и остаточный аустенит. Температуры как начала, так и окончания мартенситного превращения могут сильно зависеть от концентраций легирующих элементов.
При пластической деформации стали при температурах мартенситного превращения количество мартенсита увеличивается. В некоторых случаях также влияет упругая деформация. Возможно превращение аустенита в мартенсит при комнатных температурах под действием пластической деформации.
Кроме железоуглеродистых сплавов, мартенситное превращение наблюдается и в некоторых других материалах, например, сплавах на основе титана (Ti) (сплавы типа ВТ6, ВТ8, ВТ14), меди (бронзы типа БрАМц 9-3), материалах с памятью формы, оксидных материалах (ZrO2).
Примечания
- Гуляев А. П. Металловедение. — Металлургия, 1986. — С. 232–235. — 544 с.
См. также
Ссылки
- Миркин Л. Мартенсит // Энциклопедия «Кругосвет».
- Зотов О. Г., Кисельников В. В., Кондратьев С. Ю. Физическое металловедение. — СПБГТУ, 2001.
- Билби Б. А., Христиан И. В. Мартенситные превращения // Успехи физических наук. — 1960. — Т. LXX. — Вып. 3.
- [kutol.narod.ru/PUBL/martens.pdf Магницкий О.Н. и др. Моделирование на ЭВМ свойств твердых растворов железо—углерод как функции электронного строения легирующих компонентов и их состава. II.Прогнозирование физико-механических свойств твердых растворов альфа-железо—углерод (область мартенсита) ЭВМ. / О.Н.Магницкий, Е.Н.Пряхин, С.А.Кутолин, А.С.Капран, К.Л.Комаров, Ю.А.Фролов // Журнал физической химии — 1982. — Т. 56. — № 12. — С. 3026–3029.; Chem.Abstr. v.98,147571u,1983.]
