Texas Instruments SN76477
SN76477 — электронный компонент, микросхема программируемого генератора звука, разработанная компанией Texas Instruments в конце 1970-х годов. По терминологии разработчика она представляет собой комплексный генератор звука (Complex Sound Generator).

Возможности

- Генератор прямоугольных импульсов, управляемый напряжением
- Сверхнизкочастотный генератор
- Модулятор, управляемый напряжением
- Генератор цифрового шума (на основе сдвигового регистра)
- Фильтр для генератора цифрового шума
- Генератор огибающей (Атака/Спад)
- Программно управляемый микшер
Несмотря на похожесть обозначения и время разработки микросхемы аналогичного назначения той же компании — SN76489 — ничего общего между ними нет. Синтез звука в SN76477 производится аналоговой схемой, имеющей цифровое управление, тогда как SN76489 является полностью цифровым генератором звука.
Применения

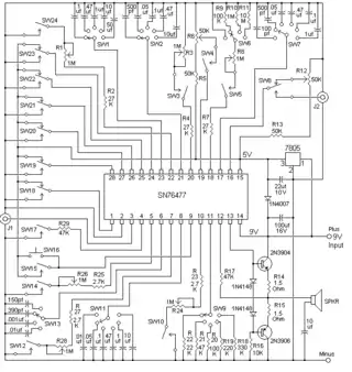
Микросхема применялась в ряде игровых автоматов с 1978 по 1983 годы, а также в различных электронных игрушках и радиолюбительских конструкциях. Схемы подобных конструкций публиковались в различных журналах, например в ELO (Германия, 1980), Elektor (Германия, 1982), Elrad (Германия, 1979), ITM Praktiker (Австрия, 1983), Popular Electronics (1980).
См. также
Примечания
Ссылки
- SN-76477 — Публикации из различных радиожурналов, оригинальная документация.