7 мм калибр
Эта статья перечисляет патроны огнестрельного оружия, которые имеют калибр пули в диапазоне от 7 мм (.284 дюйма) до 8 мм (.320 дюйма) (за искл. Патрон 7.92 x 57 мм).

Унитарный патрон в разрезе.
Пуля 1, заряд пороха 3, донце с закраиной 4, воспламеняющий элемент (капсюль-воспламенитель) 5 и, иногда, дополнительные элементы соединены в одно целое посредством гильзы 2.
Пуля 1, заряд пороха 3, донце с закраиной 4, воспламеняющий элемент (капсюль-воспламенитель) 5 и, иногда, дополнительные элементы соединены в одно целое посредством гильзы 2.

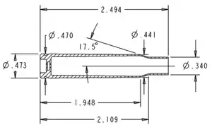
Чертеж гильзы винтовочного патрона .30-06 Springfield.
Пример гильзы без выступающей закраины (бесфланцевая гильза). Все размеры в дюймах.
Пример гильзы без выступающей закраины (бесфланцевая гильза). Все размеры в дюймах.

.303 British — английский винтовочный унитарный патрон.
Пример гильзы с выступающей закраиной (фланцевая гильза).
Пример гильзы с выступающей закраиной (фланцевая гильза).

Патрон .32 ACP (7,65x17 мм Браунинг).
Пример гильзы с кольцевой проточкой и частично выступающей закраиной (полуфланцевая гильза).
Пример гильзы с кольцевой проточкой и частично выступающей закраиной (полуфланцевая гильза).
Выражение «Длина» соответствует длине гильзы.
Выражение «ПДП» соответствует полной длине патрона.
Все размеры приведены в мм (дюймах).
Буква «R» обозначает наличие у гильзы выступающей закраины (фланцевая гильза).
Список пистолетных и револьверных патронов
Пистолетные патроны
| Название | Калибр пули фактический | Длина гильзы | Закраина / | Основание / Проточка | Плечо | Дульце гильзы | Длина патрона |
|---|---|---|---|---|---|---|---|
| 7×20 мм Намбу[1] | 7.112 (.280) | 19.81 (0.780) | 9.12 (.359) | 8.91 (.351) | 8.56 (.337) | 7.52 (.296) | 26.92 (1.060) |
| 7,65 мм Рот-Зауэр | 7.645 (.301) | 12.95 (0.510) | 8.51 (.335) | 8.51 (.335) | - | 8.43 (.332) | 21.34 (0.840) |
| 7,65×25 мм Борхарт | 7.798 (.307) | 25.15 (.990) | 9.91 (.390) | 9.78 (.385) | 9.4 (.370) | 8.41 (.331) | 34.54 (1.360) |
| 7,62х25 мм ТТ | 7.798 (.307) | 24.99 (.984) | 9.96 (.392) | 9.83 (.387) | 9.47 (.373) | 8.48 (.334) | 34.29 (1.350) |
| 7,63 мм Маузер | 7.823 (.308) | 25.15 (.990) | 9.91 (.390) | 9.68 (.368) | 9.4 (.370) | 8.43 (.332) | 34.54 (1.360) |
| 7,63 мм Манлихер | 7.823 (.308) | 21.34 (0.840) | 8.48 (.334) | 8.43 (.332) | - | 8.41 (.331) | 28.45 (1.120) |
| 7,65 мм MAS | 7.849 (.309) | 19.81 (0.780) | 8.56 (.337) | 8.56 (.337) | - | 8.53 (.336) | 30.23 (1.190) |
| 7,65×21 мм Парабеллум | 7.861 (.3095) | 21.59 (.850) | 10.01 (.394) | 9.906 (.390) | 9.627 (.379) | 8.433 (.332) | 29.84 (1.175) |
| en:.32 NAA | 7.92 (.312) | 17.27 (.680) | 9.5 (.374) | 9.5 (.374) | 9.47 (.373) | 8.53 (.336) | 24.99 (.984) |
| .32 ACP (7,65 мм Браунинг) | 7.937 (.3125) | 17.27 (.680) | 9.093 (.358) (R/2) | 8.585 (.338) | - | 8.560 (.337) | 24.99 (.984) |
Револьверные патроны
| Название | Калибр пули фактический | Длина гильзы | Закраина /Фланец | Основание / Проточка | Плечо | Дульце гильзы | Длина патрона |
|---|---|---|---|---|---|---|---|
| 7.62x38R (7.62 mm Русский Наган) | 7.493 (.295) | 38.86 (1.530) | 9.855 (.388) (R) | 8.51 (.335) | - | 7.26 (.286) | 38.86 (1.530) |
| .32 Смит энд Вессон[1] | 7.950 (.312) | 15.49 (0.610) | 9.53 (.375) (R) | 8.51 (.335) | - | 8.48 (.334) | 23.37 (0.920) |
| .32 Смит энд Вессон длинный (.32 Colt New Police)[1] | 7.950 (.312) | 23.62 (0.930) | 9.53 (.375) (R) | 8.51 (.335) | - | 8.48 (.334) | 32.26 (1.270) |
| .32 Кольт короткий (.320 Revolver)[1] | 7.950 (.313) | 16.51 (.650) | 9.576 (.377) (R) | 8.077 (.318) | - | 7.95 (.313) | 24.38 (.960) |
| .32 Кольт длинный (.32 Colt) | 7.950 (.313)[1] | 23.37 (0.920) | 9.500 (.374) (R) | 8.077 (.318) | - | 7.95 (.313) | 32.00 (1.260) |
| 7.5 мм Швейцарский армейский револьвер обр. 1882 г. | 8 (.315) | 22.8 (.8976) | 10.4 (.4094) (R) | 8.4 (.3307) | - | 8.4 (.3307) | 34.6 (1.3622) |
Список винтовочных патронов
Винтовочные патроны калибра 7,0 мм (.277 in)
| Название | Калибр пули фактический | Длина гильзы | Закраина /Фланец | Основание /Проточка | Плечо | Дульце гильзы | Длина патрона |
|---|---|---|---|---|---|---|---|
| 6,8×43 мм Remington SPC | 7.036 (.277) | 42.545 (1.675) | 10.72 (.422) | 10.69 (.421) | 10.21 (.402) | .298 (.298) | 58.80 (2.315) |
| .270 Уэзерби магнум | 7.036 (.277) | 64.75 (2.55) | 13.50 (.531) | 13.00 (.512) | 12.50 (.492) | 7.70 (.303) | 82.50 (3.250) |
| .270 WSM (Винчестер магнум короткий) | 7.036 (.277) | 53.34 (2.100) | 13.59 (.535) | 14.10 (.555) | 13.665 (.538) | 7.976 (.314) | 72.64 (2.860) |
| .270 Винчестер | 7.036 (.277) | 64.52 (2.540) | 12.01 (.473) | 11.94 (.470) | 11.20 (.441) | 7.06 (.278) | 84.84 (3.340) |
Винтовочные патроны калибра 7,2 мм (.284 in)
| Название | Калибр пули фактический | Длина гильзы | Закраина / Фланец | Основание /Проточка | Плечо | Дульце гильзы | Длина патрона |
|---|---|---|---|---|---|---|---|
| .276 Энфилд | 7.16 (.282) | 60 (2.35) | 13.1 (.517) | 13.4 (.528) | - | - | 82 (3.23) |
| .284 Винчестер | 7.211 (.284) | 55.12 (2.170) | 12.01 (.473) | 12.72 (.501) | 12.06 (.475) | 8.13 (.320) | 71.12 (2.80) |
| Британский .280 | 7.214 (.284) | 43.434 (1.71) | 11.633 (.458) | 11.94 (.470) | 11.38 (.448) | 7.95 (.313) | 64.516 (2.54) |
| 7 мм Дакота | 7.214 (.284) | 63.50 (2.500) | 13.84 (.545) | 13.84 (.545) | 13.49 (.531) | 8.00 (.315) | - |
| 7,21 Лаццерони Файрбол | 7.214 (.284) | - | - | - | - | - | - |
| 7,21 Лаццерони Томахок | 7.214 (.284) | - | - | - | - | - | - |
| 7 мм-08 Ремингтон | 7.214 (.284) | 51.689 (2.035) | 12.01 (.473) | 11.94 (.470) | 11.53 (.454) | 8.00 (.315) | 71.12 (2.80) |
| .280 Ремингтон (7 мм Ремингтон экспресс) | 7.214 (.284) | 64.52 (2.54) | 12.01 (.473) | 11.94 (.470) | 11.20 (.441) | 8.00 (.315) | 84.58 (3.33) |
| 7 мм Ремингтон магнум | 7.214 (.284) | 63.50 (2.50) | 13.51 (.532) | 13.00 (.512) | 12.47 (.491) | 8.00 (.315) | 83.56 (3.290) |
| 7 мм Ремингтон BR (Bench Rest) | 7.214 (.284) | 38.61 (1.520) | 12.01 (.473) | 11.94 (.470) | 11.68 (.460) | 7.82 (.308) | - |
| Новый 7 мм Ремингтон магнум (Гильза en:.375 Ruger) | 7.214 (.284) | 65 (2.559) | 13.51 (.532) | 13.51 (.532) | 13.1 (.516) | 8.05 (.317) | 85 (3.35) |
| 7 мм RUM (Remington Ultra Magnum) | 7.214 (.284) | 72.39 (2.85) | 13.564 (.534) | 13.97 (.550) | 13.335 (.525) | 8.179 (.322) | 92.71 (3.650) |
| 7 мм SAUM патроны Ремингтон (Short Action Ultra Magnum) | 7.214 (.284) | 51.69 (2.035) | 13.564 (.534) | 13.97 (.550) | 13.564 (.534) | 8.128 (.320) | 71.76 (2.825) |
| 7 мм STW[2] (Shooting Times Westerner) | 7.214 (.284) | 72.39 (2.850) | 13.02 (.5126) | 13.51 (.532) | 12.36 (.4868) | 8.00 (.315) | 91.44 (3.60) |
| 7 мм Уэзерби магнум | 7.214 (.284) | - | - | - | - | - | - |
| 7 мм WSM | 7.214 (.284) | 53.34 (2.100) | 13.59 (.535) | 14.10 (.555) | 13.67 (.538) | 8.15 (.321) | - |
| .276 Педерсен | 7.218 (.284) | 51.38 (2.023) | 11.43 (.450) | 11.43 (.450) | 9.78 (.385) | 7.95 (313) | 72.39 (2.85) |
7×57 мм Маузер
| 7.24 (.285) | 57.00 (2.244) | 12.01 (.473) | 11.99 (.472) | 10.92 (.430) | 8.23 (.324) | 77.72 (3.06) |
| 7×64 мм Бреннеке[3] | 7.24 (.285) | 64.00 (2.520) | 11.95 (.470) | 11.85 (.467) | 10.80 (.425) | 7.95 (.313) | 84.00 (3.307) |
| .280 Росс[4] / .280 Rimless / .280 Nitro | 7.29 (.287) | 65.79 (2.59) | 14.12 (.556) | 13.56 (.534) | 10.26 (.404) | 8.05 (.317) | 88.9 (3.50) |
Винтовочные патроны калибра 7,3 мм
| Название | Калибр пули фактический | Длина гильзы | Закраина /Фланец | Основание / Проточка | Плечо | Дульце гильзы | Длина патрона |
|---|---|---|---|---|---|---|---|
| 7,35×51 мм Каркано | - | - | - | - | - | - | - |
Винтовочные патроны калибра 7,5 мм
| Название | Калибр пули фактический | Длина гильзы | Закраина /Фланец | Основание / Проточка | Плечо | Дульце гильзы | Длина патрона |
|---|---|---|---|---|---|---|---|
| 7,5×55 мм Шмидт-Рубин | 7.77 (.306) | 55.499 (2.185) | 12.598 (.496) | 12.548 (.494) | 11.481 (.452) | 8.484 (.334) | 77.47 (3.050) |
| 7,5×54 мм[5] | 7.82 (.308) | 53.59 (2.110) | 12.24 (.482) | 12.19 (.480) | 11.2 (.441) | 8.64 (.340) | 75.95 (2.990) |
Винтовочные патроны калибра 7,6мм (.308 дюйма)
| Название | Калибр пули фактический | Длина гильзы | Закраина / Фланец | Основание / Проточка | Плечо | Дульце гильзы | Длина патрона |
|---|---|---|---|---|---|---|---|
| .30 (7,62×33 мм) Карбайн | 7.798 (.307) | 32.77 (1.290) | 9.14 (.360) | 8.99 (.354) | - | 8.41 (.331) | 41.91 (1.650) |
| 7,62×40 мм Уилсон тактический | 7.82 (.308) | 39.8 (1.565) | 9.6 (.378) | 9.6 (.377) | - | - | - |
| .30-40 Крэг | 7.82 (.308) | 58.674 (2.31) | 13.84 (.545) | 11.608 (.457) | 10.541 (.415) | 8.585 (.338) | 78.74 (3.100) |
| .300 Уэзерби магнум[6] | 7.82 (.302) | 71.75 (2.825) | 13.49 (.531) | 13 (.512) | 12.5 (.492) | 8.53 (.336) | 90.47 (3.562) |
| .30-378 Уэзерби магнум[7] | 7.82 (.308) | 73.99 (2.913) | 14.71 (.579) | 14.78 (.582) | 14.25 (.561) | 8.56 (.337) | 93.73 (3.690) |
| Новый .300 Холланд энд Холланд (Full length 375 Ruger case) | 7.82 (.308) | 72.39 (2.850) | 13.51 (.532) | 13.51 (.532) | 13.1 (.516) | 8.6 (.338) | 91.44 (3.600) |
| .300 RSAUM | 7.82 (.308) | 51.181 (2.015) | 13.564 (.534) | 13.97 (.550) | 13.564 (.534) | 8.74 (.344) | 51.69 (2.035) |
| .300 RUM | 7.82 (.308) | 72.39 (2.850) | 13.564 (.534) | 13.97 (.550) | 13.335 (.525) | 8.74 (.344) | 90.30 (3.555) |
| 7,62×51 мм НАТО | 7.82 (.308) | 51.05 (2.010) | 11.94 (.470) | 11.84 (.466) | 11.35 (.447) | 8.58 (.338) | 69.85 (2.750) |
| .308 Винчестер | 7.82 (.308) | 51.18 (2.015) | 11.94 (.470) | 11.94 (.470) | 11.53 (.454) | 8.74 (.344) | 69.85 (2.750) |
| .300 Винчестер Магнум | 7.82 (.308) | 66.55 (2.620) | 13.51 (.532) | 13.03 (.513) | 12.42 (.489) | 8.61 (.339) | 84.84 (3.340) |
| .300 WSM (Winchester Short Magnum) | 7.823 (.308) | 53.34 (2.100) | 13.59 (.535) | 14.10 (.555) | 13.665 (.538) | 8.74 (.344) | 72.64 (2.860) |
| Британский .30-03 | 7.835 (.3085) | 64.52 (2.540) | 12.01 (.473) | 11.94 (.470) | 11.2 (.441) | 8.64 (.340) | 84.84 (3.340) |
| .30-06 Спрингфилд | 7.835 (.3085) | 63.35 (2.494) | 12.01 (.473) | 11.94 (.470) | 11.07 (.436) | 8.628 (.3397) | 84.84 (3.340) |
| .30-30 Винчестер | 7.849 (.309) | 51.79 (2.039) | 12.85 (.506) | 10.72 (.422) | 10.18 (.401) | 8.46 (.333) | 64.77 (2.550) |
| 7,62x45 мм M52 | 7.85 (.309) | 44.9 (1.768) | 11.18 (.440) | 11.20 (.441) | 10.46 (.412) | 8.48 (.334) | 60 (2.362) |
Винтовочные патроны калибра 7.8 mm (.310 дюйма) и крупнее
| Название | Калибр пули фактический | Длина гильзы | Закраина /Фланец | Основание/ Проточка | Плечо | Дульце гильзы | Длина патрона |
|---|---|---|---|---|---|---|---|
| 7.62×70 мм Лапуа магнум | 7.87 (.310) | 69.73 (2.745) | 14.93 (.588) | 14.91 (.587) | 13.82 (.544) | 8.73 (.344) | 94.50 (3.720) |
| 7,62×54 мм R | 7.870 (.310) | 53.72 (2.115) | 14.48 (.570) (R) | 8.53 (.336) | 11.47 (.452) | 8.50 (.335) | 77.16 (3.038) |
| 7,62×39 мм | 7.899 (.311) | 38.65 (1.522) | 11.30 (.445) | 11.25 (.443) | 10.01 (.394) | 8.636 (.340) | 55.80 (2.197) |
| 7,7×56 мм R (.303 British) | 7.925 (.312) | 55.88 (2.200) | 13.46 (.530) | 11.61 (.457) | 10.19 (.401) | 8.53 (.336) | 76.48 (3.011) |
| .32-20 Винчестер .32-20 WCF | 7.937 (.3125) | 33.401 (1.315) | 10.287 (.405) | 8.966 (.353) | 8.687 (.342) | 8.280 (.326) | 40.386 (1.590) |
| Аргентинский 7,65×53 мм | 7.950 (.313) | 53.188 (2.094) | 11.938 (.470) | 11.887 (.468) | 10.897 (.429) | 8.585 (.338) | 75.387 (2.968) |
| 7,7×58 мм Арисака | 7.950 (.313) | 57.15 (2.250) | 11.94 (.470) | 11.89 (.468) | 10.9 (.429) | 8.59 (.338) | 74.93 (2.950) |
Примечания
- Barnes, Frank C., ed. Amber, John T., Cartridges Of The World (3rd Edition), (DBI, 1978), ISBN 0-695-80326-3
- «7mm Shooting Times Westerner» data from Accurate Powder
- Barnes, Frank C. Cartridges of the World (англ.) / McPherson, M.L.. — 8th Edition. — DBI Books, 1997. — P. 355,374. — ISBN 0-87349-178-5.
- Barnes, Frank C. Cartridges of the World (англ.) / Skinner, Stan. — 11th Edition. — Iola, WI, USA: Gun Digest Books, 2006. — P. 384,408. — ISBN 0-89689-297-2.
- Barnes, Frank C. Cartridges of the World (англ.) / Skinner, Stan. — 11th Edition. — Iola, WI, USA: Gun Digest Books, 2006. — P. 353,375. — ISBN 0-89689-297-2.
- .300 Weatherby Magnum at Accurate Powder
- Cartridge Dimensions Архивировано 4 января 2013 года. at Steve’s Pages
См. также
This article is issued from Wikipedia. The text is licensed under Creative Commons - Attribution - Sharealike. Additional terms may apply for the media files.