Убежище гражданской обороны
Убежище гражданской обороны — специальное сооружение, предназначенное для защиты людей от оружия массового поражения[лит 1].
.jpg.webp)
Предшественниками убежищ являлись газоубежища начала XX века, защищавшие людей от химического оружия и бомбоубежища 30—40-х годов с преимущественной защитой от бомб и снарядов. Термин «убежище» в отношении гражданских защитных сооружений начал применяться в литературе и в кругу специалистов ещё в довоенное время[лит 2], чтобы объединить под одним термином разнородные бомбоубежища и лёгкие сооружения химической защиты, но по-настоящему вошло в обиход и по очереди вытеснило термины «газоубежище» и «бомбоубежище» значительно позднее.
Предназначение и классификация
Убежища обеспечивают защиту от действия:
- ударной волны ядерного взрыва (на определённом расстоянии от места взрыва);
- светового излучения;
- проникающей радиации;
- излучения осадков на следе радиоактивного облака;
- отравляющих веществ;
- бактериальных (биологических) средств[лит 3].
Убежища также защищают людей от возможного поражения при обрушении зданий над сооружением или вблизи него, воздействия высоких температур при пожаре и продуктов горения[1].
Защита от ударной волны и обломков разрушающихся зданий обеспечивается прочными ограждающими конструкциями (стены, покрытия, защитно-герметические двери) и противовзрывными устройствами. Эти конструкции защищают также от воздействия проникающей радиации, светового излучения и высоких температур.
Для защиты от отравляющих веществ, бактериальных средств и радиоактивной пыли сооружение герметизируют и оснащают фильтровентиляционной установкой. Установка очищает наружный воздух, распределяет его по отсекам и создаёт в убежище избыточное давление (подпор), препятствующее прониканию заражённого воздуха внутрь помещения через мельчайшие трещины в ограждающих конструкциях.
Но одной защиты ещё недостаточно. Требуется обеспечить возможность длительного пребывания людей в убежищах (до прекращения пожаров, спада уровней радиации). Для этого сооружения помимо фильтро-вентиляции, снабжающей людей воздухом, пригодным для дыхания, должны иметь надежное электропитание, санитарно-технические устройства (водопровод, канализацию, отопление), а также запасы воды и продовольствия.
В зависимости от места размещения убежища подразделяются на встроенные и отдельно стоящие. Встроенные убежища устраиваются в подвальной части зданий, это наиболее распространенный тип защитных сооружений. Отдельно стоящие не имеют надстройки сверху и размещаются на территории предприятий, во дворах, парках, скверах и других местах на некотором расстоянии от зданий.

Многие убежища строят с учётом возможности их использования в мирное время для различных культурно-бытовых и производственных целей (вспомогательные помещения предприятий, гаражи, предприятия торговли и общественного питания, пешеходные переходы, мастерские). Поэтому при проектировании учитывают не только специальные требования защиты людей, но и особенности технологии использования сооружений в мирное время.
Устройство убежища и его внутреннее оборудование во многом зависят от вместимости, то есть максимального количества людей, которое можно укрыть в сооружении.
Убежища большой вместимости имеют более сложную систему фильтровентиляции и другого внутреннего оборудования по сравнению с подобными сооружениями малой вместимости. Сложность внутреннего оборудования и инженерных сетей, оснащенность агрегатами, механизмами, приборами зависит от назначения и характера использования в мирное время.

В защитном сооружении должны быть следующие документы:
— план сооружения;
— принципиальные схемы расположения инженерно-технических систем;
— инструкции по эксплуатации инженерно-технических систем;
— паспорт убежища;
— журнал укрытий и убежищ.
Убежища классифицируются по:
- защитным свойствам ;
- вместимости;
- месту расположения (встроенные и отдельностоящие);
- обеспечению фильтровентиляционным оборудованием (с оборудованием промышленного изготовления; с оборудованием, изготовленным из подручных материалов);
- времени возведения (построенные заблаговременно; быстровозводимые);
- назначению (для защиты населения; для размещения органов управления и т. п.)[2].
Следует иметь в виду, что строительство убежищ началось ещё до Второй мировой войны. Естественно, с того времени требования к убежищам неоднократно изменялись. Поэтому в практике эксплуатации можно встретить самые различные сооружения как по планировочным и конструктивным решениям, так и по внутреннему их оборудованию и оснащению.
Устройство убежищ
Планировка и состав помещений
.jpg.webp)
Планировка и состав помещений в убежищах зависят от вместимости сооружения, конструктивных особенностей, характера использования в мирное время и других причин. Основными являются помещения (отсеки), где размещаются укрываемые.
В убежище должны быть места для сидения на 80 %, для лежания на 20 % укрываемых. Между сиденьями ширина проходов составляет не менее 0,85 м.
Вместимость убежища определяется исходя из нормы: не менее 0,5 м2 площади на человека. В состав помещений убежища также входят:
- фильтровентиляционная камера;
- помещение дизельной электростанции (ДЭС);
- санитарный узел;
- тамбур;
- предтамбур.
В сооружениях большой вместимости, кроме того, могут быть медицинская комната и кладовая для продуктов. Для баков с водой и тары для мусора места выделяются отдельно.
Если в убежище в качестве аварийного источника водо- и энергоснабжения служат артезианская скважина, дизельная электростанция или аккумуляторная, то для них предусмотрены специальные помещения.

- 1 — помещение для укрываемых;
- 2 — пункт управления;
- 3 — медицинский пункт (может не устраиваться);
- 4 — фильтровентиляционная камера;
- 5 — помещение дизельной электростанции;
- 6 — санитарный узел;
- 7 — помещение для ГСМ и электрощитовая;
- 8 — помещение для продовольствия (может не устраиваться);
- 9 — вход с тамбуром;
- 10 — аварийный выход с тамбуром.
При проектировании и строительстве стремятся к тому, чтобы фильтровентиляционная камера, санузлы и другие вспомогательные помещения занимали минимальную площадь. Размеры этих помещений диктуются габаритами внутреннего оборудования, удобством его монтажа и эксплуатации.
Медицинская комната размещается на возможно большем удалении от фильтровентиляционной камеры, дизельной и санузлов.
Санузлы стараются удалить от отсеков; входы в них должны быть через умывальную комнату.
Дизельная электростанция обычно размещается в зоне защиты; имеет вход из убежища через тамбур с двумя герметическими дверями.
Заполнение убежища производится через входы, количество и ширина которых зависят от вместимости убежища, его удаления от мест пребывания людей.
У входа должен быть тамбур, обеспечивающий шлюзование, то есть вход в сооружение без нарушения его защиты от ударной волны. (Тамбуром называется помещение, заключённое между дверями — защитно-герметической и герметической. В свою очередь, помещение перед защитно-герметической дверью называется предтамбур).
На случай эвакуации укрываемых при разрушении наземной части здания во встроенных убежищах предусматривается аварийный выход в виде подземной галереи с прочным оголовком, вынесенным за зону возможного завала[4].
Входы и аварийные выходы
Один из решающих факторов защиты — время заполнения убежища по сигналу «Воздушная тревога». Чтобы максимально сократить это время, предусматривается не менее двух входов. При их проектировании учитывается необходимость защиты проёмов от поражающих факторов оружия массового поражения и пропуска расчетного числа людей в минимальное время[5].
Для защиты от действия ударной волны во входах устанавливаются прочные металлические защитно-герметические (в отдельных случаях могут встретиться и защитные) двери. Конструкция входа рассчитывается на нагрузку, превышающую в полтора-два раза нормативную для всего сооружения. Это не случайно: входы — самое уязвимое место в защитном сооружении: ударная волна, проникая через лестничные клетки, коридоры и другим путём, вследствие многократного отражения и уплотнения может резко увеличить избыточное давление.
Защита от проникающей радиации и радиоактивного заражения обеспечивается устройством одного-двух поворотов на 90°, что значительно ослабляет радиацию.
Рациональная конструкция входов и удобное их расположение на путях подхода укрываемых обеспечивают быстрое заполнение убежища. Однако сложившаяся обстановка может вынудить закрыть сооружение ещё до того, как в него войдет расчетное число людей.
Для обеспечения непрерывного заполнения убежища и одновременной защиты от проникания ударной волны устраивают входы специальной конструкции, например с тремя последовательными тамбурами. Чередуя последовательно заполнение и разгрузку тамбуров, возможно обеспечить почти непрерывное заполнение убежища, не нарушая его защиты.
Значительно проще, но и менее эффективны в смысле пропускной способности тамбуры с тремя последовательно установленными дверями. В такое убежище также можно войти, поочередно закрывая и открывая двери, но только поодиночке или небольшими группами людей.
К входу в убежище обычно ведёт лестничный спуск или наклонная площадка (пандус). Ширина лестничных маршей и коридоров должна быть в 1,5 раза больше ширины дверного проёма. Чтобы предотвратить завал наружной двери, перекрытие перед входом (предтамбур) усиливается на нагрузку от обрушения вышележащих элементов здания.

В тамбуре устанавливаются две двери: защитно-герметическая, которая открывается наружу, и герметическая. Размеры тамбуров определяются с таким расчётом, чтобы при открытых дверях пропускная способность входов не снижалась. При установке плоских металлических полотен, перекрывающих дверной проём шириной 0,8 м, минимальные размеры тамбура 1,4×1,4 м, при сегментных дверях 1,6×1,6 м. В тамбурах могут стоять также деревянные или металлические решетчатые двери для естественного проветривания закрытого сооружения.
Количество входов и ширину проёмов устанавливают в зависимости от вместимости убежища, его расположения и других факторов, влияющих на вместимость. Наиболее распространены двери на проём, размерами 0,8×0,8 и 1,2×2 м. Дверной проём шириной 0,8 м в среднем принимается на 200 чел., а шириной 1,2 м — на 300 чел.
От действия ударной волны здание может разрушиться, в результате чего окажутся заваленными входы в убежище, расположенные в лестничной клетке. Характер завала зависит от величины избыточного давления ударной волны, высоты здания и его конструктивных особенностей (материала стен и перекрытия, конструктивной схемы), а также от плотности окружающей застройки. Установлено, что при избыточном давлении ударной волны 0,5 кгс/см² (1 кгс/см² = 0,1 МПа) зона завала составит около половины высоты здания. С увеличением давления разлёт обломков здания будет увеличиваться, создавая сплошные завалы улиц и проездов. При этом высота завала будет уменьшаться.
Для того чтобы выйти (эвакуироваться) из заваленного сооружения, устраивают аварийный выход в виде заглублённой галереи, заканчивающейся шахтой с оголовком. Длину аварийного выхода при высоте оголовка 1,2 м принимают по формуле, учитывающей оптимальную протяженность выхода,
L = Hзд/2+3 м,
где L — длина аварийного выхода в м;
Hзд — высота наземной части здания от уровня земли до карниза в м.
При отсутствии оголовка длина аварийного выхода L принимается равной высоте здания Hзд. При удалении аварийного выхода на расстояние менее 0,5 Hзд высоту оголовка принимают по интерполяции между величинами 1,2 м и 0,1 Hзд+0,7 м.
В отдельно стоящих убежищах, размещённых вне зоны завалов, аварийный выход не предусматривается.
Ограждающие защитные конструкции
В ограждающие защитные конструкции убежищ входят покрытия, стены, полы, а также защитно-герметические и герметические ворота, двери и ставни. Основное их назначение в том, чтобы выдерживать избыточное давление ударной волны, обеспечивать защиту от светового излучения, проникающей радиации, высоких температур при пожарах и препятствовать прониканию внутрь сооружения радиоактивной пыли, химических отравляющих веществ и бактериальных (биологических) средств. Одновременно с этим, как и в любом инженерном сооружении, ограждающие конструкции должны обеспечивать поддержание внутри помещения нормального температурно-влажностного режима в период эксплуатации, не допускать промерзания стен и перекрытий зимой или перегрева в летних условиях и защищать сооружение от поверхностных и грунтовых вод[6].
Герметичность ограждающих конструкций достигается плотностью применяемых материалов и тщательной заделкой мест примыкания герметических ворот, дверей, люков, ставней, а также мест прохода через стены различных труб и кабелей.
Убежища обычно возводятся из сборно-монолитного или монолитного железобетона, а в ряде случаев — из кирпича и других каменных материалов. Выбор материала и конструктивной схемы зависит от требуемой степени защиты, местных возможностей и экономической целесообразности.
Во встроенных убежищах наиболее распространена конструкция стен и перекрытий смешанного типа. Стены выполняют из кирпича, бетонных блоков, реже из сборных железобетонных элементов. Для увеличения несущей способности стены могут иметь горизонтальное и вертикальное армирование. Перекрытия бывают чаще всего из сборных железобетонных плит, поверх которых укладывают слой монолитного железобетона, который необходим для усиления несущей способности перекрытий, а также для увеличения защитных свойств от проникающей радиации.
Если по расчёту требуется увеличить термическое сопротивление перекрытия, на железобетонную плиту укладывают теплоизоляционный слой из асбестовых плит, шлака, шлакобетона, керамзита.

Ограждающие конструкции отдельно стоящих убежищ часто выполняют из монолитного железобетона. Подобные конструкции рамного или коробчатого типа более экономичны при высокой степени защиты.
Стены и полы встроенных убежищ должны иметь надежную гидроизоляцию от грунтовых и поверхностных вод. В отдельно стоящих убежищах, кроме того, нужна гидроизоляция поверх перекрытия и организованный водоотвод поверхностных вод.
Гидроизоляция стен и пола необходима даже в том случае, если уровень грунтовых вод расположен ниже пола, иначе поверхностные воды, просачивающиеся через грунт, и капиллярная влага могут попасть в помещения. Чтобы это предотвратить, поверхности стен обмазывают слоями горячего битума, а поверх бетонной подготовки пола укладывают слой асфальта или другого гидроизоляционного материала.
Если уровень грунтовых вод выше уровня пола, устраивают дренаж или применяют оклеечную гидроизоляцию.
Оклеечная гидроизоляция стен состоит из двух или более слоев рубероида на мастике. Для защиты от повреждений служит защитная стенка толщиной в ½ кирпича. Учитывая возможные колебания уровня грунтовых вод, гидроизоляцию наружных стен поднимают выше расчетного уровня на 0,5 м.
На бетонную подготовку пола кладут два слоя рубероида на мастике. Сверху она прижимается нагрузочным слоем бетона (так называемая плита противодавления), который уравновешивает напор грунтовых вод.
Примеры ограждающих элементов убежищ
| Железобетонные элементы убежища и давление ударной волны | |||||||
| Давление волны [# 1] |
Обсыпка грунт [# 2] |
Покрытие ж/б [# 3] |
Пролёт потолка [# 4] |
Стена наружн. [# 5] |
Фунда- мент [# 6] |
Марка бетона [# 7] |
Убежище |
|---|---|---|---|---|---|---|---|
| 0,1 МПа | 0,5 м | 0,4 м | 6 м | Убежище (СССР, 1970-е? г.)[лит 4] | |||
| 0,1 МПа | 0,6 м | 0,4 м | 3,66 м | 0,4 м | 0,4 м | М300-400 | Убежище тип «C» на 50 чел., осн. помещение 7,3×3,6 м, стоимость постройки 107 $/чел. (ФРГ, США, 1957 г.)[# 8][лит 5] |
| 0,15 МПа | 1,2 м | 0,25 м | 3,6 м | 0,51 м кирпич | М200 | Типовой проект гражданского убежища. Объект 1-4-150-I (СССР, 1957 г.)[лит 6] | |
| 0,3 МПа | 1,2 м | 0,45 м | 3,6 м | 0,4 м | 0,45 м | М200 | Типовой проект гражданского убежища. Объект 1-3-300-I (СССР, 1958 г.)[лит 7] |
| 0,31 МПа | 0,6 м | 0,51 м | 3,66 м | 0,5 м | 0,5 м | М300-400 | Убежище тип «B» на 50 чел., осн. помещение 7,3×3,6 м, стоимость постройки 150 $/чел. (ФРГ, США, 1957 г.)[# 8][лит 5] |
| 0,7 МПа | 1,55 м | 0,53 м | 3,65 м | 0,38 м | 0,48 м | Убежище до 30 чел., помещение 6,72×3,65 м высотой 2,44 м, два с/у, вход-тупик, запасной выход-лаз (США, 1957 г.)[лит 8] | |
| 0,9 МПа | 0,6 м | 0,61 м | 3,66 м | 0,61 м | 0,61 м | М300-400 | Убежище тип «A» на 50 чел., осн. помещение 7,3×3,6 м, стоимость постройки 220 $/чел. (ФРГ, США, 1957 г.)[# 8][лит 5] |
| ~3 МПа | 0,3 м | 1,25 м | 3,1 м | 1,5 м | 0,7 м | М250 | Тяжёлое убежище проекта кон. 1930-х гг, считалось, что оно устоит в эпицентре воздушного взрыва (СССР)[# 9][лит 9][лит 10] |
| 1 кт | свыше 30 м |
Толщина сплошного бетона для противостояния прямому попаданию заряда мощностью 1 килотонна[# 10][лит 11] | |||||
| Давление волны [# 1] |
Обсыпка грунт. [# 2] |
Покрытие [# 3] |
Пролёт потолка [# 4] |
Стена наружн. [# 5] |
Фунда- мент [# 6] |
Бетон [# 7] |
Примечания |
| |||||||
Теплозащита от прогрева при пожарах
Пожары, которые могут возникнуть в очаге ядерного поражения, представляют серьёзную опасность для людей, укрываемых в убежищах. В местах расположения убежищ могут значительно повыситься температура, возникнуть значительные концентрации окиси и двуокиси углерода и уменьшиться содержание кислорода.
Результаты исследований показывают, что непосредственно в зоне пожаров зданий температура может достигать 300—1000 °С. Если не принять меры, при массовых пожарах произойдет прогрев ограждающих конструкций, что приведёт к резкому повышению температуры внутри защитного сооружения. В этом случае, а также при проникании продуктов горения через трещины в стенах и перекрытиях, пребывание людей в убежищах станет невозможным. Поэтому при проектировании, строительстве и дооборудовании убежищ большое внимание уделяется обеспечению теплозащиты.
В первую очередь необходимо исключить возможность попадания задымлённого и горячего воздуха внутрь защитного сооружения, а также обеспечить очистку воздуха, подаваемого во время пожаров в убежище, от окиси и двуокиси углерода.
Чтобы защитить убежище от попадания наружного воздуха через неплотности в ограждающих конструкциях, внутри поддерживается избыточное давление (подпор). Установлено, что для этого достаточен подпор 2—5 мм вод. ст. Поддерживать его можно за счёт воздуха из баллонов, заранее установленных в убежище, или подачей наружного воздуха. Для поддержания подпора в течение сравнительно длительного периода времени потребовалось бы значительное количество баллонов со сжатым воздухом. Такой способ дорогостоящий и он не получил широкого распространения.
Более экономично создание подпора за счёт подачи наружного воздуха с предварительной его очисткой от вредных примесей и охлаждением в специальных фильтрах. Минимально необходимое количество воздуха для этого равно 1/3 объёма помещения за 1 ч.
Рассмотрим возможный принцип работы системы фильтр-вентиляции при пожаре в месте размещения убежища.
Прежде чем попасть в убежище, воздух очищается от окиси углерода и охлаждается. Очистка воздуха от продуктов горения может производиться в фильтрах, состоящих из гопкалитовых кассет, в которых происходит дожигание окиси углерода горячего воздуха. Затем воздух должен охладиться в воздухоохладителе.
Воздухоохладители обычно состоят из системы трубок, по которым циркулирует холодная вода. Проходя через воздухоохладитель, горячий воздух отдаёт тепло холодной воде. Водяные воздухоохладители устанавливаются в убежищах, где имеется артезианская скважина, откуда можно получать достаточно холодную воду.
При отсутствии артезианской скважины может быть устроен воздухоохладитель в виде теплообменников (теплоёмких фильтров) из гравия, щебня, крупного песка. Здесь охлаждение воздуха происходит за счёт поглощения тепла массой заполнителя.
После очистки и охлаждения воздух нагнетается в убежище вентиляторами.
В связи с тем, что при пожаре на поверхности, в убежище подаётся ограниченное количество воздуха, применяются средства регенерации воздуха — регенеративные патроны с кислородными баллонами или регенеративные установки другого типа. Регенеративный патрон представляет собой металлический цилиндрический корпус, внутри которого находится слой химического поглотителя CO2. Принцип работы регенеративных патронов заключается в следующем: некоторые химические вещества, такие как гидрат окиси кальция Ca(OH)2 и др., способны вступать в химическую реакцию с углекислотой, уменьшая тем самым её содержание в воздухе. Химическая реакция Ca(OH)2 с углекислотой протекает с выделением водяных паров H2O и тепла Q:
Ca(OH)2+CO2→CaCO3+H2O+Q.
Теплозащита убежища от прогрева достигается массивными ограждающими конструкциями, выполняемыми из несгораемых материалов — бетона, железобетона, кирпича. При необходимости на перекрытие дополнительно укладывают теплоизоляционный слой.
Системы воздухоснабжения

Наиболее важной и ответственной задачей является обеспечение людей необходимым количеством воздуха, пригодного для дыхания в условиях возможного заражения, наземных пожаров, а также при ухудшении параметров воздуха вследствие жизнедеятельности людей в герметизированном сооружении.
Системы воздухоснабжения не только подают в убежище необходимое количество воздуха, но и обеспечивают защиту от:
- попадания внутрь сооружения радиоактивных осадков;
- химических отравляющих веществ;
- бактериальных средств;
- углекислоты и дыма при пожарах;
- в отдельных случаях от окиси углерода.
В зависимости от конкретных условий и требований в отдельных убежищах системы воздухоснабжения выполняют и дополнительные функции, например подогрев или охлаждение воздуха, осушение или увлажнение, обогащение кислородом.
Количество воздуха, которое необходимо для подачи в убежище, определяется исходя из допустимых параметров тепловлажностного режима и газового состава внутри сооружения. Известно, что во время длительного пребывания людей в герметизированном помещении содержание кислорода в воздухе уменьшается, а углекислоты увеличивается. При этом повышаются температура и влажность воздуха.
Системы воздухоснабжения, как правило, работают по двум режимам: чистой вентиляции и фильтровентиляции. Если убежище расположено в пожароопасном районе, дополнительно предусматривают регенерацию внутреннего воздуха.
В режиме чистой вентиляции наружный воздух очищается только от радиоактивной пыли. Подается он с учётом возможности удаления тепловыделений, поэтому количество воздуха в зависимости от климатического пояса может колебаться в весьма широких пределах.
При режиме фильтровентиляции воздух дополнительно пропускают через фильтры поглотители, где он очищается от отравляющих веществ и бактериальных средств. Фильтры-поглотители имеют значительное аэродинамическое сопротивление, что затрудняет подачу большего количества воздуха. Поэтому в режиме фильтро-вентиляции подача воздуха сокращается, обеспечивая поддержание предельно допустимого газового состава.
Система воздухоснабжения включает воздухозаборные устройства, противопыльные фильтры, фильтры-поглотители, вентиляторы, разводящую сеть и воздухорегулирующие устройства. Если убежище находится в пожароопасном районе, в системе воздухоснабжения могут дополнительно предусматриваться теплоемкий фильтр (или воздухоохладитель), фильтр для очистки воздуха от окиси углерода и средства регенерации.
Забор воздуха в убежище производится по одному из двух воздухозаборных каналов, то есть для каждого режима (чистой вентиляции и фильтровентиляции) предусматривается отдельный воздухозабор.
Воздухозабор для режима чистой вентиляции обычно совмещается с галереей аварийного выхода, второй прокладывается самостоятельно из металлических труб. Каждый воздухозабор завершается на поверхности оголовком, в котором устанавливается противовзрывное устройство. На аварийный случай между воздухозаборами должна быть перемычка в виде металлической трубы.
Противовзрывные устройства предназначены для защиты от затекания ударной волны внутрь убежища, что может привести к разрушению вентиляционных систем и поражению людей.
Одним из видов противовзрывных устройств является клапан-отсекатель (КОП). Он состоит из небольшого отрезка трубы с раструбом и прочного диска (поплавка), который может перемещаться только по вертикальной оси. Под действием ударной волны диск поднимается вверх, закрывает входное отверстие и тем самым отсекает её. Клапаны-отсекатели чаще всего бывают смонтированы в оголовке аварийного выхода.
Кроме указанных клапанов-отсекателей могут быть установлены противовзрывные устройства пластинчатого типа. Они представляют собой прочную металлическую решетку (секцию), к которой шарнирами крепятся жалюзийные металлические пластины (рис.). Под действием избыточного давления ударной волны пластины плотно прилегают к решетке, препятствуя тем самым прониканию ударной волны. После спада избыточного давления они под действием пружины возвращаются в первоначальное положение.
В убежищах старой конструкции в качестве противовзрывного устройства использовали гравийные волногасители. Волногаситель представляет собой слой гравия толщиной 80 см, находящийся в специальной камере на прочной металлической или железобетонной решетке. Нижний слой (10-20 см) имеет более крупные фракции, чем остальная масса.

В настоящее время такие устройства устарели и подлежат замене: не обеспечивают надежного отсекания ударной волны с большой продолжительностью в фазе сжатия. В ряде случаев такие волногасители могут быть сохранены для использования в качестве теплоемких фильтров при переоборудовании системы воздухоснабжения.
Очистка зараженного воздуха первоначально происходит в противопыльном фильтре, монтируемом в аварийном выходе или и другом месте по пути движения воздуха за линией герметизации. Для очистки от пыли применяют противопыльные масляные фильтры типа ВНИИСТО (ФЯР). Ячейка такого фильтра состоит нз каркаса размером 510×5×80 мм, в который вставлены пакеты из металлических сеток. Сетки пропитаны маслом, обычно «веретенным» № 2 или 3. Пыль, содержащаяся в воздухе, проходя через фильтр, прилипает к масляной плёнке заполнителя фильтра. Производительность одной ячейки масляного фильтра 1000—1100 м³/ч при аэродинамическом сопротивлении 3—8 мм вод. ст.; пылеёмкость фильтра около 0,5 кг.

Ячейка масляного фильтра может вставляться в рамку металлического ставня, монтируемого в галерее аварийного. Для установки в другом месте фильтр имеет металлическую обойму. Между каркасом ячейки фильтра и рамкой ставня (или обоймой) по всему периметру для герметизации должна быть заложена резиновая прокладка.
Для очистки воздуха могут использоваться металлокерамические фильтры, которые применяются для различных технических нужд. Эти фильтры изготовляются методом порошковой металлургии на основе карбидов тугоплавких металлов. Металлокерамические фильтры выпускаются в виде пористых пластин, колец или трубок, которые собираются в блок в специальной коробке. Количество пластин или трубок устанавливают в зависимости от производительности по очистке воздуха или жидкости. Металлокерамические фильтры могут работать при высокой температуре, обладают антикоррозионными свойствами и высокой прочностью, не нуждаются в промасливании.
Преимущество металлокерамических фильтров перед масляными заключается ещё и в том, что они могут быть установлены перед теплоемким фильтром, не подвергаясь опасности повреждения при заборе горячего воздуха.
.jpg.webp)
Воздуховоды, идущие от воздухозаборных устройств к фильтровентиляционному агрегату, делают из металлических труб.
Фильтро-вентиляционное оборудование устанавливают в отдельном помещении — фильтровентиляционной камере. Стандартный агрегат состоит из фильтро-поглотителей ФП-100, ФП-100У, ФП-200-59 или ФП-300, электроручного вентилятора и других деталей (патрубков, труб и др.). Производительность одного агрегата из трех фильтров-поглотителей ФП-100 (рис.) при работе через фильтры составляет до 300 м³/ч, при подаче воздуха минуя фильтры-поглотители 400—450 м³/ч. В убежище в зависимости от вместимости устанавливают один или несколько фильтровентиляционных агрегатов с электроручными вентиляторами. Вентиляторы промышленного назначения с электроприводом устанавливают, если имеется защищенный источник энергоснабжения.
Для очистки воздуха от окиси углерода применяют фильтры с гопкалитовыми кассетами. В связи с тем что в этих фильтрах эффективное дожигание окиси углерода происходит при высоких температурах, гопкалитовые фильтры устанавливают вблизи от воздухозабора перед теплоемким фильтром.
После очистки от окиси углерода воздух охлаждается в гравийном фильтре-охладителе (теплоемком фильтре). Он представляет собой камеру из кирпича, бетона или железобетона, в которую засыпают гравий. Гравий укладывают на железобетонную или металлическую решетку. Теплоемкий фильтр обычно выносится за пределы убежища с таким расчётом, чтобы камера фильтра размещалась в грунте. Если теплоемкий фильтр устанавливается внутри убежища, предусматривают теплоизоляцию его поверхностей.
Воздух, подаваемый в убежище, должен равномерно распределяться воздуховодами по всем помещениям. Воздуховоды изготовляют обычно из оцинкованного железа. Отработанный воздух удаляется через вытяжные каналы, которые защищаются противовзрывными устройствами. Вытяжные каналы имеют также герметические и регулирующие клапаны.
При небольшом количестве удаляемого воздуха для этой цели удобен клапан избыточного давления (КИД) (рис.). Он представляет собой металлический диск с резиновой прокладкой, соединённый рычагом и шарниром с металлическим корпусом, монтируемым в вытяжном канале. От действия ударной волны диск плотно прилегает к корпусу клапана, закрывая отверстие, через которое удаляется отработанный воздух.
Для переключения фильтровентиляционной системы с одного режима на другой и для отключения вентиляции на воздуховодах имеются герметические клапаны с ручным или электрическим приводом. Промышленностью выпускаются герметические клапаны диаметром 100, 200, 300, 400 мм и более.
Герметические клапаны с электроприводом могут устанавливаться только в убежищах, имеющих аварийный источник энергоснабжения.
Инженерные сети
Для создания нормальных условий пребывания людей и обеспечения требуемого температурно-влажностного режима при повседневной эксплуатации убежище оборудуют системами отопления, водопровода, канализации и электроснабжения. Эти системы, как правило, питаются от соответствующих сетей здания, в котором находится убежище.
На вводах труб этих систем, а также в случаях, если через сооружение проходят транзитные коммуникации, устанавливают запорные вентили и задвижки для отключения трубопроводов при возникновении аварий или повреждений. Отключающие устройства помещают внутри убежища, чтобы ими было можно пользоваться не выходя за пределы защищённого помещения. Канализационная задвижка размещается в санузле. Для обеспечения герметичности места вводов труб и электрокабелей тщательно заделывают.
Водоснабжение и канализация. Водоснабжение и канализация убежищ осуществляются на базе городских и объектовых водопроводных и канализационных сетей. Однако на случай разрушения внешних водопроводных и канализационных сетей при ядерном взрыве в убежище должны создаваться аварийные запасы воды, а также приёмники фекальных вод, работающие независимо от состояния внешних сетей.
На случай повреждения внешнего водопровода система внутреннего водоснабжения имеет баки аварийного запаса воды. Для хранения аварийного запаса воды используются проточные напорные резервуары или безнапорные баки, оборудованные съёмными крышками, шаровыми кранами и указателями уровня воды.
Минимальный запас воды для питья в проточных ёмкостях должен быть из расчёта 6 л и для санитарно-гигиенических потребностей 4 л на каждого укрываемого на весь расчётный срок пребывания, а в убежищах вместимостью 600 человек и более — дополнительно для целей пожаротушения 4,5 м³.
Проточные ёмкости обычно устанавливают в санитарных узлах под потолком, а безнапорные баки — в специальных помещениях. Для обеззараживания воды в убежище должен быть запас хлорной извести или дветретиосновной соли гипохлорита кальция(ДТС-ГК). Для хлорирования 1 м³ воды требуется 8—10 г хлорной извести или 4—5 г дветретиосновной соли гипохлорита кальция (ДТС-ГК).
Санитарный узел в убежище устраивается раздельным для мужчин и женщин, с выпуском смывных вод в существующую канализационную сеть. Кроме того, создаются аварийные устройства — ёмкости для сбора нечистот (люфт-клозеты), а на трубопроводах водоснабжения и других систем устанавливаются задвижки для перекрытия при повреждении внешних сетей.
Электроснабжение. Электроснабжение осуществляется от внешней сети города (объекта) и при необходимости — от защищённого источника — дизельной электростанции (ДЭС).
На случай прекращения электроснабжения от внешней сети в убежищах предусматривается аварийное освещение от переносных электрических фонарей, батарей, велогенераторов и других источников. Пользоваться свечами и керосиновыми фонарями можно в ограниченных размерах и только при условии хорошей вентиляции.
Для освещения применяют осветительную арматуру, при этом учитывают условия эксплуатации убежища в мирное время (см. рис.).
В каждом убежище обязательно предусматривается установка радиотрансляционной точки и телефона.
Отопление. В убежищах предусматривается отопление от теплоцентрали (отопительной системы здания). Для регулирования температуры и отключения отопления устанавливается запорная арматура.
При расчёте системы отопления температуру помещений убежища в холодное время принимают равной 10 °C, если по условиям эксплуатации их в мирное время не требуется более высоких температур.
Трубы отопления и других инженерных сетей внутри убежища окрашиваются в соответствующий цвет:

Мебель. Отсеки оборудуют скамейками для сидения и двухъярусными полками (нарами) для лежания: нижние — для сидения из расчёта 0,45×0,45 м на одного человека, верхние — для лежания из расчёта 0,55×1,8 м на человека. Высота скамей для сидения должна быть 0,45 м, а расстояние по вертикали от верха скамей до места для лежания 1,1 м.
Количество мест для лежания составляет 20 % от общей вместимости убежища.
Убежище должно быть оснащено необходимым имуществом и инвентарём, включая шанцевый инструмент и средства аварийного освещения[7].
Особенности некоторых типов убежищ
Встроенными убежищами называют убежища, расположенные в подвальных этажах здания. Убежища могут быть размещены на всей площади подвала или занимать часть его (преимущественно центральную).
Одна из особенностей такого убежища — наличие аварийного выхода, обеспечивающего эвакуацию людей из сооружения при разрушении наземных этажей здания. Встроенные убежища обычно полностью заглубляют в грунт, что снижает действие скоростного напора ударной волны.
Такие убежища могут быть запроектированы и построены одновременно с основным зданием, конструктивными элементами которого являются стены и перекрытия сооружения, или приспособлены, то есть оборудованы в уже существующих подвальных помещениях зданий.
Отдельно стоящие убежища представляют собой автономные сооружения, размещаемые на свободных площадках, территории предприятий или вблизи них, во дворах, скверах, парках и других местах вне зоны возможных завалов от наземных зданий и сооружений.
Защита от поражающих факторов термоядерного оружия обеспечивается ограждающими конструкциями соответствующей прочности и толщей земляной обсыпки (обычно 0,8 м).
Отдельно стоящие убежища, как правило, не имеют аварийных выходов: находятся вне зоны возможных завалов. Кроме защитно-герметических дверей снаружи устанавливают деревянные двери, предохраняющие входы от загрязнения и атмосферных осадков. Двери имеют резиновые прокладки для плотного прилегания к дверной коробке, снаружи их обивают железом.
Воздух забирается через железобетонный оголовок наверху перекрытия с противовзрывным устройством.
Отдельно стоящие убежища заглубляют на 3 м и более, вследствие чего фекальные воды часто не могут быть отведены самотеком в существующую канализационную сеть, залегающую на глубине 1,5 — 2 м. В таких случаях предусматривают станции перекачки. Они могут быть устроены как внутри, так и за пределами убежища.
При невозможности подключения к домовой или ближайшей теплосети ставятся местные отопительные установки.
Убежища большой вместимости, предназначенные для укрытия значительного количества людей (500—1000 чел. и более), имеют большее количество входов. Числа и ширина их определяются из условия быстрого заполнения расчетным количеством людей.
Система фильтро-вентиляции состоит из нескольких фильтро-вентиляционных агрегатов или из фильтро-вентиляционной установки высокой производительности. Воздух забирается и нагнетается в отсеки мощными вентиляторами с электроприводом. Отработанный воздух из отсеков, санузлов и других помещений выбрасывается наружу по каналам вытяжной вентиляции вентиляторами.
В зависимости от характера и назначения убежища в нём может быть установлено оборудование для поддержания требуемого микроклимата и регенерации воздуха — калориферы, регенеративные патроны, баллоны с кислородом, сжатым воздухом и др.
Калориферы (водяные или электрические) предназначен для подогрева или охлаждения подаваемого в отсеки воздуха. Подключаются они к системе воздухоснабжения с таким расчётом, чтобы подогревался воздух, идущий минуя фильтры-поглотителя. Через фильтры-поглотители воздух подается без подогрева.
Регенеративные патроны служат для поглощения углекислоты, выделяемой людьми, в период прекращения работы фильтро-вентиляционной установки.
Химический поглотитель, как правило, — твердое порошкообразное вещество, содержащее Ca(OH)2 и другие компоненты.
Регенерация внутреннего воздуха в убежище может производиться с помощью регенеративных патронов типа РП-100 или регенеративных установок конвекционного типа (РУКТ). По своему внешнему виду регенеративный патрон РП-100 похож на фильтр-поглотитель ФП-100, но он служит для поглощения углекислого газа.
Регенеративные патроны монтируются в колонки, так же как и фильтры-поглотители в фильтровентиляционной камере, с присоединением к всасывающей линии вентиляционной системы.
Режим работы вентиляции, когда убежище изолируют от внешней среды и не подают наружный воздух, а внутренний очищают от углекислоты и влаги, выделяемых людьми, и добавляют необходимое количество кислорода, называют режимом полной изоляции с регенерацией воздуха. Система вентиляции, обеспечивающая регенерацию воздуха в убежище, состоит из:
- регенеративных патронов;
- кислородных баллонов;
- вентилятора;
- редукционного вентиля;
- воздуховодов.
В воздухе, прошедшем через поглощающие регенеративные патроны, нормальное содержание кислорода восстанавливают при помощи баллонов с сжатым кислородом путём непосредственного подмешивания кислорода к воздуху.
Стандартные баллоны (под давлением 150 атм) содержат 6 м3 кислорода при нормальном давлении. Дозировка производится редукционным вентилем.
Для переключения фильтровентиляционной системы с одного режима на другой и для отключения вентиляции на сети воздуховодов устанавливают герметические клапаны, как правило, с ручным приводом.
Для обеспечения работы фильтровентиляционного оборудования станции перекачки и освещения могут предусматриваться резервные (автономные) электростанции.
Система водоснабжения питается от внешних водопроводных сетей или от защищённых артезианских скважин. На случай выхода из строя незащищённой системы водоснабжения устраивают ёмкости для аварийного запаса воды. Вода из них подается к водоразборным приборам самотеком или насосом.
Система канализации имеет станции перекачки с резервуарами для фекальных вод (на случай разрушения внешних канализационных магистралей и выпусков).
Резервные дизельные электростанции
Аварийная электростанция обычно размещается в защищённых помещениях убежища, отделённых от отсеков проветриваемым тамбуром с герметическими дверями. Количество помещений для дизельной и их размеры зависят от мощности дизелей, типа оборудования, принятой системы охлаждения и запасов топлива.
В дизельных обычно устанавливаются стационарные электростанции, которые промышленность выпускает для народного хозяйства (сельского хозяйства, строительных работ и т. п.). Электростанция состоит из двигателя внутреннего сгорания, генератора и щита управления. Двигатель и генератор монтируется на общей металлической раме. На ней же устанавливают водяной и масляный радиатор. Запуск дизеля производят от пускового бензинового двигателя или компрессорной установки. Дизельные агрегаты оборудуют также системами блокировки для автоматической остановки при коротких замыканиях, перегрузках и для других аварийных случаев.
Дизельный агрегат при наличии артезианской воды обычно охлаждается по двухконтурной схеме. Вода, циркулирующая по внутреннему контуру системы охлаждения дизеля (первый контур), охлаждается в водоохладителе, через который пропускается вода из артезианской скважины (второй контур).
.jpg.webp)
Если артезианской скважины нет, охлаждение производится по водовоздушной (радиаторной) схеме. В этом случае вода внутреннего контура системы охлаждения проходит через радиатор и здесь охлаждается воздухом, который вентилятором продувается через радиатор.
Запас топлива, необходимый для работы дизеля в течение заданного времени и для контрольной проверки, хранится в топливном баке. Бак оборудуется фильтром для очистки топлива, указателем уровня и устройствами для заливки и перекачки топлива из основных ёмкостей (бочки, цистерны). К дизелю топливо обычно подается самотеком. Аналогичные баки предусматриваются и для хранения масла.
Помещение дизельной оборудуют системой вентиляции, обеспечивающей подачу воздуха на горение топлива в дизель, охлаждение и удаление выделяемых при работе двигателя вредных продуктов горения.
Система вентиляции должна исключать возможность проникания в отсеки убежища продуктов горения, выделяемых при работе дизеля. С этой целью помещение, где установлено силовое оборудование, отделяется от отсеков тамбуром с герметическими дверями. Тамбур проветривается воздухом, который при работающей системе вентиляции может пропускать через клапаны избыточного давления, установленные в полотнах герметических дверей.
Пройдя через тамбур, воздух поступает в силовое помещение. Кроме того, для дизельной предусматривается система вентиляции, которая обеспечивает подачу наружного воздуха через отдельный воздухозабор, защищённый противовзрывным устройством.
Приток воздуха в помещение дизельной осуществляется за счёт разрежения, создаваемого вытяжной системой, она состоит из вентилятора, воздуховодов и шахты.
Выхлопные газы от работающего дизеля выводятся за пределы дизельной по выхлопной трубе (выпускной трубопровод). Выхлопная труба должна иметь теплоизоляцию и устройство для спуска конденсата.
Как правило, воздух, поступающий в дизельную с поверхности земли по приточному воздуховоду, не очищается от отравляющих веществ. Поэтому после заполнения убежища и включения дизелей обслуживающий персонал должен находиться в отсеках или в помещении диспетчерской за пределами дизельной.
Для периодической проверки работы дизелей и другого оборудования, а также для устранения возникающих неисправностей обслуживающий персонал должен пользоваться защитной одеждой и противогазами. При выходе из силового помещения защитную одежду снимают в тамбуре.
При возникновении пожаров в дизельную может поступать горячий и задымлённый воздух, что затруднит процесс охлаждения дизелей. На этот случай в системе вентиляции дизельной предусматривается охлаждение воздуха, подаваемого с поверхности. Если есть артезианская скважина, воздух охлаждается в одно- или двухступенчатом охладителе. Если артезианской скважины нет, для охлаждения можно использовать гравийный теплоемкий фильтр.
Дизельная электростанция, если она не работает и по каким-либо причинам не может содержаться в мирное время в состоянии постоянной готовности, должна быть поставлена на длительную консервацию и закрыта. В этом случае также обязательны периодические проверки сохранности и исправности оборудования.
Эксплуатация убежища
Температурно-влажностный режим в убежище
Как известно, человек при дыхании поглощает кислород и выделяет углекислый газ CO2, а также влагу и определённое количество тепла. В результате этого в убежище, как и во всяком другом герметизированном помещении, изменяется газовый состав воздуха: уменьшается содержание кислорода и увеличивается содержание углекислого газа. Температурно-влажностный режим тоже претерпевает изменения: температура и влажность повышаются. В зависимости от числа людей в помещении этот процесс идет быстрее или медленнее.
Эксплуатация защитных устройств и систем внутреннего оборудования
Защитные свойства убежищ во многом зависят от надежной и бесперебойной работы всех устройств, приборов и систем внутреннего оборудования.
Система воздухоснабжения
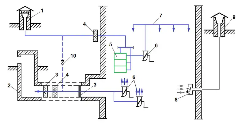
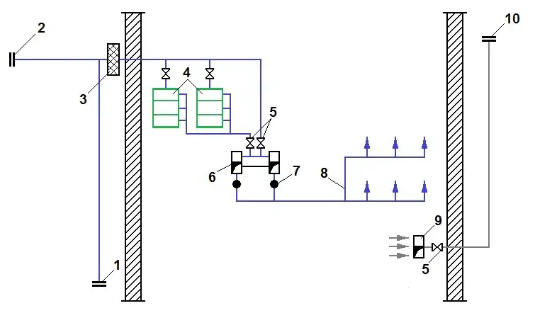
Принципиальные схемы систем воздухоснабжения показаны на рисунках ниже. В эти системы входят противовзрывные устройства, приточные воздуховоды, фильтры для очистки воздуха от пыли, отравляющих веществ и бактериологических средств, вентиляторы и воздухоразводящая сеть. В убежищах также могут быть средства регенерации воздуха и воздухоохладители.
В убежищах малой вместимости (см. рисунок ниже) обычно для забора воздуха в режиме чистой вентиляции применяется вентилятор, который забирает воздух из галереи аварийного выхода. Чаще всего используется электроручные вентиляторы ЭРВ-49, которые работают параллельно с вентилятором фильтровентиляционного агрегата.

В режиме фильтровентиляции воздух забирается через второй воздухозабор, затем очищается в масляном фильтре и фильтрах-поглотителях фильтровентиляционного агрегата. Общий вид агрегата показан на рис.
Фильтровентиляционный агрегат состоит из:
- сдвоенного герметического клапана;
- фильтров-поглотителей;
- электроручного вентилятора;
- клапана расходомера отсекателя;
- соединительных патрубков;
- фасонных частей;
- крепежных и герметизирующих деталей.
Первоначальная очистка воздуха, главным образом от пыли, происходит в масляном фильтре; последующая и более полная в фильтрах-поглотителях, где воздух очищается полностью от остатков примесей пыли, от отравляющих веществ и бактериальных средств.
|
|
|
|
|
|
| Сдвоенный герметический клапан | Фильтры-поглотители | Электроручной вентилятор | Расходомер | Соединительные части | Герметизирующие детали |
При работе агрегата в режиме чистой вентиляции (режим I) воздух по обводной линии поступает в вентилятор ЭРВ-49 и затем по сети воздуховодов в помещения.
При работе агрегата в режиме фильтровентиляции (режим II) воздух поступает в фильтры-поглотители, где проходят очистку от отравляющих веществ, радиоактивной пыли и бактериологический (биологических) средств, затем в вентилятор ЭРВ-49 и по сети воздуховодов в помещения.
Сдвоенный герметический клапан, входящий в состав агрегата ФВА-49, предназначен для переключения работы агрегата с одного режима на другой и для полного отключения агрегата от воздухоприёмных каналов. Герметический клапан имеет один входной патрубок диаметром 150 мм с фланцем для присоединения его к воздухоприёмному каналу и два выходных патрубка диаметром 100 мм для присоединения к обводной линии и к фильтрам-поглотителям.
На нагнетательном патрубке вентилятора монтируется расходомер Р-49. Расходомер предназначен для контроля за количеством воздуха, подаваемого вентилятором в помещения. Присоединение расходомера к вентилятору и воздуховодам производится на фланцах.
Агрегат ФВА-49 может быть с одним, двумя и тремя фильтрами ФПУ-200.
Системы воздухоснабжения могут включать также фильтр для очистки воздуха от окиси углерода и воздухоохладитель (теплоемкий фильтр). Необходимо иметь в виду, что воздухоохладители рекомендуется иметь во всех убежищах, а фильтры на окись углерода и средства регенерации воздуха — только при расположении убежища на пожароопасном участке. Горячий воздух вначале проходит через фильтр на окись углерода, затем охлаждается и только после этого пропускается через масляный фильтр.
В убежищах большой вместимости невыгодно устанавливать большое количество электроручных вентиляторов, имеющих сравнительно малую производительность. Поэтому в таких случаях используются промышленные вентиляторы большой производительности с электроприводом.
Принципиальная схема воздухоснабжения убежищ большой вместимости показана ниже.
.png.webp)
В отличие от убежищ малой вместимости в системе воздухоснабжения воздух по режиму чистой вентиляции и режиму фильтровентиляции подается одним и тем же вентилятором. На случай выхода из строя или ремонта вентилятора предусматривается резервный. Для очистки воздух пропускается через несколько соединённых параллельно колонок фильтров-поглотителей. каждая колонка состоит из двух — четырёх барабанов (в зависимости от высоты помещения фильтровентиляционной камеры).
Подобные схемы воздухоснабжения обычно применяются в том случае, если предусмотрены резервная электростанция и защищённый источник водоснабжения (резервуар или артезианская скважина). Наличие такого источника водоснабжения даёт возможность применить воздухоохладители и в связи с этим обеспечить нормированную подачу воздуха по режиму чистой вентиляции и фильтровентиляции.
При отсутствии воздухоохладителей избыточное тепло снижается за счёт подачи большего количества воздуха, чем это требуется по условиям жизнеобеспечения.
Нижний барабан фильтров-поглотителей устанавливается на две просмолённые рейки толщиной не менее 40 мм. Это предохраняет дно барабана от ржавления. Также предусматривается, чтобы каждый верхний барабан имел аэродинамическое сопротивление (указанное в мм вод. ст. на стенке барабана) большее, чем нижний.
Перед каждым включением проверяется готовность фильтровентиляционного агрегата к работе:
- наличие машинного масла в редукторе электроручного вентилятора;
- проверка уровня производится масломером, который до отказа опускается через заливное отверстие в корпус вертикального редуктора;
- уровень масла должен быть между двумя рисками масломера;
- если масла недостаточно, через заливное отверстие доливается до требуемого уровня;
- после проверки и долива масла вентилятор прокручивается вручную и затем ставится клапан на работу от основного воздухозаборного канала;
- вентилятор должен работать ровно, без шума и стука.

Количество подаваемого воздуха определяют по расходомеру, который имеется в комплекте фильтровентиляционного агрегата, или другими приборами (ротаметрами и др.).
Воздух в отсеки подается по системе воздухоразводящих труб, которые имеют выпускные отверстия (рис.). При наладке системы вентиляции для каждого движка устанавливают определённое положение. Регулируя размер выпускного отверстия, устанавливается расчетная подача воздуха в каждый отсек. Для устранения возможного смещения движка от устанавливаемого положения наносятся масляной краской (или насечкой) фиксирующие риски.
После включения системы воздухоснабжения она регулируется на подачу расчетного количества воздуха в зависимости от заданного режима фильтровентиляции.
Защитные устройства

Защитные устройства на воздухозаборных и вытяжных каналах, как правило, содержатся в постоянной готовности. Эти устройства обеспечивают защиту от протекания ударной волны во внутренние помещения через работающую систему вентиляции.
Системы водоснабжения и канализации
Системы водоснабжения обеспечивают укрываемых водой для питья и гигиенических нужд. Проведёнными исследованиями установлено, что минимальный расход питьевой воды составляет 2[8] л на 1 человека в сутки. При работающей системе водопровода потребности в воде не ограничиваются. На случай выхода из строя водопровода в убежищах предусмотрен аварийный запас или источник получения воды. При расчёте аварийного запаса учитываются только потребности в питьевой воде.
Система водоснабжения обеспечивает подачу воды от дворовой или внутридомовой водопроводной сети, в отдельных случаях — от автономных источников (артезианских скважин).
Источники водоснабжения:
- водопроводная сеть;
- артезианские скважины или колодцы;
- аварийный запас воды.
Схема аварийной системы водоснабжения показана на рис.

Аварийный запас воды хранится в стационарных баках, которые обычно изготовляют из стальных труб диаметром 40 см и более и подвешивают на кронштейнах к перекрытию, стенам или устанавливают вертикально на фундаменты. Баки наполняются водой из системы водоснабжения. К водопроводной сети они присоединяются таким образом, чтобы обеспечивалась проточность воды (циркуляционная система, см. рис.). Непроточные баки в мирное время водой не заполняются, поскольку застойная вода быстро теряет свои качества.
|
|
| Подвесной бак аварийного запаса воды | Вертикальный бак аварийного запаса воды |
Проточные баки должны быть постоянно заполнены водой. Во время периодических осмотров, как правило, проверяют её качество. При малом расходе под влиянием коррозии внутренних металлических поверхностей (пожелтение воды) или под действием биологического загрязнения вода может потерять свои вкусовые качества и оказаться непригодной для употребления.
При приведении убежища в готовность, а также после заполнения его людьми по сигналу «Воздушная тревога» проверяют наполнение баков водой.
Для этой цели в баках должны быть заранее смонтированы водомерные устройства (рис.). Если их нет, проверку можно произвести, открыв на короткое время водоразборные краны. После наполнения баки отключают и пользование водой из них прекращается.
Системы отопления
Система отопления убежища в виде отопительных радиаторов или гладких труб, проложенных вдоль наружных стен и подсоединённых к сети отопления здания, обеспечивает поддержание в помещениях постоянной температуры и влажности.
Системы электроснабжения
Электроснабжение в убежищах необходимо для питания электродвигателей систем воздухоснабжения, освещения, а также для обеспечения работы артезианских скважин, электроприводов других устройств и внутреннего оборудования. В сооружениях малой вместимости электроэнергия подается только от внешних источников питания (городская электросеть). Для убежища большой вместимости или группы убежищ предусматривается защищённая электростанция. Обычно такая аварийная электростанция размещается в самом убежище (реже отдельно) и имеет одинаковую с ним степень защиты. Иногда для аварийного освещения устанавливают батареи аккумуляторов; в этом случае требуется специальное помещение.
Основная система электроснабжения подключается к домовому вводу или прокладывается отдельный кабель к трансформаторной подстанции. Включение и отключение системы электроснабжения убежища независимо от здания.
Осветительная и силовая сети раздельны. В каждом убежище освещаются все помещения, а также размещаются световые указатели.
Корпусы электродвигателей обязательно имеют защитное заземление (сопротивление не более 10 Ом).
Герметизация убежища
Герметизация убежища обеспечивается тщательной заделкой неплотностей в ограждающих конструкциях и мест прохода коммуникаций через стены, перекрытия, а также плотным прилеганием полотен защитно-герметических и герметических дверей и ставен к коробкам[9].
Механизмы задраивания защитно-герметических и герметических дверей, ворот и ставень
Основными элементами всех дверей, ворот и ставней являются:
- полотно — предназначено для перекрытия проёма. Для дверей и ставней оно представляет собой металлическую конструкцию, состоящую из листового и профильного проката. Полотно ворот сварено из стального листа.
- коробка (комингс) — предназначена для передачи расчетной нагрузки с полотна на ограждающие конструкции и для герметизации проёма. Представляет собой раму, сваренную из профильного проката.
- механизм задраивания — предназначен для запирания и герметизации проёма. Включает в себя конический редуктор, винтовые тяги с клиньями и двумя штурвалами (рукоятками). Располагается с внутренней стороны изделия и обеспечивает открывание и закрывание с обеих сторон. Запирающие клинья затвора при затяжке прижимают полотно к коробке. Герметичность обеспечивается специальным уплотнителем из пористой резины, расположенной по периметру полотна.
Клапан избыточного давления модифицированный (КИДМ)
Клапан избыточного давления модифицированный (КИДМ), как и обычный клапан избыточного давления, применяется в убежищах при небольшом количестве удаляемого воздуха.
Он представляет собой металлический диск с резиновой прокладкой, соединённый рычагом и шарниром с металлическим корпусом, монтируемым в вытяжном канале. Под давлением ударной волны диск плотно прилегает к корпусу клапана, закрывая отверстие, через которое удаляется отработанный воздух. Вытяжные каналы имеют герметические и регулирующие клапаны.
Литература
- Каммерер Ю. Ю., Харкевич А. Е. Эксплуатация убежищ гражданской обороны. М.: Стройиздат, 1970.
- Егоров Л. Т., Шляхов И. А., Алабин Н. И. Гражданская оборона. М.: «Высшая школа», 1977.
- Котляревский В. А., Ганушкин В. И., Костин А. А., Ларионов В. И. Убежища гражданской обороны: Конструкция и расчёт. М.: Стройиздат, 1989.
- Гражданская оборона. Учебное пособие для проведение занятий по программе всеобщего обязательного минимума знаний населения по защите от оружия массового поражения. М.: «Советская Россия», 1976.
- Рекомендации по проектированию, строительству и эксплуатации быстровозводимых защитных сооружений гражданской обороны, ч. II. Строительство и эксплуатация. М.: Воениздат, 1971.
- Методика специальной подготовки и тактико-специальных учений с невоенизированными формированиями гражданской обороны. — 2-е изд., перераб. и дополн. — М.: Воениздат, 1985.
- Это должен знать и уметь каждый: Памятка для населения. — 5-е изд., испр. — М.: Воениздат,1985.
- Фотоматериалы использованы с сайта urban3p.ru © 2008—2010.
- Плакаты по гражданской обороне СССР.
- СНиП II-11-77 «Защитные сооружения гражданской обороны».
- СНиП 3.01.09-84 «Приёмка в эксплуатацию законченных строительством защитных сооружений и их содержание в мирное время».
- Стеблюк М.І. «Цивільна оборона» К.: Знання, 2006. —- 487 с.
- Демиденко Г. П., Кузьменко Е. П., Орлов П. П. и др. «Защита объектов народного хозяйства от оружия массового поражения» Справочник. 1989 г. 289 с.
- Кулаков М. А., Ляпун В. О. «Цивільна оборона» навч. посіб. Кулаков М. А., Ляпун В. О., та ін. — Харків: НТУ―ХПІ, 2005-с.
- Егоров В. Ф., Макаров В. М. «Гражданская оборона и защита от чрезвычайных ситуаций» Тамбов: Изд-во Тамб. гос. техн. ун-та, 2004. 32 с.
- Дементий Л. В., Кузнецов А. А., Поляков А. Е. «Гражданская оборона» —- Краматорск: ДГМА,2001. —- 34 c.
- Быков И. В. «Гражданская оборона» (на укр. языке)Черкасы: ЧДТУ. 2004 г. −32ст.
- Шубин Е. П. «Гражданская оборона» — М.: Просвещение, 1991. — 223 с.
- Алтунин А. Т. «Гражданская оборона» — М.: Воениздат, 1980. — 192 с.
- Каммерер Ю. Ю., Харкевич А. Е. Эксплуатация убежищ гражданской обороны. М.: Стройиздат, 1970.
- Линник А. М. ПВО промышленных объектов / Под ред. майора В. Г. Егорова. — М.: Издательский сектор Всесоюз. Пром. академии, 1940. — С. 160. — 180 с.
- Это должен знать и уметь каждый: Памятка для населения. — 5-е изд., испр. — М.: Воениздат,1985.
- .
- Военно-инженерный журнал № 3, 1959 г.
- Типовой проект. Объект 1-4-150-I. Разработан ин-том "Моспроект" Архитектурно-планировочного упр. Мосгорисполкома. — Центр. ин-т типовых проектов. — М., 1957. — Т. 1. — 76 с.
- Типовой проект. Объект 1-3-300-I. Разработан ин-том "Моспроект" Архитектурно-планировочного упр. Мосгорисполкома. — Центр. ин-т типовых проектов. — М., 1958. — Т. 1. — 83 с.
- Действие ядерного оружия Пер. с англ = The effects of nuclear weapons. Washington, 1957 / Под ред. канд. физ.-мат. наук Бурлакова В. Д. и Тулинова Н. Н. — М.: Воениздат, 1960. — С. 549. — 583 с.
- Наставление для инженерных войск. Полевые фортификационные сооружения. (ПФ-39). — СССР. Военные уставы и наставления. — М.: Воениздат, 1940. — С. 77, 165. — 272 с.
- БСЭ 2-е изд. т. 43
- Nelson R.W., Low-Yield Earth-Penetrating nuclear weapons // Science and Global Security, 2002, v. 10, С. 1—20 (рус. перев. Наука и всеобщая безопасность, Том 10, номер 1 (декабрь 2002 г.)).
См. также
Примечания
- Гражданская оборона. Учебное пособие для проведение занятий по программе всеобщего обязательного минимума знаний населения по защите от оружия массового поражения. М.: «Советская Россия», 1976.
- Рекомендации по проектированию, строительству и эксплуатации быстровозводимых защитных сооружений гражданской обороны, ч. II. Строительство и эксплуатация. М.: Воениздат, 1971.
- Плакаты по гражданской обороне СССР.
- СНиП II-11-77 «Защитные сооружения гражданской обороны»
- Методика специальной подготовки и тактико-специальных учений с невоенизированными формированиями гражданской обороны. — 2-е изд., перераб. и дополн. — М.: Воениздат, 1985.
- Котляревский В. А., Ганушкин В. И., Костин А. А., Ларионов В. И. Убежища гражданской обороны: Конструкция и расчёт. М.: Стройиздат, 1989.
- Егоров Л. Т., Шляхов И. А., Алабин Н. И. Гражданская оборона. М.: «Высшая школа», 1977.
- СП 88.13330.2014 Защитные сооружения гражданской обороны. Актуализированная редакция СНиП II-11-77* (с Изменениями N 1, 2), СП (Свод правил) от 18 февраля 2014 года №88.13330.2014. docs.cntd.ru. Дата обращения: 4 февраля 2021.
- СНиП 3.01.09-84 «Приёмка в эксплуатацию законченных строительством защитных сооружений и их содержание в мирное время»







