Трансформатор тока
Измерительный трансформа́тор то́ка — представляет собой повышающий трансформатор, предназначенный для преобразования тока[1] большой величины до значения, удобного для измерения. Первичной обмоткой трансформатора тока является проводник с измеряемым переменным током, а ко вторичной подключаются измерительные приборы. Ток, протекающий во вторичной обмотке трансформатора тока, пропорционален току, протекающему в его первичной обмотке. Число витков во вторичной обмотке берётся с таким расчётом, чтобы рабочий ток в ней равнялся 5А (или в конструкциях, встроенных в мультиметры — единицы миллиампер[2]).


Трансформаторы тока (далее — ТТ) широко используются как для измерения электрического тока, так и в устройствах релейной защиты электроэнергетических систем. Помимо своего основного назначения (расширение пределов измерения приборов) трансформаторы тока защищают приборы от разрушительного действия токов короткого замыкания. Трансформаторы тока применяются также для измерений тока (даже небольшой величины) в установках высокого напряжения, часто достигающего сотен киловольт. Непосредственное измерение (без ТТ) означает опасность прикосновения к амперметру, т.е. к находящемуся под высоким напряжением проводу.
К ТТ предъявляются высокие требования по точности. ТТ выполняют с одной, двумя и более группами вторичных обмоток: одна используется для питания устройств РЗиА, другая, более точная — для подключения средств учёта и измерения (например, электрических счётчиков).
Особенности конструкции
В конструктивном отношении трансформаторы тока выполнены в виде сердечника, шихтованного из холоднокатанной кремнистой трансформаторной стали, на которую наматываются одна или несколько вторичных изолированных обмоток. Первичная обмотка также может быть выполнена в виде катушки, намотанной на сердечник, либо в виде шины. В некоторых конструкциях вообще не предусмотрена встроенная первичная обмотка; первичная обмотка выполняется потребителем путём пропускания провода через специальное окно. Обмотки и сердечник заключаются в корпус для изоляции и предохранения обмоток. В некоторых современных конструкциях ТТ сердечник выполняется из нанокристаллических (аморфных) сплавов для расширения диапазона, в котором трансформатор работает в классе точности.
Вторичные обмотки ТТ (не менее одной на каждый магнитопровод) обязательно нагружаются. Сопротивление нагрузки строго регламентировано требованиями к точности коэффициента трансформации. Незначительное отклонение сопротивления вторичной цепи от номинала, указанного в паспорте ТТ, по модулю полного сопротивления Z или коэффициента мощности cos φ (обычно cos φ = 0,8 индукт.) приводит к возрастанию погрешности преобразования. Обмотка амперметра имеет весьма малое сопротивление, и, следовательно, трансформатор тока работает в условиях, близких к короткому замыканию. Значительное увеличение сопротивления или полное размыкание цепи нагрузки создает высокое напряжение во вторичной обмотке, способное пробить изоляцию трансформатора, что приводит к выходу трансформатора из строя. Полностью разомкнутая вторичная обмотка ТТ не создаёт компенсирующего магнитного потока в сердечнике, что приводит к перегреву магнитопровода, изоляции, её последующего старения и возможному пробою. При этом магнитный поток, созданный первичной обмоткой, имеет очень высокое значение; трансформатор сильно гудит а потери в магнитопроводе нагревают его.
Коэффициент трансформации измерительных трансформаторов тока является их основной характеристикой. Номинальный (идеальный) коэффициент указывается на шильдике трансформатора в виде отношения номинального тока первичной (первичных) обмоток к номинальному току вторичной (вторичных) обмоток, например, 100/5 А или 10-15-50-100/5 А (для первичных обмоток с несколькими секциями витков). При этом реальный коэффициент трансформации несколько отличается от номинального. Это отличие характеризуется величиной погрешности преобразования, состоящей из двух составляющих — синфазной и квадратурной. Первая характеризует отклонение по величине, вторая отклонение по фазе вторичного тока реального от номинального. Эти величины регламентированы ГОСТами и служат основой для присвоения трансформаторам тока классов точности при проектировании и изготовлении. Поскольку в магнитных системах имеют место потери связанные с намагничиванием и нагревом магнитопровода, вторичный ток оказывается меньше номинального (то есть погрешность отрицательная) у всех ТТ. В связи с этим для улучшения характеристик и внесения положительного смещения в погрешность преобразования применяют витковую коррекцию. А это означает, что коэффициент трансформации у таких откорректированных трансформаторов не соответствует привычной формуле соотношений витков первичной и вторичной обмоток.
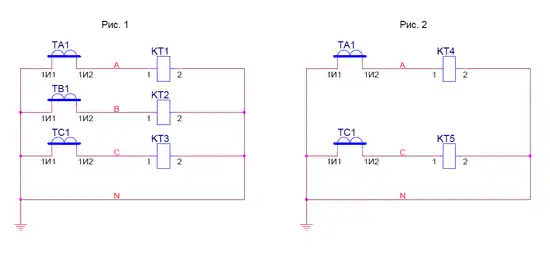
Схемы подключения измерительных трансформаторов тока


Трансформаторы тока обозначаются ТАа, ТАс, или ТА1 , ТА2, а токовые реле КА1, КА2.
В трёхфазных сетях с изолированной нейтралью (сети с напряжением 6-10-35 кВ) трансформаторы тока нередко устанавливаются только на двух фазах (обычно фазы A и C). Это связано с отсутствием нулевого провода в сетях 6 −35 кВ и информация о токе в фазе с отсутствующим трансформатором тока может быть легко получена измерением тока в двух фазах. В сетях с глухозаземлённой нейтралью (сети до 1000В) или эффективно заземлённой нейтралью (сети напряжением 110 кВ и выше) ТТ в обязательном порядке устанавливаются во всех трёх фазах.
В случае установки в три фазы вторичные обмотки ТТ соединяются по схеме «Звезда» (рис.1), в случае двух фаз — «Неполная звезда» (рис.2). Для дифференциальных защит силовых трансформаторов с электромеханическими реле трансформаторы подключают по схеме «Треугольник» (для защиты обмотки трансформатора, соединённой в звезду при соединении защищаемого трансформатора «треугольник — звезда», что необходимо для компенсации сдвига фаз вторичных токов с целью уменьшения тока небаланса). Для экономии измерительных органов в цепях защиты иногда применяется схема «На разность фаз токов» (не должна применяться для защиты от коротких замыканий за силовыми трансформаторами с соединением треугольник — звезда).
Классификация трансформаторов тока
Трансформаторы тока классифицируются по различным признакам:
1. По назначению:
- измерительные;
- защитные;
- промежуточные (для включения измерительных приборов в токовые цепи релейной защиты, для выравнивания токов в схемах дифференциальных защит и т. д.);
- лабораторные (высокой точности, а также со многими коэффициентами трансформации).
2. По роду установки:
- для наружной установки (в открытых распределительных устройствах);
- для внутренней установки;
- встроенные в электрические аппараты и машины: выключатели, трансформаторы, генераторы и т. д.;
- накладные — надевающиеся сверху на проходной изолятор (например, на высоковольтный ввод силового трансформатора);
- переносные (для контрольных измерений и лабораторных испытаний).
3. По конструкции первичной обмотки:
- многовитковые (катушечные, с петлевой обмоткой и с т. н. «восьмёрочной обмоткой»);
- одновитковые (стержневые);
- шинные.
4. По способу установки:
- проходные;
- опорные.
5. По выполнению изоляции:
- с сухой изоляцией (фарфор, бакелит, литая эпоксидная изоляция и т. д.);
- с бумажно-масляной изоляцией и с конденсаторной бумажно-масляной изоляцией;
- газонаполненные (элегаз);
- с заливкой компаундом.
6. По числу ступеней трансформации:
- одноступенчатые;
- двухступенчатые (каскадные).
7. По рабочему напряжению:
- на номинальное напряжение свыше 1000 В;
- на номинальное напряжение до 1000 В.
8. Специальные трансформаторы тока:
- нулевой последовательности;
- пояс Роговского.
Параметры трансформаторов тока
Важными параметрами трансформаторов тока являются коэффициент трансформации и класс точности.
Коэффициент трансформации
Коэффициент трансформации ТТ определяет номинал измерения тока и означает, при каком первичном токе во вторичной цепи будет протекать определённый стандартный ток (чаще всего это 5 А, редко 1 А). Первичные токи трансформаторов тока определяются из ряда стандартизированных номинальных токов. Коэффициент трансформации трансформатора тока обычно записывается в виде отношения номинального первичного тока к номинальному вторичному в виде дроби, например: 75/5 (при протекании в первичной обмотке тока 75 А — 5А во вторичной обмотке, замкнутой на измерительные элементы) или 1000/1 (при протекании в первичной цепи 1000 А, во вторичных цепях будет протекать ток 1 А. Иногда ТТ могут иметь переменный коэффициент трансформации, что возможно пересоединением первичных обмоток из параллельного в последовательное соединение (например, такое решение применяется в трансформаторах тока ТФЗМ-110) либо наличием отводов на первичной или вторичной обмотках (последнее применяется в лабораторных трансформаторах тока типа УТТ) или же изменением количества витков первичного провода, пропускаемого в окно трансформаторов тока без собственной первичной обмотки (трансформаторы тока УТТ).
Класс точности
Для определения класса точности ТТ вводятся понятия:
- погрешности по току , где — действительный вторичный ток, — приведённый первичный ток, — первичный ток, — коэффициент трансформатора тока;
- погрешности по углу , где — теоретический угол сдвига фаз между первичным и вторичным токами = 180°, — действительный угол между первичным и вторичным током;
- относительной полной погрешности , где — модуль комплексного приведённого тока.
Погрешности по току и углу объясняются действием тока намагничивания. Для промышленных трансформаторов тока устанавливаются следующие классы точности: 0,1; 0,5; 1; 3, 10Р. Согласно ГОСТ 7746-2001 класс точности соответствует погрешности по току ΔI, погрешность по углу равна: ±40′ (класс 0,5); ±80′ (класс 1), для классов 3 и 10Р угол не нормируется. При этом трансформатор тока может быть в классе точности только при сопротивлении во вторичной цепи не более установленного и тока в первичной цепи от 0,05 до 1,2 номинального тока трансформатора. Добавление после обозначения класса точности трансформаторов тока литеры S (например 0,5 S) означает, что трансформатор будет находиться в классе точности от 0,01 до 1,2 номинального тока. Класс 10Р (по старому ГОСТ Д) предназначен для питания цепей защиты и нормируется по относительной полной погрешности, которая не должна превышать 10 % при максимальном токе КЗ и заданном сопротивлении вторичной цепи. Согласно международному стандарту МЭК (IEС 60044-01) трансформаторы тока должны находится в классе точности при протекании по первичной обмотке тока 0,2—200 % номинального, что обычно достигается изготовлением сердечника из нанокристаллических сплавов.
Обозначения трансформаторов тока
Отечественные трансформаторы тока имеют следующее обозначения:
- первая буква в обозначении «Т» — трансформатор тока;
- вторая буква — разновидность конструкции: «П» — проходной, «О» — опорный, «Ш» — шинный, «Ф» — в фарфоровой покрышке;
- третья буква —материал изоляции: «М» — масляная, «Л» — литая изоляция, «Г» — газовая (элегаз).
Далее через тире пишется класс изоляции трансформатора тока, климатическое исполнение и категория установки. Например: ТПЛ-10УХЛ4 100/5А: «трансформатор тока проходной с литой изоляцией с классом изоляции 10 кВ, для умеренного и холодного климата, категории 4 с коэффициентом трансформации 100/5» (читается как «сто на пять»).
Замечания
- В отличие от трансформатора напряжения у трансформатора тока режим холостого хода является аварийным. Результирующий магнитный поток в магнитопроводе ТТ равен разности магнитных потоков, создаваемых первичной и вторичной обмотками. В нормальных условиях работы трансформатора он невелик. Однако при размыкании цепи вторичной обмотки в сердечнике будет существовать только магнитный поток первичной обмотки, который значительно превышает разностный магнитный поток. Потери в сердечнике резко возрастут, трансформатор перегреется и выйдет из строя («пожар стали»). Кроме того, на концах оборванной вторичной цепи появится большая ЭДС, опасная для работы оператора. Поэтому трансформатор тока нельзя включать в линию без подсоединённого к нему измерительного прибора. В случае необходимости отключения измерительного прибора от вторичной обмотки трансформатора тока, её обязательно нужно закоротить.
- Согласно ПУЭ вторичная обмотка ТТ обязательно должна заземляться (для защиты от поражения электрическим током при пробое изоляции, либо при индуктировании высокого напряжения из-за обрыва вторичной цепи).
Литература
- ПУЭ
- Шабад М. А. Трансформаторы тока в схемах релейной защиты. Учебное издание. — 1998.
- Родштейн Л. А. Электрические аппараты: Учебник для техникумов. — 3-е изд. — Л.: Энергоиздат. Ленингр. отд-ние, 1981.
- Афанасьев В. В. и др. Трансформаторы тока. — Л.: Энергоатомиздат, 1989.
- Чернобровов Н. В. Релейная защита. — М.: Энергия, 1974.
Примечания
- Что такое электрический ток: основные понятия и характеристики. Electroinfo.net (2 мая 2020). Дата обращения: 12 августа 2021.
- Ток, напряжение, сопротивление, мощность и др.величины. (рус.) ?. Elektrolife. Дата обращения: 12 августа 2021.