Тиски
Тиски́ (иногда называют тисами) — слесарное или столярное приспособление для фиксирования детали при различных видах обработки (пиление, сверление, строгание и т. д.).





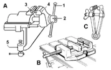
По причине простоты конструкции, тиски являются довольно востребованным инструментом. Различают стационарные (закрепленные на верстаке), станочные (для фиксации обрабатываемой детали на станке) и ручные, для фиксации и удобства манипуляции мелкими деталями. Ключевыми элементами в их работе являются две параллельно находящихся пластины, которые и фиксируют необходимую деталь.
Губки тисков чаще всего сжимаются вручную винтом с трапециевидной резьбой. Одна из пластин как правило абсолютно неподвижна и надежно прикреплена к корпусу. Другая же пластина содержит гайку и перемещается вращением винта, позволяя сжать деталь с нужной силой. Для удобства работы, стационарные тиски могут иметь дополнительные поворотные и подъемные механизмы, позволяя удобно поворачивать деталь, не разжимая губки. Станочные тиски имеют меньшую высоту и приспособлены для крепления на рабочий стол станка при помощи Т-паза.
Для защиты зажимаемой детали от повреждений губками тисков применяют защитные накладки из мягких материалов (алюминий, медь, резина, дерево). Рабочие поверхности губок имеют насечку для надежной фиксации, и иногда треугольное углубление для зажатия круглых заготовок. Тяжелые стальные слесарные тиски иногда имеют наплыв на корпусе для использования в качестве небольшой наковальни. Тиски крепятся к верстаку как болтами, так и струбциной.
Тиски изготавливаются из различных материалов - стали для тяжелонагруженных применений, алюминия и даже дерева при использовании в столярном деле. В ювелирном деле ручные тиски часто изготавливают из дерева, чтобы не оставлять на мягком металле украшения следов от зажима.