Тиристорный преобразователь частоты
Тиристорный преобразователь частоты (ТПЧ) — серия тиристорных преобразователей частоты на базе автономного инвертора тока АИТ[1][2][3][4], применяемых для индукционного нагрева металлов.
ТПЧ — это исторически сложившаяся аббревиатура, начиная с 1960-х годов в СССР, традиционно обозначающая серию тиристорных преобразователей частоты, применяемых в качестве источников питания для индукционного нагрева металлов. Аббревиатура ТПЧ закрепилась только для источников на базе АИТ[1][2][3][4]. Серия ТПЧ в своем развитии насчитывает несколько поколений. Аббревиатура ТПЧ также иногда использовалась, но позднее, и значительно реже, для обозначения тиристорных преобразователей частоты для электропривода. Однако аббревиатура ТПЧ для обозначения приводных преобразователей не считается корректной, если вместе с аббревиатурой ТПЧ не упомянут электропривод. Для исключения двусмысленности в практике сложились распространенные названия для электропривода, отличительные от серии ТПЧ: Частотный преобразователь (электропривод), Частотно-регулируемый привод.
История развития
Обзор среднечастотных источников индукционного нагрева
Нагрузкой источника индукционного нагрева является индуктор — катушка, внутрь которой помещается металл. Индуцируемые в металле вихревые токи разогревают металл при минимуме отвода тепла в окружающую среду. Индукционный способ нагрева позволяет обеспечить высокую скорость нагрева, а также тонкое регулирование потока тепловой энергии и тем самым добиться экономичности, высокой точности и повторяемости промышленных технологических процессов. Индукционный нагрев используется в машиностроении и металлургической промышленности для плавки, ковки, штамповки, поверхностной и сквозной закалки, отжига, пайки резцов, высокочастотной сварки, а также для других специальных применений, где требуется нагрев металлов.
Требование к выходной частоте источника зависит от объёма и геометрии нагреваемого тела (участка). Требование к выходной мощности источника определяется заданной производительностью линии нагрева. Частота и мощность в общем случае независимые параметры. В металлургической промышленности чаще всего используется т. н. среднечастотный ряд частот 0.5, 1.0, 2.4, 4.0, 8.0, 10 кГц и диапазон мощностей от 100 кВт до 1600 кВт, чаще других используются мощности от 320 кВт до 800 кВт на частотах 0.5, 1.0 и 2.4 кГц. Для больших сталеплавильных печей, объёмом в десятки тонн, используются относительно низкие частоты 0.25 и 0.125 кГц при больших мощностях источника 5 МВт и выше. В машиностроительной и других отраслях промышленности используются повышенные и высокие частоты: 22; 44; 66; 100; 220; 500 кГц и т. д. При высоких частотах реже используются мощности более 100 кВт, исключение — высокочастотная сварка, где высокая частота сочетая с большой мощностью.

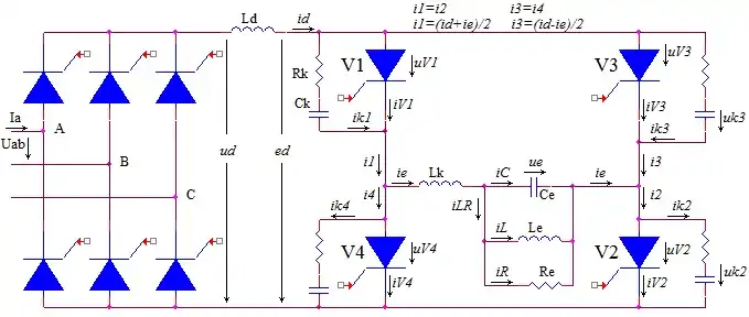
На Рис. 1 показана базовая схема тиристорного преобразователя частоты, имеющего двухзвенную структуру: выпрямитель преобразует сетевой ток (50 Гц) в постоянный ток в сглаживающем реакторе , инвертор преобразует постоянный ток в переменный ток нужной частоты. Характерной особенностью схемы на Рис.1 является наличие в схеме фильтрующего дросселя между выпрямителем и инвертором. Ток дросселя на входе моста постоянный и совпадает по абсолютной величине с переменным током на выходе моста, который через индуктивность линии питает колебательный контур . Полярность токов и на одном полупериоде совпадает (полярность положительна, если открыта диагональ моста V1, V2), на другом — противоположна (полярность отрицательна, если открыта противоположная диагональ V3, V4). Инвертор на таком принципе действия называется «инвертором тока». Поскольку нагрузкой данного инвертора является пассивная цепь, такой инвертор называется автономным инвертором тока (АИТ). В качестве контура нагрузки чаще других используется параллельный контур (Рис.1), откуда произошло название: параллельный автономный инвертор — эквивалент названию АИТ[5].
Если в дросселе используется большая индуктивность (сглаживающая), то такой инвертор называется АИТ с непрерывным током. Если же используется малая индуктивность , то в токе инвертора появляется интервал паузы. Такой инвертор называется АИТ с прерывистым током.
Для согласования с индуктором по напряжению, или для улучшения пуска, иногда используются другие модификации контура, куда входят 2 или 3 конденсатора: Г- , Т- и П-образные контура [1] [2] [3] [4] [5]. В указанных контурах концы катушки индуктора всегда замыкаются через цепь из одного или двух конденсаторов. Свойства таких контуров близки к свойствам параллельного контура на Рис.1, поэтому основные принципы работы инвертора совпадают с параллельной схемой АИТ на Рис.1.
Коренное отличие в принципе работы инвертора возникает в том случае, когда вместо параллельного используется последовательный конденсатор в контуре. Тогда не требуется дроссель на входе инвертора, ток инвертора формируется по колебательному закону с образованием интервала паузы тока. Инвертор без входного дросселя называется автономным инвертором напряжения (АИН), альтернативный вариант названия: последовательный автономный инвертор. В научной мировой литературе [6] [7] [8] [9] [10] установилась терминология «параллельный» и «последовательный» инверторы (Parallel Inverter, Series Inverter — с дросселем и без него, соответственно). Под параллельной схемой контура подразумевается существование произвольной замкнутой цепи конденсаторов, подключенной параллельно зажимам индуктора, хотя как правило, используется обычный параллельный контур на Рис.1. Параллельный и последовательный инверторы относятся к принципиально различным классам устройств (АИТ и АИН). Также возникли научные школы и крупные мировые компании, являющиеся сторонниками параллельных или последовательных инверторов. В частности, компании Otto Junker (Германия), Brown Boveri (Швейцария), Asea (Швеция), General Electric (США), а также международная корпорация Ajax Tocco Magnethermic, преимущественно развивали направление параллельного инвертора [6] [7], в то время как другая мировая корпорация Inductotherm (насчитывающая в своем составе несколько десятков отдельных фирм по всему миру) преимущественно развивала последовательную схему. В Японии [8], и в СССР среднечастотный индукционный нагрев преимущественно развивался на базе параллельной схемы. В СССР наряду с термином «параллельный автономный инвертор» в научной литературе чаще использовался термин АИТ [1] [2] [3] [4] [5].
Серия ТПЧ
Производство источников индукционного нагрева в СССР на базе АИТ (Рис.1), которые получили название «серия ТПЧ», зародилось в 1960-е годы в Таллине на Электротехническом заводе им. Калинина[5]. Основные конструктивные исполнения серии ТПЧ охватывают диапазон по мощности от 100 кВт до 1600 кВт, по частоте от 0.5 до 10 кГц, чаще других используются ТПЧ мощностью 320 кВт и 800 кВт на частоте 1кГц. Во второй половине 1980-х годов объём производства в СССР достигал до 800 штук ТПЧ в год, что составляло порядка половины ежегодного мирового производства средне частотных источников индукционного нагрева (в штучном выражении по типовым мощностям в диапазоне 160…800 кВт в диапазоне частот 0.5…10 кГц). В частности, наиболее крупная американская компания Inductotherm в 1980-е годы выпускала порядка 180 средне частотных источников в год. В 1990-е годы на многих предприятиях в России и на Украине появилось серийное производство источников на базе АИТ с одинаковым названием «серия ТПЧ». В связи с прочно закрепившейся аббревиатурой ТПЧ, другие источники индукционного нагрева с топологией схемы, отличающейся от АИТ, имеют название, отличающееся от ТПЧ.
Появление на рынке мощных силовых транзисторов, начиная с 1990-х годов, дало толчок развитию силовой электроники в ряде отраслей. Безусловными достоинствами транзисторов являются полная управляемость и высокое быстродействие. Эти свойства дали основу для развития как самих транзисторов, так и универсальных устройств управления силовыми транзисторами (интеллигентные модули) для любых применений. Возникла мощная индустрия универсальных компонентов силовой электроники. Для малых фирм, ранее не занимавшихся наукоемкой продукцией, появилась возможность закупать готовые компоненты, собирать и поставлять на рынок конкурентоспособные изделия, что способствовало быстрому росту рынка. В области электропривода, ветро-генераторов и солнечной энергетики выпущены десятки тысяч изделий, в том числе появились изделия на IGBT-транзисторах большой единичной мощности в несколько мегаватт. Прогресс силовой электроники пришел также в область индукционного нагрева. Стал быстро развиваться рынок малых источников в несколько килловатт или десятков киловатт, которые раньше почти отсутствовали на рынке. Также стали интенсивно вытесняться ламповые генераторы, которые использовались для индукционного нагрева в области высоких частот в десятки и сотни килогерц.
В средне частотной области, где нет востребованности в быстродействии полупроводников, производство источников индукционного нагрева разделилось на два сектора: источники тиристорные и транзисторные. В средне частотной области тиристоры не столь чувствительны к неполной управляемости, и в этом отношении не столь проигрывают полностью управляемым транзисторам, зато выигрывают по надежности и стоимости. Особенно выигрыш тиристорной схемы ощущается при мощностях более 250 кВт, когда относительно дорогая система управления становится уже не столь заметна в общей стоимости изделия, а надежность тиристорной схемы становится превалирующим фактором для покупателя. В мощных источниках возрастает роль системы управления для решения задач защиты, диагностики, мониторинга, автоматики и регулирования. Поэтому для таких источников стоимость систем управления для тиристорных и транзисторных источников сопоставима. Тиристор по сравнению с силовым транзистором многократно выше по единичной мощности и ниже по стоимости. Тиристор обладает свойством кратковременно выдерживать ток, на порядок превышающий рабочий ток, в то время как транзистор выходит из насыщения и разрушается. Чем больше параллельных соединений транзисторов, тем опаснее аварийные режимы, которые могут сопровождаться взрывом корпуса. Поэтому на рынке между секторами тиристорных и транзисторных источников в области средне частотного нагрева установилась устойчивая граница на уровне мощности порядка 250 кВт. Граница существует исключительно для индукционного нагрева и исключительно в области средних частот, в то время как в других областях со всей очевидностью происходит насыщение рынка транзисторными схемами.
Прогресс полупроводниковой индустрии привел к появлению тиристоров в модульном корпусе, который аналогичен корпусу силового транзистора, и имеет те же достоинства — изоляцию от охладителя и простота сборки модульных конструкций. Также в схему тиристорного инвертора АИТ некоторые производители вводят на входе инвертора транзисторный прерыватель, т. н. IGBT-чоппер, который позволяет улучшить управляемость и характеристики схемы, и в то же время не потерять присущую тиристорам устойчивость к аварийным режимам.
Серия ТПЧ прошла длительный путь эволюции. В таблице ниже дано представление о смене поколений серий ТПЧ. В таблице даны по возможности объективные признаки прогресса в технологии производства ТПЧ, общие для различных производителей. Таблица ограничивается рассмотрением прогресса технологий только для источников ТПЧ с присущей им топологией АИТ. Принадлежность к одному классу устройств остается также в том случае, когда АИТ является только частью силовой схемы. Например, устройства, где на входе АИТ устанавливается или не устанавливается силовой транзисторный Прерыватель (IGBT-чоппер), относятся к одному классу. Схема АИТСП (АИТ с Синхронным Прерывателем) и схема АИТАП (АИТ с Асинхронным Прерывателем, где Прерыватель не синхронизирован с инвертором) имеют существенно разные характеристики, хотя и относятся к одному классу устройств.
| Серия ТПЧ | Признаки прогресса в технологии производства |
|---|---|
| 1-ое поколение | 1960-е годы.
|
| 2-ое поколение | 1970-е годы.
|
| 3-е поколение | 1986 год.
|
| 4-ое поколение | 2002 год.
|
| 5-ое поколение | 2015 год.
|
Примечания
Литература
- Горбачев Г. Н., Чаплыгин Е. Е. Промышленная электроника: Учебник для вузов/Под ред. В. А. Лабунцова.. — М.: Энергоатом-издат, 1988. — 320 с.
- Шиллинг В. Схемы выпрямителей, инверторов и преобразователей частоты: Пер. с нем.. — Л.: Госэнерго-издат, 1950. — 464 с.
- Толстов Ю.Г. Автономные инверторы тока. — М.: Изд."Энергия", 1978. — 208 с.
- Чиженко И.М. Справочник по преобразовательной технике.. — К.: Техніка, 1978. — 447 с.
- Е. И. Беркович. Тиристорные преобразователи высокой частоты. — Л.: Энергия, 1973.
- Alfred Mühlbauer. History of Induction Heating and Melting. — Vulkan-Verlag GmbH, 2008.
- John William Motto, Jr. Introduction to Solid State Power Electronics. — Westinghouse Electric Corp., 1977.
- Takesi FUJITSUKA. Analysis and Design of Parallel Inverter Circuit with Parallel Inductive Load. — Kyoto University, 1971.
- Nikolay L. Hinov. Parallel Inverter Analysis Using Mathematical Software. — Bulgaria: 1000 Sofia, 2005.
- Pantech ProLabs India Pvt Ltd. Introduction to Parallel Inverter (англ.) (недоступная ссылка). Дата обращения: 22 сентября 2014. Архивировано 13 января 2014 года.