Теорема Тевенена
Теоре́ма Тевене́на (теорема Тевенина, теорема Тевенина — Гельмгольца[1]) — утверждение о том, что любой источник может быть эквивалентно заменён на последовательно соединённые идеальный источник напряжения и внутреннее сопротивление; является двойственным утверждением к теореме Нортона об эквивалентной замене произвольной цепи на параллельно соединённые идеальный источник тока и внутреннее сопротивление.

Впервые сформулирована Германом фон Гельмгольцем в 1853 году[2] и независимо от него французским инженером-электриком Леоном Шарлем Тевененом (фр. Léon Charles Thévenin) в 1883 году[3][4].
Формулировка
Для линейных электрических цепей теорема утверждает, что любая электрическая цепь, имеющая два вывода и состоящая из произвольной комбинации источников напряжения, источников тока и резисторов (сопротивлений), электрически для этих двух выводов эквивалентна цепи с одним идеальным источником напряжения с ЭДС и одним резистором , соединёнными последовательно с этим источником напряжения.
Иначе говоря, ток в любом сопротивлении , присоединенном к любой цепи, равен току в этом же сопротивлении , присоединённом к идеальному источнику напряжения с напряжением, равным напряжению холостого хода цепи (напряжению на этих зажимах когда к ним ничего не подключено) и обладающим внутренним сопротивлением , равным полному сопротивлению «закрытой части» цепи, определённому со стороны зажимов при условии, что все источники внутри цепи заменены полными сопротивлениями, равными внутренним полным сопротивлениям этих источников.
То есть, экспериментально, параметры эквивалентной замены «чёрного ящика» с двумя выводами определяются из двух измерений — опыта холостого хода и опыта короткого замыкания. Пусть напряжение на зажимах (выводах) при холостом ходе будет а ток при коротком замыкании этих же зажимов тогда:
- и
- где — ЭДС идеального источника напряжения в эквивалентной замене,
- — сопротивление последовательно включенного с источником резистора в эквивалентной замене.
Если известна структура и параметры некоторой цепи, то формально можно вычислить параметры эквивалентной замены. При этом анализе при вычислении эквивалентного сопротивления все идеальные источники напряжения, входящие в цепь, мысленно закорачиваются, и вычисляется сопротивление полученной цепи относительно рассматриваемых зажимов. Далее пользуясь, например, правилами Кирхгофа вычисляется напряжение на зажимах. Полученные сопротивление и напряжение как раз и будут параметрами эквивалентной замены.
Теорема также применима для цепей синусоидального переменного тока в установившемся режиме, но при этом учитываются не активные сопротивления, токи и напряжения, а соответственно импедансы и комплексные амплитуды токов и напряжений.
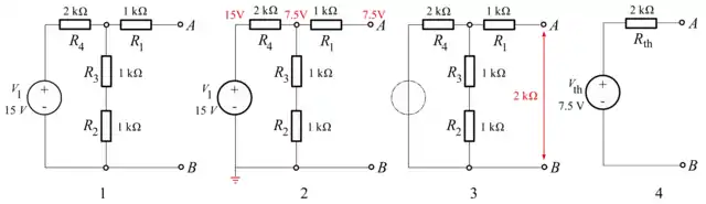
Пример вычисления параметров эквивалентной замены

- Исходная электрическая цепь
- Вычисление эквивалентной ЭДС
- Вычисление сопротивления эквивалентного резистора — источник напряжения мысленно закорочен
- Результат эквивалентной замены
Вычисление эквивалентного напряжения (ЭДС) — напряжение, снимаемое с резистивного делителя напряжения состоящего из сопротивлений , так как рассчитывается режим холостого хода, ток через резистор и падение напряжения на нём нулевое:
Вычисление эквивалентного сопротивления, источник напряжения закорочен:
Здесь символом обозначено сопротивление параллельного соединения резисторов и
Примечания
- В русскоязычной литературе иногда встречается встречается некорректная транскрипция фамилии — «Тевенин»
- H. Helmholtz, Über einige Gesetze der Vertheilung elektrischer Ströme in körperlichen Leitern mit Anwendung auf die thierisch-elektrischen Versuche, Ann. der Physik und Chemie, Bd. 89, no. 6, 1853, S. 211—233
- L. Thévenin, Extension de la loi d’Ohm aux circuits électromoteurs complexes, Annales Télégraphiques (3eme série), vol. 10, 1883, pp. 222—224.; L. Thévenin, Sur un nouveau théorème d’électricité dynamique, Comptes rendus, vol. 97, 1883, pp. 159—161.
- D.H. Johnson, Equivalent circuit concept: the voltage-source equivalent, Proceedings of the IEEE, vol. 91, no. 4, 2003, pp. 636—640.
Литература
- Пейдж Ч. Алгебра электроники. — М.: Госэнерго, 1962. — 351 с.