Схема изделия
Схема изделия — согласно ЕСКД (ГОСТ 2.701), графический документ, на котором в виде условных обозначений или изображений показаны составные части некоторого изделия и связи между ними.

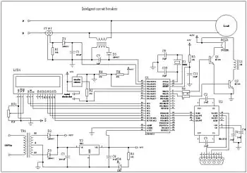
Принципиальная электрическая схема интеллектуального выключателя (код Э3)

Принципиальная гидравлическая схема гидропривода (код Г3)

Кинематическая схема револьверной головки токарного станка (код К3)
Схемы входят в комплект конструкторской документации и содержат данные, необходимые для проектирования, изготовления, сборки, регулировки, настройки и эксплуатации изделия. Схема — один из видов графических моделей изделий.
Классификация и обозначение схем
По виду элементов и связей, входящих в состав изделия, различают следующие виды схем[1] :
- электрические схемы (Э)
- гидравлические схемы (Г)
- пневматические схемы (П)
- газовые схемы (Х)
- кинематические схемы (К)
- вакуумные схемы (В)
- оптические схемы (Л)
- энергетические схемы (Р)
- схемы деления (Е)
- комбинированные схемы (С)
По основному назначению (типу):
- структурные схемы (1)
- функциональные схемы (2)
- принципиальные (полные) схемы (3)
- монтажные схемы (схемы соединений) (4)
- схемы подключения (5)
- общие схемы (6)
- схемы расположения (7)
- схемы объединения (0)
В скобках указано обозначение вида и типа схемы.
Литература
- Усатенко С. Т. Выполнение электрических схем по ЕСКД (1989)
This article is issued from Wikipedia. The text is licensed under Creative Commons - Attribution - Sharealike. Additional terms may apply for the media files.