Регистр (цифровая техника)
Регистр — устройство для записи, хранения и считывания n-разрядных двоичных данных и выполнения других операций над ними[1].

Регистр представляет собой упорядоченный набор триггеров, обычно D-триггеров, число которых соответствует числу разрядов в слове. С регистром может быть связано комбинационное цифровое устройство, с помощью которого обеспечивается выполнение некоторых операций над словами.
Основой построения регистров являются: D-триггеры, RS-триггеры, JK-триггеры.
Операции в регистрах
Типичными являются следующие операции:
- приём слова в регистр (установка состояния);
- передача слова из регистра;
- сдвиг слова влево или вправо на заданное число разрядов в сдвиговых регистрах;
- преобразование последовательного кода слова в параллельный и обратно;
- установка регистра в начальное состояние (сброс).
Классификация регистров
Регистры классифицируются[2] по следующим видам:
- накопительные (регистры памяти, хранения)[3][4];
- сдвигающие или сдвиговые[5][6][7][8][9][10][11][12][13][14][15].
В свою очередь сдвигающие регистры делятся:
- по способу ввода-вывода информации:
- параллельные: запись и считывание информации происходит одновременно на все входы и со всех выходов[16];
- последовательные: запись и считывание информации происходит в первый триггер, а та информация, которая была в этом триггере, перезаписывается в следующий — то же самое происходит и с остальными триггерами[17][18];
- комбинированные;
Типы регистров
Регистры различают по типу ввода (загрузки, приёма) и вывода (выгрузки, выдачи) информации:
- С последовательным вводом и выводом информации
- С параллельным вводом и выводом информации
- С параллельным вводом и последовательным выводом. Например: SN74LS165J(N), SN74166J(N), SN74LS166J(N)
- С последовательным вводом и параллельным выводом. Например: SN7416J(N), SN74LS164J(N), SN74LS322J(N), SN74LS673J(N)
Использование триггеров с защёлками с тремя состояниями на выходе, увеличенная (по сравнению со стандартными микросхемами серии) нагрузочная способность позволяют использовать (в микропроцессорных системах с магистральной организацией) регистры непосредственно на магистраль в качестве регистров, буферных регистров, регистров ввода-вывода, магистрального передатчика и т. д. без дополнительных схем интерфейса.
Помимо вышеописанных двоичных регистров, регистр может основываться и на иной системе счисления, например троичной или десятичной.
Параллельные регистры
В параллельных (статических) регистрах схемы разрядов не обмениваются данными между собой. Общими для разрядов обычно являются цепи тактирования, сброса/установки, разрешения выхода или приема, то есть цепи управления. Пример схемы статического регистра, построенного на триггерах типа D с прямыми динамическими входами, имеющего входы сброса и выходы с третьим состоянием, управляемые сигналом EZ.
Сдвигающие (последовательные) регистры
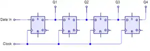
Сдвиговые регистры (или последовательные (сдвигающие) регистры) представляют собою цепочку разрядных схем, связанных цепями переноса. Основной режим работы — сдвиг разрядов кода от одного триггера к другому на каждый импульс тактового сигнала. В однотактных регистрах со сдвигом на один разряд вправо слово сдвигается при поступлении тактового сигнала. Вход и выход последовательные (англ. Data Serial Right, DSR).
Согласно требованиям синхронизации в сдвигающих регистрах, не имеющих логических элементов в межразрядных связях, нельзя применять одноступенчатые триггеры, управляемые уровнем, поскольку некоторые триггеры могут за время действия разрешающего уровня синхросигнала переключиться неоднократно, что недопустимо. Появление в межразрядных связях логических элементов, и тем более, логических схем неединичной глубины упрощает выполнение условий работоспособности регистров и расширяет спектр типов триггеров, пригодных для этих схем. Многотактные сдвигающие регистры управляются несколькими синхропоследовательностями. Из их числа наиболее известны двухтактные с основным и дополнительным регистрами, построенными на простых одноступенчатых триггерах, управляемых уровнем. По такту С1 содержимое основного регистра переписывается в дополнительный, а по такту С2 возвращается в основной, но уже в соседние разряды, что соответствует сдвигу слова. По затратам оборудования и быстродействию этот вариант близок к однотактному регистру с двухступенчатыми триггерами.
Примеры:
- SN74ALS164 (КР1533ИР8) — восьмиразрядный сдвиговый регистр с последовательной загрузкой и параллельной выгрузкой. Оснащён двумя входами, A и B, что позволяет заперев один из них (установив на нём низкий уровень напряжения по положительному фронту тактового импульса), осуществлять ввод данных в последовательном коде по другому входу.
- SN74ALS165 (КР1533ИР9), SN74ALS166 (КР1533ИР10) — восьмиразрядный сдвиговый регистр с последовательной выгрузкой, работающий в двух режимах: параллельной загрузки и сдвига,
- SN74198 (КР155ИР13) — восьмиразрядный реверсивный сдвиговый регистр, имеющий четыре режима работы: параллельная загрузка, сдвиг влево, сдвиг вправо и блокировка.
- SN74LS295 (КР1533ИР16) — четырёхразрядный сдвиговый регистр с параллельной загрузкой и тремя состояниями выходов, имеющий три режима работы: параллельная загрузка, сдвиг влево и блокировка. На основе регистра может быть построен реверсивный сдвигающий регистр с последовательным вводом данных и режимами сдвига влево и вправо[21].
- 74HC595N (КР1564ИР52) — восьмиразрядный сдвиговый регистр с защелкой, имеющий возможность параллельного или последовательного объединения с тремя состояниями на выходе: высокий, низкий и высоко-импедансный.
Регистры процессора
По назначению регистры процессора различаются на:
- аккумулятор — используется для хранения промежуточных результатов арифметических и логических операций и инструкций ввода-вывода;
- флаговые — хранят признаки результатов арифметических и логических операций;
- общего назначения — хранят операнды арифметических и логических выражений, индексы и адреса;
- индексные — хранят индексы исходных и целевых элементов массива;
- указательные — хранят указатели на специальные области памяти (указатель текущей операции, указатель базы, указатель стека);
- сегментные — хранят адреса и селекторы сегментов памяти;
- управляющие — хранят информацию, управляющую состоянием процессора, а также адреса системных таблиц.
Троичные регистры
Троичные регистры строятся на троичных триггерах. Как и троичные триггеры, троичные регистры могут быть разных троичных систем кодирования троичных данных (троичных разрядов): трёхуровневая однопроводная, двухуровневая двухразрядная двухпроводная, двухуровневая трёхразрядная одноединичная трёхпроводная, двухуровневая трёхразрядная однонулевая трёхпроводная и др.

На рисунке справа приведена схема девятиразрядного параллельного статического стробируемого троичного регистра данных на трёх трёхразрядных параллельных статических стробируемых троичных регистрах данных в трёхбитной одноединичной системе троичных логических элементов (линии с обозначением 3В: трёхпроводные), имеющего ёмкость в показательной позиционной троичной системе счисления чисел (кодов).
См. также
Примечания
- Габриелян Ш., Вахтина Е. Электротехника и электроника. Методические рекомендации. — Ставрополь : Аргус, 2013. — С. 32. — ISBN 978-5-9596-0837-8.
- http://wiki.miem.edu.ru/index.php/Схемотехника:Лекции Архивная копия от 17 января 2010 на Wayback Machine Глава 11 Раздел 1.1 11.1.Классификация регистров
- http://www.intuit.ru/department/hardware/archhard2/2/2.html Интернет университет информационных технологий. Архитектура и организация ЭВМ. В. В. Гуров, В. О. Чуканов. 2.Лекция: Основные функциональные элементы ЭВМ, часть 2. Регистр хранения. Рис.2.5. Структура четырёхразрядного регистра хранения с асинхронным входом установки в 0. Рис.2.6. Условно-графическое обозначение четырёхразрядного регистра хранения с асинхронным входом установки в 0
- http://www.bashedu.ru/perspage/wsap/posobie/chapter3/6.htm (недоступная+ссылка) Основы цифровой электроники. 3.6. Регистры. Регистры хранения. Рис.3.25. Функциональные схемы основных типов регистров. Рис. 3.26. Регистры хранения, на D-триггерах, синхронизируемых уровнем синхроимпульса (а), фронтом (б) и на RS-триггерах, синхронизируемых фронтом (в)
- http://www.gsm-guard.net/glossary/_r.htm Архивная копия от 6 января 2009 на Wayback Machine Глоссарий. Регистр сдвига (Shifter)
- http://kpe.hww.ru/spravka_circuitry/rs.htm Регистры сдвига
- http://dssp.karelia.ru/~ivash/ims/t12/TEMA6.HTM Регистры сдвига. Рис.1. Регистры сдвига на JK-триггерах
- http://www.airalania.ru/airm/147/53/index.shtml Архивная копия от 6 марта 2009 на Wayback Machine 6.1. Регистры сдвига и кольцевые счётчики
- http://www.intuit.ru/department/hardware/archhard2/2/2.html Интернет университет информационных технологий. Архитектура и организация ЭВМ. В. В. Гуров, В. О. Чуканов. 2.Лекция: Основные функциональные элементы ЭВМ, часть 2. Регистр сдвига. Рис.2.7. Структура регистра сдвига. Рис.2.8. Условно-графическое обозначение четырёхразрядного регистра сдвига с асинхронным входом установки в 0
- http://dfe3300.karelia.ru/koi/posob/log_basis/registr2.html Архивная копия от 20 августа 2009 на Wayback Machine Логические основы ЭВМ. Параллельные регистры сдвига. Рис.9.1 Структурная схема 4-разрядного параллельного кольцевого регистра. Рис.9.2. Логическая схема 4-разрядного кольцевого регистра
- http://www.bashedu.ru/perspage/wsap/posobie/chapter3/6.htm (недоступная+ссылка) Основы цифровой электроники. 3.6. Регистры. Регистры сдвига. Рис. 3.27. Регистры сдвига на D-триггерах а), RS-триггерах б) и комбинированный регистр на D-триггерах
- http://www.texnic.ru/tools/cif_ms/7.html 7.РЕГИСТРЫ. 7.1. Сдвиговые регистры. Рис. 248. Двенадцатиразрядный сдвигающий регистр
- http://shema.relline.ru/main/lections/second/Reg_sdwig Архивная копия от 25 мая 2009 на Wayback Machine МГИЭМ. Схемотехника. Лекции. Регистры сдвига. Реализация регистров сдвига на однотактных RS триггерах. Трёхтактный регистр сдвига
- http://www.exponenta.ru/educat/systemat/1006/3_projects/vavilkin_kornilov.asp Рис.2 Сдвиговый регистр, составленный из четырёх D-триггеров. Рис.3 Типичный сдвиговый регистр, составленный из четырёх JK-триггеров. Рис.5 Загрузка данных в сдвиговый регистр при использовании параллельного ввода.
- http://it.fitib.altstu.ru/neud/shemotechnika/index.php?doc=teor&st=141 Схемотехника. 12.1.1. Сдвигающий регистр
- http://www.texnic.ru/tools/cif_ms/7.html 7.РЕГИСТРЫ. Рис.208. Параллельный регистр
- http://www.texnic.ru/tools/cif_ms/7.html 7.РЕГИСТРЫ. Рис.209. Последовательный регистр
- http://kt1bladerunner.livejournal.com/1339.html Последовательный регистр сдвига. Рис.6 Структурная схема 4-разрядного параллельного кольцевого регистра. Рис. 7. Логическая схема 4-разрядного параллельного кольцевого регистра
- http://www.erudition.ru/referat/ref/id.36006_1.html 16-ти разрядный реверсивный регистр сдвига
- http://www.texnic.ru/tools/cif_ms/7.html 7.РЕГИСТРЫ. Рис.210. Реверсивный регистр
- Пухальский Г. И., Новосельцева Т. Я. Цифровые устройства: Учебное пособие для вузов. — СПб.: Политехника, 1996. — С. 600. — 885 с. — ISBN 5-7325-0359-5.
Литература
- Генри С. Уоррен, мл. Глава 2. Основы // Алгоритмические трюки для программистов = Hacker's Delight. — М.: «Вильямс», 2007. — С. 288. — ISBN 0-201-91465-4.
- Нефедов А.В, Савченко А.М., Феоктистов Ю.Ф. Под редакцией Широкова Ю.Ф. Раздел 3. Цифровые интегральные микросхемы и их электрические параметры // Зарубежные интегральные микросхемы для промышленной электронной аппаратуры: Справочник. — М.: Энергоатомиздат, 1989. — 288 с. — ISBN 5-283-01540-8.
- Петровский И.И., Прибыльский А.В,, Троян А.А., Чувелов В.С. Функциональный состав микросхем серии КР1533: 5. Регистры; Функциональный состав микросхем серии КР1554: 4. Регистры // Логические ИМС КР1533, КР1554. Справочник. — М.: ТОО «Бином», 1993. — 497 с. — ISBN 5-85959-045-5.
- Аверченков О. Е. Схемотехника: аппаратура и программы. — М.: ДМК Пресс, 2012. — 588 с. — ISBN 978-5-94074-402-3.
Ссылки
- Методические указания. Исследование регистров