Научные результаты миссии Mars Exploration Rover
Миссия изучения Марса Mars Exploration Rover, космического агентства НАСА, предоставила огромный объём научной информации, относящейся к атмосфере и геологической составляющей планеты Марс, а также к совершению некоторых астрономических наблюдений. Данная статья охватывает информацию, собранную марсоходом Оппортьюнити на начальном этапе своей миссии. Научные результаты, собранные марсоходом Спирит, содержатся в другой статье.

Продолжающаяся беспилотная миссия изучения Марса Mars Exploration Rover, началась в 2003 году запуском двух роботизированных марсоходов, Спирита и Оппортьюнити, основной целью миссии является исследование поверхности и геологического прошлого Марса. Миссию возглавил руководитель проекта Питер Тизингер из НАСА, Лаборатории реактивного движения, а также ведущий геолог Стив Скваерс, профессор-астроном из Корнеллского университета.
Основной задачей среди научных целей миссии, является поиск и характеристика различных горных пород и почв, которые свидетельствовали бы о прошлой водной активности планеты. За большой вклад Оппортьюнити в изучение Марса, в его честь был назван астероид 39382.
Гипотеза о воде


2 марта 2004 года НАСА объявило, что Оппортьюнити приземлился в одном из районов Марса, который когда-то был залит жидкой водой. Заместитель руководителя НАСА Эдвард Вейлер сообщил журналистам, что данная область была бы благоприятной средой для микроорганизмов, хотя никаких следов жизни обнаружено не было.
Данное заявление было сделано на пресс-конференции, где учёные миссии выдвинули ряд мнений поддерживающих эту точку зрения.
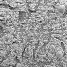
- Распределение шариков
Гипотеза: шарики являются отложениями, созданными в воде, действовавшей на них как растворитель.
Конкурирующая гипотеза: шарики постоянно контактировали с расплавленной породой, которая образовалась после извержения вулканов или ударов метеоритов.
Подтверждение полученными данными: расположение шариков хаотично, к тому же они равномерно покрывают поверхность всей породы.
Подробный анализ экологических, химических и минералогических данных, переданных марсоходом Оппортьюнити привёл к ликвидации всех конкурирующих гипотез и к подтверждению того, что шарики образовались при контакте с водой.
- Пустоты
Гипотеза: порода образовалась в воде.
Конкурирующая гипотеза: порода была сформирована зольными отложениями.
Подтверждение полученными данными: обнаруженные пустые карманы в породе напоминают «пустоты», оставленные при размытии дискообразных кристаллов, возможно растворились в водной среде.
- Сульфаты и ярозит
Гипотеза: вода сформировала солёные химикалии в породе.
Конкурирующая гипотеза: химический состав пород обусловлен вулканическими процессами.
Подтверждение полученными данными: соленые сульфаты и минеральный ярозит были обнаружены в породе. На Земле они формируются в стоячей воде.