Мост Вина
Мост Ви́на (иногда в литературе — мост Вина — Робинсо́на[1]) — пассивный четырёхполюсник, коэффициент передачи которого зависит от частоты. Одна пара плеч моста — последовательно и параллельно соединённые RC-цепи, составляющие совместно квазирезонансную частотно-избирательную цепь, другая пара плеч представляет резистивный делитель напряжения. Модуль передаточной функции сигнала диагонали моста имеет минимум при некотором соотношении величин двухполюсников входящих в схему и является характеристикой заграждающего фильтра.

Предложен Максом Вином в 1891 году.
Применяется в некоторых RC-генераторах для построения автогенераторов синусоидального сигнала с малыми искажениями и удовлетворительной стабильностью частоты и достаточно широким диапазоном перестройки по частоте. Иногда применяется в качестве полосно-заграждающего фильтра.
Мост может быть использован для измерения ёмкости конденсаторов, измерения паразитных параметров конденсаторов, например эквивалентного паразитного последовательного сопротивления (ЭПС), в измерителях нелинейных искажений и др.
Теория


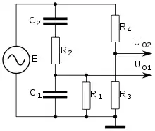
В общем случае мост состоит из четырёх различных по величине сопротивления и ёмкости резисторов и двух конденсаторов. Частотно-зависимой цепью моста является делитель напряжения, состоящий из конденсаторов и резисторов . Передаточная функция частотно-зависимого делителя напряжения выражается как:
- где — реактивные сопротивления конденсаторов
- — мнимая единица.
Символом обозначено параллельное соединение элементов, например:
Передаточная функция напряжения, снимаемого с диагонали моста равно разности передаточных функций резистивного делителя и частотно-зависимого делителя напряжения:
Явное выражение для этой функции через сопротивления резисторов и ёмкости конденсаторов громоздко. Можно показать, что частота колебаний , при которой будет наблюдаться минимум модуля комплексной амплитуды напряжения диагонали моста будет:
Если при этом дополнительно выполняются соотношение между ёмкостями конденсаторов и сопротивлениями резисторов в виде:
то модуль комплексной амплитуды напряжения диагонали моста обращается в нуль.
Обычно в фильтрах, генераторах синусоидальных колебаний применяют мост Вина в котором и При таком выборе математические выражения существенно упрощаются.
Передаточная функция частотно-зависимого делителя напряжения:
Модуль передаточной функции частотно-зависимого делителя напряжения (см. рисунок 2):
Здесь обозначено — нормированная безразмерная частота, — постоянная времени RC-цепи, — частота максимума модуля передаточной функции.
При входной частоте то есть, при модуль коэффициента передачи частотно-зависимого делителя имеет максимум и равен 1/3 и фазовый сдвиг относительно входного напряжения становится равным нулю.
Если выбрать коэффициент передачи резистивного делителя равным 1/3, то есть то при напряжение диагонали моста станет нулевым.
Передаточная функция напряжения диагонали моста с таким соотношением номиналов компонентов:
и модуль этой передаточной функции:
Фазовый сдвиг между входным и выходным напряжениями:
Графики модуля и фазового сдвига напряжения диагонали моста в полулогарифмических координатах приведены на рисунке 3.
Применение

Мост Вина может использоваться для измерений параметров конденсаторов. При этом в одно из плечей моста включают исследуемый конденсатор, варьируя входящие в мост сопротивления переменных резисторов и ёмкости переменных конденсаторов, а также частоту синусоидального напряжения питания моста, добиваются его балансировки, то есть равенства нулю напряжения диагонали моста.
Неизвестные параметры исследуемого конденсатора можно при этом получить из решения системы уравнений при известных — частоты, при которой мост сбалансирован, и величин :
Решение этой системы уравнений:
Соответственно, аналогично можно определить эквивалентное последовательное сопротивление конденсатора, слегка видоизменив схему включения — выполнить регулируемыми и вместо включить исследуемый конденсатор.
Традиционно мост Вина применяется в генераторах синусоидального сигнала с очень малым коэффициентом гармоник выходного сигнала, где он включен во положительную обратную связь усилителя с автоматически точно поддерживаемым коэффициентом передачи равным 1/3.
Также мост Вина применяется в измерителях нелинейных искажений в качестве фильтра-подавителя первой основной гармоники исследуемого сигнала.
Примечания
- Новиков, 2011, p. 159.
Литература
- Новиков Ю. Н. Основные понятия и законы теории цепей, методы анализа процессов в цепях. Учебное пособие для вузов. — Изд. 4-е, переработанное и дополненное. — Санкт-Петербург [и др.]: Лань, 2011.
- Хоровиц П., Хилл У. Искусство схемотехники: В 3-х томах = The Art of Electronics: Second Edition (© Cambridge University Press, 1980, 1989) / Пер. с англ.: Б. Н. Бронина, И. И. Короткевич, А. И. Коротова, М. Н. Микшиса, Л. В. Поспелова, О. А. Соболевой, К. Г. Финогенова, Ю. В. Чечёткина, М. П. Шарапова. — Изд. 4-е, переработанное и дополненное. — М.: Мир, 1993. — 50 000 экз. — ISBN 5-03-002336-4, 5-03-002337-2, 5-03-002338-0, 5-03-002954-0.
- Довгун В. П. Электротехника и электроника. Учебное. пособие в 2 ч. / В. П. Довгун / Министерство образования и науки РФ. — Изд. 4-е, переработанное и дополненное. — Красноярск: ИПЦ КГТУ, 2006. — 252 с.