Ловелл (лунный кратер)
Кратер Ловелл (лат. Lovell), не путать с кратером Лоуэлл (лат. Lowell), — крупный молодой ударный кратер в южном полушарии обратной стороны Луны. Название присвоено в честь американского астронавта Джеймса Артура Ловелла (род. 1928) и утверждено Международным астрономическим союзом в 1970 г. Образование кратера относится к эратосфенскому периоду[1].
| Ловелл | |
|---|---|
| лат. Lovell | |
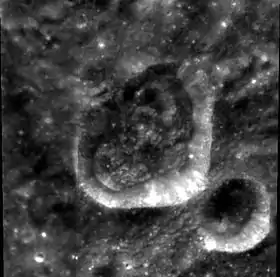
![]() Снимок зонда Clementine. | |
| Характеристики | |
| Диаметр | 35,1 км |
| Наибольшая глубина | 2087 м |
| Название | |
| Эпоним | Джеймс Артур Ловелл (род. 1928) — американский астронавт дважды летавший к Луне. |
| Расположение | |
| 36°44′ ю. ш. 142°28′ з. д.36,74° ю. ш. 142,47° з. д. | |
| Небесное тело | Луна |
Описание кратера

Кратер Ловелл находится в восточной части гигантского кратера Аполлон. Ближайшими соседями кратера являются кратер Мак-Найр и Ярвис на западе-северо-западе; кратер Клеймёнов на севере-северо-востоке; кратер Чебышёв на востоке-северо-востоке; кратер Бюффон на юго-востоке; кратер Андерс на юге и кратер Борман на юго-западе[3]. Селенографические координаты центра кратера 36°44′ ю. ш. 142°28′ з. д.36,74° ю. ш. 142,47° з. д., диаметр 35,1 км[4], глубина 2,1 км[1].
Кратер Ловелл имеет полигональную форму с выступами в северо-восточной, юго-восточной и юго-западной части. Вал с четко очерченной кромкой и гладким внутренним склоном. Высота вала над окружающей местностью достигает 960 м[1], объем кратера составляет приблизительно 820 км³[1]. Дно чаши пересеченное, северную часть чаши занимает сдвоенная пара небольших кратеров.
Сателлитные кратеры

| Ловелл | Координаты | Диаметр, км |
|---|---|---|
| F | 36°29′ ю. ш. 138°37′ з. д.36,49° ю. ш. 138,61° з. д. | 26,6 |
| R | 37°37′ ю. ш. 144°36′ з. д.37,62° ю. ш. 144,6° з. д. | 20,7 |
См.также
Примечания
- Lunar Impact Crater Database. Losiak A., Kohout T., O’Sulllivan K., Thaisen K., Weider S. (Lunar and Planetary Institute, Lunar Exploration Intern Program, 2009); updated by Öhman T. in 2011. Archived page.
- Карта обратной стороны Луны.
- Кратер Ловелл на карте LAC-121.
- Справочник Международного Астрономического Союза

