Лентопротяжный механизм (киноаппаратура)
Лентопротя́жный механизм (лентопротяжный тракт) — элемент конструкции киносъёмочной, кинопроекционной, монтажной и кинокопировальной аппаратуры, осуществляющий транспортирование киноплёнки[1]. Лентопротяжный механизм предназначен для подачи киноплёнки к фильмовому каналу, удержания её в строго определённой плоскости относительно объектива, прерывистого передвижения на шаг кадра и намотки в рулон[2]. К лентопротяжным механизмам киноаппаратуры также можно отнести механизмы телекинопроекторов, сканеров киноплёнки, фильм-рекордеров и проявочных машин.

Устройство
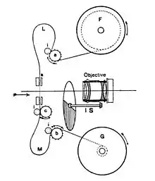
Лентопротяжные механизмы содержат кассеты или бобины, зубчатые барабаны (a, b), ролики, фильмовый канал S и скачковый механизм[2]. Зубчатые барабаны обеспечивают непрерывное движение и подачу киноплёнки к фильмовому каналу. Кроме того, задерживающий зубчатый барабан b задерживает киноплёнку перед её поступлением на принимающий рулон G. Возле зубчатых барабанов киноплёнка удерживается роликами i. В некоторых киноаппаратах вместо тянущего и задерживающего барабанов применяется один комбинированный зубчатый барабан. В простейших любительских кинокамерах вместо зубчатых барабанов могут использоваться пружинные демпферы или обрезиненные ролики, смягчающие рывки рулонов киноплёнки от грейфера[3].
В качестве скачкового механизма в разных видах киноаппаратуры применяются грейферный или мальтийский механизмы. В кинопроекторах IMAX применяется механизм прерывистого перемещения типа «бегущая петля»[4]. В киносъёмочной и кинокопировальной аппаратуре наибольшее распространение получил грейферный механизм вследствие наибольшей точности перемещения плёнки на шаг кадра. В большинстве стационарных кинопроекторов в качестве скачкового механизма применяется мальтийский[5]. Во всех случаях перемещение киноплёнки осуществляется зацеплением с перфорацией, от точности изготовления которой зависит точность транспортировки.
Работа механизмов непрерывного и прерывистого передвижения киноплёнки согласуется так, чтобы средняя скорость, сообщаемая киноплёнке скачковым механизмом, была равна скорости её непрерывного движения[2]. В противном случае киноплёнка будет постоянно обрываться. Для компенсации разницы мгновенных скоростей прерывистого движения в фильмовом канале и непрерывного в остальных частях лентопротяжного тракта, траектория киноплёнки делает верхнюю L и нижнюю M петли, иногда называемые «петлями Латама» по имени американского инженера, впервые использовавшего такой способ согласования в 1897 году[6].
Основные узлы
- Подающая и приёмная бобины, сердечники, кассеты;
- Гладкие и зубчатые барабаны и ролики;
- Скачковый механизм;
- Фильмовый канал;
- Наматыватель киноплёнки;
- Стабилизатор скорости киноплёнки;
Требования к механизму
Основными требованиями к лентопротяжному механизму в киноаппаратуре являются точность перемещения на шаг кадра, обеспечение устойчивого положения кадра в окне и низкая нагрузка на киноплёнку, особенно на межперфорационные перемычки. В разных типах аппаратуры требования могут быть разными. Так, в киносъёмочной и кинокопировальной аппаратуре главное требование — точность перемещения на шаг кадра. В кинопроекционной аппаратуре наиболее важен низкий износ фильмокопий, который зависит от механических нагрузок на перфорацию.
Некоторые виды киноаппаратуры в своём лентопротяжном механизме имеют дополнительные детали, а в некоторых отсутствуют типовые. Так, аппаратура для записи оптических фонограмм и кинокамеры для высокоскоростной киносъёмки не имеют скачкового механизма. Специализированные скоростные киносъёмочные аппараты вообще не оснащаются лентопротяжным механизмом, роль которого выполняет вращающийся или неподвижный барабан с киноплёнкой[7]. Некоторые виды кинокопировальных аппаратов с непрерывным движением плёнки также лишены скачкового механизма и фильмового канала как такового. Напротив, звуковые кинопроекционные аппараты оснащены дополнительным механизмом, обеспечивающим высокую стабильность скорости движения киноплёнки мимо звукочитающей системы. Лентопротяжный механизм проявочных машин построен совершенно по другим принципам, чем механизмы всей остальной киноаппаратуры. Зачастую, в проявочных машинах не применяются даже зубчатые барабаны.
Примечания
- Фотокинотехника, 1981, с. 165.
- Артишевская, 1990, с. 4.
- Киносъёмочная аппаратура, 1971, с. 27.
- Rene Sorensen. The Basics of The Rolling Loop IMAX Projector (англ.). In70mm (3 апреля 2012). Дата обращения: 27 мая 2012. Архивировано 26 июня 2012 года.
- Кинопроекция в вопросах и ответах, 1971, с. 133.
- The "Latham Loop" — A Loop of Film that Freed an Industry (англ.) (недоступная ссылка). The Picture Show Man. Дата обращения: 30 марта 2015. Архивировано 27 октября 2007 года.
- Киносъёмочная аппаратура, 1971, с. 298.
Литература
- Бараусова Н. С., Бондарчук В. М., Гинзбург Л. С. и др. Кинообрудование кино- и телестудий / Под общ. ред. С. М. Проворнова. — М.: Искусство, 1976. — 379 с. — 5800 экз.
- Е. М. Голдовский. Глава VII // Кинопроекция в вопросах и ответах. — М.,: «Искусство», 1971. — С. 133. — 220 с.
- О. Ф. Гребенников. Киносъёмочная аппаратура / С. М. Проворнов. — Л.,: «Машиностроение», 1971. — 352 с. — 9000 экз.
- Е. А. Иофис. Фотокинотехника / И. Ю. Шебалин. — М.,: «Советская энциклопедия», 1981. — С. 165, 166. — 447 с.
- С. А. Саломатин, И. Б. Артишевская, О. Ф. Гребенников. 1. Профессиональная киносъемочная аппаратура и тенденции её развития // Профессиональная киносъемочная аппаратура. — 1-е изд.. — Л.: «Машиностроение», 1990. — С. 4. — 288 с. — ISBN 5-217-00900-4.