Импульсное предохранительное устройство
Импульсное предохранительное устройство — устройство, относящееся к предохранительной трубопроводной арматуре и представляющее собой, в общем случае, совокупность двух или более предохранительных клапанов, из которых один (главный), установленный на основной магистрали, ёмкости или резервуаре, оснащён поршневым приводом, а второй (импульсный), с меньшим проходным сечением, служит управляющим элементом. Он открывается по команде от датчика при соответствующем давлении рабочей среды и направляет её в поршневой привод главного ПК.
Импульсный клапан может быть выполнен встроенным в главный или существовать как отдельный (вынесенный) элемент. В первом случае управление ИПУ осуществляется рабочей средой; в конструкции с вынесенным импульсным клапаном для повышения надежности работы последнего часто применяют электромагниты, получающие импульс при превышении давления от электроконтактных манометров, в этом случае при отсутствии электричества или неисправности электромагнитов импульсный клапан работает как ПК прямого действия[1][2].
Применение
Как и их менее сложные родственные устройства, предохранительные клапаны, ИПУ применяются для защиты от механического разрушения сосудов и трубопроводов избыточным давлением, путём автоматического выпуска жидкой, паро- и газообразной среды из систем и сосудов при превышении давления. Но для обеспечения больших расходов среды в аварийном режиме иногда приходится устанавливать десятки предохранительных клапанов прямого действия в связи с их недостаточной пропускной способностью. В этих условиях целесообразно использовать ИПУ, они успешно применяются для защиты систем и агрегатов с высокими рабочими параметрами при необходимости сброса больших количеств рабочей среды. Поскольку в ИПУ для управления используется вспомогательная энергия, величина управляющих усилий может быть очень большой, так как она уже не ограничивается размерами клапана. Это усилие может эффективно использоваться как для осуществления четкого срабатывания, так и для обеспечения надежного герметичного перекрытия запорного органа.
ИПУ существенно дороже, чем клапаны прямого действия, но с ростом параметров среды разница в их стоимости быстро сокращается[1].
Устройство и принцип действия

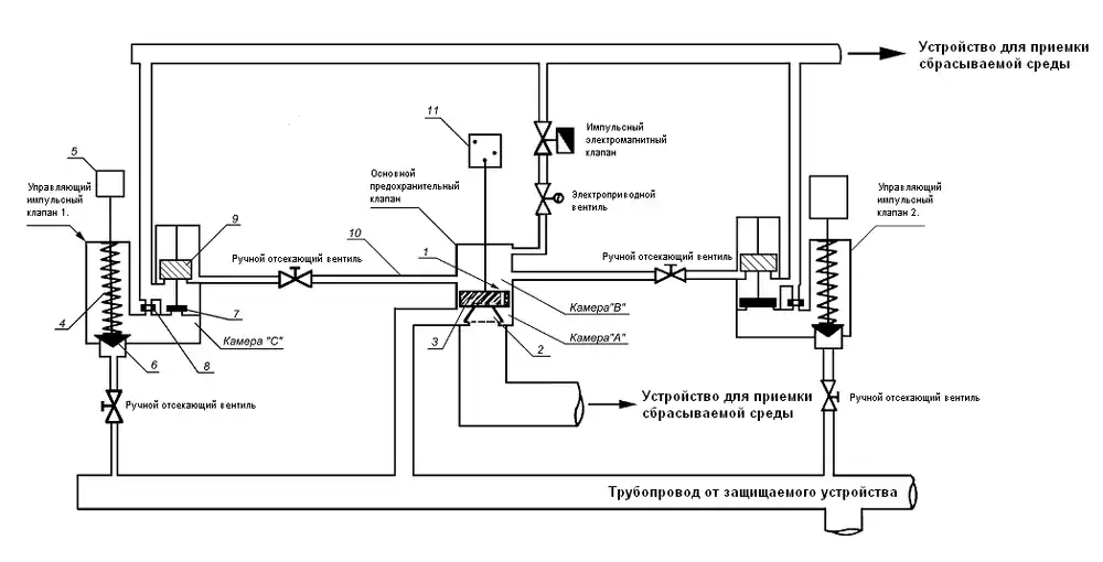
Рассмотрим принцип действия ИПУ на примере структурной схемы устройства, применяющегося на оборудовании с очень высокими параметрами среды (в данном случае это пар).
Основной предохранительный клапан в рабочем положении заперт паровой средой. Когда клапан закрыт, давление в камере «А» под поршнем (3) равно давлению в камере «В» над поршнем в виду наличия дросселя (1). В трубопроводе сброса пара под золотником (2) устанавливается давление устройства для приемки сбрасываемой среды. Прижатие золотника (2) к посадочному месту осуществляется за счет разности давлений в этих устройствах над и под золотником (2).
При открытии управляющего импульсного клапана 1 или 2, или импульсного электромагнитного клапана пар из камеры «В» по линии разгрузки срабатывается в приемочном устройстве и в камере «В» устанавливается его давление, но так как площадь поршня (3) больше площади золотника (2), на рабочий орган клапана будет действовать результирующая сила, пропорциональная разности давлений защищаемого и приемочного устройств, и разности площадей поршня (3) и золотника (2), направленная вверх. Таким образом, рабочий орган движется вверх, клапан открывается.
Управляющие импульсные клапаны 1 и 2 в рабочем состоянии закрыты под действием пружины (4) и дополнительной силы прижатия, создаваемой электромагнитом (5). Импульсные клапаны 1 и 2 состоят из полнопроходного предохранительного клапана с пружиной (4) и управляющего элемента, выполненных в одном корпусе. При превышении давления уставки срабатывает датчик и отключает питание электромагнитов. При этом снимается дополнительное усилие, прижимающее конус (6) клапана, и клапан остается прижатым к седлу под действием пружины (4). При дальнейшем росте давления конус (6) поднимается вверх и открывает доступ пара в камеру «С» под отсечной плитой (7) управляющего элемента. Отсечная плита (7) поднимается вместе с золотником (9) управляющего элемента и открывает линию разгрузки (10) основного клапана. Основной клапан открывается.
Импульсный электромагнитный клапан снабжен электромагнитом, действующим только на открытие клапана (на закрытие действует пружина), т. е. его можно дистанционно открывать. При нормальной эксплуатации он закрыт, закрытое положение обеспечивается действием пружины и давлением среды защищаемого устройства. При увеличении давления более установленного, срабатывает датчик и подается питание на электромагнит открытия, он открывается, и открывается основной клапан.
При снижении давления в защищаемом устройстве менее требуемого срабатывает датчик, снимается питание с электромагнитного клапана, он закрывается и закрывается основной клапан. В импульсных предохранительных клапанах 1 и 2 при снижении давления в защищаемом устройстве менее требуемого клапан (6) под действием пружины (4) садится в седло, давление в камере «С» падает и отсечная плита (7) с золотником (9) возвращается в исходное положение, перекрывая линию разгрузки (10).
В данном ИПУ импульсные предохранительные клапаны 1 и 2, а также импульсный электромагнитный клапан дублируют, как бы "подстраховывают" друг друга, они настраиваются на разные давления срабатывания и используют различные принципы работы, разные каналы измерения давления, чтобы исключить возможность несрабатывания по любой причине основного предохранительного клапана.
Более того, на чрезвычайно важном оборудовании, например на оборудовании первого контура АЭС, таких устройств часто устанавливается несколько, например три — два контрольных, одно основное. Это делают для пространственного разделения предохранительных устройств и дополнительного их дублирования[1][3].
ИПУ с пилотным управлением
Одной из разновидностей импульсных предохранительных устройств являются клапаны, в которых вся необходимая нагрузка на золотник главного клапана создаётся посторонней энергией, например сжатым воздухом высокого давления. Воздух из системы высокого давления, подаваемый на поршень главного клапана через пилотное устройство, создает необходимое усилие для закрытия клапана и обеспечения требуемой степени герметичности. При достижении в системе давления срабатывания воздух при помощи пилотного устройства автоматически сбрасывается и клапан открывается[1].
Примечания
- Трубопроводная арматура с автоматическим управлением. Справочник. Под общей редакцией С. И. Косых. Л.: Машиностроение, 1982.
- Трубопроводная арматура. Справочное пособие. Д. Ф. Гуревич — Л.: Машиностроение, 1981.
- Технологические системы реакторного отделения. БАЭС: ЦПП, 2000.