Зубофрезерование
Зубофрезерование – один из видов лезвийной обработки, обеспечивающий нарезание зубчатых колес эвольвентного профиля: цилиндрических (прямозубых и косозубых) колес внешнего зацепления, червячных колес. Операция зубофрезерования выполняется на специальных зубофрезерных станках, обеспечивая высокую точность и качество поверхности детали. Режущий инструмент, используемый для обработки заготовок – червячная модульная фреза.
Сущность процесса
При обработке заготовок на зубофрезерном станке используется кинематический метод обкатки (огибания), который заключается в следующем: направляющая линия воспроизводится вращением заготовки, а образующая линия получается как огибающая кривая к последующим положениям к режущей кромке режущего инструмента, то есть, воспроизводятся движения, происходящие при зацеплении зубчатого колеса с зубчатой рейкой. В процессе зубофрезерования используются 3 формообразующих движения: главное движение резания Dr, вертикальная подача инструмента DSв и круговая подача заготовки DSкр. Для согласования этих движений на станке осуществляется настройка кинематических цепей: скоростной, делительной и дифференциальной. Скоростная кинематическая цепь предназначена для осуществления связи между червячной фрезой и валом электродвигателя, тем самым обеспечивается необходимая скорость резания. Кинематическая цепь деления осуществляет связь между вращением червячной фрезы и вращением заготовки. Дифференциальная кинематическая цепь связывает вертикальное перемещение инструмента с вращением заготовки.
Процесс нарезания зубчатого колеса с использованием червячной модульной фрезы на зубофрезерном станке
Вид и тип режущего инструмента
Зубофрезерование осуществляется специальным инструментом – червячной модульной фрезой. Этот режущий инструмент представляет собой винт с резьбой трапецеидального профиля, с прорезанными в нем перпендикулярно витку канавками, которые образуют ряды зубчатых реек. Число прорезанных канавок соответствует числу реек. Червячные фрезы бывают черновыми, чистовыми и повышенной точности для обработки зубчатых колес 7-й степени точности. Основными геометрическими параметрами фрезы являются наружный диаметр зубчатого колеса и модуль. Значения модуля являются стандартными. В машиностроении используются следующие значения модуля, мм: 0.8; 1.0; 1.25; 1.5; 2.0; 3.0; 4.0; 5.0; 6.0; 8.0; 10.0…
Червячная модульная фреза
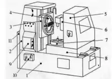
Технологическое оборудование

Основными узлами зубофрезерного станка являются:
- Станина
- Неподвижная стойка
- Суппорт
- Фрезерная головка
- Подвижная стойка
- Кронштейн
- Стол
- Салазки
- Коробка подач
- Коробка скоростей
- Дифференциал
Литература
А.М. Дальский, И.А. Арутюнова, Т.М. Барсукова. Технология конструкционных материалов. М., "Машиностроение", 1977. - 664 с.