Деасфальтизация пропаном
Деасфальтизация пропаном — процесс удаления высокомолекулярных смолисто-асфальтеновых веществ из остаточных продуктов нефтепереработки основанный на том, что пропан, как осадитель, коагулирует и увлекает за собой часть смолисто-асфальтеновых веществ, которые впоследствии выводятся из установки с битумом деасфальтизации. Целевым продуктом данного процесса является деасфальтизат. Наиболее распространенный метод деасфальтизации нефтяных остатков.
Общая информация
Первая установка по деасфальтизации пропаном была введена в эксплуатацию в 1934 году в США[1]. В СССР проект промышленной установки был разработан в 1949 году по материалам работ ГрозНИИ «Грознефтепроектом», а в промышленных масштабах впервые данная установка была запущена на Новокуйбышевском НПЗ в 1952 году. В 1953—1954 годах установки были введены в эксплуатацию на Грозненском, Бакинском и Ново-Уфимском нефтеперерабатывающих заводах[2]. Изначально процесс деасфальтизации осуществлялся только на гудронах смолистых нефтей, однако в дальнейшем деасфальтизацию стали использовать для получения остаточных масел из малосмолистых нефтей[3].
Существующие методы выделения смолисто-асфальтеновых веществ из нефтепродуктов можно разделить на 4 группы[4]:
- сольвентные;
- адсорбционные;
- термокаталитические;
- химические.
Процесс деасфальтизации сольвентным методом заключается в том, что в присутствии низкомолекулярных алканов или других осадителей, по отношению к которым асфальтены лиофобны, эти осадители коагулируют и увлекают за собой в виде сольватных слоев часть смолисто-асфальтеновых веществ. Деасфальтизация пропаном относится к данной группе методов[4].
В адсорбционных методах используется движущий слой адсорбента с раздельными стадиями адсорбции и десорбции при 65 °С. Термокаталитическая деасфальтизация представляет собой осаждение асфальтенов под давлением и повышенной температурой в присутствии катализатора (например, хлориды металлов) и водорода. Химические методы основаны на обработке нефтепродуктов минеральными кислотами, сероводородом и др[4].
Наибольшее распространение получила деасфальтизация с использованием легких органических растворителей, в частности — пропана[5].
Целью процесса деасфальтизации нефтяных остатков является извлечение растворенных и диспергированных в них высокомолекулярных смолисто-асфальтеновых соединений. Целевым продуктом процесса является деасфальтизат, а побочным — битум деасфальтизации (асфальтит)[6]. В процессе деасфальтизации одновременно протекают 2 процесса[5]:
- коагуляция и осаждение смолисто-асфальтеновых веществ, выводимых с битумом деасфальтизации;
- экстракция желательных углеводородов, выводимых в виде деасфальтизата.
Целевой продукт (деасфальтизат) характеризуется меньшей коксуемостью (0,8—1,3 %), меньшей плотностью (895—930 кг/м3) и вязкостью 18—26 мм2/с (при 100 °С)[6].
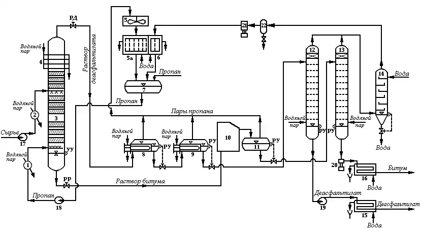
Технологическая схема установки
.png.webp)
1 — паровой подогреватель пропана; 2 — паровой подогреватель сырья; 3 — деасфальтизационная колонна; 4 — внутренний паровой подогреватель; 5, 5а, 6 — конденсаторы пропана; 7 — приемник жидкого пропана; 8, 9 — испарители пропана из раствора деасфальтизата; 10 — печь для нагрева раствора битума; 11 — сепаратор паров пропана, выделенного из раствора битума; 12, 13 — отпарные колонны; 14 — конденсатор смешения; 15 — холодильник деасфальтизата; 16 — холодильник битума; 17 — сырьевой насос; 18 — пропановый насос; 19 — насос для откачивания деасфальтизата; 20 — насос для откачки битума; 21 — пропановый компрессор; 22 — каплеотбойник;
УУ — указатель уровня; РД — регулятор давления; РУ — регулятор уровня; РР — регулятор расхода.
Сырье (нефтяной остаток) насосом 17 через паровой подогреватель 2 подается в среднюю часть деасфальтизационной колонны 3 (на некоторых установках перед входом сырья в подогреватель 2 вводят пропан, используя смеситель, чтобы избежать гидравлического удара)[6].
Сжиженный пропан, забираемый из приемника 7 насосом 18, направляется через паровой подогреватель 1 в нижнюю часть колонны 3. В средней части он в восходящем потоке контактирует с опускающимися более нагретым сырьем и внутренним рециркулятором. В зоне контактирования расположены тарелки жалюзийного или насадочного типа. Для равномерного распределения по поперечному сечению деасфальтизационной колонны нефтяной остаток и пропан вводятся в неё через распределители трубчатой конструкции с большим числом отверстий, обращенных вниз — для сырья и вверх — для пропана[6].
Перед тем, как выйти из колонны 3, раствор деасфальтизата нагревается в верхнем встроенном подогревателе 4 и отстаивается в самой верхней части колонны от выделившихся при нагреве тяжелых фракций. Пройдя регулятор давления, этот раствор поступает в испаритель 8, который обогревается водяным паром низкого давления, а затем — в испаритель 9, который обогревается паром повышенного давления. По пути из колонны 3 в испаритель 8 часть пропана переходит в парообразное состояние из-за вскипания, связанного со снижением давления с 4,0 до 2,4 МПа. Выходящий из испарителя 9 раствор деасфальтизата, содержащий не более 6 % масс пропана, обрабатывается в отпарной колонне 12 открытым водяным паром. С верха этой колонны уходит смесь пропановых и водяных паров, а с низа — готовый деасфальтизат‚ направляемый насосом 19 через холодильник 15 в резервуар[6].
Битумный раствор, выходящий из деасфальтизационной колонны снизу, непрерывно поступает через регулятор расхода в змеевик печи 10, на выходе из которого бо́льшая часть пропана находится в парообразном состоянии. Пары отделяются от жидкости в горизонтальном сепараторе 11. Остатки пропана отпариваются открытым водяным паром в битумной отпарной колонне 13. Битум деасфальтизации откачивается с низа этой колонны поршневым насосом 20 и направляется в холодильник 16[6].
Пары пропана высокого давления после выхода из аппаратов 8, 9 и 11 поступают в конденсаторы-холодильники 5 и 5а. Сжиженный пропан собирается в приемнике 7. В конденсаторах-холодильниках 5 и 5а пары пропана конденсируются под давлением 1,7—1,8 МПа. Пары пропана низкого давления после выхода из отпарных колонн 12 и 13 в смеси с водяным паром поступают в конденсатор смешения 14, где освобождаются от водяного пара и затем, пройдя каплеуловитель 22, сжимаются компрессором 21 и направляются в конденсатор–холодильник 6. Потери пропана восполняются подачей его извне в приемник 7[6].
Удельный расход технического пропана на установках одноступенчатой деасфальтизации равен 2–4 кг на 1 т перерабатываемого гудрона[6].
Данная технологическая схема описывает установку одноступенчатой деасфальтизации, однако существует также и двуступенчатый процесс, отличающийся тем, что на выходе получается два деасфальтизата разной вязкости, при этом выход может увеличивается до 30%[6].
Параметры процесса
Деасфальтизация является жидкофазным процессом, который осуществляется в колоннах деасфальтизации при избыточном давлении 3,7—4,4 МПа и в узком интервале температур[6]:
- температура сырья при входе в колонну деасфальтизации: 130—170 °С;
- температура вверху колонны: 75—85 °С;
- температура внизу колонны: 50—65 °С;
- температура в испарителе 8: 60—85 °С;
- температура в испарителе 9: 160—170 °С;
- температура битумного раствора при выходе из печи: 210—250 °С;
- температура паров пропана на выходе из аппарата 14: 130—170 °С.
Кратность растворителя к сырью (по объему) составляет (5—8):1[6].
Примечания
- Wauquier J. P. Petroleum Refining (англ.). — Editions Technip., 2000. — Vol. 2. — P. 388. — 641 p. — ISBN 2-7108-0761-0.
- Матвейчук А. Дело на мази // Сибирская нефть. — 2015. — № 118.
- Черножуков Н. И. Очистка и разделение нефтяного сырья, производство товарных нефтепродуктов. — М.: Химия, 1978. — С. 43. — 424 с.
- Батуева И. Ю., Гайле A. A., Поконова Ю. В. и др. Химия нефти. — Л.: Химия, 1984. — С. 91—98. — 360 с.
- [www.xumuk.ru/encyklopedia/1177.html Химическая энциклопедия: Деасфальтизация]. Дата обращения: 7 октября 2016.
- Бондаренко Б. И. Альбом технологических схем процессов переработки нефти и газа. — М.: Химия, 1983. — С. 64—70. — 128 с.