Гидроклапан
Гидроклапан (гидравлический клапан) — это гидроаппарат, предназначенный для регулирования параметров потока жидкости путём изменения проходного сечения гидроаппарата за счёт изменения положения запорно-регулирующего элемента под воздействием потока жидкости (непосредственно или опосредовано).
Различают гидроклапаны регулирующие и направляющие. Первые из них осуществляют регулирование давления в потоке жидкости, а вторые — пропускают или останавливают поток жидкости при достижении параметрами потока (давления, разности давлений и т. д.) заданных настройками клапана значений.
К регулирующим гидроклапанам относятся:
- предохранительный клапан, который поддерживает давление не выше определённого уровня на входе в гидроклапан; в нормальном положении запорно-регулирующий элемент гидроклапана закрыт, и открывается, только тогда, когда давление на входе в гидроклапан достигнет предельно-допустимого значения (давление срабатывания);
- переливной клапан поддерживает давление на входе в клапан на заданном уровне; в нормальном положении переливной гидроклапан открыт и через него осуществляется постоянный слив части потока рабочей жидкости;
- редукционный клапан поддерживает постоянным давление на выходе из клапана;
- клапан разности давлений поддерживает постоянную разность между давлениями на входе и выходе из клапана;
- клапан соотношения давлений поддерживает постоянным соотношение между давлениями на входе и выходе из клапана.
- Условное графическое обозначение предохранительного клапана прямого действия
- Условное графическое обозначение предохранительного клапана непрямого действия
- Условное графическое обозначение редукционного клапана
- Условное графическое обозначение клапана разности давлений
- Условное графическое обозначение клапана соотношения давлений
К направляющим гидроклапанам относятся следующие:
- обратный клапан, который пропускает поток жидкости только в одном направлении; функциональное отличие обратного клапана от предохранительного заключается в том, что предохранительный срабатывает только в том случае, когда давление на входе достигает определённого уровня, а обратный клапан срабатывает при любом, даже самом минимальном превышении давления на входе над давлением на выходе из клапана; часто к обратным клапанам относятся гидрозамки;
- клапан последовательности пропускает поток жидкости в том случае, если либо давление на входе в клапан, либо давление в некотором постороннем потоке достигает определённого значения;
- клапан выдержки времени предназначен для пропускания или остановки потока жидкости через определённый промежуток времени.
- Условное графическое обозначение обратного клапана
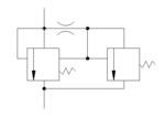
- Условное графическое обозначение клапанов последовательности: а)с управлением от входящего потока жидкости; б)с управлением от стороннего потока жидкости
По характеру срабатывания запорно-регулирующего элемента гидроклапаны бывают прямого действия и непрямого действия. Первые срабатывают непосредственно под воздействием потока рабочей жидкости, а вторые — посредством промежуточного регулирующего элемента. Время срабатывания клапана непрямого действия несколько больше времени срабатывания клапана прямого действия
См. также
Литература
- Схиртладзе А. Г., Иванов В. И., Кареев В. Н. Гидравлические и пневматические системы. — Издание 2-е, дополненное. М.: ИЦ МГТУ «Станкин», «Янус-К», 2003 г. — 544 с.
- Лепешкин А. В., Михайлин А. А., Шейпак А. А. Гидравлика и гидропневмопривод: Учебник, ч.2. Гидравлические машины и гидропневмопривод. / под ред. А. А. Шейпака. — М.: МГИУ, 2003. — 352 с.
- Кожевников С. Н. Аппаратура гидро-, пневмо- и электроавтоматики металлургических машин. Москва-Киев, МАШГИЗ, 1961.
- Башта Т. М. "Машиностроительная гидравлика", М.: "Машиностроение", 1971