Генератор Колпитца
Генератор Колпитца (ёмкостная трёхточка), названный в честь его изобретателя Эдвина Колпитца, является одной из множества схем электронных генераторов, использующих комбинацию индуктивности (L) с ёмкостью (C) для определения частоты, также называется LC-генератором. Одной из ключевых особенностей генераторов этого вида является их простота (нужна только одна индуктивность без отводов).

Напряжение обратной связи снимается с ёмкостного делителя напряжения.
Частота генерации


Идеальная частота генерации для схемы на рис.1 определяется уравнением:
Действительные схемы генерируют немного меньшую частоту.



В зависимости от схемы усилительного каскада возможны три вида генератора Колпитца: на каскаде с общим эмиттером, на каскаде с общим коллектором и на каскаде с общей базой. Характерной особенностью генератора Колпитца является положительная обратная связь через ёмкостный делитель напряжения на двух последовательных конденсаторах, которые одновременно являются ёмкостью LC-контура.
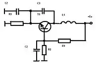
Схема генератора Колпитца на каскаде с общей базой наиболее высокочастотна (рис.1, рис.3). Каскад с общей базой фазу не сдвигает. Контур LC1C2 полностью подключен к коллектору. Полное включение контура фазу не сдвигает. Эмиттер подключен к контуру к средней точке ёмкостного делителя напряжения с перекосом фазы, при равных C1 и C2 перекос фазы и петлевой сдвиг фазы составляет 45°. Кроме этого сдвиг на 60° создаёт RC цепь образованная эквивалентной ёмкостью конденсаторов C1 и C2 и резистором R, что усложняет вычисление результирующего сдвига.
Схема генератора Колпитца на каскаде с общим эмиттером приведена на рис.8.1.б) в рис.8.1.б).
Схема генератора Колпитца на каскаде с общим коллектором приведена на рис.8.2. Каскад с общим коллектором фазу не сдвигает. Контур LC1C2 подключен к базе без перекоса фазы. Эмиттер подключен к контуру с перекосом фазы, при одинаковых величинах C1 и С2 перекос фазы и петлевой сдвиг фазы составляет 45°. Запас устойчивости по фазе 45°, но эмиттерные цепи при этом сильно шунтируют контур.
Разновидностью генератора Колпитца со вторым ёмкостным делителем напряжения является генератор Вачкара.
См. также
Ссылки
- http://radiomaster.ru/stati/radio/gen.php Рис.1.3 Генератор Колпитца. Рис.1.6 Кварцевый генератор Колпитца.
- https://web.archive.org/web/20091229122251/http://logic-bratsk.ru/radio/ewb/ewb2/CHAPTER2/2-8/2-8-1/2-8-1.htm Рис.8.1.(б)Схема ёмкостной трёхточки или схема Колпитца. Рис.8.2.Генератор Колпитца. Рис.8.4.Генератор Колпитца с конденсатором связи.
- http://konspektiruem.ru/articles/electronics/Generatory_sinusoidalnyh_kolebanii/ Рис.3.2.2 Генератор Колпитца
- https://web.archive.org/web/20090906101428/http://sheme.edu.knu.kg/contents/ch7b.htm 7.8 Нелинейные аналоговые схемы. Генераторы гармонических и импульсных сигналов. (генератор Колпитца)
- http://www.falstad.com/circuit/index.html Circuits. Transistors. Oscillators. Colpitts Oscillator
- http://easyradio.ru/spravochnik/empiricheskiy_raschet_vch_generatora_na_bipolyarnom_tranzistore.html Эмпирический расчёт ВЧ LC генератора на биполярном транзисторе