Аналоговый сумматор
Ана́логовый сумма́тор — устройство, выполняющее операцию вида:
- где — некоторые входные аналоговые величины,
- — действительные числа, весовые коэффициенты,
- — выходная аналоговая величина, результат суммирования.


Наиболее часто аналоговые сумматоры используются в электронной технике.
Сумматоры на операционных усилителях
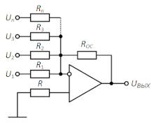
Схема простейшего аналогового сумматора на операционном усилителе приведена на рисунке 1[1]. В качестве суммируемых величин выступают входные напряжения в качестве результата — выходное напряжение схемы
Принцип действия
Полагая, что операционный усилитель является идеальным (с бесконечным коэффициентом усиления и нулевыми входными токами), из первого правила Кирхгофа получаем, что ток через резистор равен сумме токов через резисторы :
Так как потенциал инвертирующего входа ОУ в идеальном случае равен 0 из-за действия отрицательной обратной связи (практически весьма близок к 0, так называемая «виртуальная земля»), и, выражая токи через напряжения и сопротивления резисторов, приходим к соотношению:
Таким образом, схема рисунке 1 выполняет над входными напряжениями операцию суммирования с отрицательными весовыми коэффициентами:
В случае, если , схема является инвертирующим сумматором со всеми весовыми коэффициентами равными −1, если же сопротивления резисторов имеют разные значения, получается взвешивающий сумматор, причём весовые коэффициенты для каждой входной переменной равны:
Параллельный сумматор
Подключая входные сигналы к инвертирующему и неинвертирующему входам операционного усилителя, можно получить схему, реализующую одновременно сложение и вычитание аналоговых сигналов. Эта схема, называемая параллельным сумматором, изображена на рисунке 2. Принцип действия схемы аналогичен принципу действия простейшего сумматора.
Полагая, что входные токи операционных усилителей пренебрежимо малы, а потенциалы на его входах равны получим из первого правила Кирхгофа:
Перенося в левые части двух последних уравнений члены, содержащие принимая получим:
Из обоих уравнений найдём и приравняем правые части полученных выражений:
Из последнего выражения находим выходное напряжение схемы:
Таким образом, схема осуществляет сложение напряжений и вычитание напряжений с весовыми коэффициентами, равными:
Применение сумматоров
Широко используются в вычислительной аналоговой технике, обработке сигналов, телевидении, электроакустике, средствах связи и др. Например, микшер электроакустических сигналов представляет собой сумматор с вручную или автоматически управляемыми весовыми коэффициентами суммирования.
Примечания
- Алексенко А. Г. и др. Применение прецизионных аналоговых микросхем / А. Г. Алексенко, Е. А. Коломбет, Г. И. Стародуб. — 2-е изд. перераб. и доп.. — М.: Радио и связь, 1985. — 256 с., ил.