Автоматическая стабилизация сварочных процессов
Автоматическая стабилизация сварочных процессов — стабилизация горения дуги с прерыванием и в непрерывном режимах при наличии действующих внешних возмущений. Стабилизация сварочных процессов позволяет автоматически вести сварку с высоким качеством и минимумом дефектов.
При разработке и построении систем автоматической стабилизации при сварке в качестве параметров обратной связи выступают ток во вторичном сварочном контуре, падение напряжения на электродах или физические параметры, такие как тепловое расширение металла, тепловое излучение с поверхности свариваемых заготовок.
Проблемами автоматической стабилизация сварочных процессов занимались такие учёные как В. И. Махненко, В. А. Судник, А. А. Чакалев, Ф. А. Аксельрод, Ю. Е. Иоффе, Н. Н. Рыкалин, Б. Д. Орлов, К. К. Хренов, Thomas. W. Eagar, H.S. Cho, S. A. Gedeon, D. W. Dickinson и др.
Источники нестабильности

Основными источником нестабильности при дуговой сварке в металлах являются:
- изменения длины электрической дуги, вызываемые шероховатостями поверхности свариваемого изделия, капельным переносом металла;
- изменения «вылета» электрода, происходящие от колебаний расстояния между токоподводящим мундштуком и изделием из-за неравномерной подачи сварочной проволоки, колебаний напряжения в сети и др.; увеличение вылета электрода является причиной разбрызгивания свариваемого жидкого металла;
- изменения напряжения холостого хода источника питания, сопротивления сварочной цепи, вызываемые колебаниями напряжения сети, нагревом обмоток трансформатора или нестабильностью контактов;
- изменения момента на валу электродвигателей подачи электрода и перемещения по стыку сварочного автомата; эти возмущения обычно приводят к изменению скорости подачи электродной проволоки и скорости сварки;
- изменения геометрии сборки стыка под сварку, зазора, притупления стыка, изменение угла разделки кромок;
- химическая или структурная неоднородность свариваемого материала;
- изменения толщины свариваемого материала по длине стыка;
- изменения состояния свариваемой поверхности металла (окисные плёнки, пятна масла, вредные покрытия);
- коррозия, изменения химического состава электрода в процессе сварки;
- смещения электрода и стыка относительно друг друга.
Эти возмущения вызывают отклонения от заданного основных параметров режима — тока, напряжения дуги, скорости сварки. Изменение ввода теплоты в зону стыка приводят к появлению в сварочном шве таких дефектов, как непровары, подрезы, наплывы, поры и др.
Системы стабилизации
Благодаря проведённым исследованиям сварочных удалось установить физическую природу аномальности поведения сварочной дуги и выработать методы её снижения. Основным методом стало управление стадиями формирования сварного соединения через каналы обратных связей, контролирующих основные энергетические характеристики процесса с учётом возмущающих факторов. Эффективность автоматизации сварочных процессов часто определяется точностью подготовки заготовок и их сборкой.
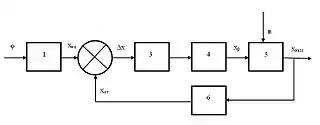
Для стабилизации энергетических параметров сварочных процессов используют замкнутые системы автоматического регулирования выполненные на разной элементной базе. В замкнутой схеме автоматического регулирования изменение регулирующего воздействия Хр определяет изменение регулируемой величины Хвых. Это изменение происходит до тех пор, пока значение Хвых (сварочный ток, сварочное напряжение) не достигнет требуемого значения и не восстановится равновесие системы регулирования, при этом ΔХ = 0.
Источником корректирующего воздействия на систему служит отрицательная обратная связь, сигнал Хо с которой определяется только отличием измеренного значения Хвых от задаваемого Хвх, то есть (ΔХ=lХвхl-lХосl), и не зависит от параметров и места приложения возмущений В. Обратные связи делаются на основе схем измерителей силы сварочного тока или напряжения, разных видов излучений сварочной зоны (тепловое, Электромагнитное), положения границы шлак-металл при электрошлаковой сварке, перемещений электродов или свариваемых изделий при контактной сварке или других параметров сварочного процесса.
Для автоматической стабилизации сварочных процессов используются схемотехнические устройства:
- Устройства регулирования и стабилизации тока и напряжения в сварочных трансформаторах и выпрямителях.
- Устройства для снижения напряжения холостого хода сварочных источников питания.
- Системы управления параметрами сварочного процесса.
К разновидностям систем автоматической стабилизации сварочных процессов относятся:
- Системы автоматического регулирования дуги саморегулированием (АРДС). В процессе сварки подача электрода (его положение, скорость) сравнивается с помощью контура обратной связи со скоростью его плавления. При достижении равенства указанных скоростей в сварочном контуре устанавливается необходимая сила тока I, которая с требуемой точностью поддерживается системой саморегулирования на требуемом уровне. Ошибка системы АРДС по току при дуговой сварке под флюсом при изменении напряжения на дуге от 30 до 50 В в системах АРДС обычно не превышает 10 %. Автоматы на основе системы АРДС просты, надежны и недороги, что обусловило их широкое распространение.
- Системы автоматического регулирования напряжения дуги с воздействием на скорость подачи электродной проволоки (АРНД). В устройство АРДН дополнительно входит специальное устройство — регулятор. Регулятор стабилизирует напряжение дуги путём автоматического изменения скорости подачи электрода. С возникновением возмущения по напряжению дуги увеличивается через изменение магнитного потока повышается скорость подачи электродной проволоки. Торец электрода будет приближаться к изделию, уменьшая ток и снижая напряжение дуги.
- Система автоматического регулирования вылета электрода (АРВ). В АРВ дополнительно вводится регулятор, позволяющий уменьшить статические ошибки по току и напряжению дуги при значительных возмущениях в питающей системе и по длине вылета.
- Система автоматического регулирования тока и напряжения дуги с воздействием на питающую систему (АРП). АРП делятся на астатические (с механическим приводом) и статические — с воздействием на питающую систему через электрические параметры системы. Системы АРП с механическим приводом в регуляторе воздействуют на напряжение холостого хода сварочного трансформатора через исполнительный элемент — автотрансформатор АТ. В обеих схемах реализована обратная связь по напряжению дуги.
- Системы с программным управлением обеспечивают определённую последовательность операций включения и выключения отдельных узлов автомата. Их широко применяют в крупносерийном и массовом производствах.
- Самонастраивающиеся и экстремальные системы с самоизменяющейся уставкой. Работой этих систем управляет компьютерная программа работы системы автоматического регулирования с самоизменяющейся уставкой. Она содержит совокупность всех основных параметров режима стыковой сварки, оптимальные значения сварки выбираются автоматически в зависимости от конкретных условий: толщины деталей, состояния их поверхности, сопротивления сварочного контура и т. д.
Литература
- Патон Б. Е. «Машиностроение Энциклопедия т. IV-6. Оборудование для сварки».
- Николаев Г. А. Сварка в машиностроении: Справочник в 4-х т. М.: Машиностроение, 1978.
- Гладков Э. А. Управление процессами и оборудованием при сварке: / Э. А. Гладков. — М. : Академия, 2006. — 430 с.
- Ленивкин В. А. Автоматизация сварочных процессов. / В. А. Ленивкин, Е. Н. Варуха, А. В. Павленко. — Ростов-на-Дону: ДГТУ, 2003. — 128с.
- Гладков Э. А. Контроль и управление глубиной проплавления при дуговой сварке. / Э. А. Гладков, О. Н. Киселёв, Р. А. Перковский. — М. : МГТУ им. Баумана, 2003. — 52с.
- Лебедев В. Н. Автоматизация сварочных процессов./ В. Н. Лебедев, В. П. Черныш. — Киев : Вища школа, 1986.-286с.
- Львов Н. С., Гладков Э. А. Автоматика и автоматизация сварочных процессов. Москва: Машиностроение, 1982. — 302 с.