Автоблокировка
Автоматическая блокировка (автоблокировка) — система автоматического регулирования интервалов между железнодорожными поездами, попутно следующими по железнодорожному перегону.[1]
Классификация
Автоматическая блокировка по регулируемому направлению движения делится на:
- одностороннюю;
- двустороннюю.
По способу контроля состояния блок-участка различают автоматическую блокировку на основе:
- рельсовых цепей;
- счётчиков осей.
По способу разграничения железнодорожных поездов на перегоне различают автоматическую блокировку:
- с фиксированными границами блок-участков;
- с изменяемым интервальным разграничением (подвижные блок-участки).
Различают автоматическую блокировку по типу используемых рельсовых цепей.
По используемой элементной базе различают автоматическую блокировку:
- релейную;
- электронную;
- на основе программно-аппаратных средств.
По способу размещения оборудования различают автоматическую блокировку:
- с централизованным размещением;
- с децентрализованным размещением.
Сигналы автоблокировки
Полуавтоматическая блокировка

- Зелёный огонь — Перегон до следующей станции (путевого поста) свободен.
- Красный огонь — «Стой!». Запрещающий сигнал.
Полуавтоматическая блокировка (ПАБ) — система интервального регулирования движения поездов, применяемая на малодеятельных участках железных дорог (на одно- и двухпутных перегонах).
Полуавтоматическая блокировка не применяется на метрополитене.
Трёхзначная АБ
- Зелёный огонь — свободны два и более блок-участка.
- Жёлтый огонь — свободен один блок-участок.
- Красный огонь — «Стой!». Запрещающий сигнал. Следующий блок-участок занят.
Четырёхзначная АБ
- Зелёный огонь — свободны три или более блок-участка.
- Жёлтый и зелёный огонь — свободны два блок-участка.
- Жёлтый огонь — свободен один блок-участок.
- Красный огонь — «Стой!». Запрещающий сигнал.
Расстановка светофоров
На железнодорожных линиях с трёхзначной автоблокировкой длина блок-участка должна быть не менее тормозного пути при полном служебном и автостопном торможении для максимальной скорости движения, но не более 80 км/ч для грузовых и 120 км/ч для пассажирских поездов. При более высоких скоростях движения длина двух смежных блок-участков должна быть не менее тормозного пути для максимальной реализуемой скорости[2]. На участках с четырёхзначной автоблокировкой длина блок-участка должна быть достаточна для остановки пригородного поезда, а длина двух смежных блок-участков – для остановки грузового поезда.
При трёхзначной автоблокировке расстановка светофоров выполняется по засечкам времени на кривой скорости расчётного поезда или по максимальным тормозным путям поездов. При четырёхзначной автоблокировке используется более сложный способ расстановки светофоров по кривым времени, построенным для хвоста первого и головы второго поездов. Расчётные длины блок-участков корректируются в допустимых пределах с учётом видимости светофоров и расположения мостов, тоннелей, нейтральных вставок, платформ.
Принцип действия автоблокировки
Основные функции автоблокировки:
- определение занятости блок-участков, станционных путей и целостности рельсового пути, контролируя протекание тока через рельсовую цепь;
- включение огней напольных светофоров в зависимости от занятости блок-участка за этим светофором или от количества свободных блок-участков за ним, при перегорании лампы красного огня в светофоре, запрещающее показание автоматически переносится на впереди стоящий светофор;
- передача информации в систему АЛС для кодирования рельсовых цепей, передача информации поездному диспетчеру, дежурному по станции посредством аппаратуры электрической централизации и диспетчерского контроля.
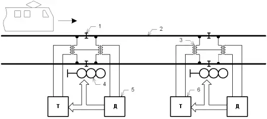
Числовая кодовая автоблокировка

1 — изолирующий стык; 2 — рельс; 3 — дроссель-трансформатор; 4 — проходной светофор; 5 — импульсное реле (приёмник сигнала) и дешифратор; 6 — кодовый путевой трансмиттер
Кодовая автоблокировка действует совместно с АЛСН, образуя единое комплексное средство сигнализации. Кодовый сигнал АЛСН, соответствующий показанию напольного светофора, формируется кодовым путевым трансмиттером, находящимся в конце блок-участка, и через дроссель-трансформатор передаётся в рельсовую цепь. При свободности блок-участка, сигнал дойдёт до его начала, будет принят и расшифрован напольной аппаратурой, которая выдаст более разрешающее показание (или зелёный сигнал, если и был принят «З» сигнал) для проходного светофора и кодового путевого трансмиттера предыдущего блок-участка.
При нахождении на блок-участке поезда, ток будет протекать между рельсами по колёсным парам локомотива (вагонов) не доходя до приёмника, дешифратор по отсутствию кодовых посылок определит занятость блок-участка, выдаст красный сигнал на напольный светофор и кодовым путевым трансмиттером на предыдущий блок-участок будет передаваться сигнал, соответствующий «КЖ» показанию локомотивного светофора. При этом ток, протекающий через первую колёсную пару локомотива, будет принят его приёмными катушками и обеспечит работу локомотивной аппаратуры АЛСН.
Для разделения рельсовых цепей соседних блок-участков используются изолирующие стыки. Дроссель-трансформатор предназначен для пропуска обратного тягового тока в обход изолирующего стыка. Для защиты от замыкания (схода) изолирующего стыка трансмиттеры соседних блок-участков имеют разные длительности кодовых циклов. Трансмиттеры смежных рельсовых цепей работают асинхронно, и дешифратор имеет возможность определить, из своей или из смежной рельсовой цепи поступил импульс.
Тональная автоблокировка

Г — генераторы; П1, П2 — приёмники; Т — трансмиттеры АЛС
| Тип цепи | Несущая, Гц | Модуляция, Гц | Основное применение |
|---|---|---|---|
| ТРЦ-3 | 420, 480 | 8, 12 | перегоны |
| 580 | перегоны, станции, метрополитен | ||
| 720, 780 | станции, метрополитен | ||
| ТРЦ-4 | 4545, 5000, 5555 | границы блок-участков |
В автоблокировке с тональными рельсовыми цепями (АБТ) и с тональными рельсовыми цепями с централизованным размещением аппаратуры (ЦАБ) для определения занятости блок-участка используется амплитудно-модулированные сигналы с несущими частотами 420 Гц и 480 Гц (также может использоваться частота 580 Гц), и частотами модуляции 8 Гц и 12 Гц. На одном пути перегона используются комбинации несущей частоты и частоты модуляции 420 Гц и 8 Гц, 480 Гц и 12 Гц, на другом — 420 Гц и 12 Гц, 480 Гц и 8 Гц, что защищает рельсовые цепи от взаимного влияния.
Один генератор питает рельсовые цепи двух смежных блок-участков. Частоты соседних генераторов чередуются. Каждый приёмник выделяет как свою несущую частоту, так и свою частоту модуляции.
Благодаря утечке через балласт, ток каждого генератора постепенно затухает и установка изолирующих стыков на перегоне не требуется. Изолирующие стыки и дроссель-трансформаторы устанавливают на границах перегона.
В бесстыковых рельсовых цепях занятие и освобождение блок-участка фиксируется на некотором расстоянии от его конца. Это расстояние называется зоной дополнительного шунтирования. Длина зоны дополнительного шунтирования может составлять до 10 % длины блок-участка.
Регулирование движения на перегоне с тональной автоблокировкой может осуществляться при помощи напольных светофоров и АЛС или при помощи автоматической локомотивной сигнализации как основного средства регулирования (АЛСО). В случае установки светофоров, на границах блок-участков оборудуют дополнительные короткие рельсовые цепи ТРЦ-4 с зоной дополнительного шунтирования не более 15 м, а светофоры выносят за её пределы, на 20 м навстречу движения поезда от точки подключения генератора. Если проходные светофоры не устанавливаются, границы блок-участков обозначают табличками.
Кодирование рельсовых цепей сигналами АЛС начинается в момент вступления поезда на рельсовую цепь, трансмиттером с конца занятого блок-участка.
Аппаратура АБТ и АЛС может располагаться централизованно, на станциях примыкающих к перегону, или децентрализованно. Связь с аппаратурой, находящейся на перегоне и между станциями осуществляется по кабелям.
Автоблокировка постоянного тока
Автоблокировка постоянного тока может использоваться только на участках с автономной тягой. Импульсы постоянного тока передаются в рельсовую цепь маятниковым трансмиттером, расположенным в начале блок-участка и принимаются путевым импульсным реле, расположенным вместе с напольной аппаратурой АЛСН на противоположном конце блок-участка. Сигнал с импульсного реле через дешифратор импульсной работы поступает на путевое реле, которое фиксирует свободное или занятое состояние блок-участка. При вступлении поезда на блок-участок рельсовая цепь шунтируется, путевое реле отпускает якорь и тыловыми контактами включает кодовый путевой трансмиттер АЛСН. Импульсное реле включено в рельсовую цепь через тыловые контакты трансмиттера АЛСН, который при передаче кодовых импульсов отключает импульсное реле от рельсовой цепи и подключает во время пауз, чем исключает его ложное срабатывание от переменного тока передаваемых сигналов АЛСН. После освобождения блок-участка во время паузы между импульсами АЛСН импульсное реле получает импульс от маятникового трансмиттера, путевое реле притягивает якорь и отключает кодовый путевой трансмиттер.
Информация между сигнальными установками передаётся по кабелям. Для разделения рельсовых цепей соседних блок-участков используются изолирующие стыки. Для защиты от схода изолирующего стыка используется поляризованное путевое импульсное реле и чередуется полярность источников питания соседних блок-участков.
Станционная автоблокировка
В рельсовых цепях станционной автоблокировки используется непрерывное питание для обеспечения максимально быстрого обнаружения их занятости. Для питания станционных рельсовых цепей может использоваться постоянный ток (на участках с автономной тягой), переменный ток той же частоты, которая применяется в используемой на станции системе АЛСН, или переменный ток другой частоты (тональные рельсовые цепи). Кодирование рельсовых цепей начинается при вступлении на них поезда с питающего или релейного конца (или с двух сторон одновременно), в зависимости от направления движения поезда.
При кодировании рельсовой цепи постоянного тока с релейного конца путевое импульсное реле отключается от рельсовой цепи на время передачи импульса АЛСН, в рельсовых цепях переменного тока (частота которого совпадает с несущей частотой сигналов АЛСН), в зависимости от направления кодирования, отключается путевое реле или источник тока. Проверка освобождения рельсовой цепи производится во время большой паузы между импульсами АЛСН. При использовании тональных рельсовых цепей ни генератор, ни приёмник от рельсовой цепи не отключаются. После освобождения рельсовой цепи кодирование прекращается.
В рельсовых цепях переменного тока с частотой 25 Гц и 50 Гц применяются фазочувствительные путевые реле, которые обладают надёжной защитой от влияния тягового тока, тока из соседних цепей при сходе изолирующего стыка и других помех. Фазочувствительное реле имеет путевую обмотку, включенную в рельсовую цепь и местную обмотку, на которую подаётся напряжение той же частоты с фазой сдвинутой на угол 90°, называемый идеальным сдвигом фаз. Реле не срабатывает, если частоты токов в путевой и местной обмотке отличаются более чем на 5 Гц и при отклонении угла сдвига фаз от идеального более чем на 90°. Для защиты от схода изолирующего стыка фазы токов в смежных рельсовых цепях сдвинуты на 180°.
Входные и выходные светофоры, в отличие от проходных, открываются не автоматически, а дежурным по станции после установки маршрута приёма или отправления. При этом аппаратурой электрической централизации проверяются зависимости, обеспечивающие безопасность движения по маршруту: положение стрелок, свободность путей и стрелочных переводов, отсутствие заданных враждебных маршрутов. Показание входного светофора будут зависеть от маршрута приёма (на главный или на боковой путь) и от показания выходного светофора, показание выходного светофора — от показания первого проходного светофора.
См. также
Примечания
- ГОСТ Р 53431-2009 Автоматика и телемеханика железнодорожная. Термины и определения
- Правила технической эксплуатации железных дорог Российской Федерации.
Литература
- Ю. А. Кравцов, В. Л. Нестеров, Г. Ф. Лекута и др. Системы железнодорожной автоматики и телемеханники / Под ред. Ю. А. Кравцова. — М.: Транспорт, 1996. — 400 с. — ISBN 5-277-01688-0.